Валерий Авербух
Окончание, начало в КиТ №1, 1999
Принципы построения быстрых АЦП
2.3. С аналоговым декодированием
Если в структуре АЦП прямого взвешивания компараторы заменить линейными усилителями, а выходные напряжения каждого сравнивать с помощью ряда компараторов с несколькими опорными напряжениями, можно увеличить входной импеданс. Правда, при этом число компараторов и логических вентилей в схеме декодирования не уменьшится.
Hewlett-Packard запатентовала новый метод, названный аналоговым декодированием, теоретически позволяющий для N-разрядного аналого-цифрового преобразования использовать только N компараторов, защелок и логических элементов XOR [3].
В основе метода лежит использование аналоговых схем декодирования, работающих на нескольких уровнях, в отличие от обычных компараторов, работающих на одном.
2.4. Кодирование выходных сигналов
В АЦП прямого взвешивания выходы компараторов, опорные напряжения которых меньше входного сигнала, находятся в состоянии 1, а у тех, опорные напряжения которых больше входного, — в состоянии 0. По аналогии с ртутным термометром такой выходной код называют термометрическим. При изменении входного сигнала в каждый момент времени изменяться состояние только одного компаратора. Однако моменты срабатывания последних и приходов тактовых импульсов триггеров-защелок независимы, что при определенных соотношениях задержек этих элементов может приводить к появлению нестабильности выходного кода АЦП, называемой «искрящим кодом». Одним из способов борьбы с этим явлением является построение декодирующего устройства с применением кода Грея, при котором в каждый момент может изменяться состояние только одного разряда.
2.5. Функция пикового детектирования
Для того чтобы записать большой фрагмент сигнала в имеющуюся в устройстве память ограниченного объема, частоту выборок приходится уменьшать по сравнению с максимально возможной. При этом короткие выбросы сигнала могут быть пропущены. Для предотвращения этого явления можно использовать следующий прием. Частота дискретизации всегда максимальна. На запоминание поступает результат каждой N-й выборки, где N — коэффициент деления частоты дискретизации. Для выделения максимального положительного напряжения в промежутке между записями значение текущей выборки постоянно сравнивается с предыдущим, и сохраняется большее из них. Аналогично выделяется максимальное отрицательное напряжение. Такие «интеллектуальные» устройства, использующие описанный рекурсивный алгоритм, встроены в некоторые новые цифровые осциллографы. Например, осциллограф Hewlett-Packard HP54800 может запоминать импульсы длительностью до 500 пс, что соответствует частоте дискретизации 2 ГГц.
Рис. 1. Структурная схема "классического" АЦП прямого взвешивания
Рис. 2. Интерполирующая структура АЦП прямого взвешивания
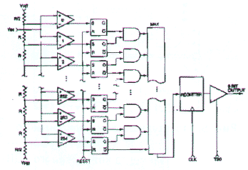
При описанном алгоритме минимальная длительность выделяемого импульса ограничивается временем полного цикла преобразования АЦП, значительная часть которого уходит на преобразование выходного кода линейки компараторов в выходной сигнал с помощью многокаскадной логической схемы. Изменением логической схемы АЦП задержка последней может быть сведена к задержке одного триггера-защелки. Структура такого цифрового пикового детектора TDC1035 компании Raytheon представлена на рис. 3 [8]. Она отличается от «классической» (рис. 1) тем, что вместо стробируемых D-триггеров здесь использованы RS-триггеры, срабатывающие немедленно после прихода соответствующего сигнала компаратора и остающиеся в таком состоянии до прихода импульса сброса. «Термометрический» выходной код линейки RS-триггеров представляет код пикового значения сигнала. Время его преобразования в стандартную форму уже не имеет строгих ограничений. Этот АЦП выполнен по довольно старой технологии и имеет гарантированную длительность импульса, измеряемого с полной 8-разрядной точностью, составляет 30 нс.
Рис. 3. Структурная схема пикового детектора с АЦП прямого взвешивания Raytheon TDC1035
3. АЦП конвейерного типа (Pipeline)
Как упоминалось выше, максимальная разрядность АЦП прямого взвешивания — 10. Для повышения разрешения необходимо применять иные структуры. Многие из современных быстродействующих АЦП состоят из узлов, последовательно обрабатывающих сигнал за несколько тактов сигнала выборки. При этом частота появления выходных кодов равна частоте сигнала выборки. Они называются АЦП конвейерного типа (Pipeline).
3.1. Конвейерный груботочный АЦП (Subranging)
При этом, сейчас наиболее распространенном методе сначала в цифровую форму преобразуется группа старших разрядов (грубое преобразование). С помощью ЦАП полученный код преобразуется в аналоговый сигнал, который вычитается из входного. Разностное напряжение усиливается и поступает на АЦП, осуществляющий преобразование группы младших разрядов (точное преобразование). Количество таких уточняющих преобразований, а следовательно каскадов, может быть довольно большим. АЦП младших и старших разрядов работают одновременно, последовательно обрабатывая поступающие выборки. В устройстве могут использоваться внутренние АЦП, построенные на разных принципах— прямого взвешивания или, например, рассматриваемые далее MagAmps.
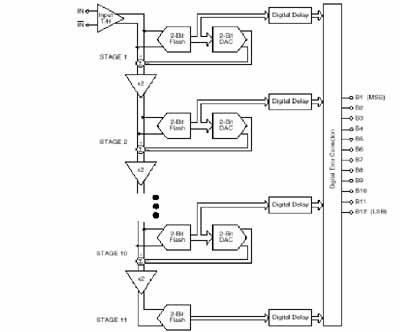
На рис. 4 представлена структура усовершенствованного 12-разрядного Subranging АЦП AD9042 компании Analog Devices, который выпускается в модификациях с частотами выборки 60 и 41 МГц. Первая схема выборки-хранения SHA1 обычным образом запоминает выборку сигнала на время преобразования. Ее выходной сигнал преобразуется АЦП, выходной код которого запоминается буферным регистром, а также используется для управления ЦАП. Схема выборки-хранения SHA2 используется для предотвращения влияния работы первого АЦП на точность последующей части устройства. Из ее выходного сигнала вычитается сигнал ЦАП. Разностное напряжение усиливается и запоминается схемой выборки-хранения SHA3 на время, необходимое для работы второго АЦП. При корректной работе первого АЦП его ошибка не превысит единицы младшего разряда. Число разрядов второго преобразователя выбирается таким образом, что число разрядов первого и второго АЦП на один превышало разрядность АЦП в целом. Избыточный разряд используется для коррекции ошибки преобразования первого АЦП. Для этого ЦАП должен иметь точность не менее чем у АЦП в целом, то есть в данном случае 12-разрядную, а суммирующий усилитель такой коэффициент усиления, чтобы вес старшего разряда второго АЦП был не меньше младшего разряда первого. При этом схема корректирующей логики, представляющего собой полный сумматор, сможет уменьшить погрешность преобразования до величины, соответствующей заданному числу разрядов АЦП. Особенностью являются использование АЦП хорошо освоенного компанией типа MagAmps и для получения высокой линейности и быстродействия, ЦАП с 63 источниками тока, весовой коэффициент каждого из которых соответствует определенному коду. Технические идеи, заложенные в этой структуре, используются в ряде других изделий компании Analog Devices.
Рис. 4. Структурная схема конвейерного АЦП с корректирующей логикой Analog Devices AD9042
Аналогичную структуру имеет АЦП ADS807, используемая компанией Burr-Brown во всех сериях высокоскоростных АЦП [9]: 12-разрядных ADS80X (самый быстрый ADS807 — 53 МГц), 10-разрядных ADS82X и ADS90X (самый быстрый ADS824 — 70 МГц), 8-разрядных ADS83X и ADS93X (самый быстрый ADS831 — 80 МГц).
Все высокоскоростные АЦП компании Texas Instruments [10] также построены на основе этого метода. Поскольку они используют внутренние АЦП прямого взвешивания (Flash), компания называет их структуру Samiflash. За исключением TLC876, все они 8-разрядные и используют два внутренних четырехразрядных АЦП. Самый быстрый из них -TLV5580 (8 разрядов, 80 МГц, время задержки появления выходного кода — 4,5 такта), самый точный— TLC876 (10 разрядов, 20 МГц, использует 5 внутренних двухразрядных АЦП).
3.2. Многокаскадный с однобитными АЦП
Один из ранних вариантов конвейерного АЦП (ripple) состоял из последовательно включенных одинаковых каскадов. Каждый каскад содержал усилитель, однобитный ЦАП и компаратор [Х]. Входной сигнал запоминался схемой выборки-хранения, поступал на первый компаратор, при его срабатывании однобитовый сигнал ЦАП вычитался из входного сигнала, усиливался в 2 раза усилителем (для получения одинаковой чувствительности во всех каскадах) и в виде разностного сигнала поступал на следующий каскад. Таким образом, каждый из каскадов осуществлял одноразрядное аналого-цифровое преобразование. Совокупность сигналов с выходов всех компараторов представляла результат преобразования, который выходной логикой перекодировался в стандартную форму. Время преобразования определялось в основном временем прохождения сигнала через все каскады.
Рис. 5. Структурная схема однобитного АЦП MagAmp - элемента конвейерного АЦП
Усовершенствована конвейерная структура, построенная из одноразрядных АЦП, названа Magnitude Amplifiers, или сокращенно MagAmps, так как использует усилители абсолютного значения сигнала. Применяют и другие названия. Эквивалентная схема каскада такого АЦП представлена на рис. 5. Компаратор определяет знак входного напряжения, в соответствии с которым выдает выходной бит. Одновременно он управляет знаком усиления, с которым сигнал поступает на следующий каскад: +2 или –2. Опорное напряжение VR суммируется с напряжением на выходе ключа, образуя разностный сигнал, поступающий на следующий каскад. В отличие от описанного выше варианта (ripple), эта зависимость имеет скачки только по производной, но не имеет резких скачков по амплитуде, что способствует достижению высокой скорости преобразования. Основным фактором, позволяющим достигать высокой скорости преобразования, явилась возможность реализации в новых структурах аналоговых ИС с токовым управлением высокоскоростных дифференциальных каскадов с малыми искажениями и точностью, достигающей 8 разрядов без применения обратной связи. За форму зависимости этот АЦП также называют складным (folded), а за выходную кодировку в виде кода Грея также последовательным АЦП Грея. Благодаря технологичности эти структуры часто используются при построении недорогих АЦП с хорошими характеристиками. Например, Analog Devices в ее 12-разрядных АЦП AD9042, в серии AD922X с частотой квантования до 10 МГц, в сдвоенном 8-разрядном AD9059 с частотой квантования 60 МГц (5 старших разрядов) и в 8-разрядном AD9054 с частотой квантования 200 МГц (4 старших разряда).
4. О применении многофазной дискретизации
При нестабильности следования сигналов выборки, что обычно проявляется в форме их дрожания (jitter) по фазе, на сигналах с частотой, соизмеримой с частотой выборок, наблюдается появление характерных нелинейных искажений, тем больших, чем выше скорость изменения сигнала. Для повышения временной стабильности тактовых генераторов принимаются специальные меры, например, в новых осциллографах Hewlett-Packard используется схема формирования с петлей фазовой автоподстройки, обеспечивающая очень стабильный сигнал синхронизации [3].
Часто в высокоскоростных АЦП, построенных на различных принципах, для повышения эквивалентной частоты выборок устройства в целом, используется включение нескольких АЦП параллельно по входам и выборками с временным сдвигом относительно друг друга. Этот метод, называемый многофазной дискретизацией, дает серьезные преимущества в скорости преобразования, если время записи (выборки) сигнала в одну физическую ячейку запоминания существенно меньше времени от поступления сигнала выборки до появления сигнала на выходе АЦП. Например, в упоминавшемся выше AD9059, время выборки встроенной схемы выборки-хранения составляет 1 нс, а минимальный интервал между сигналами выборки — 16,7 нс. Однако этой возможностью нужно пользоваться осторожно. Ограничения, вызываемые недостаточной стабильностью следования сигналов выборки и различием времени преобразования для входящих в устройство АЦП, приводят к тому, что сейчас чаще всего либо используется чередование только двух АЦП, выполненных на одном кристалле, как AD9058 либо, от этой возможности отказываются вовсе, как в новых осциллографах компании Hewlett-Packard.
Литература
- Каталог фирмы Tektronix, 1988г.
- Денбновецкий С.В. и др., Запоминающие электронно-лучевые осциллографы. Москва, «Радио и связь»,1990.
- 20X Clock multiplication moves digitizing rate of portable Scopes in to Hiperdrive. Richard B. Rudloff, Hewlett-Packard Corp.
- Цифровой регистратор импульсных сигналов АФИ-1700. Техническое описание и инструкция по эксплуатации. Институт ядерной физики Сибирского отделения АН СССР, 1994 г.
- 500Mpsps 8-Bit Flash ADC, Analog Design Guide, 7th Edition, Maxim Integrated Products, Inc.
- Walt Kester. High speed sampling and high speed ADC. High speed design techniques, Analog Devices Inc.
- Winter 1999 Designer's Reference Manual, CD, Analog Devices Inc.
- 1997 Data Book, CD, Raytheon Electronics Semiconductor Division.
- 1999 CD-ROM Catalog, Burr-Brown Corporation.
- Designer's Guide & Data Book.
valaverb@mtu-net.ru
|