|
Современные силовые запираемые тиристоры
Введение
Создание полупроводниковых приборов для силовой электроники началось в 1953 г., когда стало возможным получение кремния высокой чистоты и формирование кремниевых дисков больших размеров. В 1955 г. был впервые создан полупроводниковый управляемый прибор, имеющий четырехслойную структуру и получивший название «тиристор».
Он включался подачей импульса на электрод управления при положительном напряжении между анодом и катодом. Выключение тиристора обеспечивалось снижением протекающего через него прямого тока до нуля, для чего было разработано множество схем индуктивно-емкостных контуров коммутации. Однако они не только увеличивали стоимость преобразователя, но и ухудшали его массо-габаритные показатели, снижали надежность.
Поэтому одновременно с созданием тиристора начались исследования, направленные на обеспечение его выключения по управляющему электроду. Главная проблема состояла в обеспечении быстрого рассасывания носителей зарядов в базовых областях.
Первые подобные тиристоры появились в 1960 г. в США. Они получили название Gate Turn Off (GTO). В нашей стране они больше известны как запираемые или выключаемые тиристоры.
В середине 90-х годов был разработан запираемый тиристор с кольцевым выводом управляющего электрода. Он получил название Gate Commutated Thyristor (GCT) и стал дальнейшем развитием GTO-технологии.
Тиристоры GTO
Устройство. Запираемый тиристор — полностью управляемый полупроводниковый прибор, в основе которого лежит классическая четырехслойная структура. Включают и выключают его подачей положительного и отрицательного импульсов тока на электрод управления. На рис. 1 приведены условное обозначение (а) и структурная схема (б) выключаемого тиристора.
Подобно обычному, он имеет катод K, анод А и управляющий электрод G. Различие в структурах приборов заключается в ином расположении горизонтальных и вертикальных слоев с n- и р-проводимостями.
Наибольшему изменению подверглось устройство катодного слоя n. Он разбит на несколько сотен элементарных ячеек, равномерно распределенных по площади и соединенных параллельно. Такое исполнение вызвано стремлением обеспечить равномерное снижение тока по всей площади полупроводниковой структуры при выключении прибора.
Базовый слой p, несмотря на то что выполнен как единое целое, имеет большое число контактов управляющего электрода (примерно равное числу катодных ячеек), также равномерно распределенных по площади и соединенных параллельно. Базовый слой n выполнен аналогично соответствующему слою обычного тиристора.
Анодный слой p имеет шунты (зоны n), соединяющие n-базу с анодным контактом через небольшие распределенные сопротивления. Анодные шунты применяют в тиристорах, не обладающих обратной блокирующей способностью. Они предназначены для уменьшения времени выключения прибора за счет улучшения условий извлечения зарядов из базовой области n.
Основное исполнение тиристоров GTO — таблеточное с четырехслойной кремниевой пластиной, зажатой через термокомпенсирующие молибденовые диски между двумя медными основаниями, обладающими повышенной тепло- и электропроводностью. С кремниевой пластиной контактирует управляющий электрод, имеющий вывод в керамическом корпусе. Прибор зажимается контактными поверхностями между двумя половинами охладителей, изолированных друг от друга и имеющих конструкцию, определяемую типом системы охлаждения.
Принцип действия
В цикле работы тиристора GTO различают четыре фазы: включение, проводящее состояние, выключение и блокирующее состояние.
 |
 |
Рис. 1 |
На схематичном разрезе тиристорной структуры (см. рис. 1, б) нижний вывод — анодный. Анод контактирует со слоем p. Далее (снизу вверх) следуют: базовый слой n, базовый слой p (имеющий вывод управляющего электрода) и слой n, непосредственно контактирующий с катодным выводом. Четыре слоя образуют три p—n-перехода: j1 между слоями p и n; j2 между слоями n и p; j3 между слоями p и n.
Фаза 1 — включение
Переход тиристорной структуры из блокирующего состояния в проводящее (включение) возможен только при приложении прямого напряжения между анодом и катодом. Переходы j1 и j3 смещаются в прямом направлении и не препятствуют прохождению носителей зарядов. Все напряжение прикладывается к среднему переходу j2, который смещается в обратном направлении. Около перехода j2 образуется зона, обедненная носителями зарядов, получившая название области объемного заряда. Чтобы включить тиристор GTO, к управляющему электроду и катоду по цепи управления прикладывается напряжение положительной полярности UG (вывод «+» к слою p). В результате по цепи протекает ток включения IG.
Запираемые тиристоры предъявляют жесткие требования к крутизне фронта dIG/dt и амплитуде IGM тока управления. Через переход j3, кроме тока утечки, начинает протекать ток включения IG. Создающие этот ток электроны будут инжектироваться из слоя n в слой p. Далее часть из них будет перебрасываться электрическим полем базового перехода j2 в слой n.
Одновременно увеличится встречная инжекция дырок из слоя p в слой n и далее в слой p, то есть произойдет увеличение тока, созданного неосновными носителями зарядов.
Cуммарный ток, проходящий через базовый переход j2, превышает ток включения, происходит открытие тиристора, после чего носители зарядов будут свободно переходить через все его четыре области.
Фаза 2 — проводящее состояние
В режиме протекания прямого тока нет необходимости в токе IG, если анодный ток превышает величину тока удержания. Однако на практике, для того чтобы все структуры выключаемого тиристора постоянно находились в проводящем состоянии, все же необходимо поддержание тока, предусмотренного для данного температурного режима. Таким образом, в течение времени включения и нахождения в проводящем состоянии система управления формирует ток положительной полярности.
В проводящем состоянии все области полупроводниковой структуры обеспечивают равномерное движение носителей зарядов (электронов от катода к аноду, дырок — в обратном направлении). Через переходы j1, j2 протекает анодный ток, через переход j3 — суммарный ток анода и управляющего электрода.
Фаза 3 — выключение
Для выключения тиристора GTO при неизменной полярности напряжения UT (рис. 3) к управляющему электроду и катоду по цепи управления прикладывается напряжение отрицательной полярности UGR. Оно вызывает ток выключения, протекание которого ведет к рассасыванию основных носителей заряда (дырок) в базовом слое p. Другими словами, происходит рекомбинация дырок, поступивших в слой p из базового слоя n, и электронов, поступивших в этот же слой по управляющему электроду.
Рис. 2
По мере освобождения от них базового перехода j2 тиристор начинает запираться. Этот процесс характеризуется резким уменьшением прямого тока IТ тиристора за короткий промежуток времени до небольшой величины IТQT (рис. 2). Сразу после запирания базового перехода j2 начинает закрываться переход j3, однако за счет энергии, запасенной в индуктивности цепей управления, он еще некоторое время находится в приоткрытом состоянии.
Рис. 3
После того как вся энергия, запасенная в индуктивности цепи управления, будет израсходована, переход j3 со стороны катода полностью запирается. С этого момента ток через тиристор равен току утечки, который протекает от анода к катоду через цепь управляющего электрода.
Процесс рекомбинации и, следовательно, выключения запираемого тиристора во многом зависит от крутизны фронта dIGQ/dt и амплитуды IGQ обратного тока управления. Чтобы обеспечить необходимые крутизну и амплитуду этого тока, на управляющий электрод требуется подать напряжение UG, которое не должно превышать величины, допустимой для перехода j3.
Фаза 4 — блокирующее состояние
В этом режиме к управляющему электроду и катоду остается приложенным напряжение
отрицательной полярности UGR от блока управления. По цепи управления протекает суммарный ток IGR, состоящий из тока утечки тиристора и обратного тока управления, проходящего через переход j3. Последний смещается в обратном направлении. Таким образом, в тиристоре GTO, находящемся в прямом блокирующем состоянии, два перехода (j2 и j3) смещены в обратном направлении, и образованы две области пространственного заряда.
В течение всего времени выключения и блокирующего состояния система управления формирует напряжение отрицательной полярности.
Защитные цепи
Использование тиристоров GTO требует применения специальных защитных цепей. Они увеличивают массогабаритные показатели, стоимость преобразователя, иногда требуют дополнительных охлаждающих устройств, однако являются необходимыми для нормального функционирования приборов.
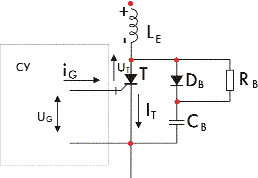
Назначение любой защитной цепи — ограничение скорости нарастания одного из двух параметров электрической энергии при коммутации полупроводникового прибора. При этом конденсаторы защитной цепи СВ (см. рис. 3) подключают параллельно защищаемому прибору Т. Они ограничивают скорость нарастания прямого напряжения dUT/dt при выключении тиристора.
Дроссели LE устанавливают последовательно с прибором Т. Они ограничивают скорость нарастания прямого тока dIT/dt при включении тиристора. Значения dUT/dt и dIТ/dt для каждого прибора нормированы, их указывают в справочниках и паспортных данных на приборы.
Кроме конденсаторов и дросселей в защитных цепях используют дополнительные элементы, обеспечивающие разряд и заряд реактивных элементов. К ним относятся: диод DВ, который шунтирует резистор RВ при выключении тиристора Т и заряде конденсатора СВ, резистор RВ, ограничивающий ток разряда конденсатора СВ при включении тиристора Т.
Система управления
Система управления (СУ) содержит следующие функциональные блоки: включающий контур, состоящий из схемы формирования отпирающего импульса и источника сигнала для поддержания тиристора в открытом состоянии; контур формирования запирающего сигнала; контур поддержания тиристора в закрытом состоянии.
Все перечисленные блоки нужны не для всех типов СУ, но контуры формирования отпирающих и запирающих импульсов должна содержать каждая СУ. При этом необходимо обеспечить гальваническую развязку схемы управления и силовой цепи выключаемого тиристора.
Для управления работой выключаемого тиристора применяются две основные СУ, отличающиеся способами подачи сигнала на управляющий электрод. В случае, представленном на рис. 4, сигналы, формируемые логическим блоком St, подвергаются гальванической развязке (разделение потенциалов), после чего производится их подача через ключи SE и SA на управляющий электрод выключаемого тиристора Т. Во втором случае сигналы сначала воздействуют на ключи SE (включения) и SA (выключения), находящиеся под тем же потенциалом, что и СУ, затем через устройства гальванической развязки UE и UA подаются на управляющий электрод.
В зависимости от расположения ключей SE и SA различают низкопотенциальные (НПСУ) и высокопотенциальные (ВПСУ, см. рис. 4) схемы управления.
Рис. 4
Система управления НПСУ конструктивно проще, чем ВПСУ, однако ее возможности ограничены в отношении формирования управляющих сигналов большой длительности, действующих в режиме протекания через тиристор прямого тока, а также в обеспечении крутизны импульсов управления. Для формирования сигналов большой длительности здесь приходится использовать более дорогие двухтактные схемы.
В ВПСУ высокая крутизна и увеличенная длительность управляющего сигнала достигается проще. Кроме того, здесь сигнал управления используется полностью, в то время как в НПСУ его величина ограничивается устройством разделения потенциалов (например, импульсным трансформатором).
Информационный сигнал — команда на включение или выключение — обычно подается на схему через оптоэлектронный преобразователь.
Продолжение следует
Фирма «КТЦ-МК»
info@cec-mc.ru
|