Рубликатор

 



























Все о псориазе



Алексей Сигаев

Oднокристальный контроллер Ethernet CS8900A

 Подключение разнообразных устройств к сети Internet продолжает активно набирать обороты. Все больше бытовой техники обзаводится возможностью использования ресурсов глобальной сети для управления, обмена информацией и мониторинга. И поскольку основным физическим интерфейсом, применяемым при создании сетей, по-прежнему остается 10BaseT Ethernet (IEEE 802.3), то и тема реализации подключения устройств к сетям на основе Ethernet не теряет своей актуальности.

 Управление устройствами с использованием глобальной сети имеет множество преимуществ, основным из которых является возможность быстро получать информацию практически с любого места земного шара. В настоящее время интерфейс Ethernet в устройства встраивается по одной из двух причин:

  • устройству необходимо удаленное управление или доступ к удаленным данным (наиболее распространенная причина; примеров можно приводить сколько угодно, начиная от систем удаленного управления и мониторинга в жилищном хозяйстве и заканчивая холодильниками, способными автоматически отправлять запрос в магазин для пополнения запаса продуктов);
  • Ethernet используется просто как удобный способ подключения устройства к компьютеру для передачи данных (так, фирма Sony выпустила недавно цифровую видеокамеру с интерфейсом Ethernet для передачи отснятой информации).

 Так или иначе, встает вполне очевидный вопрос о способах физической реализации подключения устройств к Ethernet. Наиболее распространенным способом является использование однокристальных контроллеров Ethernet, которые в настоящее время выпускаются такими фирмами, как Crystal Semiconductor, Realtek, SMSC и другими. Однако, несмотря на богатство выбора, наибольшее распространение в силу целого ряда причин получил чип CS8900A фирмы Crystal Semiconductor. Обусловлено это в первую очередь его изначальной ориентацией на применение во встраиваемых системах и подключение к микроконтроллерам.

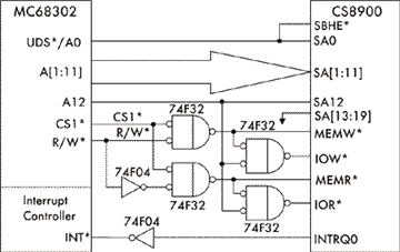
Рис. 1

 Микросхема CS8900A (рис. 1) представляет собой законченный однокристальный контроллер Ethernet, полностью совместимый со стандартом IEEE 802.3. Для ее работы требуется минимальное количество внешних компонентов (необходимыми являются только кварцевый резонатор, сигнальный трансформатор и пять резисторов), при этом занимаемая на печатной плате площадь составляет менее 5 см2. Выпускается как пяти-, так и трехвольтовая версия микросхемы, что в сочетании с низким энергопотреблением (55 мA при напряжении питания 5 В) и наличием power-down режимов позволяет применять ее в малогабаритных и малопотребляющих системах. CS8900A подключается без использования внешних компонентов практически ко всем современным типам микроконтроллеров, включая восьмиразрядные микроконтроллеры фирм Motorola, Atmel, Microchip и других (рис. 2), при этом она может располагаться как в адресном пространстве памяти, так и в пространстве портов ввода/вывода и работать как с восьми-, так и с шестнадцатиразрядной шиной данных. Чип поддерживает также подключение с использованием DMA, что позволяет снизить нагрузку на микроконтроллер (при этом при приеме пакетов производится автоматическое переключение между использованием канала DMA и встроенного буфера). CS8900A имеет встроенный буфер для передаваемого и принимаемого пакетов и поддерживает полнодуплексную работу с автоматическим повтором передачи при обнаружении коллизий и автоматический подсчет контрольных сумм. Также возможна генерация прерывания при начале приема пакета, что позволяет ускорить обработку поступающей информации. Кроме того, микросхема имеет встроенные аналоговые фильтры для 10BaseT порта, что дает возможность обойтись без подключения внешних фильтров и ведет к удешевлению системы в целом, а также имеется Attachment Unit Interface (AUI) порт, позволяющий при необходимости подключать микросхему к 10Base2, 10Base5 или 10BaseF интерфейсам.

Рис. 2

 Говоря про CS8900A, нельзя не отметить высокое качество и детальность документации, предоставляемой фирмой Crystal Semiconductor. На ее сайте (www.crystal.com) можно найти примеры подключения микросхемы к различным типам микроконтроллеров, а также солидную коллекцию драйверов под различные операционные системы (включая некоторые RTOS), причем практически все драйверы поставляются вместе с исходными текстами. Помимо этого, поскольку микросхема получила широкое распространение и пользуется большой популярностью, в Internet можно найти множество разработок с использованием CS8900A и различных восьмиразрядных микроконтроллеров, так что можно с уверенностью сказать, что подключение устройства к Internet с использованием контроллера Ethernet фирмы Crystal Semiconductor не вызовет никаких проблем, а цена такого подключения составит менее $20.

phantom@tversu.ru


Статьи по: ARM PIC AVR MSP430, DSP, RF компоненты, Преобразование и коммутация речевых сигналов, Аналоговая техника, ADC, DAC, PLD, FPGA, MOSFET, IGBT, Дискретные полупрoводниковые приборы. Sensor, Проектирование и технология, LCD, LCM, LED. Оптоэлектроника и ВОЛС, Дистрибуция электронных компонентов, Оборудование и измерительная техника, Пассивные элементы и коммутационные устройства, Системы идентификации и защиты информации, Корпуса, Печатные платы

Design by GAW.RU