|
 |
 |
|
 |
Валерий Коняхин,
Сергей Муратов,
Николай Шелепин
Цифро-аналоговая ИС
для приемопередатчика
мультиплексной шины
Настоящая статья описывает один из вариантов реализации схемы приемопередатчика магистрального интерфейса в соответствии с ГОСТ 26765.52-87. Основная часть схемы разработана на основе КМОП БМК 5503ХМ1. Рассмотрены общие требования к этой схеме, предъявляемые стандартом. Представлена структурная схема, описано ее функционирование.
Системы автоматического управления бортовым оборудованием становятся все более многомодульными и разветвленными. В связи с этим получили широкое развитие мультиплексные каналы межмодульного обмена, имеющие ряд преимуществ в сравнении с радиальными каналами [1]. Мультиплексные каналы нашли широкое применение в аппаратуре, устанавливаемой на самолетах, судах, а в последнее время подобные системы стали устанавливать и на автомобилях. Эти системы характеризуются высокой надежностью и интенсивностью межмодульного обмена информацией. Создание элементной базы для подобных систем превращается во все более актуальную задачу.
Одним из наиболее распространенных отечественных стандартов для обмена информацией по мультиплексным каналам межмодульного обмена является ГОСТ 26765.52-87 [2], соответствующий зарубежному стандарту MIL-STD-1553B («Манчестер-2»). В автомобильной технике широкое распространение получил протокол CAN, предложенный фирмой «Bosch» [3].
В настоящее время новейшие бортовые вычислительные комплексы автоматического управления построены в основном на зарубежной элементной базе, которая в силу ряда причин не может применяться в военной и специальной аппаратуре. Поэтому высокую актуальность приобретает создание отечественных микросхем, которые позволят строить распределенные вычислительные комплексы в соответствии с отечественными стандартами.
Ниже приводятся общие требования, предъявляемые ГОСТ 26765.52-87 к мультиплексной шине для обмена информацией.
- Присутствие трансформаторной гальванической развязки при передаче сигналов. Передача информации бифазными двухуровневыми сигналами.
- Быстродействие 1 Мбит/с.
- Нестабильность (в интервале не более 1 с) менее 100 бит/с.
- Размах сигнала, поступающего с шины, от 0,86 до 20 В.
- Размах сигнала, выдаваемого на шину, от 18 до 27 В.
- Длительность непрерывной передачи информации не более 800 мкс.
Из анализа общих требований можно сделать вывод, что для сопряжения цифровых КМОП БИС — абонентов мультиплексной шины с трансформатором гальванической развязки необходима микросхема, имеющая в своем составе:
- аналоговую часть, взаимодействующую с трансформатором гальванической развязки, через который на мультиплексную шину выдается сигнал размахом от 18 до 27 В, и принимается сигнал до 20 В;
- аналогово-цифровую часть, общающуюся с цифровой КМОП БИС — абонентом мультиплексной шины и работающую с напряжением питания до 5 В.
В состав высоковольтной аналоговой части схемы должны входить ограничитель сигналов с линии передачи, буферы-формирователи сигналов на трансформатор развязки мультиплексной шины, а в состав низковольтной — два компаратора, используемые для разложения получаемого сигнала на бифазные составляющие, и компаратор, отслеживающий перегрузку по току.
В состав цифровой части должна входить схема синхронизации передаваемых сигналов, а также схема, блокирующая передатчик при определенных ситуациях, таких как слишком длинная непрерывная передача информации (свыше 800 мкс) или перегрузка по току.
Цифровой тракт и компараторы аналоговой части могут работать при напряжении питания 5 В, максимальная частота функционирования передающей части схемы должна составить 8 МГц. Для создания приемопередатчика на основе проведенного анализа требований и возможностей в НПК «Технологический центр» МИЭТ разработана БИС, которая реализована на БМК 5503ХМ1 [4,5].
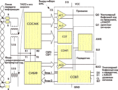
Структура данной ИС представлена на рис. 1.

Рис. 1.
В ее составе можно выделить две части: приемник и передатчик.
Передатчик состоит из следующих блоков (см. рис. 1):
1. Схема синхронизации входной логики ССВЛ.
2. Схема инвертирующих буферов-формирователей СИБФ.
3. Схема ограничения тока, выполненная на основе аналогового компаратора AC3.
4. Схема определения непрерывной передачи в течение 800 мкс СОНП.
5. Схема формирования сигнала блокировки передатчика СФСБП.
Данные, поступающие по входам D0 и D1, синхронизируются в передатчике частотой, приходящей по входу CL, и полученные сигналы передаются на входы инвертирующих буферов — формирователей. Далее, пройдя через трансформатор ТИЛ3, выходные сигналы на магистральной шине будут в полном соответствии с ГОСТ 26765.52-87. Частота синхронизации может быть 2, 4, 8 МГц (при других частотах схема определения непрерывной передачи в течение 800 мкс не будет функционировать). Значения частоты синхронизации задаются на конфигурационных выводах CSF0, CSF1 при помощи логических КМОП-уровней.

рис. 2.
Схема буферов-формирователей в случае использования описываемой БИС совместно с трансформатором ТИЛ3 и его модификациями представлена на рис. 2. Низкий уровень на буфере-формирователе возникает при открытии n-МОП ключа T1 или T0, высокий уровень, как видно из рис. 2, появляется, когда ключ закрыт.
Одновременно с передачей данных работают: схема определения непрерывной передачи, отслеживающая длительность непрерывной передачи информации (она должна быть не более 800 мкс в соответствии с ГОСТ 26765.52-87), и схема ограничения тока, следящая за тем, чтобы последний не превысил ток насыщения трансформатора.
Схема формирования сигнала блокировки передатчика формирует активный сигнал низкого уровня по следующим причинам:
- при появлении на входе CS низкого уровня (блокируется и приемник и передатчик);
- при одновременном появлении на выводах D1, D0 одинакового уровня на время более одного периода частоты синхронизации данных (блокируется только передатчик);
- при появлении на выводе BLT высокого уровня (блокируется только передатчик);
- при появлении сигнала о перегрузке по току в инвертирующих буферах-формирователях, который формируется на аналоговом компараторе AC3 (блокируется только передатчик);
- при превышении длительности непрерывной передачи информации 800 мкс, при частотах синхронизации 2, 4, 8 МГц (блокируется только передатчик.)
При блокировке n-МОП ключи T1 и T0 закрыты.
Приемник состоит из следующих блоков (см. рис. 1):
1. Схема ограничителя сигналов из мультиплексного канала и вспомогательные аналоговые элементы СОСМК.
2. Схема опорных токов СОТ.
3. Схема создания униполярного бифазного кода на основе аналоговых компараторов AC1, AC2.
Приемник принимает информацию из линии передачи в виде фазомодулированного биполярного кода, выделяет на схеме ограничителя сигналов переменную составляющую и далее преобразует ее в униполярный бифазный код с участием компараторов AC1 и AC2. Через выводы Q1 и Q0 он передает его в цифровом виде с КМОП-уровнями в устройство, декодирующее и обрабатывающее бифазные униполярные сигналы. Прием информации определяется наличием высокого уровня на выводе CS и наличием фазомодулированного биполярного кода на линии. Когда Q1 и Q0 оба в единичном состоянии
(5 В), это сигнализирует о том, что передача информации на мультиплексной шине не происходит.
Схема опорных токов влияет на чувствительность приемника к размаху внешних сигналов с линии. С ее помощью можно изменить размах входных сигналов, при поступлении которых устройство будет нормально функционировать.
Инвертирующие буферы-формирователи можно создать на основе транзистора IRLR110 или его аналогов.
Таким образом, на основе выпускаемой отечественной микросхемы разработана ИС приемопередатчика, удовлетворяющая всем требованиям ГОСТ 26765.52-87. Ее основа: аналового-цифровая ИС 5503ХМ1 — 121 в бескорпусном варианте [4] и два n-МОП транзистора типа IRLR-110. Данная ИС является обязательным компонентом аппаратуры для построения сетей на базе мультиплексных каналов. Как показали предварительные расчеты, ИС не уступает таким зарубежными аналогами, как UT63M1X и UT63M14X (фирма UTMC Microelectronic Systems), ACT 4XXX (фирма Aeroflex), BUS-6310X (фирма DDC).
Литература
1. Организация последовательных мультиплексных каналов систем автоматического управления / С. Т. Хвощ, В. В. Дорошенко, В. В. Горовой; Под общ. ред. С. Т. Хвоща. — Л.: Машиностроение. Ленингр. отд-ние, 1989. — 11 с.
2. Интерфейс магистральный последовательный системы электронных модулей. Общие требования. ГОСТ 26765.52-87. 1987.
3. CAN Specification. Version 2.0. 1991.
4. Технические условия АДБК. 431260. 675 ТУ.
5. С. В. Гаврилов, С. И. Голощапов, А. Н. Денисов, В. В. Коняхин. Особенности применений БМК серии К5501 и К5503 / Всероссийская научно-техническая конференция «Электроника и информатика — 97» (Москва, МИЭТ (ТУ), ноябрь 1997.) Сб. тез.
Ч. 1 — 236 с.
shelepin@techcen.zgrad.su
|
 |
Статьи по: ARM PIC AVR MSP430, DSP, RF компоненты, Преобразование и коммутация речевых сигналов, Аналоговая техника, ADC, DAC, PLD, FPGA, MOSFET, IGBT, Дискретные полупрoводниковые приборы. Sensor, Проектирование и технология, LCD, LCM, LED. Оптоэлектроника и ВОЛС, Дистрибуция электронных компонентов, Оборудование и измерительная техника, Пассивные элементы и коммутационные устройства, Системы идентификации и защиты информации, Корпуса, Печатные платы
|
 |
|