|
|
 |
 |
|
|
 |
|
Дмитрий Садченков
Специализированные микросхемы для цифровых мультиметров
При производстве радиоэлектронной продукции использование многофункциональных специализированных микросхем, требующих минимального количества внешних компонентов, позволяет значительно сократить время разработки конечного устройства и производственные затраты. Значительную долю рынка недорогих измерительных приборов занимают цифровые мультиметры. Большая их часть построена на основе АЦП типа ICL7106 от фирмы International Rectifier (отечественный аналог — АЦП 572ПВ1). На основе этого АЦП можно создавать различные цифровые измерительные приборы как для измерения электрических величин, так и для измерения веса, температуры и др. Однако определенный интерес при разработке цифровых мультиметров представляет другая микросхема — NJU9207, о которой и пойдет речь.
Японская компания JRC (полное название New Japan Radio Co.Ltd.) выпускает серию специализированных микросхем, представляющих собой незначительно отличающиеся варианты цифрового мультиметра на одном чипе, обеспечивающим управление 31/2-разрядным LCD. Это микросхемы NJU9207, NJU9208, NJU 9207B. На принципиальных схемах можно встретить либо полное обоз- начение типа микросхемы, либо сокращенное — только в виде цифр.
Микросхемы NJU9207/08 благодаря своим техническим данным предназначены в основном для применения в карманных цифровых мультиметрах. Отличие микросхем NJU9208 от микросхем NJU9207 состоит только в расположении выводов.
Микросхема NJU9207/08 включает:
- АЦП;
- источник опорного напряжения;
- контроллер;
- генератор;
- детектор состояния батареи питания;
- драйвер LCD.
Возможности микросхемы:
- низкий потребляемый ток (менее 1 мА);
- низкое напряжение источника питания (типовое значение 3 В);
- автоматический выбор предела измерений;
- функция автоудержания (Data, Range);
- наличие удвоителя и стабилизатора напряжения для работы встроенного драйвера LCD;
- непосредственное управление пьезоэлектрическим зуммером;
- обеспечение индикации состояния батареи питания на LCD.

Рис. 1.
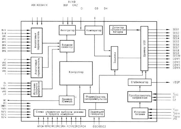
Микросхемы выполнены по КМОП-технологии в корпусе QFP 80. Вид корпуса и расположение выводов показаны на рис. 1, а на рис. 2 изображена структурная схема микросхемы.
В табл. 1 приведены сведения о нумерации и назначении выводов.

Рис. 2.
Режимы измерения электрических величин ЦММ на основе микросхемы NJU9207/08 делятся на две группы: режимы с автоматическим и режимы с ручным выбором предела измерений. Автоматический выбор предела измерений производится при измерении напряжения постоянного тока в диапазоне 200мВ…2000 В (пять пределов), напряжения переменного тока в диапазоне 2 В…2000 В (четыре предела), сопротивления в диапазоне 100 Ом… 20МОм (шесть пределов). При измерении тока предел измерения выбирают вручную. Диапазон измерения как постоянного, так и переменного тока составляет 2 мА…20 А и делится на пять поддиапазонов.

Рис. 3.
Таблица 1
| NJU9207 |
NJU9208 |
Обозначение |
Назначение |
| 2 |
62 |
ADI |
Вход выпрямителя |
| 3 |
63 |
ADО |
Выход выпрямителя |
| 4 |
64 |
AVX |
Входная клемма при изменении напряжения (+ при напр. пост. тока) |
| 5 |
65 |
AVXD |
Входная клемма при изменении напряжения (- при напр. пост. тока) |
| 7 |
67 |
CF1 |
Вывод для подключения помехоподавляющего конденсатора |
| 8 |
68 |
BUF |
Выход буферного усилителя |
| 9 |
69 |
CAZ |
Вывод для подключения конденсатора автообнуления |
| 10 |
70 |
CI |
Вывод для подключения интегрирующего конденсатора |
| 11 |
71 |
СО |
Выход компаратора |
| 12 |
72 |
А/М |
Выбор режима переключения пределов измерения: А - автоматический (лог. 1), М - ручной (лог. 0) |
| 13-15 |
73-75 |
RC1-RC3 |
Выводы переключения пределов измерения |
| 16 |
76 |
RH |
Вывод установки режима удержания RANGE HOLD (лог. 0) |
| 42 |
4 |
DH |
Вывод удержания показаний LCD - DISPLAY DATA HOLD |
| 18-21 |
79-80,1 |
FC1-FC4 |
Выбор режима усилений |
| 23 |
3 |
AFC |
Выбор ограничения предела измерений(лог. 1 - ограниченный; лог. 0 - полный) |
| 34-25 |
14-5 |
SEG1-10 |
Выходы управления сегментами LCD |
| 38-35 |
18-15 |
СОМ1-4 |
Общие выходы драйвера LCD |
| 42 |
22 |
VDSP |
Вывод управления мониторингом напряжения |
| 47 |
27 |
BZ |
Выход драйвера управления пьезоэлектрическим символом |
| 53, 54 |
33, 34 |
С1, С2 |
Выводы для подключения конденсатора удвоителя напряжения |
| 59 |
39 |
VADJ |
Вывод для регулирования опорного напряжения |
| 61 |
41 |
VRD |
Выход мониторинга напряжения |
| 63, 64 |
43, 44 |
CL, CH |
Выводы для подключения опорного конденсатора |
| 66-71 |
64-51 |
OR1-6 |
Выводы для подключения опорных резисторов при изменении сопротивления |
| 72 |
52 |
OVS |
Вход опорного напряжения при измерении сопротивления |
| 73 |
53 |
OVX |
Вход измеряемого напряжения при изменении сопротивления |
| 75 |
55 |
VI |
Вход измеряемого напряжения |
| 76-79 |
56-59 |
VR2-VR5 |
Выводы для подключения стабидизирующих нагрузочных резисторов |
| 80 |
60 |
II |
Вход измеряемого тока |
| 55, 45 |
35, 25 |
TST1,2 |
Тестовые выводы 1, 2 |
| 44, 40 |
24, 20 |
TST3, 4 |
Тестовые выводы 3, 4 |
| 46 |
26 |
VSS1 |
Земляной вывод аналоговой и цифровой части схемы - 0 В |
| 52 |
32 |
VSS2 |
Вывод управляющего напряжения LCD - -3 В |
| 56 |
36 |
VDD1D |
Напряжение питания цифровой части схемы - +3В |
| 57 |
37 |
VDD1А |
Напряжение питания аналоговой части схемы - +3В |
| 65 |
45 |
GND |
Средняя точка питания аналоговой части схемы - +1,5 В |
| 74 |
54 |
GNDS |
Относительный земляной вывод при операции интегрирования |
Выбор режима измерений обеспечивается состоянием уровней на выводах FC1–FC4 (табл. 2). Для изменения такого состояния можно применить механический переключатель. При изменении состояния на одном из выводов FC1–FC4 по спаду импульса напряжения формируется звуковой сигнал длительностью 31,25 мс и частотой 2 кГц. Этот сигнал воспроизводится зуммером. Сигнал сброса системы (RESET) формируется по фронту или спаду импульсов на выводы FC1–FC4.
Таблица 2
| Режим измерений |
Логическое состояние |
|
FC1 |
FC2 |
FC3 |
FC4 |
| U пост. (DCV) |
1 |
1 |
1 |
1 |
| U перем. (АCV) |
0 |
1 |
1 |
1 |
| I пост. (DCI) |
1 |
0 |
1 |
1 |
| I перем. (АCI) |
0 |
0 |
1 |
1 |
| Сопротивление (Ом) |
1 |
1 |
0 |
1 |
| Проверка диодов |
1 |
0 |
0 |
0 |
| Прозвонка цепи цепи (CONTI) |
1 |
1 |
1 |
0 |
При изменении режима измерения установка его предела зависит от состояния уровня на выводе AFC (табл. 3). При этомна LCD высвечивается соответствующая значащая точка — Р1, Р2 или Р3 (рис. 3).
Если режим измерений изменен в период работы АЦП, внутри микросхемы формируется сигнал сброса счетчика (COUNTER RESET), и она инициализируется. После этого АЦП снова запускается с цикла автообнуления.
При включении режима прозвонки цепи автоматически устанавливается режим измерения сопротивления на пределе 2 кОм. Если сопротивление проверяемой цепи менее 300Ом, зуммер издает непрерывный звуковой сигнал, а на LCD отображается значение сопротивления. В режиме проверки диодов также автоматически устанавливается режим измерения сопротивления на пределе 2 кОм, и на диод подается прямое напряжение от источника питания, составляющее 1,5 В.
Таблица 3
| Режим измерений |
AFC: лог. 0 |
AFC: лог. 0 |
|
Предел |
Значащая точка |
Предел |
Значащая точка |
| U пост. (DCV) |
200 mV |
P1 |
2 V |
P3 |
| U перем. (ACV) |
2 V |
P3 |
2 V |
P3 |
| I пост. (DCI) |
200 mA |
P1 |
200 mA |
P1 |
| I перем. (ACI) |
200 mA |
P1 |
200 mA |
P1 |
| Сопротивление (Ом) |
200 Ом |
Р1 |
2 кОм |
Р3 |
| Проверка диодов |
2 V |
Р3 |
2 V |
Р3 |
| Прозвонка цепи (CONTI) |
2 кОм |
Р3 |
2 кОм |
Р3 |
Для работы в режиме автоматического выбора предела измерений на выводе A/M должен присутствовать уровень лог. 1. Чтобы установить режим автоматического или ручного выбора предела измерения, служит кнопка RANGE CONTROL. Если установлен режим автоматического выбора, то для перехода в ручной режим необходимо нажать эту кнопку. Время нажатия при этом должно быть менее 1 с. При установленном ручном режиме нажатие и удержание кнопки на время менее 1 с приведет к изменению предела измерения, а при ее удержании более 1 с происходит переход в режим автоматического выбора.
В режиме HOLD напряжение низкого уровня на выводе HOLD обеспечивает фиксацию показаний LCD на измеренном значении электрической величины.

Рис. 4.
При ручном режиме установки предела измерений выбор предела определяется сочетанием уровней напряжения на выводах RC1–RC3 (на выводе А/М при этом должен присутствовать уровень лог. 0). В табл. 4 приведены уровни сигналов на выводах RC1–RC3, задающие соответствующие пределы измерений.
При превышении допустимого предела измерений зуммер выдает сигнал тревоги — прерывистые звуковые сигналы частотой 2кГц длиной 1/16с с промежутком в 5/16с между каждой их парой.

Рис. 5
Рисунок 4 и табл. 5 поясняют принципы формирования знаков на LCD.
Значок, отображающий батарею, сигнализирует о том, что напряжение питания составляет менее 1,1…1,3 В и источник питания необходимо заменить.
Значок минуса отображается тогда, когда при измерении напряжения или силы постоянного тока минус источника приложен к «горячей» клемме прибора, а плюс — к общей.
Буквы RH отображаются в том случае, когда на выводе RH присутствует уровень лог. 0 в режиме автоматического выбора предела измерений (на выводе А/М — лог. 1).
Таблица 4
| RC1 |
RC2 |
RC3 |
DCV |
ACV |
DCI, ACI |
Ом |
| 1 |
1 |
1 |
RNG2, 2V |
RNG1, 2V |
RNG1, 2мА |
RNG2, 2 кОм |
| 0 |
1 |
1 |
RNG3, 20V |
RNG2, 20V |
RNG2, 2мА |
RNG3, 20 кОм |
| 1 |
0 |
1 |
RNG4, 200V |
RNG3, 200V |
RNG3, 200 мА |
RNG4, 200 кОм |
| 0 |
0 |
1 |
RNG5, 2000V |
RNG4, 2000V |
RNG4, 2000 мА |
RNG5, 2000 кОм |
| 1 |
1 |
0 |
RNG5, 2000V |
RNG4, 2000V |
RNG5, 20 А |
RNG5, 20 мОм |
| 0 |
1 |
0 |
RNG1, 200 мV |
RNG1, 2 V |
RNG1, 2 мА |
RNG1, 200 Ом |
|
SEG1 |
SEG2 |
SEG3 |
SEG4 |
SEG5 |
SEG6 |
SEG7 |
SEG8 |
SEG9 |
SEG10 |
| COM1 |
RC |
DH |
a2 |
b2 |
a1 |
b2 |
a0 |
b0 |
зуммер |
А |
| СОМ2 |
ВАТТ |
RH |
f2 |
g2 |
f1 |
g1 |
f0 |
g0 |
диод |
V |
| СОМ3 |
- |
b3/c3 |
e2 |
c2 |
e1 |
c1 |
e0 |
c0 |
m |
K |
| COM4 |
AC |
p3 |
d2 |
p2 |
d1 |
p1 |
d0 |
- |
M |
Om |
Буквы RС отображаются в том случае, когда выбор предела в автоматическом режиме определяется состоянием выводе RC1 (на выв. А/М — лог. 1).
При включении мультиметра на основе NJU9207/9208 схема инициализации обеспечивает кратковременную индикацию всех сегментов LCD, выдачу короткого звукового сигнала (около 62,5 мс) зуммером и инициализацию внутренних узлов микросхемы.
На рис. 5 приведена типовая схема мультиметра на основе специализированной БИС NJU9207/9208/.
Кроме БИС NJU9207 выпускается ее модификация — NJU9207B. От первой ее отличает только возможность установки опорного напряжения одной из семи градаций (A, B, C, D, E, F, G) с помощью резистивного делителя напряжения, подключаемого к выводам VADJ и VR.
pierce_arrow@mtu-net.ru
|
 |
|
Статьи по: ARM PIC AVR MSP430, DSP, RF компоненты, Преобразование и коммутация речевых сигналов, Аналоговая техника, ADC, DAC, PLD, FPGA, MOSFET, IGBT, Дискретные полупрoводниковые приборы. Sensor, Проектирование и технология, LCD, LCM, LED. Оптоэлектроника и ВОЛС, Дистрибуция электронных компонентов, Оборудование и измерительная техника, Пассивные элементы и коммутационные устройства, Системы идентификации и защиты информации, Корпуса, Печатные платы
|
 |
|