Рубликатор

 



























Все о псориазе



Александр Зыбайло

Применение продукции IR в автоэлектронике

   В настоящее время рост мощности, потребляемой различными электрическими системами автомобиля, с одной стороны, и ограничение на величину коммутируемого тока пределом 100 А — с другой, ставят конструкторов перед необходимостью поднимать напряжение бортовой сети. Верхним безопасным пределом признана величина 36 В батарейной части и 42 В — напряжение генератора. Мощность генераторной установки в настоящее время ограничена величиной 5 кВт.
   В связи с тем, что части узлов не требуется 42-вольтовое питание, в то время как другой части оно необходимо, в течение ближайших нескольких лет (за рубежом) предусматривается гибридная силовая установка — батарейная часть 12 В, генераторная часть 42 В. Эти величины напряжения бортовой сети характерны для легковых машин. Для траков и грузовиков, в связи с особенностью их применения и обслуживания, потребляемая мощность может доходить до 10 кВт, и напряжение бортовой сети может быть поднято до 100 и более вольт. Но следует отметить, что применение батареи с напряжением, близким напряжению генератора, предпочтительнее в связи с упрощением системы зарядки. В настоящее время работы по созданию аккумуляторной батареи напряжением 36 В для легковых машин ведутся нарастающими темпами. Технических проблем ни в одной из областей применения электроустройств на автомобилях не существует. Все системы давно разработаны и применяются в различных областях. Проблемы существуют в области производства автомобильных агрегатов с серьезными техническими требованиями в достаточных количествах и по доступной цене.


Рис. 1

   Естественно, что при столь разном питании система зарядки батареи потребует применения устройств значительно более сложных, чем применяемые сегодня. В настоящий момент можно сказать, что применение стартер-генератора (СГ), который монтируется непосредственно на переднем конце коленчатого вала, по многим показателям предпочтительнее, чем раздельное применение двух разных агрегатов. Тем более что этот принцип долгие годы применяется в авиации и танкостроении и показал хорошие результаты. Применение СГ приводит, кроме решения проблемы энергообеспечения, к возможности эксплуатации двигателя при городском цикле в старт-стопном режиме, при котором двигатель автоматически глушится и заводится в зависимости от положения педали газа. Это позволяет экономить до 7–12 % топлива. Правда, этот режим возможен при применении аккумулятора нового поколения с емкостью 160 А/час в существующих массово-габаритных параметрах стандартного кислотного аккумулятора.
   Но даже при 42-вольтовой бортовой сети коммутируемые токи для многих применений приближаются к 100 А. Проблемы коннекторов и разъемов на такие токи заслуживают отдельного разговора и в данном материале рассматриваться не будут.
   Общепринятым в настоящее время считается, что для управления индуктивной и активной нагрузкой при постоянном напряжении до 50 В, токе до 100 А и импульсном напряжении до 75 В в наибольшей степени, по совокупности параметров, пригодны специальные полевые транзисторы с защитой от перегрузки по току и с повышенной стойкостью к импульсному перенапряжению или специализированные интеллектуальные ключи на их основе. Ключи значительно дороже из-за невозможности оптимизировать технологию МОП-структуры при сохранении приемлемых характеристик логической части, и наоборот. Некоторый компромисс в этом смысле представляют двухкристальные ключи.
   В настоящее время фирма Bosch после сравнительных испытаний остановила свой выбор на транзисторах IR седьмого поколения.
   Не вдаваясь в особенности схемотехнического применения и касаясь только силовой оконечной части, можно сказать, что в этой области фирма IR имеет приборы, в наибольшей степени приспособленные к работе в составе силовых установок на автомобиле.
   К устройствам, в которых неизбежно применение электропривода или электропривод очень желателен в связи с простотой реализации устройства на этом принципе, следует отнести следующие:

  • синхронные выпрямители напряжения генератора с помощью MOSFET-приборов;
  • электроусилитель руля;
  • полуавтоматическое управление коробкой передач с переключением кнопками на руле;
  • антиблокировочная система тормозов;
  • электропривод клапанов;
  • электропривод инжекторов;
  • система зажигания;
  • электропривод свечей подогрева;
  • электропривод вспомогательных агрегатов (замена реле);
  • электропривод серводвигателей;
  • электропривод форсунок дизелей;
  • электроуправление лампами головного света.
   Ниже приводится перечень приборов для некоторых применений.

Cинхронное выпрямление напряжения генератора

   При мощности генераторной установки 5 кВт и напряжении 42 В ток, отдаваемый генератором, приближается к 120 А. Для этих применений могут подойти следующие приборы.



Рис. 2

В электроусилителе руля

   В зависимости от веса машины и нагрузки на переднюю ось, ток в фазе приводного электродвигателя при отсутствии редуктора имеет значение от 50 до 95 А. При этом применяемые транзисторы рассчитаны на максимальное пробивное напряжение 75 В. Применение приборов на большее пробивное напряжение не оправдано финансово, так как кристалл с пробивным напряжением 100 В имеет площадь (при сохранении сопротивления канала) на 50 % больше, соответственно, на 50 % больше и его цена. По мнению фирмы IR, 75-вольтового пробивного напряжения достаточно для применения в 42 В сети, что подтверждается испытаниями.
   В случае применения дискретных приборов можно рекомендовать использование IRL3803 или IRLBA3803. Необходимо отметить, что сейчас упомянутые электроусилители выпускаются в 12-вольтовом исполнении. В случае применения электроусилителя на автомобиле крупнее Reno Megan потребный ток превышает 100 А, и реализация привода на 12 В на дискретных приборах становится проблематичной. Необходимо или применять гибридные модули с увеличенным теплоотводом, или переходить на 42 В.

В управлении инжекторами

   Наиболее часто применяются транзисторы типов IRL2910, IRL3010, IRF710, IRF2105, IRL2705.
   Эти же типы применяются и при управлении форсунками дизельных двигателей. При этом выбор необходимой форсунки или нескольких сразу производится матричным способом. В настоящее время для управления силовой частью привода форсунок дизеля фирмой IR был разработан специализированный драйвер, который выпускается в качестве заказной схемы.

Тип прибора Напр. пробоя, В Макс. пост. ток 25°С, А Сопротив- ление канала, мОм Наличие логическ. управления Корпус Напр. пробоя, В Макс. пост. ток 25°С, А Сопротив- ление канала, мОм
IRF7503 30 2.4 135 + Micro8 - 2.4 135
IRLMS1503 30 3.2 100 + Micro6 - 3.2 100
IRF7313 30 4.9 50 + SO-8 - 4.9 50
IRF7603 30 5.6 35 + Micro8 - 5.6 35
IRF7201 30 7.0 30 + SO-8 - 7.0 30
IRF7403 30 8.5 22 + SO-8 - 8.5 22
IRF7466 30 10.0 11.5 + SO-8 30 10.0 11.5
IRF7413 30 13.0 11 + SO-8 - 13.0 11
IRF7809A 30 14.5 8.5 + SO-8 - 14.5 8.5
IRLR3303 30 33.0 31 + D-Pack - 33.0 31
IRLR8503 30 49.0 31 + D-Pack - 49.0 31
IRLR8103 30 89.0 6 + D-Pack - 89.0 6
IRFBL7303 30 250.0 2.5 - S-D2Pack - 250.0 2.5
IRL1004S 40 110.0 6.5 + D2Pack - 110.0 6.5
IRL2203NS 40 116.0 7 + D2Pack - 116.0 7
IRL3803S 40 140.0 6 + D2Pack - 140 6
IRF1404S 40 162.0 4 - D2Pack 40 162.0 4
IRLBL1304 40 185.0 4.5 - S-D2Pack - 185.0 4.5
IRFBA1404 40 212.0 3.5 - Sup-220 - 212.0 3.5
IRFZ44NS 55 49.0 22 - D2Pack - 49.0 22
IRFR2405 55 56.0 16 - D-Pack - 56.0 16
IRF32055 55 110.0 8 - D2Pack 55 110.0 8
IRF1405 55 133.0 5.3 - TO-220 - 133.0 5.3
IRFR2407 75 42.0 26 - D-Pack - 42.0 26
IRF2807S 75 82.0 13 - D2Pack 75 82.0 13
IRFC2907 75 174.0 3.3 - Die - 174.0 3.3
IRFP2807 75 177.0 4.5 - TO-247 - 177.0 4.5

Тип прибора
Micro8

Micro6

SO-8

D-Pak

D2Pak

S-D2Pak

TO-220

Sup-220
6.54*9.1 Крис- талл
4 Die

TO-247
IRF7503 IRF7503 - - - - - - - - -
IRLMS1503 - IRLMS1503 - - - - - - - -
IRF7313 - - IRF7313 - - - - - - -
IRF7603 IRF7603 - - - - - - - - -
IRF7201 - - IRF7201 - - - - - - -
IRF7403 - - IRF7403 - - - - - - -
IRF7466 - - IRF7466 - - - - - - -
IRF7413 - - IRF7413 - - - - - - -
IRF7809A - - IRF7809A - - - - - - -
IRLR3303 - - - IRLR3303 - - - - - -
IRLR8503 - - - IRLR8503 - - - - - -
IRLR8103 - - - IRLR8103 - - - - - -
IRFBL3703 - - - - - IRFBL3703 - - - -
IRL1004S - - - - IRL1004S - - - - -
IRL2203NS - - - - IRL2203NS - - - - -
IRL3803S - - - - IRL3803S - - - - -
IRF1404S - - - - IRF1404S - - - - -
IRLBL1304 - - - - - IRLBL1304 - - - -
IRFBA1404 - - - - - - - IRFBA1404
IRFZ44NS - - - - IRFZ44NS - - - - -
IRFR2405 - - - IRFR2405 - - - - - -
IRF3205S - - - - IRF3205S - - - - -
IRF1405 - - - - - - IRF1405 - - -
IRFR2407 - - - IRFR2407 - - - - - -
IRF2807S - - - - IRF2807S - - - - -
IRFC2907 - - - - - - - - IRFC2907 -
IRFP2807 - - - - - - - - - IRFP2807


В системе зажигания

   В настоящее время, в связи с повышением требований по максимальной рабочей температуре и устойчивости к короткому замыканию и применению моноблока катушка-свеча, на европейском рынке происходит вытеснение биполярных приборов приборами IGBT. Фирма IR разработала специализированный прибор IRGS14C40L, предназначенный для работы с 14-амперной катушкой, расположенной на свече. Данный прибор позволяет не применять радиатор, имеет пробивное напряжение 360 В и максимальную рабочую температуру 175 °С. Он полностью взаимозаменяем с транзистором Intersil HGTP14N40F3VL, а по некоторым параметрам превосходит его. Современные разработки BMW, Audi и WV базируются именно на приборе IR.

Назначение драйвера Rds (on) '@25 гр., мОм Макс. ток, при котором срабатывает внутр. защита (А) Тип защиты при перегреве, (165 гр.)
Нижне плечо 1 канал 5 100 Отключение           IPS055IT
Нижне плечо 1 канал 25 35 Отключение       IPS051 IPS0515  
Нижне плечо 1 канал 60 12 Отключение       IPS051 IPS0515  
Нижне плечо 1 канал 70 12 Отключение IPS031G          
Нижне плечо 1 канал 150 5 Отключение     IRS021L IRS021 IRS021S  
Нижне плечо 1 канал 200 5.5 Отключение с гистерез.     IRSF0321L IRSF0321    
Нижне плечо 1 канал 500 2 Отключение     IPS041L      
Нижне плечо 2 канала 70 12 Отключение   IPS032G        
Нижне плечо 2 канала 150 5 Отключение   IPS024G        
Нижне плечо 2 канала 500 2 Отключение IPS042G          
Нижне плечо 4 канала 150 5 Отключение   IPS024G        
Нижне плечо 1 канал 5 100 Отключение           IPS5551Т
Верхнее плечо 1 канал 25 35 Отключение с гистерез.       IPS5451 IPS5451S  
Верхнее плечо 1 канал 80 10 Отключение с гистерез.       IPS521 IPS521S  
Верхнее плечо 1 канал 100 10 Отключение с гистерез. IPS521G          
Верхнее плечо 1 канал 100 20 Отключение с гистерез.       IR6226 IR6226S  
Верхнее плечо 1 канал 130 5 Отключение с гистерез.       IPS511 IPS511S  
Верхнее плечо 1 канал 150 5 Отключение с гистерез. IPS511G          
Верхнее плечо 1 канал 200 5 Отключение с гистерез.       IR6210 IR6210G  
Верхнее плечо 2 канала 150 5 Отключение с гистерез.   IPS512G        


В приводе вспомогательных агрегатов

   Привод вспомогательных агрегатов не всегда нуждается в напряжении питания 42 В, что расширяет диапазон применяемых приборов. В табл. 1 приводятся основные характеристики МОП-транзисторов, которые могут быть применены в различных системах. Естественно, удобнее использовать приборы с логическим управлением.
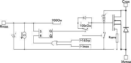
   В последнее время все большее применение в автоэлектронике находят так называемые интеллектуальные ключи. Они представляют собой собранные на одном кристалле силовой ключ и схему управления и защиты. Интеллектуальные ключи могут быть как простыми (рис. 1), то есть без дополнительного вывода, сигнал на котором пропорционален какому-то параметру ключа, так и более сложные (рис. 2) с дополнительным выводом. По функциональному назначению ключи могут быть ключами либо верхнего плеча, либо нижнего. Последний устанавливается между нагрузкой, которая подключена к источнику питания, и землей. При отсутствии отпирающего сигнала на входе такого ключа он закрыт, и ток через нагрузку не протекает. При наличии дополнительного вывода в ключе обычно формируется сигнал, по поведению которого можно судить о состоянии нагрузки.
   В табл. 2 приводится перечень интеллектуальных ключей, рекомендованных для автомобильных применений.

alex_z@platan.ru


Статьи по: ARM PIC AVR MSP430, DSP, RF компоненты, Преобразование и коммутация речевых сигналов, Аналоговая техника, ADC, DAC, PLD, FPGA, MOSFET, IGBT, Дискретные полупрoводниковые приборы. Sensor, Проектирование и технология, LCD, LCM, LED. Оптоэлектроника и ВОЛС, Дистрибуция электронных компонентов, Оборудование и измерительная техника, Пассивные элементы и коммутационные устройства, Системы идентификации и защиты информации, Корпуса, Печатные платы

Design by GAW.RU