Андрей Кадуков
Выбор и применение полупроводниковых
TVS-диодов TRANSZORB®
Для обеспечения требуемых технических и эксплуатационных характеристик аппаратуры важную роль играет выбор и правильность применения полупроводниковых TVS-диодов. От этого зависит ее надежность, а также надежность самих ограничителей при наличии различного рода перегрузок по напряжению в цепях радиоэлектронной аппаратуры. В связи с этим полупроводниковые TVS-диоды для любого устройства должны удовлетворять следующим требованиям:
технические характеристики и параметры TVS-диодов должны быть такими, чтобы при отсутствии переходных процессов они не оказывали влияния на характеристики функциональных блоков и устройств, в которых они используются;
уровень напряжения во время действия импульса переходного процесса в точках подключения TVS-диодов должен быть как можно ближе к уровню напряжения, действующему до перегрузки;
надежность TVS-диодов должна быть выше надежности блоков и устройств, которые нуждаются в защите; быстродействие ограничителей напряжения должно быть максимально возможным, чтобы обеспечить качественную защиту при больших скоростях изменения напряжения переходных процессов;
габариты и масса TVS-диодов должны быть меньше габаритов и массы защищаемой аппаратуры;
параметры и характеристики TVS-диодов должны соответствовать требованиям по устойчивости к воздействию внешних факторов, предъявляемым к аппаратуре, и иметь срок службы не менее заданного для данного класса аппаратуры.
При выборе полупроводниковых TVS-диодов предварительно определяют параметры импульса переходного процесса, то есть амплитуду напряжения Uп, длительность импульса и его форму; параметры защищаемой цепи: активное сопротивление Rc и (или) индуктивность цепи Lc, значение и характер напряжения, действующего в цепи при отсутствии импульса переходного процесса VС, а также допустимую амплитуду напряжения в цепи в момент воздействия импульса переходного процесса.
Электрические параметры ограничителей напряжения устанавливают в соответствии с указанными выше параметрами исходя из следующих условий:
Iогр,н і Iпроб, V(BR), Ј VС, Pppm і VС x Iогр,н, [1]
где Iогр,н — ток ограничения, значение которого рассчитывают по известным параметрам Uп, Rc и (или) Lc.
Серию полупроводниковых TVS-диодов TRANSZORB® выбирают исходя из рассчитанного значения Pppm с учетом длительности импульса переходного процесса td и его формы в соответствии с зависимостями Pppm от td (рис. 5). Тип TVS-диода из выбранной серии определяют исходя из того, что постоянное обратное напряжение VWM должно быть равно напряжению, действующему в цепи, или несколько превышать его с учетом максимального допуска. Если мощность одного TVS-диодов не удовлетворяет заданным требованиям по Pppm, их соединяют последовательно. При двух последовательно соединенных TVS-диодах мощность удваивается, при трех — утраивается и т. д. Допускается последовательное соединение любого числа TVS-диодов. При этом разброс по напряжению пробоя VBR каждого диода не должен превышать 5 %, что гарантирует равную нагрузку на последовательно соединенных приборах. Если невозможно достичь требуемой мощности при последовательном соединении диодов, допускается их параллельное соединение. Для гарантированной загруженности диодов по мощности необходимо точное их согласование по импульсному напряжению ограничения VС. В этом случае оно не должно отличаться более чем на 20 мВ. Допускается также смешанное соединение диодов. Если импульс переходного процесса представляет собой быстро затухающие многократные колебания, то расчет параметров TVS-диодов проводят по огибающей этих колебаний.
При использовании TVS-диодов в цепях переменного тока высокой частоты, в которых их емкость влияет на характеристики и параметры защищаемых устройств, необходимо последовательно с ними включать импульсные диоды с малой собственной емкостью. При этом обратное напряжение и прямой ток каждого импульсного диода должны быть больше, чем у используемого TVS-диода.
 |
 |
Рис. 29 |
При монтаже TVS-диодов следует учитывать, что напряжение импульса переходного процесса в цепи (рис. 29) распределяется согласно выражению:
Uп = Rci + Lcdi/dt + Lodi/dt + 2rдi + Uo. [2]
Первые два слагаемых в этом выражении определяют величину падения напряжения на активном и индуктивном сопротивлениях цепи в точках a-а', последние — на индуктивном и активном сопротивлениях TVS-диодов в точках б-б'. Из [2] следует, что чем больше значения Ic и Pppm, тем меньшая доля напряжения будет падать на входе защищаемой цепи (в точках б-б'). С целью уменьшения всплесков напряжения в цепи защиты необходимо соблюдать условия:
Lc >Lo, Rc>2rд. [3]
При больших скоростях изменения тока переходного процесса наибольшая эффективность защиты может быть достигнута при условии Lc >Lo. Поэтому при монтаже TVS-диодов их следует размещать как можно ближе к защищаемой схеме, а пайку выводов диода проводить на минимально возможном расстоянии от корпуса прибора.
Рекомендуемые схемы защиты
цепей электронного оборудования от электрических перегрузок
по напряжению с помощью
TVS-диодов TRANSZORB®
Конкретные типы TVS-диодов TRANSZORB® в каждой схеме защиты выбираются в зависимости от характеристик защищаемых цепей. Защищаемые цепи подразделяются на цепи постоянного тока, переменного тока (симметричные или асимметричные), а также сигнальные цепи, несущие информацию посредством одно- или двухполярных импульсных сигналов. В свою очередь, сигнальные цепи и цепи переменного тока могут быть низкой или высокой частоты, что также необходимо учитывать при выборе TVS-диодов.
Выпускаемые в настоящее время TVS-диоды TRANSZORB® не всегда могут удовлетворять одновременно всем требованиям, изложенным в предыдущем разделе, в особенности при больших уровнях энергии импульсов напряжений. Поэтому на практике применяют комбинированные схемы защиты с двумя или тремя ограничителями напряжения, выполненными с использованием различных физических принципов.
Одноступенчатые схемы защиты
Защита цепей постоянного тока
Для защиты цепей постоянного тока от различного рода перегрузок по напряжению используются несимметричные TVS-диоды. Несимметричность их ВАХ позволяет осуществлять защиту на разных потенциальных уровнях, что характерно для цепей постоянного тока. Пороговое напряжение этих приборов ниже напряжения ограничителя, что обеспечивает их автоматическое отключение от цепи постоянного тока после прохождения импульса напряжения. Время их включения меньше времени самых быстрых переходных процессов, что также определяет предпочтительность их применения в цепях постоянного тока.
Типовая схема включения TVS-диодов для защиты источников питания постоянного тока от электрических перегрузок по напряжению приведена на рис. 30. TVS-диоды в этих случаях должны включаться на входе каждого потребителя и выходе источника питания. На рис. 31 показаны схемы защиты цепей питания потребителей от разнополярных источников, например, для защиты микросхем.
Рис. 30
 |
 |
Рис. 31 |
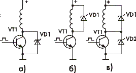
Для защиты от опасных напряжений ключевых элементов, в цепях которых имеется индуктивная нагрузка, TVS-диоды включаются параллельно защищаемому элементу, как показано на рис. 32, а, либо параллельно нагрузке (рис. 32, б). Для надежной защиты ключевого элемента от опасных перегрузок по напряжению используется схема защиты, приведенная на рис. 32, в.
Рис. 32
Одной из наиболее частых причин выхода из строя электронных устройств, включающих в себя МОП-транзисторы, является превышение допустимого значения напряжения сток-исток (VDS). Например, переключение индуктивной нагрузки вызывает перенапряжение, в результате которого превышается максимально допустимое напряжение VDS МОП-транзистора. Это вызывает лавинный пробой полупроводника и разрушение транзистора. Один из методов защиты МОП-транзистора состоит в подключении TVS-диода между стоком и истоком. Для правильного выбора TVS-диода необходимо выполнить следующие рекомендации:
Значение обратного напряжения TVS-диода (VWM) должно превышать максимально возможное значение напряжения питания в защищаемой схеме.
TVS-диод должен иметь значение напряжения ограничения (Vc) меньше, чем минимальное напряжение пробоя МОП-транзистора при пиковых значениях импульсного тока.
Для применения в силовых цепях и в цепях с переключениями индуктивных нагрузок рекомендуется использовать TVS-диоды TRANSZORB® со значением максимально допустимой импульсной мощности (Pppm) — 1500 Вт.
Переходные процессы в затворе МОП-транзистора часто происходят из-за разрядов электростатического электричества (ESD). Установка TVS-диода между затвором и истоком позволит защитить МОП-транзистор от входных переходных процессов. В этом случае рекомендуется устанавливать TVS-диод со значением обратного напряжения, превышающим входное напряжение МОП-транзистора. Для подавления ESD рекомендуется использовать TVS-диоды TRANSZORB® со значением максимально допустимой импульсной мощности (Pppm ) — 400 Вт. Схема, иллюстрирующая эти методы защиты, показана на рис. 33.
Рис. 33
Защита цепей питания переменного тока
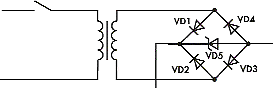
Защита цепей переменного тока может осуществляться путем включения двух несимметричных TVS-диодов, как показано на рис. 34 и 35. Включение элементов защиты на входе и выходе трансформатора позволит снизить уровень напряжения на его выходе. При наличии в цепи переменного тока выпрямительных диодов, включенных по мостовой схеме, их защита может быть осуществлена одним несимметричным TVS-диодом при его включении в диагональ моста (рис. 36). Однако быстродействие защиты в этом случае будет определяться временем включения выпрямительных диодов.
Рис. 34
Рис. 35
Рис. 36
Защита информационных цепей и цепей переменного тока высокой частоты
Применение TVS-диодов — это хорошее решение для защиты подобных цепей. Выбор типа TVS-диода TRANSZORB® зависит от характера сигналов, действующих в цепях (одно- или двухполярных), и частоты их повторения. Так, для защиты цепей с однополярными сигналами может быть использована схема включения несимметричных TVS-диодов, приведенная на рис. 37 и 38. TVS-диоды включаются в каждую сигнальную цепь передачи данных. При наличии в цепи двухполярных сигналов вместо несимметричных используются симметричные TVS-диоды.
Рис. 37
Рис. 38
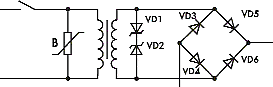
В цепях высокой частоты рекомендуется использовать малоемкостные TVS-диоды или для уменьшения емкости TVS-диода последовательно с ними включать малоемкостные импульсные диоды (диоды с барьером Шотки), как это показано на примере защиты схемы симметричных линий связи (рис. 39).
Рис. 39
Многоступенчатые схемы защиты
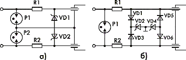
Многоступенчатые схемы защиты используются в том случае, когда величина поглощаемой энергии TVS-диода превышает установленный для него допустимый уровень. Типичным примером использования многоступенчатой защиты является двухступенчатая защита в симметричных линиях связи, где TVS-диоды включают в каждую цепь линии симметрично относительно общей шины заземления, как показано на рис. 40 для случаев защиты низкочастотных и высокочастотных цепей. Время прохождения импульса тока через TVS-диоды VD1–VD6 равно времени запаздывания пробоя разрядников Р1-Р2, которое не превышает 0,5…1 мкс, поэтому поглощаемая диодом энергия невелика и основная доля энергии напряжения поглощается затем разрядником.
Рис. 40
При наличии второй ступени защиты в цепь должен быть дополнительно включен резистор, сопротивление которого определяется по следующей формуле:
Rогр = Uc1 — Uc2 / Ippm,
где Uc1, Uc2 — уровни ограничения разрядника и TVS-диода соответственно; Ippm — допустимый ток TVS-диода.
Включение резисторов с незначительным сопротивлением (единицы Ом) в информационные цепи не окажет заметного влияния на параметры рабочих сигналов.
Литература:
- Черепанов В. П., Хрулев А. К., Блудов И. П. Электронные приборы для защиты РЭА от электрических перегрузок. — М.: Радио и связь, 1994. С. 223.
- http://www.gensemi.com.
|