|
Виктор Ульрих, Олег Воротынский
Аналоговые компоненты фирмы Microchip
Датчики температуры
TC620 и TC621 — 5В-датчики температуры с программируемыми логическими выходами, предназначенные для использования в приложениях управления температурой. TC620 имеет встроенный датчик температуры, а к TC621 подключается внешний терморезистор для дистанционного контроля температуры.
Оба элемента имеют два логических выхода («HIGH» и «LOW»), каждый из которых программируется одним внешним резистором. На TC620 эти выходы имеют активный высокий уровень, логика выходов представлена на рис. 15. Дополнительный выход «CONTROL» устанавливается, когда температура превышает верхний предел, и сбрасывается, когда температура падает ниже нижнего предела. Этот выход может использоваться для управления простым включением и отключением охлаждающего вентилятора или нагревателя. TC621 обеспечивает те же выходные функции за исключением того, что логические уровни на выходах инвертированы.
Рис. 15. Логика выходов TC620/621
TC620/621 могут применяться в температурном диапазоне от – 40 до +125 °C.
Величина резисторов программирования TC620 рассчитывается следующим образом:
RTRIP = 0,5997 ґ T 2.1312
RTRIP — сопротивление резистора в омах;
T — температура точки отключения в град. Кельвина.
Например: для 50 °С сопротивление резистора составит:
RSET = 0,5997 ґ ((50 + 273,15) 2,1312) = 133,6 кОм.
Пример управления температурой с помощью ТС620 приведен на рис. 16.
Рис. 16. Управление температурой с помощью TC620
TC74 — малогабаритный датчик температуры c последовательным цифровым выходом. Значение температуры преобразуется внутренним АЦП в 8-разрядный двоичный код. Разрешение АЦП — 1 °С, номинальная скорость преобразования — 8 выборок/секунду.
Связь с TC74 осуществляется через 2-проводный последовательный порт (рис. 17), совместимый с SMBus/I2C. Этот же порт может использоваться для управления режимом работы датчика. Бит «SHDN» в регистре состояния позволяет установить режим малого потребления. В этом режиме АЦП отключается, но последовательный порт продолжает функционировать. Ток потребления микросхемы 200 мкA (в режиме отключения — 5 мкA).
Небольшие размеры (корпус SOT-23A), низкая стоимость и легкость использования делают TC74 идеальным для управления температурой в различных системах, например, тепловая защита для приводов жесткого диска и других периферий PC.
Рис. 17. Структурная схема TC74
TC1046 и TC1047 — высокоточные датчики температуры, формирующие на своем выходе напряжение, пропорциональное измеренной температуре. Они могут функционировать в диапазоне температур от –40 до +125 °C, причем во всем диапазоне они имеют линейную зависимость выходного напряжения от температуры. TC1046 имеет наклон выходной характеристики 6,25 мВ/°C, а TC1047 — 10 мВ / °C.
Схема подключения TC1046 приведена на рис. 18.
Рис. 18. Схема подключения TC1046
Датчики выпускаются в 3-контактных корпусах SOT-23B, что делает их идеальными для малогабаритных приложений, таких как сотовые телефоны, аппаратура измерения температуры, портативное оборудование включения батарей, бытовая электроника.
TC1066, TC1068 и TCМ1617 — программируемые температурные датчики с последовательным портом, оптимизированные для контроля температуры современных мощных микропроцессоров с интегрированными температурными диодами. Значение температуры от внешних и внутренних температурных диодов преобразуется внутренним АЦП в 8-разрядный двоичный код.
Рис. 19. Структурная схема TC1066
Передача данных осуществляется через последовательный порт, совместимый со стандартной шиной управления системы (SMBus), обычно используемой в современных компьютерных системах (рис. 19). Последовательный порт позволяет читать значения текущей внутренней/внешней температуры, программировать пределы температурного диапазона и конфигурировать датчик. Имеется вывод ALERT#/ COMP#, на котором в режиме ALERT# формируются сигналы прерывания, когда температура выходит за пределы заданных температурных диапазонов, а в режиме COMP# формируется сигнал превышения верхнего предела для внешнего датчика, который сбрасывается, когда температура упадет ниже нижнего предела (рис. 20). TCМ1617 не имеет режима COMP# на выходе ALERT# / COMP#. TC1066 для полной совместимости с ACPI имеет дополнительно выводы аппаратного программирования критического порога температуры, а также вывод OS#, формирующий сигнал прерывания, когда температура выходит за заданный порог.
Рис. 20. Логика выходов ALERT#/ COMP#, OS#
Режим малого потребления может быть установлен передачей соответствующей команды через SMBus или установкой низкого уровня на входе STBY# (в этом режиме IDD не более 10 мкA). В режиме малого потребления последовательный порт продолжает функционировать, и все регистры остаются доступными. Входы выбора адреса позволяют подключать до девяти датчиков на один 2-проводной канал для многозонного контроля.
Небольшие размеры, низкая стоимость и легкость использования делают эти датчики идеальными для управления температурой в сложных системах типа ACPI.
TC6501...TC6504 — миниатюрные (5-контактный корпус SOT-23A) температурные выключатели, не требующие никаких навесных компонентов, температурные пороги программируются при изготовлении, что облегчает разработку приложений. Разработчику необходимо только выбрать ширину петли гистерезиса 2 или 10 °C, которая задается установкой соответственно низкого или высокого уровня на входе HYST. TC6501 и TC6502 выпускаются для 3 стандартных температур (табл. 1), возможна поставка нестандартных версий (для температур 55, 75, 85, 105 и 115 °C). TC6503 и TC6504 выпускаются для 2 стандартных температур (см. табл. 1), возможна поставка нестандартных версий (для температур –45, –35, –25 и –5 °C). При заказе нестандартных версий необходимо обратиться за более подробной информацией.
Таблица 1
| Наименование |
Станд. тем-ра, °С |
Тип выхода |
| ТС6501Р045VCT |
45 |
Откр. сток |
| ТС6501Р065VCT |
65 |
Откр. сток |
| ТС6501Р095VCT |
95 |
Откр. сток |
| ТС6502Р045VCT |
45 |
КМОП |
| ТС6502Р065VCT |
65 |
КМОП |
| ТС6502Р095VCT |
95 |
КМОП |
| ТС6503N095VCT |
-15 |
Откр. сток |
| ТС6503Р005VCT |
5 |
Откр. сток |
| ТС6504N015VCT |
-15 |
КМОП |
| ТС6504Р005VCT |
5 |
КМОП |
Буква «P» в наименовании указывает на положительную температуру, а «N» — на отрицательную.
Эти датчики имеют типовой ток потребления 17 мA и работают в полном температурном диапазоне от –55 до +125 °C, при этом типовая точность срабатывания составляет ±0,5 °C, а максимальная погрешность — ±4 °C.
TC6501 и TC6503 имеют на выходе открытый сток с активным низким уровнем, который предназначается для управления сбросом микропроцессора. TC6502 и TC6504 имеют выход КМОП с активным высоким уровнем, предназначенный для передачи сигналов на логические компоненты, управляющие драйверами нагревателя или вентилятора.
TC6501/TC6502 предназначены для контроля высоких температур (+35...+11 °C). Они устанавливают активный уровень на выходе, когда температура становится выше заданного порога. Пример использования TC6502 приведен на рис. 21. TC6503/TC6504 предна-
значены для контроля низких температур (–45...+15 °C). Они устанавливают активный уровень на выходе, когда температура становится ниже заданного порога.
Рис. 21. Схема управления вентилятором с сигнализацией перегрева
TC6501...TC6504 идеальны для приложений, требующих высокую интеграцию, небольшие размеры, низкое потребление и небольшую стоимость.
TCN75 — программируемый температурный датчик с последовательным портом, который формирует сигнал на выходе INT/CMPTR (рис. 22) для ведущего контроллера, когда окружающая температура превышает запрограммированный пользователем предел. Выход INT/CMPTR может быть запрограммирован как выход компаратора для работы термостата или как выход запроса прерывания от температуры. Гистерезис этого сигнала также программируется. Связь с TCN75 осуществляется через 2-проводную шину, которая является совместимой со стандартным протоколом I2C. Шина позволяет читать текущую температуру, программировать пределы и гистерезис.
Рис. 22. Схема включения TCN75
При включении питания TCN75 устанавливается в режим компаратора с предельной температурой 80 °C и гистерезисом 5 °C. Режим по умолчанию позволяет датчику работать в автономных термостатах. Режим малого потребления может быть установлен передачей соответствующей команды через 2-проводную шину. Входы выбора адреса позволяют включать до восьми TCN75 на одну 2-проводную шину для многозонного контроля.
Все регистры датчика доступны для чтения, а выход INT/CMPTR — для программирования ведущим контроллером. Датчик легко приспосабливается к системе управления, так как позволяет работать по опросу или прерыванию.
Небольшие размеры, низкая стоимость и удобство использования делают TCN75 идеальным для построения сложных схем систем управления, таких как тепловая защита современных мощных CPU, твердотельные термометры, системы пожарной сигнализации.
Контроллеры безщеточных вентиляторов
TC642 — регулятор частоты вращения безщеточных двигателей вентилятора. Частота вращения изменяется пропорционально температуре с помощью широтной импульсной модуляции (ШИМ). Терморезистор (или другой температурный датчик, имеющий на выходе напряжение) подключается к входу VIN, напряжение на выходе датчика может изменяться от 1,25 до 2,65 В, что соответствует изменению импульса ШИМ от 0 % до 100 %. Минимальная скорость вращения вентилятора устанавливается простым резистивным делителем на входе VMIN. Встроенный таймер запуска обеспечивает надежный запуск двигателя при выходе контроллера из режима отключения или после временного повреждения.
Когда на входе VMIN приложенное напряжение становится низким, то вентилятор отключается. Датчики TC642 имеют технологию FanSense™, составляющую собственность Microchip, которая позволяет увеличить надежность системы. При нормальной работе вентилятора на выводе SENSE, который через конденсатор соединяется с датчиком тока двигателя (рис. 23), должна присутствовать последовательность импульсов. Если эти импульсы отсутствуют, то на выходе FAULT устанавливается низкий уровень, указывающий на повреждение. Сигнал повреждения формируется также, когда ширина импульса ШИМ достигает 100 %, указывая на возможное повышение температуры, хотя вентилятор продолжает работать. Выход FAULT может быть использован для отключения контроллера при повреждении.
Рис. 23. Типовая схема включения TC642
КОМПОНЕНТЫ ДЛЯ УПРАВЛЕНИЯ ПИТАНИЕМ
Линейные стабилизаторы
Фирма Microchip выпускает микромощные линейные стабилизаторы напряжения с малым падением напряжения, с использованием низковольтной КМОП-технологии. Эти стабилизаторы имеют небольшие пульсации выходного напряжения, как у стабилизаторов на биполярных транзисторах, но имеют значительно больший КПД. Типовые стабилизаторы на биполярных транзисторах имеют ток потребления, равный 1...2 % от выходного тока, а стабилизаторы по КМОП-технологии имеют почти нулевой ток потребления, за счет чего уменьшается общий рабочий ток прибора. Кроме этого эти стабилизаторы имеют вход отключения, что позволяет дополнительно увеличить их эффективность в маломощных приложениях.
Высокая эффективность стабилизаторов по КМОП-технологии делает их идеальными для модернизации изделий на биполярных элементах типа LP2980 и MIC5205, используемых в сотовых телефонах, пейджерах, переносных компьютерах и других портативных применениях.
Микромощные стабилизаторы с малым падением напряжения выпускаются с фиксированным и регулируемым выходным напряжением на токи нагрузки 50, 100, 150 и 300 мA. Миниатюрные корпуса SOT-23A-5, SOT-23A-6, SOT-223 и MSOP-8 требуют минимальной площади платы. Все стабилизаторы имеют вход отключения, тепловую защиту и ограничение тока. Некоторые элементы также имеют выход флага ошибки и вывод для уменьшения шума внутреннего опорного напряжения (табл. 2).
Таблица 2
| Тип |
Выходн. ток (Пиковый) |
Число и тип выходов |
Ном. нагрузка (пФ) |
Время переднего фронта (нс) |
Время заднего фронта (нс) |
Задержка переднего фронта (нс) |
Задержка заднего фронта (нс) |
Защита выхода |
Защита входа |
| Инв. |
Не инв. |
| ТС426 |
1.5А |
Два |
|
1000 |
30 |
30 |
50 |
75 |
Да |
Нет |
| ТС427 |
1.5А |
|
Два |
1000 |
30 |
30 |
50 |
75 |
Да |
Нет |
| ТС428 |
1.5А |
Один |
Один |
1000 |
30 |
30 |
50 |
75 |
Да |
Нет |
| ТС1426 |
1.2А |
Два |
|
1000 |
30 |
20 |
55 |
80 |
Да |
Нет |
| ТС1427 |
1.2А |
|
Два |
1000 |
30 |
20 |
55 |
80 |
Да |
Нет |
| ТС1428 |
1.2А |
Один |
Один |
1000 |
30 |
20 |
55 |
80 |
Да |
Нет |
| ТС4426 |
1.5А |
Два |
|
1000 |
25 |
25 |
33 |
38 |
Да |
Да |
| ТС4427 |
1.5А |
|
Два |
1000 |
25 |
25 |
33 |
38 |
Да |
Да |
| ТС4428 |
1.5А |
Один |
Один |
1000 |
25 |
25 |
33 |
38 |
Да |
Да |
| ТС4423 |
3.0А |
Два |
|
2200 |
25 |
25 |
33 |
38 |
Да |
Да |
| ТС4424 |
3.0А |
|
Два |
2200 |
25 |
25 |
33 |
38 |
Да |
Да |
| ТС4425 |
3.0А |
Один |
Один |
2200 |
25 |
25 |
33 |
38 |
Да |
Да |
| ТС4420 |
6.0А |
|
|
4700 |
40 |
35 |
50 |
55 |
Да |
Да |
| ТС4429 |
6.0А |
Один |
|
4700 |
40 |
35 |
50 |
55 |
Да |
Да |
| ТС4421 |
9.0А |
Один |
|
10 |
50 |
48 |
30 |
33 |
Да |
Да |
| ТС4422 |
9.0А |
|
Один |
10 |
50 |
48 |
30 |
33 |
Да |
Да |
| ТС4467* |
1.2А |
Четыре |
|
1000 |
30 |
30 |
35 |
35 |
Да |
Да |
| ТС4468* |
1.2А |
|
Четыре |
1000 |
30 |
30 |
35 |
35 |
Да |
Да |
| ТС4469* |
1.2А |
|
Четыре |
1000 |
30 |
30 |
35 |
35 |
Да |
Да |
Рис. 24. Схема регулируемого стабилизатора
Точность выходного напряжения стабилизатора зависит от стабильности и температурного дрейфа внутреннего опорного напряжения и резисторов обратной связи.
На рис. 24 приведена схема регулируемого стабилизатора. Выходное напряжение зависит от резисторов R1 и R2 в цепи обратной связи, которое определяется по следующей формуле:
VOUT = VREF [(R1/R2) +1], (1)
где VREF = 1,20 B.
Вывод «ADJ» имеет высокое полное сопротивление (вход КМОП), поэтому величины резисторов могут быть выбраны в пределах 300 кОм...1 МОм, чтобы минимизировать ток через R1 и R2.
Из уравнения (1) можно сделать следующие выводы:
- Если VOUT = VREF (когда R1 = 0), то отклонение VOUT будет приблизительно равно отклонению VREF.
- Если VOUT > VREF (когда R1/R2>0), то отклонение VOUT зависит от отклонения VREF и точности R1/R2.
Поэтому резисторы R1 и R2 должны быть высокоточными, так как если они имеют точность 1 %, то общее отклонение отношения R1/R2 равно 2 %.
Все стабилизаторы имеют вход отключения «SHDN», который позволяет пользователю цифровым сигналом отключать нагрузку от источника питания и переводить стабилизатор в режим малого потребления, при этом ток сокращается (50 мA в течение нормальной работы, 0,05 мA в режиме отключения).
Режим отключения активизируется, когда на входе «SHDN» устанавливается уровень менее 0,2 VIN. Когда на этот вход подается напряжение более 0,4 VIN, стабилизатор включается. Напряжение включения достаточно низкое, и управление стабилизатором может осуществляться цифровым сигналом от выхода микроконтроллера, напряжение питания которого 3,3 В. Если режим отключения не используется, то вход «SHDN» должен быть подключен к входному напряжению.
Стабилизаторы TC1070/1/2/3 и TC1054/5 имеют выход флага ошибки «ERROR», который устанавливается, когда напряжение на выходе падает приблизительно на 5 %.
На выходе «ERROR» N-канальный транзистор с открытым стоком, выходной ток которого не более 1 мA. Однако резистор, подтягивающий выход к питающему напряжению (не более 7 В), должен выбираться так, чтобы потери на выходе были минимальными.
Сигнал на выходе «ERROR» действительный, когда на входе напряжение более 1 В и не определен для напряжения менее 1 В. Так как в переходный период при включении/отключении питания напряжение на выходе может быть между 0 В и 1,0 В, что может интерпретироваться другими схемами как логическая «1». Для предотвращения этого на выходе рекомендуется установить два резистора (рис. 25), что будет обеспечивать напряжение на выходе «ERROR» не более 0,5 В, пока напряжение на входе не установится боле 1 В. Максимальное напряжение на выходе при этом будет — VOUT/2.
Рис. 25. Подключение выхода «ERROR»
Выход «ERROR» также может использоваться как монитор напряжения. Если входное напряжение низкое или перегрузка, то на нем будет низкий уровень. По этому флагу микроконтроллер может активизировать соответствующую программу и установить дежурный режим.
Компаратор ошибки имеет гистерезис 50 мВ, что обеспечивает некоторую помехоустойчивость.
Для оптимальной работы стабилизаторов рекомендуется на входе, выходе и выводе стабилизации опорного напряжения «Bypass» устанавливать конденсаторы. Конденсаторы должны быть выбраны так, чтобы обеспечивалась устойчивая работа стабилизатора. Рекомендуется использовать конденсаторы емкостью 1...2,2 мкФ. Большие конденсаторы емкостью 4,7...10 мкФ увеличивают переходный процесс в нагрузке и уменьшают пульсации, но не влияют на стабильность.
На выводах «Bypass» и «ADJ», если они имеются, рекомендуется устанавливать конденсаторы емкостью 470 пФ, что уменьшит уровень шума внутреннего опорного напряжения (VREF).
Супервизоры напряжения
TC51, TC52, TC53 и TC54 — микромощные супервизоры напряжения с открытым стоком на выходе ( TC53 и TC54 могут иметь выход КМОП-логики). Они особенно удобны для систем с батарейным питанием, так как имеют очень низкое потребление тока — всего 1 мкA, за исключением TC52, который потребляет 2 мкA, но зато состоит из двух независимых компараторов. Все супервизоры изготавливаются в миниатюрных корпусах поверхностного монтажа и не требуют внешних компонентов. Каждый элемент включает компаратор с высокоточным источником опорного напряжения, запрограммированный лазером делитель напряжения и схему гистерезиса. Супервизоры могут иметь порог напряжения срабатывания в диапазоне от 1,1 до 6,0 В с шагом 0,1 В.
Все супервизоры имеют активный низкий уровень (рис. 26). Выходной уровень (VOUT) остается высоким, пока VIN больше установленного порогового напряжения (VDET). Когда VIN падает ниже VDET, на выходе устанавливается низкий уровень. VOUT остается низким, пока VIN не станет выше VDET + VHYST (напряжение гистерезиса). TC51 дополнительно имеет встроенную задержку установки высокого уровня на выходе на 50...200 мс.

Рис. 26. Диаграмма работы супервизора
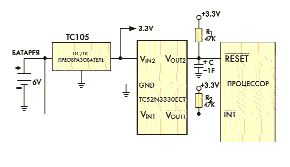
TC52 состоит из двух независимых компараторов, что позволяет построить систему контроля первичного и вторичного напряжения (рис. 27). Компаратор 2 контролирует напряжение системы. Когда напряжение падает на 10 % ниже номинального значения (3,3 В), то на выходе VOUT2 устанавливается низкий уровень и осуществляется сброс микропроцессора. Цепь R1 и C1 обеспечивает задержку времени сброса. Компаратор 1 контролирует напряжение первичного источника питания. Когда напряжение батареи становится меньше 3,3 В, то на выходе VOUT1 устанавливается низкий уровень, который вызывает прерывание процессора для выполнения программы отключения системы или аварийной сигнализации.

Рис. 27. Контроль первичного и вторичного напряжений
Хотя TC54 имеет заданное напряжение срабатывания (VDET), но иногда для опытного образца необходимо внести изменения. Это может быть выполнено при помощи внешнего резистивного делителя (рис. 28), который имеет VDET ниже, чем напряжение источника (VSOURCE).

Рис. 28. Изменение напряжения срабатывания
Для обеспечения точности необходимо, чтобы ток делителя был гораздо больше рабочего тока требуемого TC54. Разумная величина этого тока 100 мкA (в 100 раз больше требуемого TC54 — 1 мкA ). Например: если VDET = 2 В, а необходимый порог точка отключения — 2,5 В, то величина R1 + R2 = 250 кОм (2,5 В/ 100 мкA). Значения R1 и R2 могут быть округлены до ближайшего стандартного значения (рекомендуется использовать резисторы 1 % точности).
Мощные МОП-транзисторы
Microchip предлагает множество различных быстродействующих формирователей с мощными МОП-транзисторами на выходе (табл. 3). Они позволяют разработчику легко согласовать мощные МОП-транзисторы с устройством управления.
Таблица 3
В отличие от биполярных транзисторов, МОП-транзисторы имеют низкое полное сопротивление на больших токах. Входное напряжение логических уровней ТТЛ/КМОП преобразуется в выходное в пределах напряжения питания. Выход имеет незначительное остаточное напряжение как относительно общего провода, так и напряжения питания. Входные логические сигналы могут равняться напряжению питания, а входной ток при этом остается низким — 1 мкA, что дает возможность прямого сопряжения с интегральными схемами КМОП/ ТТЛ, а также с аналоговыми компараторами с открытым коллектором.
Имеется несколько семейств формирователей КМОП.
TC426 был первым широко применяемым КМОП-формирователем с мощными МОП-транзисторами на выходе. Это элемент с двумя выходами, рассчитанный на ток до 1,5 A и напряжение 18 В, он совместим по контактам с биполярными элементами DS0026 и MMH0026. На его основе вышли две другие версии: TC427 — двойной не инвертирующий формирователь и TC428 — двойной формирователь (один с инверсией, а другой без).
Семейство TC4426 — второе поколение на основе семейства 426, но улучшенное: имеет меньшую задержку распространения, улучшенную защиту выхода при индуктивной нагрузке и в два раза меньшее потребление. Эти усовершенствования были включены во все формирователи с четырехзначными номерами в обозначении.
Другое важное усовершенствование второго поколения — защита входа от отрицательного напряжения —5 В. Это очень полезно в системах с 2-полярным питанием. TC1426 — специальная дешевая версия семейства 426, которая имеет защиту по выходу, но не имеет защиты по входу.
После серий, имеющих выходной ток 1,5 A, выпущено семейство двойных формирователей TC4423, имеющих выходной ток 3 A. TC4424 — двойной не инвертирующий формирователь и TC4425 — двойной формирователь (один с инверсией, а другой без).
TC4429 — один инвертирующий формирователь (его предшественник TC429), а TC4420 — не инвертирующий. Это семейство имеет выходной ток 6 A и напряжение питания 18 В. TC4429 может работать на нагрузку 10,000 нФ при напряжении 15 В и имеет время переключения 60 нс.
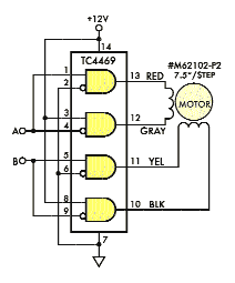
Семейство TC446X имеет четыре выходных формирователя — это расширение двойных формирователей (рис. 29). Каждый формирователь для большей гибкости оборудован двухвходным логическим элементом.

Рис. 29. Схема управления шаговым двигателем
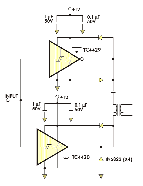
На рис. 30 представлена схема сопряжения мощного формирователя с импульсным трансформатором. Для защиты формирователя от индуктивных импульсов используются диоды.
Эта схема может использоваться для работы на мощные биполярные транзисторы.

Рис. 30. Схема сопряжения мощного формирователя с импульсным трансформатором
microchip@aogamma.spb.su
|