Рубликатор

 



























Все о псориазе



Управление электропитанием

от AnalogicTech

Компания Advanced Analogic Technologies Inc. — AATI (торговая марка AnalogicTechTM) разрабатывает и производит низковольтные полупроводниковые изделия для связи, компьютеров, портативной электроники, в том числе микросхемы управления электропитанием (Total Power ManagementTM) для сотовых телефонов, ноутбуков, батарей, портативной персональной электроники, устройства электронной защиты портов ввода-вывода компьютера, а также мощные полевые транзисторы. Штаб-квартира AATI расположена в США, представительства находятся вШвеции, Великобритании, Японии, Корее, Гонконге.

Продукция фирмы представлена тремя направлениями:

  • Микросхемы серии Total Power Management, включающие регуляторы напряжения Power Linear, источники опорного напряжения, детекторы напряжения, супервизоры микропроцессоров Power Manager, переключаемые конвертеры постоянного тока SwitchReg, зарядные устройства для батарей Battery Manager;
  • Специализированные устройства ASPM — ключи на канальных полевых униполярных МОП-транзисторах (MOSFET) с функциями защиты. Направления: SmartSwitch — переключатели нагрузки и FastSwitch;
  • Линия TrenchDMOS, охватывающая ключи конвертеров постоянного тока PWMSwitch, энергосберегающие переключатели нагрузки LoadSwitch, мощные N-канальные униполярные транзисторы.

Микросхемы серии Total Power Management

При производстве данных микросхем используют уникальную комбинацию разработок в области аналоговых цепей фирмы AATI и реализацию субмикронного процесса изготовления.

Линейные регуляторы напряжения

AAT3215/AAT3236 MicroPower — линейные регуляторы с малым падением напряжения (LDO, Low Dropout), низким уровнем шума. Они идеально подходят для портативных устройств: сотовых телефонов, ноутбуков, цифровых камер и др., когда предъявляются высокие требования к размерам, потребляемой мощности и выходному шуму (рис. 1).

Основные характеристики:

  • выходной ток — 150/300 мА;
  • выходное напряжение — 2,5; 2,7; 2,8; 2,85; 3,0; 3,3; 3,5 В;
  • точность — ±1,5 %.

AAT3215 выпускается в малогабаритных корпусах: 5-контактном SOT-23 и 8-контактном SC70-JW.

Устройства серии NanoPower — AAT3220/21/22 (рис. 2) имеют самый низкий ток замыкания — 1,1 мкА.

Микросхемы AAT3215/36 отличаются низким шумом (45 мкВ), а AAT3216/AAT3237 — большим током выхода (150/300 мА). Высокий коэффициент подавления пульсаций питания делает серию приборов MicroPower удобной для чувствительных радио- и беспроводных приложений. Регулятор AAT3215 является полным аналогом (Pin-for-Pin) приборов MAXIM — MAX8877, Micrel — MIC5205, Linear Technology — LT1761, National Semiconductor — LP2985.

Регуляторы работают с конденсаторами разных типов на входе и выходе, в том числе и с дешевыми керамическими, защищены от перегрузок по току и перепадов температуры.

Источники опорного напряжения, детекторы, супервизоры

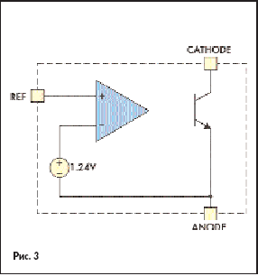
AHK432 — трехконтактный источник опорного напряжения (рис. 3).

Основные характеристики:

  • диапазон выходного напряжения от 1,24 до 20 В;
  • точность 0,5 %, 1,0 %, 2,0 % (дает большую гибкость при разработке источников питания и сопутствующих конструкций);
  • малый ток потребления — 80 мкА;
  • стандартное расположение выводов.

Это делает AHK432 идеальным для использования в портативных электронных устройствах с батарейным питанием.

Применение: изолированная обратная связь в переключаемых источниках питания, компьютеры, внешние источники опорного напряжения линейных регуляторов и т. д.

AAT3560/62/6 — детекторы напряжения.

Устройства с очень малым потреблением, используются портативными аппаратами, где важна работающая батарея (сотовые телефоны, ноутбуки, камеры и др.). Выпускаются с тремя стандартными расположениями выводов, опциями высокого (низкого) логического уровня и открытого стока.

AAT3520/22/24/26/27/28/32 — супервизоры микропроцессоров. Обеспечивают пользователю дополнительные возможности, такие как перезагрузка при пониженном напряжении, задержка, ручная перезагрузка, сторожевой таймер. Функции супервизора микропроцессора проиллюстрированы рис. 4. Супервизоры встраиваются в ноутбуки, сотовые телефоны, другие портативные приспособления и встроенные системы.

Конвертеры DC/DC, регуляторы, зарядные устройства

AAT1150/51 — переключаемые конвертеры постоянного тока.

Особенности:

  • синхронный опорный конвертер 1 МГц;
  • выходной ток — 300/600 мА;
  • защита от токовых перегрузок и перепадов температуры;
  • эффективность — 95 %;
  • требует минимум внешних компонентов.

Применение: блоки питания сотовых телефонов и прочих портативных аппаратов.

AAT3110 ChargePump — регулятор напряжения на переключаемых конденсаторах.

Основные характеристики:

  • частота переключения — 750 кГц;
  • ток выхода — 100 мА;
  • напряжение входа от 2,3 до 5,5 В;
  • режимы напряжений выхода 3,3; 3,6; 5,0 В ±4 %;
  • ток потребления — 13 мкА (MicroPower);
  • защита от перепадов температуры и короткого замыкания;
  • отсутствие индуктивностей (структурная схема на рис. 5).

Применение: драйверы СИД, компактные узлы питания, сотовые телефоны, персональная электроника.

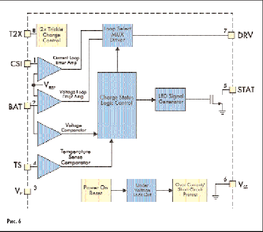
AAT3680 — зарядное устройство для батарей Li-Ion.

Функции:

  • непрерывное отслеживание величины заряда батареи;
  • программируемый ток заряда;
  • защита от перепадов температуры и короткого замыкания;
  • дисплей;
  • отключение при полном заряде;
  • спящий режим (рис. 6).

Специализированнве схемы на полевых транзисторах

Переключатели нагрузки от AnalogicTech — это энергосберегающие приборы, выполняющие простые операции управления питанием, такие функции продлевают срок службы батарей в портативной персональной электронике. График (рис. 7) иллюстрирует принцип действия переключателя с ограничением тока (Current Limiting type). Подобные блоки предназначены в основном для управления внешней нагрузкой, защиты портов (USB и др.), «горячего» подключения (карты PCMCIA, модули); Работа программного переключения (Soft Switching type) показана на рис. 8.

Эти конструкции работают с внутренней нагрузкой: ограничение противотока в радиочастотных приложениях, малошумящие ключи (память, специализированные узлы).

AAT4250/80 — переключатель нагрузки.

Характеристики:

  • диапазон входного напряжения 1,8–5,5 В;
  • максимальный ток в рабочей точке — 4,0 мкА;
  • сопротивление стока RDS(ON) — 120–130 мОм.

AAT4612/18/25/80 — устройства защиты портов (USB, PCMCIA, IEEE 1394).

AAT4644 — счетверенный переключатель (рис. 9):

  • большой ток на выходе от 1 до 2 А;
  • диапазон входного напряжения — 2,7–5,5 В;
  • максимальный ток в рабочей точке — 40,0 мкА;
  • сопротивление стока R DS(ON) — 100 мОм.

AHK6030LX/L/AAT9125/23/21 — мощные N-канальные униполярные транзисторы.

Характеристики:

  • напряжение пробоя — 30 В;
  • низкое сопротивление стока RDS(ON) — 13–42 мОм.

Идеальны для DC/DC-преобразователей в диапазоне частот от 100 до 300 кГц.

Система обозначений компонентов AATI

111 222 3 4 5 — 6 — 7 — 8 — 9 — 10:
111 — префикс классификатора:
ААТ — собственное наименование AATI,
АНК — стандартное промышленное обозначение;
222 — номер модели;
3 — температурный диапазон (табл. 1);
4 — тип корпуса (табл. 1);
5 — число выводов (табл. 1);
6 — напряжение (если необходимо);
7 — точность (если необходимо);
8 — время задержки (если необходимо);
9 — период сторожевого таймера (если необходимо);
10 — вариант упаковки (трубка/бобина).

Таблица 1. Система обозначений компонентов AATI

Температурный диапазон Тип корпуса Число выводов Трубка/бобина
C 0… +70 °C A SOIC Z 2 –B1 BULK (вар. 1)
H 0… +90 °C B WIDE SOIC Y 3 –B2 BULK (вар. 2)
E –20… +85 °C C SOT143 X 4 –A1 AMMO (TO"92)
    D TSOP V 5 –T1 Бобина (вар. 1)
I –40… +85 °C
(MOSFET Tj=
–55… +150 °C)
E POWER TSOP U 6 –T2 Бобина (вар. 2)
    F SC70 T 7    
M –55…+125 °C G SOT-23 S 8    
X 0…+125 °C H TSSOP R 9    
    I SSOP Q 10    
    J SC70-JW P 12    
    K MSOP O 14    
    L TO-92 N 16    
    M SOT-223 M 18    
    N TO-252 (DPAK) L 20    
    O TO-263 (D2PAK) K 24    
    P TO-220 J 28    
    Q SOT-89 I 32    
    R DPAK-L H 36    
    S SOT23JW        

Игорь Миронов


Статьи по: ARM PIC AVR MSP430, DSP, RF компоненты, Преобразование и коммутация речевых сигналов, Аналоговая техника, ADC, DAC, PLD, FPGA, MOSFET, IGBT, Дискретные полупрoводниковые приборы. Sensor, Проектирование и технология, LCD, LCM, LED. Оптоэлектроника и ВОЛС, Дистрибуция электронных компонентов, Оборудование и измерительная техника, Пассивные элементы и коммутационные устройства, Системы идентификации и защиты информации, Корпуса, Печатные платы

Design by GAW.RU