|
Новая серия интегральных стабилизаторов
International Rectifier IRIS40**
Одним из основных требований, предъявляемых к современной электронной аппаратуре, является требование обеспечения минимальных габаритов и минимального потребления при максимальной эффективности (КПД). Прежде всего, это требование относится к вторичным источникам питания (ВИП), без которых не обходится не одно практически ни одно электронное устройство, будь то музыкальное, видео или компьютерная техника. В данной статье речь пойдет об источниках питания, работающих от высоковольтного входного напряжения, например, сетевого.
Введение
В последние годы появилось достаточно много интегральных схем, решающих эти задачи более или менее успешно. Хорошие микросхемы для SMPS (Switch Mode Power Supply) разработаны фирмами Samsung (серия SPS — Samsung Power Switch), ST-Microelectronics (серия Viper). Большую популярность приобрела также серия микросхем TOPSwitch фирмы Power Integrations. Эти микросхемы наиболее полно удовлетворяют требованиям, предъявляемым к SMPS. Они обеспечивают диапазон мощностей до 100 Вт, выполняют все необходимые функции и способны не только помочь разработчикам при создании новой аппаратуры, но и заменить устаревшие схемы на дискретных компонентах в уже готовых изделиях как промышленного, так и бытового назначения.
Фирма International Rectifier — один из ведущих мировых разработчиков и производителей специализированных микросхем и MOSFET-транзисторов для конверторов DC-DC. Однако серия микросхем
аналогичного назначения — IRIS40** появилась в производственной программе International Rectifier
совсем недавно. Очевидно, это связано с тем, что специалисты фирмы анализировали микросхемы SMPS, представленные на рынке другими производителями, рассматривали их основные недостатки и проблемы, с тем чтобы избавиться от них в своей продукции. А такие проблемы существуют.
В частности, разработчики, использующие TOPSwitch, знают о нестабильном запуске, свойственном данным микросхемам. Поэтому читателю наверняка будет интересно ознакомиться с особенностями применения микросхем серии IRIS40**.
Как и все аналогичные изделия, микросхемы серии IRIS40** содержат силовой MOSFET-транзистор и контроллер импульсного источника питания.
Таблица 1. Основные характеристики микросхем IRIS40**
| Тип микросхемы |
Входное напряжение, В |
Выходная мощность, Вт |
Сопротивление открытого канала силового транзистора, Ом |
| IRIS4007 |
200 |
30 |
0,4 |
| IRIS4011 |
650 |
60 |
3,9 |
| IRIS4013 |
650 |
120 |
1,9 |
| IRIS4015 |
650 |
180 |
0,9 |
Микросхемы предназначены для работы в двух режимах:
- Квазирезонансный (QR — Quasi-Resonant). Для образования резонансного контура используется первичная обмотка выходного трансформатора и дополнительный конденсатор. Контроллер вырабатывает управляющие сигналы таким образом, чтобы силовой транзистор включался при минимальном напряжении на стоке.

- Импульсный управляемый (PRC — Pulse Ratio Control). В этом режиме контроллер регулирует
время, в течение которого MOSFET-транзистор открыт. Время закрытого состояния транзистора
фиксировано.

В обоих случаях управление производится с переменной частотой. В режиме PRC рабочая частота максимальна при минимальной нагрузке и максимальном входном напряжении. Она снижается примерно в два раза при полной нагрузке и минимальном напряжении. При работе в режиме QR частота максимальна при тех же условиях, что и в режиме PRC, но может изменяться в широком диапазоне при изменении нагрузки.
Квазирезонансный режим предпочтительнее, когда нагрузка постоянна или изменяется незначительно. Режим PRC используется при большом диапазоне изменения нагрузки, а также в тех случаях, когда требуется низкий ток покоя. На рис. 1 и 2 приведены блок-схемы для описанных режимов работы.
Особенности серии IRIS40**
- Миниатюрный корпус SIP5 или SMD.
- Низкий ток покоя (не более 100мкА).
- Встроенный тактовый генератор для режима PRC.
- Активный фильтр НЧ для улучшения стабильности работы при низкой нагрузке.
- Встроенный высоковольтный силовой MOSFET-транзистор с высоким значением энергии вторичного пробоя.
- Встроенная схема плавного пуска.
- Оптимальная схема управления затвором.
- Регулируемая скорость переключения силового транзистора для улучшения электромагнитной совместимости.
- Термостабилизированная схема защиты от перегрузки по току (OCP — Over Current Protection).
- Защита от перенапряжения (OVP — Over Voltage Protection).
- Тепловая защита (TSD — Thermal Shut down Protection).
Назначение выводов
| No вывода |
Название |
Назначение |
| 1 |
GND |
Общий вывод контроллера |
| 2 |
Vcc |
Питание контроллера |
| 3 |
D |
Сток силового транзистора |
| 4 |
OCP/FB |
Вход токовой защиты и обратной связи по напряжению |
| 5 |
S |
Исток силового транзистора |
Схема запуска и мониторинга напряжения
Схема запуска контролирует напряжение питания Vcc и осуществляет включение и выключение контроллера (см. рис. 3). При подаче питания конденсатор С2, установленный по питанию контроллера, заряжается через пусковой резистор Rs, обеспечивающий ток запуска около 500 мкА при минимальном входном напряжении.

Напряжение Vcc снижается после начала работы контроллера, и величина падения напряжения определяется значением С2. Однако если емкость С2 будет слишком велика, появится значительная задержка между подачей питания и моментом запуска. Как правило, для надежного пуска номинал С2 выбирается в диапазоне 22–100 мкФ, резистор Rs должен быть 47–68 кОм для напряжения питания 110 В или 82–150 кОм для 220 В.
В режиме ожидания потребляемый ток составляет примерно 100 мкА при напряжении Vcc = 14 В. При достижении значения 16 В отключается защита от пониженного напряжения (UVLO — Under Voltage Lock Out), схема начинает работать и ток потребления возрастает до 30 мА. Вновь схема UVLO запустится и переведет контроллер в режим покоя при снижении Vcc до 10 В.
После запуска схемы на дополнительной обмотке (обмотке обратной связи) D выходного трансформатора появляется напряжение, которое используется для питания контроллера и в качестве сигнала обратной связи. Эпюр напряжения Vcc в режиме пуска и начала работы приведена на рис. 3. На графике видно, что после запуска контроллера напряжение Vcc снижается, так как потребление возрастает, а питание в этот момент производится через резистор Rs, ограничивающий ток. Спустя короткое время напряжение на обмотке D обратной связи становится достаточным для питания схемы. Это происходит, когда Vcc превышает порог UVLO (примерно 11 В). При нормальной работе это напряжение поддерживается на уровне около 18 В. Защита от перенапряжения срабатывает при Vcc=22,5±2 В.
Для повышения стабильности работы схемы рекомендуется последовательно с обмоткой D устанавливать резистор (Ra), осуществляющий дополнительную фильтрацию сигнала обратной связи. Высокая скорость переключения силового транзистора может приводить к выбросам напряжения на вторичной обмотке и срывам в работе. Номинал фильтрующего резистора — 10–100 Ом. Точное его значение определяется параметрами трансформатора — индуктивностью рассеивания, омическим сопротивлением обмотки. Большое значение для надежной работы имеет также и конструкция трансформатора. Оптимальный вариант размещения выходной обмотки трансформатора — между первичной обмоткой и обмоткой обратной связи. При этом обеспечивается наилучшая трансформаторная связь и минимизируется индуктивность рассеяния.
Задающий генератор
Задающий генератор OSC контроллера определяет время заряда-разряда конденсатора С2 и время выключенного состояния tOFF силового каскада. В режиме PRC время tOFF составляет примерно 50 мкс, регулирование осуществляется за счет изменения времени открытого состояния tON MOSFET-транзистора.

На рис. 4 представлены эпюры работы генератора в режиме без обратной связи по напряжению. Когда силовой транзистор открыт, встроенный конденсатор С1 заряжается до уровня около 5,6 В. Ток стока создает напряжение пилообразной формы на резисторе R5 (VR5). Скорость нарастания этого напряжения зависит от входного напряжения и индуктивности первичной обмотки трансформатора.
Напряжение VR5 поступает на вход OCP/FB и является сигналом обратной связи по току силового каскада. Когда напряжение VR5 достигает порогового уровня Vth1 (0,73 В), срабатывает компаратор Сomp1, отключается генератор и запирается силовой транзистор. При этом конденсатор С1 начинает разряжаться по линейному закону, так как разряд идет с постоянным заданным током, определяющим скорость разряда. Когда напряжение на С1 упадет до уровня 1,2 В, снова дается команда на включение силового транзистора и конденсатор С1 вновь заряжается до уровня 5,6 В.
Таким образом, время tON определяется напряжением VR5, а время tOFF — номиналом С1 и значением тока разряда.
Режим обратной связи по напряжению
Обратная связь по выходному напряжению осуществляется с помощью оптопары, светодиод которой подключен через резистор к выходу источника питания. Ток транзистора оптопары, пропорциональный току светодиода, а следовательно, и выходному напряжению, создает падение напряжения на резисторе R4 — VR4 и R5 — VR5. В этом случае уровень сигнала, необходимого для срабатывания компаратора, определяется суммой напряжения VR4, образуемого сигналом обратной связи и VR5.
Шумы и помехи, возникающие при переключении силового транзистора, могут приводить к сбоям в работе компаратора, что является одной из серьезных проблем, присущих аналогичным устройствам. Для подавления коммутационных помех в микросхемах IRIS40** служит активный фильтр нижних частот, образованный источником тока 1,35 мА, установленным на входе OCP/FB. Источник тока совместно с фильтрующим конденсатором С5 снижает импеданс входа обратной связи при переключении транзистора и уменьшает уровень входных шумов.
Защита от перегрузок - OCP, OVP, TSD
Защита от токовой перегрузки (ОСР) работает в циклическом режиме. Она определяет пиковый ток стока в каждый рабочий период и при необходимости отключает выход генератора. Датчиком тока служит резистор R5 (см. рис. 4 и 5). Пороговое напряжение срабатывания схемы защиты 0,73 В. Внешние компоненты R4 и С5, описанные в предыдущем разделе, выполняют функцию фильтра, предотвращающего ложные срабатывания схемы защиты. Они могут вызываться пиками тока при разряде резонансного конденсатора в квазирезонансной схеме или токами через паразитную емкость обмоток выходного трансформатора.

При возникновении перенапряжения (OVP) или перегрева (TSD) специальная схема-защелка LATCH (см. рис. 1 и 2) отключает генератор и силовой каскад. Для исключения ложных срабатываний служит таймер схемы-защелки, который полностью отключает схему, если защита OVP или TSD работает непрерывно в течение более 8 мкс.
Вместе с защелкой начинает работу регулятор напряжения REG, обеспечивающий ток потребления на уровне не ниже 500 мкА, что необходимо для надежного перезапуска схемы. Когда напряжение Vcc становится меньше нижнего порогового значения (10В), стабилизатор REG отключается, ток падает до 400 мкА и напряжение Vcc вновь начинает расти. При достижении верхнего порогового значения напряжениея Vcc (16 В) опять начинает работать регулятор REG, увеличивая ток потребления. Таким образом, в данном режиме напряжение Vcc изменяется пилообразно от 10 В до 16 В.
Датчик температуры схемы защиты от перегрева расположен на одной теплопроводящей подложке с контроллером и MOSFET-транзистором. При перегреве подложки выше 140 °С он формирует команду на срабатывание схемы-защелки.
Защита от повышенного напряжения запускается, когда входной сигнал микросхемы превышает порог 22,5±2 В. Напряжение на входе микросхемы формируется обмоткой обратной связи трансформатора, и, соответственно, оно пропорционально выходному напряжению. Таким образом, защита OVP сработает и при перенапряжении на вторичной обмотке. Такое перенапряжение может возникнуть, например, при пропадании сигнала обратной связи или других неисправностях схемы.
Драйвер MOSFET
Схема управления затвором силового транзистора приведена на рис. 6. Стабилитрон ZD1 ограничивает напряжение на затворе при колебаниях напряжения питания. Необходимая траектория переключения полевого транзистора формируется резисторами затвора Rg1 и Rg2, номиналы которых подобраны так, чтобы обеспечить минимальный уровень динамических потерь и снизить коммутационные помехи.

Квазирезонансный режим работы
Когда напряжение на входе OCP/FB находится в диапазоне между пороговыми значениями Vth1(0,73 В) и Vth2 (1,45 В), компаратор Comp1 работает в режиме PRC с фиксированным временем закрытого состояния выходного каскада. Когда это напряжение превышает порог Vth2, компаратор Comp2 переводит контроллер в квазирезонансный режим. Пока напряжение поддерживается на уровне выше Vth1, силовой транзистор остается закрытым.

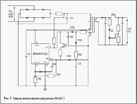
Минимальная длительность импульса в квазирезонансном режиме — 1 мкс. При этом скважность остается постоянной и равной 2. Типовая схема источника питания, работающего в квазирезонансном режиме, приведена на рис. 7. Конденсатор С4, подключенный к цепи сток—исток силового транзистора, образует резонансный контур вместе с первичной обмоткой выходного трансформатора. Сигнал обратной связи формируется схемой задержки, образованной элементами схемы С3, VD3, VD4, R3 и включенной между обмоткой обратной связи и входом FB. При наличии схемы задержки квазирезонансный сигнал на входе OCP/FB не спадает мгновенно, даже когда энергия, запасенная в трансформаторе, передается во вторичную обмотку. Это происходит потому, что конденсаторы С3 и С5 разряжаются через активный фильтр НЧ, описанный выше и образованный источником тока 1,35 мА.
Через некоторое время напряжение становится ниже порога Vth1. Необходимое время задержки зависит от рабочей частоты и выбирается с помощью конденсатора С4 так, чтобы MOSFET-транзистор включался при минимальном напряжении на стоке.
Расчет элементов схемы
Индуктивность первичной обмотки трансформатора LP
Расчет трансформатора, предназначенного для квазирезонансного режима работы, аналогичен расчету трансформатора для режима PRC. Однако существуют некоторые особенности, связанные с необходимостью компенсации длительности импульса резонансного напряжения при изменении длительности времени TON. Для обеспечения стабильного режима QR индуктивность первичной обмотки Lp должна вычисляться по приведенной ниже формуле:

- Po — максимальная выходная мощность;
- ¦o — минимальная рабочая частота;
- h — КПД (= 0,75–0,9 в зависимости от уровня выходного напряжения);
- D — длительность импульса tON при минимальном входном высоковольтном напряжении VIN(AC);
- VIN — напряжение на конденсаторе С1 при минимальном входном высоковольтном напряжении VIN(AC).
Элементы схемы задержки
При работе схемы в квазирезонансном режиме рабочая частота изменяется при изменении входного высоковольтного напряжения и нагрузки. Она принимает максимальное значение при максимальном входном напряжении и минимальном токе нагрузки.
При этом частота, необходимая для нормальной работы квазирезонансной схемы, может оказаться выше максимально возможной частоты задающего генератора. При этом может произойти срыв колебаний.
Поскольку минимальное время tOFF определяется задающим генератором и составляет примерно 1,5 мкс, соответственно может быть выбран и период рабочей резонансной частоты. Кроме того, для устойчивой работы генератора допустимая длительность сигнала в квазирезонансном режиме работы должна быть не менее 1 мкс. Под допустимой длительностью резонансного сигнала понимается время, в течение которого сигнал на входе OCP/FB достигает порога Vth2 (1,45 B).
В микросхемах серии IRIS40** управляющий и квазирезонансный сигнал подаются на один и тот же вход (то есть на входе OCP/FB суммируются сигналы управления и обратной связи), поэтому постоянная времени разряда конденсатора С3, определяющая время задержки, изменяется незначительно. В результате при максимальном входном напряжении и минимальной нагрузке время задержки будет несколько превышать расчетное значение.
Динамические потери силового транзистора увеличатся, поскольку MOSFET будет включаться не при минимальном напряжении на стоке. Следовательно, время задержки должно рассчитываться и подбираться так, чтобы рассеиваемая мощность была минимальна именно в условиях максимального входного напряжения и при минимальном токе нагрузки.
Ток Is, потребляемый схемой в квазирезонансном режиме, определяется комплексным сопротивлением, образуемым резистором R4 и импедансом входа OCP/FB (источник тока 1,35 мА) и максимальным значением квазирезонансного сигнала, рекомендуемое значение которого 3,4 В. Номиналы резисторов схемы задержки рассчитываются из следующих соотношений:

- VF — прямое падение напряжения на диодах VD3 и VD4;
- VD — напряжение на обмотке обратной связи;
- Idm — максимальный ток стока MOSFET-транзистора;
- VOCP — напряжение на входе OCP/FB при отключении силового транзистора.
Резонансная частота fR определяется по формуле:

Как было показано выше, для нормальной работы резонансной схемы скважность управляющих импульсов MOSFET-транзистора должна быть равна 2 на резонансной частоте.
Для обеспечения такого режима время задержки Т определяется по следующей формуле:

Коммутация режимов
Существует возможность переключения режимов работы контроллера с квазирезонансного на PRC. Это может быть особенно полезно для источников питания с широким диапазоном токов нагрузки, когда квазирезонансный режим обеспечивает минимальные потери при полной нагрузке, а режим PRC используется при небольших выходных токах. При этом исключается возможность чрезмерного повышения рабочей частоты и
связанное с этим увеличение потерь.
Переключение режимов может быть обеспечено добавлением в схему оптопары Opto2, которая позволяет отключать квазирезонансный сигнал обратной связи, как показано на рис. 8 (вариант А). Коммутация режимов может производиться автоматически при добавлении узла В. В зависимости от нагрузки будет изменяться напряжение на обмотке D обратной связи. При этом будет включаться или выключаться pnp-транзистор, коммутируя сигнал обратной связи. При отключении квазирезонансного сигнала контроллер автоматически перейдет в режим PRC, синхронизируемый задающим генератором, и рабочая частота снизится до 20–40 кГц.

Рекомендации по применению внешних компонентов
- Токовый шунт R5, включенный между выводом истока и общим проводом, должен иметь низкую паразитную индуктивность для исключения ложных срабатываний схемы защиты, что особенно вероятно при высокочастотном квазирезонансном режиме работы. Кроме того, этот резистор должен выдерживать значительные токовые перегрузки.
- При разработке выходного трансформатора должны быть учтены все требования, предъявляемые к высокочастотным трансформаторам. В частности, для снижения потерь от скин-эффекта обмотки должны
выполняться многожильными проводами.
- Резонансные и фильтрующие конденсаторы должны быть выбраны с учетом высоких уровней токов пульсаций.
- Для снижения уровня высокочастотных шумов и коммутационных помех рекомендуется устанавливать дроссель на ферритовой шайбе и обратносмещенный быстрый диод (или диод Шоттки) в цепи стока силового транзистора.
Рекомендации по топологии печатной платы
- Как показано на рис. 9, связь истока MOSFET-транзистора, вывода резистора R5 и общего провода должна выполняться широкой печатной линией (рекомендуемая ширина силовых линий связи — 1 мм/1 А) и иметь минимальную длину.

- Общие выводы высоковольтного сглаживающего конденсатора питания С1, резонансного конденсатора С4, конденсатора фильтра обратной связи С5 должны соединяться звездой и объединяться на общем выводе
резистора токового шунта R5. Непосредственно рядом с корпусом микросхемы должен быть установлен конденсатор С2'0,01–0,1 мкФ по питанию Vcc.
Литература
- Jonathan Adams. Using the IRIS40** series Integrated Switchers.
- IRIS4011 Integrated Switcher. International Rectifier Data Sheet NoPD60188-B.
- А. Колпаков. Особенности применения микросхем TOPSwitch // Компоненты и технологии. 2000. No 5.
Андрей Колпаков
|