Моделирование транзисторов IGBT с помощью PSPICEВ № 7 журнала "КиТ" мы начали обсуждение полезных и нужных, но малоизвестных применений программы PSPICE A/D - модуля аналогового проектирования, входящего в состав пакета программ ORCAD. Мы выяснили, что программу PSPICE можно с успехом использовать для моделирования систем автоматического регулирования благодаря возможности описывать блоки и узлы с помощью передаточных функций. Программа PSPICE полезна и для анализа силовых каскадов импульсных усилителей мощности, построенных на MOSFET и IGBT-транзисторах. Возможность моделировать такие каскады и получать при этом достоверные результаты появилась благодаря разработке высококачественных макромоделей указанных компонентов, проведенной специалистами фирмы International Rectifier (IR). В предыдущей статье были протестированы параметры одной из моделей MOSFET-транзисторов. Для этого использовался график, устанавливающий связь между зарядом затвора и напряжением на нем. Полученные эпюры показали, что тестируемая модель достаточно верно воспроизводит нелинейный характер зависимости заряда затвора от напряжения, что позволяет моделировать динамические характеристики схем с MOSFET-транзисторами с высокой степенью точности. Это, конечно, не отменяет необходимости тестировать любую модель, которую вы хотите использовать в своей схеме. В последних версиях программы PSPICE A/D модель транзистора IGBT представлена уже не как макромодель, а как встроенная модель. Если вы внимательно изучите состав библиотеки SPICE-моделей транзисторов IGBT, то увидите, что там присутствуют компоненты основных производителей IGBT: International Rectifier, APT (Advanced Power Technology), EUPEC, Mitsubishi, IXYS, Toshiba. Это говорит о том, что специалисты данных фирм серьезно относятся к схемотехническому моделированию вообще и PSPICE в частности. Однако модели последних поколений IGBT в библиотеке отсутствуют, да и их количество несоизмеримо с номенклатурой выпускаемых транзисторов. Справедливости ради следует отметить, что над созданием моделей идет постоянная работа, и вновь разработанные модели можно найти на сайтах фирм-производителей. Новые транзисторы с улучшенными характеристиками выпускаются постоянно, а создание моделидолгий и кропотливый процесс. Поэтому модели новейших транзисторов появляются спустя довольно продолжительное время после их выпуска. Например, фирма IR недавно начала выпуск транзисторов нового поколения Gen V IGBT, обладающих совершенно уникальными характеристиками. А модели их еще не разработаны, и неизвестно, когда это произойдет. Кроме того, модели делаются людьми, и ошибки в них встречаются довольно часто. Поэтому умение оценивать существующие модели и создавать новые необходимо разработчику, если он считает себя специалистом и хочет создавать современную технику. В данной статье мы рассмотрим, как с помощью программы PSPICE A/D протестировать существующую модель IGBT-транзистора и разработать свою. Схема проверки модели транзистора IGBT приведена на рис. 1. Для тестирования мы воспользуемся методикой, описанной в предыдущей статье. Подавая на затвор постоянный ток от источника тока I1, мы получим график, связывающий заряд затвора и напряжение на затворе, необходимый для оценки «полевой» части транзистора IGBT, определяющей характеристики его управления. 
Кстати, после генерации текстового входного файла (PSPICE/Create Netlist) не забудьте включить в него команду .IC V(G)=0, задающую начальные условия. Иначе включение транзистора может начаться не с нулевого напряжения на затворе. Для тестирования режимов включения и выключения на затвор подаются прямоугольные импульсы от источника VIN. Нормированный ток коллектора и напряжение на коллекторе задаются с помощью источника постоянного напряжения Vcc и резистора нагрузки RL. Для тестирования мы взяли (совершенно произвольно) имеющуюся в библиотеке модель транзистора IRGPC50F. На полученный график заряда затвора (рис. 2) нанесена соответствующая эпюра, взятая из технических характеристик транзистора. Обратите внимание, что после горизонтального участка (образующегося из-за обратной связи через емкость Миллера) графики расходятся, что может привести в дальнейшем к ошибкам при моделировании. Это еще раз подтверждает необходимость тщательной проверки каждой используемой модели. 
Для определения зависимости напряжения насыщения от тока мы заменим источник питания с фиксированным напряжением Vcc на источник пилообразного напряжения, обозначенный на схеме Vsaw. Его напряжение изменяется таким образом, чтобы ток коллектора, нарастал от минимального до максимального значения (Ic = 100 A при V2 = 500 В при RL = 5). Поскольку график Uce(on) = f (Ic) дается для тока коллектора в диапазоне примерно от 0 до 100 А, время нарастания напряжения на коллекторе выбрано 100 мкс (TR = 100u). При этом временная горизонтальная ось численно будет совпадать со значением тока коллектора. Полученный график приведен на рис. 3. Мы не стали совмещать эту эпюру с реальной, так как совпадение оказалось практически полным. 
Для определения динамических свойств транзистора — времени задержки нарастания/спада (td(on)/td(off)) и времени нарастания/спада (tr/tf) ко входу тестируемого транзистора подключается источник импульсов. При этом очень важно, чтобы уровень напряжения на затворе, напряжения на коллекторе и тока нагрузки в схеме проверки совпадали с соответствующими справочными значениями. На рис. 4 приведены эпюры включения и выключения транзистора, а численные значения сведены в таблицу. 
Таблица Параметр | td(on), нс | tr, нс | td(off), нс | tf, нс | Справочные данные | 31 | 25 | 240#350 | 130–190 | Результаты моделирования | 50 | 40 | 120 | 400 |
Далее мы рассмотрим, как самостоятельно создать недостающую модель IGBT-транзистора. Появление достоверных макромоделей MOSFET-транзисторов сделало эту задачу достаточно простой. Структурно IGBT (Insulated Gate Bipolar Transistor) представляет собой мощный высоковольтный транзистор PNP (Q1), управляемый от низковольтного MOSFET (M1) с индуцированным каналом через высоковольтный N-канальный полевой транзистор. На эквивалентной схеме, приведенной на рис. 1, N-канальный транзистор отсутствует, так как его характеристики практически не влияют на параметры IGBT. Параметры IGBT-транзисторов в основном определяются именно характеристиками «полевой части». Скорость включения и выключения, заряд затвора, динамические емкости и входные токи — это свойства MOSFET-транзистора. «Биполярная часть» IGBT влияет в основном на напряжение насыщения и скорость нарастания и спада выходного тока. Методику разработки математической модели IGBT рассмотрим на примере транзистора IRG4PC40F фирмы IR. Напряжение питания Vcc = 480 В — это напряжение коллектора, при котором нормируются характеристики транзистора. Резистор нагрузки RL = 17 Ом устанавливает нормированный ток коллектора, равный 27 А. - Из библиотеки моделей MOSFET выбирается транзистор, характеристики заряда затвора которого наиболее точно соответствуют аналогичным характеристикам IGBT. Таким транзистором является протестированный в предыдущей статье IRF640.
- В описании модели IRF640 необходимо исключить диод D1.
- Большинство характеристик биполярного транзистора, принятых в PSPICE по умолчанию, подходят для данной модели. Для настройки нам понадобятся следующие параметры:
- ISE — обратный ток эмиттерного перехода (влияет на напряжение насыщения;
- RC — объемное сопротивление коллектора (влияет на напряжение насыщения);
- TRC1 — температурный коэффициент RC;
- TF — время переноса заряда (влияет на скорость включения/выключения).
- Настраивается напряжение насыщения Vсе(on). Для этого можно варьировать величину сопротивления R2, но в этом случае невозможно смоделировать температурную зависимость напряжения насыщения. Поэтому R2 примем равным 0,01 Ом, а изменение напряжения насыщения от тока коллектора зададим с помощью резистора RC. На рис. 5 приведены графики зависимости напряжения насыщения от тока коллектора испытуемого транзистора (ток изменяется от 1 до 50 А за 50 мкс по оси Х) при трех значениях резистора RС — 0,05, 0,1 и 0,15 Ом. При RС = 0,1 Ом, напряжение насыщения соответствует справочной величине 1,7 В.

- На рис. 6 приведены те же зависимости, но при двух температурах кристалла — 25 и 150 °С. Эти кривые приближаются к справочным с помощью коэффициента TRC1. В нашем случае он имеет значение 0,002.

- При заданном значении резистора R1 (мы приняли его равным 100 Ом) подбирается параметр TF по времени выключения транзистора (TF — Fall Time).
На рис. 7 приведены эпюры выключения при трех значениях параметра TF — 100p, 2n и 5n. Справочному значению 230 нс соответствует TF = 2n. 
Таким образом, вы можете видеть, что модель, созданная «собственными руками», может иметь бoльшую степень приближения к реальности, чем библиотечная модель. Описание макромодели транзистора IRGPC40F будет выглядеть следующим образом: * COLLECTOR* ЅGATE* ЅЅEMITTER* ЅЅЅ.subckt IRGPC40F 1 2 3XМ1 5 2 6 IRF640R1 1 4 100R2 5 4 10mQ1 6 4 1 BTLE 3 6 13n.ends.MODEL BT PNP(ISE=1p RC=0.1 TRC1=0.002 TF=2N) |
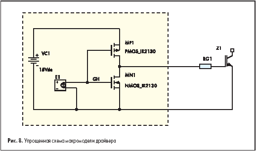
Как видно из графиков и таблицы, по ряду параметров характеристики стандартной модели транзистора IRGPC50F имеют серьезные расхождения со значениями, приведенными в технических данных. Очевидно, если протестировать какую-нибудь другую модель, несоответствия также будут иметь место. Однако это, конечно, не является препятствием для того, чтобы использовать данную модель при разработке схемы. Разработчик должен представлять себе, к чему могут привести отклонения по определенным параметрам. Ответственность за последствия в любом случае будет лежать на разработчике, как это было всегда. Соответственно, он и должен принимать решение. В любом случае разработку импульсного силового каскада надо начинать с теплового расчета. Применение программ схемотехнического моделирования для такого расчета крайне нежелательно. Конечно, есть соблазн вывести на экран среднеквадратичное значение произведения тока и напряжения и получить таким образом суммарные потери каскада. Однако точность такого метода всегда будет гораздо ниже, чем при нормальных вычислениях. Методика теплового расчета достаточно хорошо изложена в технической литературе [1]. А схемотехническое моделирование предназначено для решения схемных проблем, и применять его надо по назначению, о чем мы и поговорим далее. Очень интересным объектом для моделирования является проверка «совместимости» стандартного драйвера MOSFET/IGBT и силового транзистора. Мы знаем, что, например, драйвер трехфазного моста IR2130 может без проблем управлять транзисторами с током коллектора 10–15 А. А что будет, если попробовать подключить его к более мощным модулям, хватит ли его выходного тока для коммутации заряда затвора, закончатся ли переходные процессы за время задержки переключения tdt, равного для данной микросхемы 2,5 мкс? Для ответа на этот вопрос нам придется создать макромодель драйвера IR2130, точнее одного его каскада. При этом все сервисные и защитные функции мы опустим, так как любое неоправданное усложнение модели приводит только к увеличению времени расчета и, в худшем случае, может вызвать несходимость (convergence problem) при расчете рабочей точки. Для достаточно точного отображения работы драйвера в силовом каскаде нам понадобятся, прежде всего, входные и выходные параметры драйвера: уровни управления и выходные токи. На рис. 8 приведена упрощенная схема макромодели драйвера и управляемый транзистор. Вход драйвера — ИНУН (источник напряжения, управляемый напряжением), обозначаемый в библиотеках OrCad буквой E. 
Использование управляемого источника на входе позволит подключать данный каскад драйвера к транзистору в любом плече моста. При этом управление может осуществляться логическим сигналом, привязанным к цепи общего провода. Таким образом реализуется «гальваническая изоляция» (или высоковольтное смещение, как в IR2130) верхнего плеча схемы. Кроме того, мы используем возможность задания ИНУН в табличной форме, что позволит отобразить уровни входных логических сигналов. Для этого в свойствах элемента Е1 (Options/Part Properties) в строке GAIN необходимо записать: 
При такой записи для входных сигналов в цепи с именем IN устанавливается уровень логического нуля — 0,8 В и уровень единицы — 2,2 В (справочные данные на IR2130). Между этими точками осуществляется линейная интерполяция. Для входных сигналов с уровнем, большим 2,2 В, на затворах пары полевых транзисторов MN1, MP1 установится напряжение 15 В. Это необходимо для точного задания выходных токов драйвера. Далее необходимо разработать символы и математические модели двух транзисторов MOSFET — n-канального и р-канального. В нашей схеме они называются NMOS_IR2130 и PMOS_IR2130. Для этого нужно запустить программу PSpice Model Editor, входящую в пакет OrCad, открыть библиотеку MOSFET транзисторов pwrmos.lib и создать две новых модели, сохранив их под теми же именами, что и у символов элементов. При разработке модели полевых транзисторов для выходного каскада драйвера требуется только указать тип канала и в режиме Transfer Curve задать соответствующий ток стока Id при напряжении на затворе Vgs = 15 B. У драйвера IR2130 ток стока должен быть 0,4 А для n-канального транзистора и 0,2 А — для р-канального. Для питания драйвера применен «плавающий» источник напряжения VC1. Учтите также, что в нашей схеме драйвер получается инвертирующим, как и IR2130. По указанной методике вы можете разработать макромодель любого драйвера, установив уровни входных сигналов и выходные токи в соответствии с техническими характеристиками. Если сделать источник питания драйвера двуполярным, то можно запирать транзистор отрицательным сигналом, как это делается в ряде стандартных микросхем управления. Изготовив драйвер, мы можем моделировать силовой каскад. Пусть это будет полумост с индуктивной нагрузкой. В качестве силовых транзисторов полумоста используем IGBT фирмы EUPEC — BSM100GB100D, имеющиеся в библиотеке igbt.olb OrCad. Эти транзисторы имеют полный заряд затвора Qg = 1100 нКл. Средний ток коллектора для них составляет 100 А при 80 °С. В качестве антипараллельных диодов можно взять, например, HFA25PB120 из библиотеки diode.olb. На входы драйверов от двух источников импульсного сигнала подаются прямоугольные импульсы с постоянным коэффициентом заполнения — в нашем случае D = 0,1. Импульсы источников необходимо сместить друг относительно друга так, чтобы транзисторы открывались в противофазе и время задержки переключения составляло 2,5 мкс, что соответствует времени tdt для IR2130. Резисторы затвора RG установлены равными 5 Ом (рекомендуемое значение для данного типа транзисторов). При этом токи затвора будут ограничиваться не резистором затвора, а выходным сопротивлением драйвера. Напомним, что ток включения/выключения для IR2130 составляет 0,2/0,4 А. Кстати, если при расчете возникнут проблемы сходимости и программа сообщит: ERROR — Convergence problem in transient bias point calculation, можно уменьшить точность расчета. Делается это в меню Options команды PSpice/Edit Simulation Profile. Результаты моделирования приведены на рис. 9. Обратите внимание на напряжение на затворах транзисторов. 
Несмотря на то что входные сигналы драйверов — идеальные прямоугольные импульсы, на эпюрах видны всплески напряжения, вызванные паразитной обратной связью через емкость Cgc. Из-за недостаточного тока выключения n-канальный транзистор драйвера не в состоянии подавить наведенное напряжение. В результате этого в полумосте возникает сквозной ток, достигающий почти 100 А (верхняя эпюра). При этом транзистор может оказаться в линейном режиме. В реальной схеме результатом неизбежно будет отказ элемента, вызванный огромными локальными перегрузками. Проблема решается применением более мощного драйвера, имеющего отрицательное напряжение запирания. Примером может служить драйвер с оптической развязкой HCPL316 производства Agilent Technologies. Эта микросхема имеет максимальный выходной ток 2,5 А и допускает размах выходного напряжения до 30 В. При этом питание выходного каскада драйвера и, соответственно, напряжение управления затвором может быть двуполярным. На рис. 10 приведена схема драйвера, аналогичная схеме на рис. 8, но с отрицательным напряжением выключения транзистора, которое формируется дополнительным источником VC2 = 5 B. Кроме того, при создании моделей MOSFET-транзисторов для этого драйвера мы установили ток стока обоих транзисторов Id = 2,5 А при Vgs = 20 В. 
На рис. 11 приведены эпюры, аналогичные рис. 9, за исключением верхнего графика, на котором вместо сквозного тока (которого теперь нет) показан выходной ток драйвера. 
Напряжение источника отрицательного напряжения VC2 установлено равным 5 В. При этом, несмотря на то, что драйвер обеспечивает ток включения/выключения более 2 А (верхний график), на затворе все равно наводится напряжение, повышающее напряжение управления на 5 В (нижний график). В данном случае это оказывается безопасным, так как результирующий сигнал не превышает нулевого уровня, что также видно на нижней эпюре. Увеличив напряжение источника VC2, можно сделать режим переключения еще более безопасным, хотя в большинстве реальных схем именно напряжение запирания минус 5 В считается оптимальным значением. Мы рассмотрели простейший случай работы полумостового каскада с фиксированной скважностью. Задачу можно сделать намного интереснее, создав макромодель ШИМ-модулятора и выполнив усилитель трехфазным. С развитием цифровой техники для аналоговых схем в современных электронных устройствах остается все меньше места. И это нормальный процесс, отражающий общие тенденции развития электроники. Казалось бы, что при таком положении дел скоро станет не нужным и схемотехническое моделирование. Однако это совсем не так. Мы рассмотрели только два из множества полезных применений программы PSPICE — моделирование следящей системы и силового импульсного каскада — неотъемлемой части любого современного привода, управляемого контроллером. Таких примеров можно привести множество. Это моделирование выходных каскадов вторичных источников электропитания — конверторов AC-DC и DC-DC, силовых каскадов сварочных аппаратов, источников бесперебойного питания и многое другое. Так что с уверенностью можно сказать, что моделирование не исчезает, а переходит на новый, более высокий и при этом интересный уровень. Этотребует от разработчика более высокой квалификации, но при этом дает возможность очень достоверно проанализировать работу сложных схем, макетирование которых требует несоизмеримо больших сил и средств. Литература - А. И. Колпаков. Особенности теплового расчета импульсных силовых каскадов //Компоненты и технологии. 2002. No 1.
- Jonathan Adams. Bootstrap Component Selection For Control IC's. IR DT 98-2.
- В. Д. Разевиг. «OrCAD 9.2». М. СОЛОН-Р. 2001.
- P. W. Tuinenga. «SPICE — a guide to circuit simulation and analysis using PSPICE». Prentice Hall. 1988.
- S. Malouyans. Компьютерные модели SPICE для силовых МОП ПТ. Силовые полупроводниковые приборы. International Rectifier. 1995.
Андрей Колпаков |