Разработка серии силовых электронных преобразователей для регулируемых электроприводов на современной элементной базеВ статье рассмотрен опыт создания серии силовых электронных преобразователей на базе функционально законченных модулей, разработанных с использованием современнй элементной базы, в первую очередь интеллектуальных силовых модулей и однокристальных микро-ЭВМ, предназначенных для управления двигателями. Даны функциональные электрические схемы разработанных модулей и компоновки из них преобразователей для регулирумых асинхронных, вентильных и вентильно-индукторных электроприводов для питания их от сетей со стандартными или нестандартными параметрами. Регулируемый электропривод проникает практически во все технологии, которые не обходятся без преобразования электрической энергии в механическую. Этому способствуют достижения ведущих электротехнических корпораций мира, поставляющих на рынок электронные компоненты, функционально подготовленные для управляемого электропривода — как для непосредственного преобразования электрической энергии, так и для управления этим процессом. К ним относятся, прежде всего, силовые интеллектуальные модули на основе биполярных транзисторов с изолированным затвором IGBT и однокристальные микро-ЭВМ типаMotor Control для управления двигателями. Применение этих компонентов позволяет значительно углубить унификацию функционально законченных модулей, входящих в систему регулируемого электропривода, и накладывает свою специфику на разработку структур электронных силовых преобразователей с цифровым управлением. Наиболее широкое распространение в мировой практике получили силовые преобразователи с промежуточным звеном постоянного тока и трехфазным инвертором, для них в первую очередь освоено массовое производство гаммы компонентов для цифрового управления электроприводом. В настоящей статье изложен опыт разработки подобных структур, нашедших применение в опытном и серийном производстве регулируемых электроприводов с асинхронными и вентильно-индукторными двигателями для механизмов различного назначения [1]. Под руководством автора статьи выполнена разработка, ОКР и освоено производство гаммы силовых промышленных преобразователей для двигателей мощностью от 0,55 до 250 кВт, предназначенных для питания от промышленной сети, а также специальных преобразователей: транспортного, морского и др. назначения с питанием от сети с нестандартными параметрами для регулируемых асинхронных, синхронных (вентильных) и вентильно-индукторных приводов для двигателей мощностью от 0,55 до 32,5 кВт. На рис. 1 приведена обобщенная структура разработанных электроприводов. 
В ее состав входят функционально законченные модули, имеющие унифицированный силовой и информационный вход-выход, дающие возможность компоновать преобразователь нужного типа и мощности с изменением параметров силовых элементов и при необходимости программного обеспечения. Как видно из схемы, привод состоит из выпрямителя, преобразователя постоянного тока, инвертора или коммутатора, микроконтроллера, модуля дискретного ввода-вывода, пульта управления, датчиков и источника вторичного питания. Все модули, входящие в обобщенную структуру, разработаны и освоены в производстве. Нумерацией межмодульных связей обозначены возможные комбинации компоновки (структуры) преобразователя, из которых следует возможное отсутствие тех или иных модулей силового преобразователя и датчиков.В управляющей части неизменно должны присутствовать микроконтроллер и источник питания, а модуль дискретного ввода-вывода и пульт могут не использоваться. Не вдаваясь в специфику, функционально законченными модулями для силового канала электропривода являются [2]: - электромеханический преобразователь (электродвигатель);
- преобразователь постоянного тока в переменный (инвертор);
- преобразователь постоянного тока в пульсирующий (коммутатор);
- преобразователь постоянного тока в постоянный;
- преобразователь переменного тока в постоянный (выпрямитель).
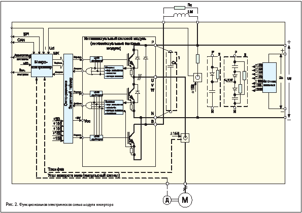
Источник электрической энергии может быть как переменного, так и постоянного тока. При источнике переменного тока для создания промежуточного звена постоянного тока используется выпрямитель. На практике, кроме сети переменного тока со стандартными параметрами — трехфазное напряжение 380 В, 50 Гц или, для маломощных электроприводов, — однофазное напряжение 220 В, 50 Гц, в нестационарном оборудовании встречаются автономные сети с другими параметрами — трехфазное переменное напряжение 220 В, 400 Гц или 50 Гц, напряжение 110 или 220 В постоянного тока. Причем автономные источники отличаются, как правило, существенной нестабильностью напряжения, разброс которого состовляет от –50% до +40%, а также наличием значительных импульсных перенапряжений. Данной разработкой охвачены следующие типы электродвигателей: асинхронный, вентильный с возбуждением от постоянных магнитов, вентильно-индукторный с независимым электромагнитным возбуждением, вентильно-индукторный с самоподмагничиванием. Для трехфазных асинхронных и вентильных двигателей применим один тип инвертора, для трехфазных вентильно-индукторных с независимым возбуждением в типовой инвертор добавляется цепь питания обмотки возбуждения, наконец, для вентильно-индукторных с самоподмагничиванием применяется коммутатор, схема которого отличается от инвертора. В ряде электроприводов применяются преобразователи постоянного тока, назначение которых различно. Применение этих преобразователей и их тип могут быть обусловлены как нестабильным или несогласованным по величине с параметрами двигателя напряжением сети, так и особыми требованиями к статическим и динамическим характеристикам электропривода. Типовым модулем для всех электроприводов с трехфазным двигателем переменного тока является инвертор. Функциональная электрическая схема инвертора дана на рис. 2. 
Инвертор предназначен для преобразования напряжения постоянного тока Ud в переменное напряжение в режиме ШИМ силовых ключей и питания трех фаз двигателя (выходы «U», «V», «W»). Он состоит из шести силовых IGBT-ключей c обратными диодами, собранными в «интеллектуальный» модуль или несколько модулей (Intelligent Power Module— IPM). При необходимости питания обмотки возбуждения двигателя LM или ограничения напряжения Ud на звене постоянного тока в генераторных режимах двигателя производится сброс энергии на резистор «слива» Rc, для чего используется седьмой ключ (выход «В») cо встречно включенным диодом (это простейшая схема преобразователя постоянного тока, которая может быть реализована и на отдельном IPM). В разработке используются IPM производства корпорации Mitsubishi Electric — лидера в этой области силовой электроники. В зависимости от тока и напряжения ключей модули могут состоять из одного ключа с обратным диодом (одиночные IPM, ток 400 А и более), двух ключей с обратными диодами (полумостовые IPM, ток от 75 до 600 А), шести ключей с обратными диодами (трехфазные мостовые IPM, ток до 300 А) или трехфазными мостовыми с седьмым ключом и встречно включенным диодом (IPM на ток до 100 А). На функциональную схему в целом тип используемого IPM не влияет. Отличительной чертой данных модулей является наличие встроенных цепей управления силовыми IGBT-ключами и их защиты, формирование ими сигналов о срабатывании защит. Разработанные для всей номенклатуры IPM платы сопряжения позволяют обеспечивать питание внутренних цепей управления IPM, гальванические развязки с микроконтроллером, вводить от микроконтроллера сигналы прямого управления ключами и передавать обратно сигналы о срабатывании защит, а также обеспечить возможность безаварийной автономной работы модуля в случае отказа микроконтроллера. Эти возможности отражены на схеме (рис. 2). Обязательным для модуля инвертора, кроме модуля IPM, является наличие цепей защиты ключей IGBT от коммутационных перенапряжений (снабберов), модуля микроконтроллера (МК), упомянутой выше платысопряжения IPM с МК, датчиков тока и напряжения звена постоянного тока и источника вторичного питания. Для трехфазных мостовых IPM достаточна установка одной емкости снаббера Cs (схема 1) на модуль, для полумостовых IPM применяется R-C-D снаббер (схема 2) на каждую полумостовую стойку, а для одиночных IPM применяется R-C-D снаббер (схема 3) на каждый ключ. (См. рис. 2). Усложнение снабберных цепей связано с увеличением индуктивности «монтажа» и производных тока при коммутации ключей по мере роста мощности преобразователя. Модули микроконтроллеров реализованы на следующих однокристальных микро-ЭВМ: Intel 196MH для энергосберегающих электроприводов с асинхронными двигателями, применяемых в системах водоснабжения зданий, поселков и городов; Texas Instruments семейства TMS320F240 — для универсальных и специальных электроприводов с трехфазными асинхронными и вентильными двигателями, с преобразователями постоянноготока или без них; Texas Instruments TMS320F2406 — для специальных электроприводов с асинхронными и многофазными вентильно-индукторными двигателями, преобразователями постоянного тока, активными выпрямителями. Тенденция развития модулей микроконтроллера в данной разработке ориентирована на применение новейших кристаллов Motor Control производства Texas Instruments. Минимально в модулях инвертора используется две внутренних обратных связи — по току id и напряжению ud на входе инвертора, поэтому нужно не менее двух датчиков. Для более сложных структур системы автоматического управления координатами электропривода используются обратные связи по токам фаз двигателя, а также обратная связь по положению ротора двигателя (сигнал по скорости вычисляется в МК). Для управления переменными технологического процесса используются внешние сигналы, поступающие по аналоговым входам МК, по дискретным входам через модуль ввода-вывода (порт SPI) или по последовательному порту CAN2B от внешних «интеллектуальных» устройств. Для вентильно-индукторных электроприводов (ВИП) с самоподмагничиванием питание фаз двигателя осуществляется однополярными импульсами тока, поэтому на выходе преобразователя применяется коммутатор, а не инвертор. Он обеспечивает подачу напряжения звена постоянного тока Ud поочередно на фазы двигателя по информации от датчика положения ротора и, при необходимости, ограничивает ток в режиме ШИР, поэтому коммутатор состоит из ряда одинаковых преобразователей постоянного тока, число которых равно числу фаз двигателя. 
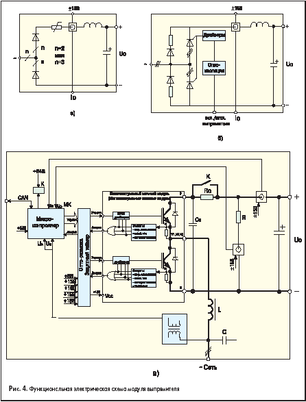
На рис. 3 приведена использованная в разработке функциональная электрическая схема универсального модуля коммутатора и преобразователя постоянного тока, которая представляет собой симметричный однофазный мост, состоящий из IPM. Несимметричный мост обеспечивает все возможные режимы коммутации фазы ВИП с самоподмагничиванием. Если в схеме универсального модуля, приведенной на рис. 3, между выводами «P» модулей PM1 и PM2 иметь перемычку (изображена пунктиром), то есть Ud=Uo, и управлять в этой схеме транзисторами только одной диагонали (T1, T4 или T2, T3)— при этом цепи управления неиспользуемой диагонали не подключаются к питанию и микроконтроллеру, то обеспечивается несимметричная мостовая схема, состоящая из двух IGBT-ключей в одной диагонали и двух быстровосстанавливающихся диодов в другой диагонали. На этом принципе разработан и выпущен ряд регулируемых электроприводов для 3-, 4-, 5- и 6-фазных ВИП на мощности от 1,1 до 32,5 кВт. Приведенная на рис. 3 схема полностью отвечает также и требованиям к схеме повышающе-понижающего двунаправленного преобразователя постоянного тока и в этом смысле является универсальной. Перемычка между выводами «P» модулей должна при этом отсутствовать, вместо фазы двигателя L подключается специальной конструкции высокочастотный дроссель, устанавливаются большей емкости по сравнению с коммутатором электролитические конденсаторы Co и Cd. Для передачи энергии слева направо используется несимметричный мост, управление ключами диагонали моста ведется раздельное: T1 работает в режиме ШИМ (Т4 разомкнут) при понижении напряжения, то есть когда Ud < Uo, или Т4 работает в режиме ШИМ (Т1 замкнут) при повышении напряжения, то есть когда Ud > Uo. Если исключить из схемы модуль PM2 и вывод 2 дросселя L подключить к «+» Ud, то обеспечивается схема понижающего преобразователя, а при исключении модуля PM1 и подключении вывода 1 дросселя L к «+» Uo обеспечивается схема повышающего преобразователя постоянного тока при том же направлении передачи энергии. Для обеспечения двунаправленной передачи энергии при ud < uo достаточно в схеме оставить только модуль PM1 и раздельно использовать оба его ключа — T1 для передачи энергии слева направо, T2 для передачи энергии справа налево. При Ud > Uo в схеме должен оставаться только модуль PM2, в котором также должны раздельно использоваться оба ключа — Т4 для передачи энергии слева направо, а Т3 для передачи энергии справа налево. Наконец, если нужен двунаправленный повышающе-понижающий преобразователь постоянного тока, то используются оба модуля PM1 и PM2 и все четыре ключа схемы. Разработан и выпущен ряд регулируемых электроприводов, в которых нашли применение однонаправленный и двунаправленный повышающий, а также однонаправленный повышающе-понижающий преобразователи постоянного тока мощностью от 1 до 55 кВт. Неполное использование IPM в коммутаторах и некоторых схемах преобразователей постоянного тока обусловлено не только стремлением к унификации модулей разработанных преобразователей, сохранению их «интеллектуальности», но и обосновано экономически. Интеллектуальные модули, состоящие из одного IGBT-ключа и встречно включенного диода не выпускаются, а выпускаемые некоторыми производителями обычные модули с такой схемой, хотя и стоят несколько дешевле полумостовых интеллектуальных модулей, но с учетом затрат на внешний драйвер, необходимый этим модулям, их использование не дает экономической выгоды. Модуль выпрямителя, который обязательно присутствует при питании привода от сети переменного тока, в разработке имеет три различных схемы, которые представлены на рис. 4. 
Первая из них — это неуправляемый диодный выпрямительный мост однофазный или трехфазный (рис. 4, а). Для ограничения тока заряда емкости фильтра на выходе моста служит термистор, сопротивление которого уменьшается в десятки раз при его нагреве. В модуле выпрямителя устанавливается датчик тока, сигнал с которого подается в микроконтроллер. Такой простейший выпрямитель применяется в данной разработке для электроприводов мощностью до 7,5 кВт включительно. При больших мощностях применяется трехфазный тиристорный выпрямитель (рис. 4, б), который во включенном режиме работает с минимальным углом регулирования, то есть практически как диодный выпрямитель. Включение тиристорного нерегулируемого выпрямителя производится микроконтроллером, после того как произойдет заряд емкости фильтра на выходе выпрямителя через обходной маломощный диодный мост, в плечи которого включены токоограничивающие резисторы. Информация о напряжении заряда поступает в микроконтроллер от датчика напряжения Uo, который устанавливается на входе преобразователя постоянного тока, если такой имеется в схеме, или используется сигнал о напряжении Ud, если Uo = Ud. Для электроприводов с четырехквадрантными характеристиками или значительной рекуперацией энергии при жестких требованиях к качеству этой энергии необходимо использовать активный выпрямитель [3], схема которого дана на рис. 4, в. Данный модуль, за некоторыми отличиями в схеме, является аналогом модуля трехфазного инвертора. В режиме рекуперации энергии в сеть он и работает практически как инвертор, а в режиме потребления энергии из сети — как три согласованно управляемых двунаправленных повышающих преобразователя постоянного тока. Отсюда и необходимость высокочастотных LC-фильтров на вводе сетевого напряжения в модуль. Для обеспечения требуемого уровня напряжения на стороне постоянного тока используется датчик напряжения Uo, а для управления потоком энергии из сети в цепь постоянного тока или обратно используется датчик тока Io. Наконец, для ограничения тока заряда емкости фильтра через обратный мост активного выпрямителя при подключении его к сети используется ограничивающий резистор, который после заряда емкости закорачивается контактом К по команде микроконтроллера. Управление данным модулем требует достаточно больших вычислительных мощностей, поэтому он компонуется с отдельным модулем микроконтроллера на базе TMS320F241, как и трехфазный инвертор. В перспективе планируется использовать один модуль микроконтроллера на инвертор (коммутатор) и активный выпрямитель на базе TMS320LF2407. Активный выпрямитель в представленной разработке пока не получил промышленной реализации, он находится в стадии отработки программного обеспечения на опытном образце. Построение различных структур преобразователей из унифицированных модулей можно рассмотреть с помощью рис. 1. В электроприводе широкого применения силовой канал преобразователя состоит из модуля неуправляемого выпрямителя и модуля инвертора или коммутатора (структура 1). В случае кратковременных генераторных режимов двигателя данная структура дополняется цепью «слива» (структура 1+2). При значительной рекуперации энергии, а также для динамичных четырехквадрантных электроприводов требуется применение модуля активного выпрямителя (структура 3). При недостаточном для двигателя или нестабильном напряжении сети переменного тока, а также при необходимости регулирования напряжения питания инвертора (коммутатора) в силовой канал включается однонаправленный повышающий или повышающе-понижающий преобразователь постоянного тока (структура 4). Если в этой структуре есть генераторные режимы, то дополнительно вводится «слив» (структура 4+2) или используется активный выпрямитель (структура 5). При питании привода от сети постоянного тока для регулирования или стабилизации напряжения на входе инвертора (коммутатора) используется однонаправленный преобразователь постоянного тока (структура 6), при возможности генераторных режимов данная структура дополняется «сливом» (структура 6+2), а при необходимости рекуперации энергии в сеть вводится двунаправленный преобразователь постоянного тока (структура 7). Наконец, если запас напряжения сети постоянного тока достаточен для управления инвертором (коммутатором), то преобразователь постоянного тока не применяется (структура 8). Выполненная разработка силовых электронных преобразователей для регулируемых электроприводов с цифровым управлением, а также разработка необходимых для них модулей с унифицированным силовым и информационным входом-выходом позволили в течение нескольких лет спроектировать и освоить в производстве около 30 типов современных преобразователей для двигателей мощностью от 0,55 до 250 кВт при общем объеме выпуска около 150 штук в год [1]. При сравнительно небольшой серийности каждого типа преобразователя выпуск такой обширной номенклатуры сложной, наукоемкой техники без четкого структурирования и глубокой унификации был бы невозможен. Литература - Остриров В. Н. Энергосберегающий комплектный электропривод производства ИБП РАН // Приборы. 2002. No 8.
- N. Mohan, T. Underland, W. Robbins. Power electronics: Converters, Applications, and Design. Second edition. John Wiley & Sons. Canada.
- Шрейнер Р. Т., Ефимов А. А. Активный фильтр как новый элемент энергосберегающих систем электропривода // Электричество. 2000. No 3.
Вадим Остриров, к.т.н. |