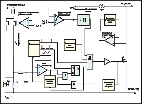
LinkSwitch - микросхемы для построения обратноходовых преобразователей малой мощностиДолгое время не занятая импульсниками ниша наконец-то занята сетевыми изолированными источниками питания малой мощности 2-4 Вт. LinkSwitch - так назвали новую серию микросхем для построения обратноходовых преобразователей малой мощности. На их основе можно строить изолированные источники питания для применения в проводных и беспроводных телефонах, проигрывателях CD, MP3, игрушках, в бытовой аппартуре в качестве питания дежурного режима, в зарядных устройствах и везде, где требуется отобрать от сети небольшую мощность. Давайте поближе познакомимся с одной из микросхем этого семейства — LNK501. Это изделие содержит в себе силовой ключ — 700-вольтовый транзистор POWER MOSFET, компаратор ограничения тока, схему отключения при перегреве, схему мягкого запуска, усилитель ошибки, генератор, ШИМ-компаратор. Упакована LNK501 в 7-ножечные корпуса стандартного размера: DIP-8B (вариант Р) и SMD-8B (вариант G), у которых отсутствует одна ножка (рис. 1). 
Микросхема позволяет строить недорогие преобразователи из очень малого количества компонентов, причем плата преобразователя по размерам получается меньше, чем трансформатор соответствующей мощности на 50 Гц. И намного легче. Встроенные системы мягкого запуска, авторестарта, защиты от перегрузки и перегрева уменьшают число навесных компонентов, удешевляя схему, упрощая монтаж и увеличивая надежность системы. Рабочая частота микросхемы — 42 кГц. При такой частоте упрощается фильтрация электромагнитных помех на входе и выходе. Кроме того, изолирующий трансформатор совсем маленький по сравнению с 50-герцовым. С помощью LNK501 можно строить преобразователи не только на фиксированное входное напряжение, но и универсальные (85–265 В), что немаловажно для сельской местности. К особенностям этой микросхемы можно отнести такой интересный факт, как эксплуатация без обратной связи со стороны низкого напряжения. То есть, когда не нужна высокая стабильность выходного напряжения, можно упростить схему, воспользовавшись встроенной обратной связью. Нестабильность выхода увеличивается при этом до ±10%. Если же нужна большая стабильность, в схему придется ввести оптопару. Для работы с этими микросхемами подбираются трансформаторы стандартной конструкции, наиболее подходящие для работы в таких условиях. Микросхема соответствует стандартам EсоSmart, Energy Star, Blue Angel и рекомендациям ЕС. При отсутствии нагрузки и напряжении в сети 265 В она потребляет менее 300 мВт. Микросхема не нуждается во внешнем токовом сенсоре для контроля тока. Назначение выводов D (сток) — вывод соединен со стоком мощного MOSFET-транзистора, по нему подводится питание ко всей схеме управления (рис. 2). Вывод имеет соединение с внутренней схемой ограничения тока. 
С (управление) — вход усилителя ошибки, схемы обратной связи по току (регулировка рабочего цикла) и управление схемой ограничения тока. Встроенный параллельный регулятор подключен к внутреннему источнику тока в нормальном состоянии. Вход также используется для подключения сглаживающего конденсатора и конденсатора компенсации и авторестарта. S (исток) является выходом мощного ключа для подключения нагрузки и выводом схемы управления первичной обмоткой. Описание работы Включение питания Типовая схема включения без контроля вторичной цепи показана на рис. 1. В течение процесса подачи напряжения конденсатор С1, включенный между выводами С и S, заряжается сквозным током от входа D через внутренний источник тока. Когда напряжение на выводе С достигает значения 5,6 В относительно вывода S, ток прекращается, внутренняя управляющая схема активизируется и внутренний высоковольтный транзистор MOSFET начинает коммутировать первичную обмотку. В этот момент заряд на С1 используется для питания управляющих цепей микросхемы. Поддержание заданного тока Форма выходного напряжения повторяет наклон кривой напряжения, приложенного к первичной обмотке трансформатора. Ток IС на выводе С нарастает. Когда значение IС сравняется с IDCT, внутренняя схема ограничивает нарастание IС по достижению порога ILIM (рис. 2). Внутренняя схема обеспечивает V-образную форму IС для поддержания нормального питания во время просадок напряжения. Поддержание заданного напряжения Когда IС превышает значение IDCS (рис. 3), уменьшается скважность импульсов. Так как значение IС зависит от напряжения питания, рабочий цикл ограничивается в зависимости от пикового тока, устанавливаемого внутренней цепочкой управления ключом (та самая микросхема LinkSwitch). 
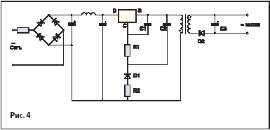
В зависимости от положения рабочей точки на графиках рис. 3 микросхема работает либо в режиме поддержания напряжения, либо поддержания тока. При минимуме входного напряжения (в случае использования микросхемы в блоке питания с универсальным входом) этот переход происходит приблизительно при 30% скважности. Когда скважность будет менее 4%, уменьшается частота переключений, чтобы снизить потребление энергии. Резистор R1 (рис. 4) с самого начала выбирается в зависимости от значения IС приблизительно равным IDCT, когда VOUT принимает желаемые значения при минимуме входного напряжения. Окончательный выбор R1 производится, когда будет закончена разработка схемы. 
Режим авторестарта При возникновении каких-либо отклонений в работе, например, короткое замыкание или обрыв нагрузки, прекращается ток на выводе С. Конденсатор С1 разряжается до 4,7 В. При этом активируется схема авторестарта, которая закрывает транзистор MOSFET и переводит управляющую схему в режим низкого потребления мощности. В режиме авторестарта микросхема периодически запускается, но переходит в нормальный режим только после устранения неисправности. Приведенная на рис. 6 характеристика описывает все состояния микросхемы, включенной без обратной связи со стороны низкого напряжения через оптопару. 
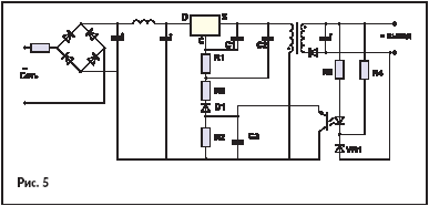
На регулировку выходного напряжения влияет напряжение на конденсаторе С2, которое, в свою очередь, зависит от ЭДС самоиндукции первичной обмотки трансформатора. Резистор R2 и конденсатор С2 образуют фильтр, на котором выделяется напряжение ошибки. Если возникает необходимость более жесткого допуска выходного напряжения, необходимо завести обратную связь со стороны низкого напряжения через оптопару. Такая обратная связь обеспечивает микросхемам LinkSwitch лучшие характеристики. На рис. 5 показана типовая схема включения с оптроном обратной связи. 
На стороне первичной обмотки добавлены элементы R3, C3 и транзистор оптрона. Светодиод оптрона включен на стороне вторичной обмотки вместе с элементами R5, R4, VR1. Глядя на схему, нетрудно понять, как работает эта обратная связь. Резистор R4 задает рабочий ток VR1. Резистор R5 ограничивает сквозной ток через светодиод оптрона и VR1. Как только напряжение на стороне вторичной обмотки превышает порог открытия светодиода и стабилитрона, засвеченный фототранзистор открывается и шунтирует резистор R3, увеличивая напряжение на конденсаторе C2. Изменение напряжения на конденсаторе С2 вызывает уменьшение скважности импульсов, подаваемых на мощный ключ, и, как следствие, уменьшение напряжения на стороне вторичной обмотки. Выходная характеристика микросхемы показана на рис. 6. За более подробной информацией обращайтесь на сайт www.powerint.com. Юрий Ермаков |