Недорогой счетчик электроэнергии
на микросхеме AD7755
В этой статье описан недорогой высокоточный счетчик электроэнергии на базе ИС AD7755. Счетчик предназначен для использования в однофазной двухпроводной сети. Тем не менее, данная разработка может быть без труда адаптирована в соответствии с местными требованиями; например, для однофазной трехпроводной сети
Введение
ИС AD7755 представляет собой недорогую микросхему, предназначенную для измерения потребления электрической энергии. ИС AD7755 содержит два АЦП, источник опорного напряжения и все средства обработки сигналов, необходимые для подсчета активной мощности. Микросхема AD7755 также обладает возможностью прямого управления электромеханическим счетчиком (то есть регистратором потребленной электроэнергии), а также имеет высокочастотный импульсный выход для калибровки и подключения к другим устройствам.
Наряду с настоящей статьей необходимо пользоваться описанием технических характеристик (data sheet) на ИС AD7755. Описание технических характеристик содержит детальную информацию о работе и возможностях микросхемы AD7755, и в статье мы будем на него ссылаться.
Цели разработки
В качестве предварительной спецификации для данной разработки был использован Международный стандарт IEC1036 (1996-09)—Счетчики электроэнергии переменного тока для активной мощности (Класса 1 и 2).
Рассматриваемый счетчик по многим показателям точности в значительной степени перекрывает основные требования стандарта, например, точность при единичном коэффициенте мощности и при низком (PF =±0,5) коэффициенте мощности. Кроме того, динамический диапазон данного устройства расширен до 500:1. Стандарт IEC1036 нормирует точность в диапазоне от 5%xI b до I max (см.табл.1). Типичные значения I max составляют от 400 до 600%от I b .
В таблице 1 приведены требования по точности для стационарного счетчика электроэнергии. Диапазон тока (динамический диапазон) по точности указан относительно базового тока I b .
Таблица 1.Требования по точности
Величина тока 1 |
Коэфф.мощн.2 |
Макс.допустимая погрешность 3 ,% |
Класс 1 |
Класс 2 |
0.05 Ib <I <0.1 Ib |
1 |
±1.5 |
±2.5 |
0.1 Ib <I <Imax |
1 |
±1.0 |
±2.0 |
0.1 Ib <I <0.2 Ib |
0.5 Lag |
±1.5 |
±2.5 |
0.8 Lead |
±1.5 |
0.2 Ib <I <Imax |
0.5 Lag |
±1.0 |
±2.0 |
0.8 Lead |
±1.0 |
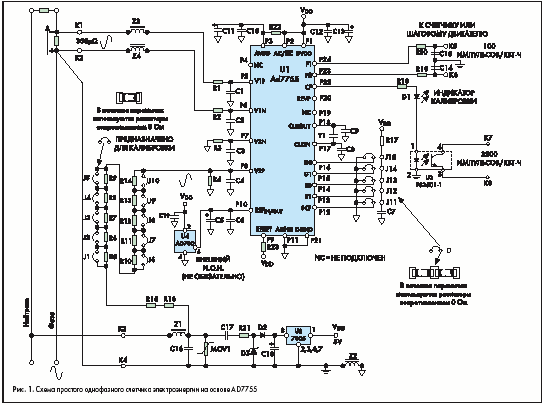
На рис.1 представлен вариант схемы простого недорогого счетчика электроэнергии на базе AD7755. Для преобразования тока в сигнал напряжения, необходимый для работы ИС AD7755, используется шунт; сигнал напряжения снимается с обычного делителя напряжения. В качестве регистратора электроэнергии (кВт ·ч) используется простой электромеханический счетчик, в котором применен двухфазный шаговый двигатель. Микросхема AD7755 может управлять подобным типом счетчиков напрямую. ИС AD7755 также имеет высокочастотный выход CF с постоянной счетчика 3200 импульсов/кВт. Выход CF подключен к светодиоду изолирующего оптрона. Этот высокочастотный выход используется для проведения ускоренной калибровки и обеспечивает возможность быстрой проверки работоспособности и точности устройства в промышленных условиях. Прибор калибруется путем изменения степени ослабления сигнала цепочкой резисторов R5-R14.

1Диапазоны допустимых токов, для которых нормируется погрешность, указаны относительно базового тока (I b ). Базовый ток определен в стандарте IEC1036 (1996-09), раздел 3.5.1.1, как величина тока, при которой определяются номинальные параметры системы. I max представляет собой максимальный ток, при котором обеспечивается необходимая точность.
2Коэффициент мощности (PF)определяется сдвигом по фазе между напряжением в сети (частотой 45 –65 Гц) и током. Коэффициент мощности может быть определен как F =cos (&Q), где . представляет собой фазовый угол между напряжением и током в случае чистой синусоиды.
3Номер класса определяется в стандарте IEC1036 (1996-09), раздел 3.5.5, размерами допустимой погрешности. Погрешность в процентах определяется формулой:

ИС AD7755 выдает на выходе сигнал с частотой, которая пропорциональна усредненной во времени величине произведения двух входных сигналов. Входные сигналы напряжения подаются на входы V1 и V2. Подробно работа микросхемы AD7755 рассмотрена в техническом описании (data sheet) на ИС AD7755 в разделе «Теоретические аспекты работы ИС AD7755 ». Также в этом техническом описании приведено уравнение, определяющее частоту на выходах F1 и F2 (выходах управления электромеханическим счетчиком) в зависимости от величины среднеквадратического значения сигнала на входах V1 и V2. Это уравнение (1) будет использоваться при определении параметров делителя на входе V2 и при калибровке счетчика.

Счетчик, показанный на рис.1, разработан для работы при напряжении сети, равном 220 В, и при максимальном токе I max , равном 40 А. Однако при правильном выборе параметров делителей на входах каналов V1 и V2 счетчик сможет работать при любом напряжении сети и любом максимальном токе.

Возможность выбора одного из четырех различных частотных режимов работы ИС AD7755 позволяет разработать однотипные счетчики (управляющие напрямую электромеханическим счетным устройством), рассчитанные на максимальный ток I max до 120 A. Выбранное значение базового тока (I b ) для этого счетчика составляет 5 A; диапазон тока, при котором обеспечивается заданная точность, составляет от 2%·I b до I max, что соответствует динамическому диапазону 400:1 (100 мА …40 А). Электромеханический счетчик (кВт ·ч) рассчитан на постоянную счетчика 100 импульсов/кВт ·ч, то есть каждому потребленному кВт ·ч соответствует 100 импульсов на выходе микросхемы AD7755. В стандарте IEC1036, раздел 4.2.11, описаны требования к электромагнитному счетчику: каждый разряд счетчика отображает десять цифр, в индикаторе имеется 5 разрядов, отображающих десятки тысяч, тысячи, сотни, десятки и единицы кВт ·ч, плюс один разряд, отображающий десятые доли киловатт-часа. Постоянная счетчика (для калибровки и тестирования) равна 3200 импульсов/кВт ·ч.
Источник опорного напряжения для AD7755
В схеме, показанной на рис.1, предполагается использование необязательного внешнего источника опорного напряжения. Внутренний ИОН в микросхеме AD7755 обладает температурным коэффициентом напряжения с типичным значением 30 ppm/°C. Однако это значение не гарантировано для ИС категории А, у которых оно может доходить до 80 ppm/°C. При значении температурного коэффициента напряжения 80 ppm/°C погрешность микросхемы AD7755 при температуре –20 … ++60 °C может достигать 0,65%, если калибровка была сделана при 25 °C.
Выбор шунта
Величина сопротивления шунта (350 мкОм) выбрана из соображения максимизации динамического диапазона канала V1 (токового канала). Однако существует несколько других важных аспектов при выборе шунта для счетчика электроэнергии. Первый: минимизация рассеиваемой мощности на шунте. Максимальный рабочий ток для данной конструкции составляет 40 А, следовательно, максимальная мощность, рассеиваемая на шунте, равна (40 А) 2·350 мкОм =560 мВт. Стандарт IEC1036 допускает значение максимальной рассеиваемой мощности до 2 Вт (включая энергию, потребляемую источником питания). Во-вторых, при большой рассеиваемой мощности могут возникнуть проблемы с отводом тепла. Хотя шунт изготовлен из манганина — сплава с низким температурным коэффициентом сопротивления — высокая температура все же может привести к значимой погрешности при большой потребляемой мощности. Третий аспект — возможность счетчика противостоять попыткам вмешаться в работу счетчика замыканием цепи фазы. При очень малой величине сопротивления шунта эффект внешнего закорачивания этого шунта будет минимальным. Следовательно, шунт всегда должен иметь наименьшее возможное сопротивление, но он должен обеспечивать достаточный диапазон сигнала на входе канала V1 (среднеквадратическое значение 0 … 20 мВ при коэффициенте усиления, равном 16). Если шунт будет иметь слишком низкое сопротивление, будет невозможно обеспечить требования по точности стандарта IEC1036 при небольших нагрузках. Величина сопротивления шунта 350 мкОм представляется приемлемым компромиссом для данной конструкции.
Вычесление параметров для данной конструкции
- Напряжение сети — 220 В.
- I max =40 А (Ib =5 А).
- Постоянная счетчика (выходы F1, F2)=100 импульсов/кВт ·ч.
- Постоянная счетчика (калибровочный выход)=3200 импульсов/кВт ·ч.
- Сопротивление шунта =350 мкОм.
- 100 импульсов/ч =100/3600 с =0,027777 Гц.
- Калибровка счетчика проводится при I b (5 А).
- Мощность при токе I b =5 А:220 В ·5 А =1,1 кВт.
- Частота на выходах F1 и F2 при токе I b =5 А:1,1 ·0,027777 Гц =0,0305555 Гц.
- Напряжение, снимаемое с шунта (V1) при токе I b :5 А ·350 мкОм =1,75 мВ.
Для того чтобы выбрать частоту F 1 –4 в уравнении 1, смотрите техническое описание ИС AD7755 (data sheet), раздел «Выбор частоты при проектировании счетчика электроэнергии ». По таблицам V и VI в техническом описании ИС AD7755 видно, что оптимальное значение частоты для счетчика при I MAX =40 А составляет 3,4 Гц (F 2 ). Выбор частоты осуществляется путем установления сигналов на логических входах S0 и S1 в соответствии с таблицей II в техническом описании ИС AD7755. Частота на высокочастотном выходе CF (постоянная счетчика) выбирается с помощью логического входа SCF. Существует два возможных варианта: 64 ·F1 (6400 импульсов/кВт ·ч) или 32 ·F1 (3200 импульсов/кВт ·ч). В данной конструкции выбран вариант 3200 импульсов/кВт ·ч путем подачи на вход SCF напряжения логического нуля. При постоянной счетчика, равной 3200 импульсов/кВт ·ч, и максимальном токе 40 А максимальная частота на выходе CF будет составлять 7,82 Гц. Во многих калибровочных стендах, которые используются для поверки счетчиков электроэнергии, до сих пор используется оптическая технология. Это ограничивает максимальную частоту, при которой происходит надежное считывание, значением около 10 Гц. Единственное неизвестное, оставшееся в уравнении 1 — это уровень сигнала на входе канала V2 (канала напряжения).
Из уравнения 1 на предыдущей странице:

V2 =248.9 мВ среднеквадрич.
Таким образом, при калибровке счетчика напряжение сети должно быть ослаблено делителем до 248,9 мВ.
Калибровка счетчика
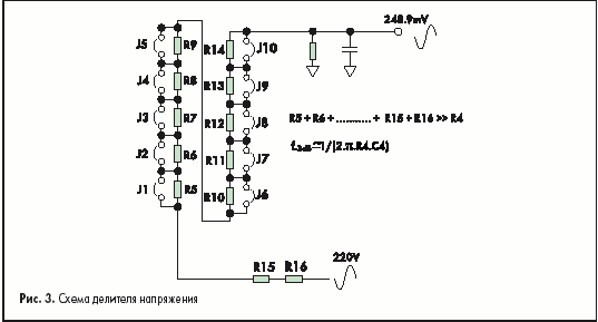
В предыдущем разделе говорилось, что в процессе калибровки необходимо добиться, чтобы напряжение на входе V2 составляло 248,9 мВ. Напряжение сети ослабляется при омощи простого резистивного делителя, как показано на рис.3. Схема делителя должна обеспечивать возможность калибровки в пределах как минимум ±30%, чтобы перекрыть разброс сопротивления шунта и разброс встроенного в ИС AD7755 источника опорного напряжения (который составляет 8%— см. техническое описание AD7755). К тому же топология схемы делителя такова, что обеспечивается совпадение фаз сигналов каналов V1 и V2, даже когда производится калибровка делителя (см.раздел «Совпадение фазы в каналах счетчика »).

Как видно из рис.3, частота, соответствующая уровню –3 dB, в этой схеме определяется номиналами резистора R4 и конденсатора C4. Даже когда все перемычки замкнуты, сопротивление резисторов R15 (330 кОм)и R16 (330 кОм) все же гораздо больше, чем R4 (1 кОм). Таким образом, изменение сопротивления цепочки резисторов R5-R14 будет иметь незначительное влияние на частоту, соответ ствующую уровню –3 dB. Схема, показанная на рис.3, позволяет ослабить сигнал сетевого напряжения и регулировать его в пределах от 175 мВ до 333 мВ с шагом 154 мкВ (что соответствует разрешению 10 бит). Это достигается путем использования цепочки резисторов R5-R14, сопротивление каждого из которых в два раза меньше предыдущего. Это позволяет точно откалибровать счетчик, используя алгоритм последовательного приближения. Начиная с J1, последовательно устанавливаются перемычки в порядке возрастания номера, то есть J1, J2, J3 и т.д. Если частота калибровки на выходе CF превысит частоту 0,9777 Гц (32 ·100 импульсов/час), когда какая-либо из перемычек будет припаяна, необходимо отпаять ее обратно. Все перемычки должны быть проверены, до последней — J10. Обратите внимание, что в качестве перемычек используются резисторы сопротивлением 0 Ом, которые припаиваются на специально предусмотренные места. Такой подход предпочтительнее, нежели использование подстроечного резистора,bтак как временная стабильность последнего и стабильность в зависимости от условий окружающей среды недостаточны.
Так как передаточная функция микросхемы AD7755 обладает очень высокой линейностью, то калибровка в одной точке при токе I b и коэффициенте мощности, равном единице,— это все, что требуется для калибровки счетчика. Если все детали должным образом были предусмотрены на стадии проектирования, калибровка при низких значениях коэффициента мощности (PF =0,5) не нужна. В следующем разделе обсуждаются аспекты сдвига фаз для корректного подсчета потребляемой мощности при низких значениях коэффициента мощности.
Совпадение фазы в каналах счетчика
Микросхема AD7755 обеспечивает совпадение фаз в диапазоне частот 40 Гц — 1 кГц. Корректное соотношение фаз очень важно в устройствах измерения мощности, так как любое нарушение соотношения фаз между каналами приводит к значительной погрешности измерения при низких значениях коэффициента мощности. Это хорошо иллюстрирует следующий пример. На рис.4 показаны формы напряжения и тока при индуктивной нагрузке. В данном примере ток отстает от напряжения на 60 ° (коэффициент мощности PF =–0,5). Предположим, что ток и напряжение чисто синусоидальные; тогда мощность равна V rms ·I rms ·cos(60 °). Индекс rms здесь и далее означает среднеквадратичное значение.

Однако если имеется погрешность сдвига фазы за счет внешних цепей, например, антиалайзингового фильтра, то итоговая погрешность будет составлять

(См.примечание 3 к табл.1). Здесь представляет собой фазовый угол между напряжением и током, а — внешняя погрешность сдвига фазы. При погрешности сдвига фазы равной, например, 0,2 ° и при коэффициенте мощности PF =0,5 (60 °), итоговая погрешность составит 0,6%. Как показывает этот пример, даже очень небольшая фазовая погрешность приводит к значимой погрешности измерения при низком значении коэффициента мощности.
Антиалайзинговые фильтры
В предыдущем разделе говорилось о том, что возможными источниками внешней фазовой погрешности могут быть антиалайзинговые фильтры на входах каналов V1 и V2. Антиалайзинговый фильтр представляет собойфильтр низкой частоты, который располагается до аналогового входа любого аналого-цифрового преобразователя. Он необходим, чтобы предотвратить возможные искажения, связанные с наложением спектра в процессе аналогово-цифрового преобразования. Рис.5 иллюстрирует эффект наложения спектра.

На рис.5 показано,каким образом эффект наложения спектра (aliasing) может привести к погрешности при работе счетчика, спроектированного на ИС AD7755. В микросхеме AD7755 применены два сигма-дельта (...) АЦП для оцифровки сигналов напряжения и тока. Эти АЦП имеют очень высокое значение частоты дискретизации, составляющее 900 кГц. Рис.5 иллюстрирует, каким образом частотные составляющие (показанные черными стрелками) с частотой выше, чем половина частоты дискретизации (также известной как частота Найквиста), то есть выше 450 кГц, переносятся (или отражаются) в нижнюю часть спектра относительно частоты 450 кГц (показаны пунктирными стрелками). Этот эффект происходит в любом аналогово-цифровом преобразователе, независимо от его архитектуры. В данном примере видно, что только составляющие спектра с частотами, близкими к частоте дискретизации (900 кГц), будут перемещены в интересующую нас полосу (0 –2 кГц). Это обстоятельство позволяет нам применить в данном случае очень простой фильтр низкой частоты (ФНЧ) для подавления данных высокочастотных составляющих (около 900 кГц) и таким образом предотвратить искажения в пределах интересующей нас полосы.
Простейшая форма ФНЧ — это обычная RC-цепочка. Она представляет собой однополюсный фильтр со спадом –20 дБ/декаду.
Выбор частотной характеристики фильтра
Помимо амплитудно-частотной характеристики, все фильтры имеют также фазо-частотную характеристику. АЧХ и ФЧХ простого RC-фильтра (R =1 кОм, C =0,033 мкФ) показаны на рис.6 и 7. Из графика на рис.6 видно, что подавление на частоте 900 кГц для этого простейшего ФНЧ превышает 40 дБ. Этого достаточно, чтобы надежно избежать эффектов наложения спектра (aliasing).
 |
 |
В предыдущем разделе говорилось, что фазовый сдвиг может привести к значительной погрешности, если фазо-частотные характеристики фильтров низкой частоты в канале V1 и V2 не совпадают. Расхождение фазовых характеристик легко может произойти из-за невысокой точности по допуску номиналов компонентов в фильтрах низкой частоты. Чем ниже частота среза антиалайзингового НЧ-фильтра (частота по уровню –3 dB), тем большее влияние оказывает данный фактор на основной частоте сигнала — частоте сети. Даже если частота среза составляет 4,8 кГц, (R =1 кОм, C =0,033 мкФ), фазовая погрешность, привнесенная расхождением значений номиналов компонентов, может быть значительной. Рис.8 иллюстрирует это положение. На рис.8 показана фазо-частотная характеристика простого ФНЧ на частоте 50 Гц для значений R =1 кОм ± 10%, С =0,033 мкФ ±10%. Напоминаем, что сдвиг фазы на 0,2 ° может привести к погрешности в 0,6% при низких значениях коэффициента мощности. В данной конструкции в анти-алайзинговых фильтрах использованы резисторы с допуском 1% и конденсаторы с допуском 10%, чтобы избежать возможных проблем, связанных с расхождением фаз сигналов. Другой возможный вариант — частота среза может быть отодвинута до значений 10 –15 кГц. Однако частота среза не может быть слишком большой, так как тогда фильтр перестанет подавлять высокочастотные составляющие сигнала, то есть выполнять свою основную функцию, и в выходном сигнале появятся шумы.

Обратите внимание, что по этой же причине были приняты соответствующие меры при разработке цепи калибровки в канале V2 (канале напряжения). Калибровка данного счетчика путем подбора сопротивления цепи делителя не влияет на значение частоты среза, а значит, и на фазо-частотную характеристику цепи канала V2 (см.раздел «Калибровка счетчика »). На графике рис.9 показаны положения фазо-частотной характеристики схемы при изменении сопротивления цепи калибровки от 660 кОм (когда перемычки J1 –J10 установлены) до 1,26 МОм (когда эти перемычки удалены).

Компенсация паразитной индуктивности шунта
При использовании на низких частотах шунт можно рассматривать как чисто резистивный элемент без сколько-нибудь значимой реактивной составляющей. Однако в некоторых ситуациях при использовании шунта в реальном устройстве сбора данных даже небольшое значение паразитной индуктивности может вызвать нежелательные эффекты. Эта проблема очень заметна, когда сопротивление шунта очень низкое, порядка 200 мкОм. Ниже показана эквивалентная схема для шунта, используемого в данной разработке. Имеется три точки подключения к шунту. Две из них используются для снятия сигнала тока (V1P и V1N), третий вывод шунта используется как вывод «земли » для всей схемы.
Сопротивление шунта обозначено как R SH1 (350 мкОм). R SH2 — это сопротивление между выводом шунта, к которому подключен вход V1N, и точкой заземления системы. Главные паразитные индуктивности обозначены как L SH1 и L SH2 . На рис.10 также показано, каким образом шунт подключается ко входу микросхемы AD7755 через антиалайзинговые фильтры. Назначение антиалайзинговых фильтров рассмотрено в предыдущем разделе и их АЧХ и ФЧХ показаны на рис.6 и 7.

Подавление влияния паразитной индуктивности шунта
Влияние паразитной индуктивности шунта проиллюстрировано на рис.11. Здесь на графике показаны фазочастотная и амплитудночастотная характеристики антиалайзингового фильтра при наличии паразитной индуктивности величиной 2 нГн (сплошной линией) и без нее (пунктирной). Из графика видно, что влиянию паразитной индуктивности подвергается как АЧХ, так и ФЧХ. Ослабление сигнала на частоте 1 МГц теперь составляет только около –15 дБ, что может привести к некоторым проблемам с воспроизводимостью и точностью данного устройства в условиях повышенного уровня шума. Что еще более важно, между сигналами в каналах тока и напряжения может появиться нежелательный фазовый сдвиг. Если предположить, что схема сделана так, чтобы обеспечить идеальное совпадение фаз сигналов в канале V1 и V2, то теперь появляется фазовый сдвиг величиной 0,1 ° на частоте 50 Гц. Обратите внимание, что фазовый сдвиг величиной 0,1 ° будет приводить к погрешности измерения в 0,3% при коэффициенте мощности PF =±0,5 (см.уравнение 2, раздел «Совпадение фазы в каналах счетчика »).

Эта проблема возникает из-за появления дополнительного нуля в передаточной характеристике антиалайзингового фильтра. При помощи упрощенной модели шунта, показанной на рис.10, положение нуля определяется как R SH1 /L SH1 .
Одним из путей устранения эффекта дополнительного нуля характеристики является добавление дополнительного полюса в той же точке, где находится нуль (или вблизи нее). Добавление RC-цепочки на каждый аналоговый вход канала V1 обеспечит требуемый дополнительный полюс. Новая антиалайзинговая схема для канала V1 показана на рис.12. Для упрощения вычислений, чтобы продемонстрировать принцип работы, предполагается, что R S и C S имеют одинаковые величины.

На рис.12 также приведены уравнения, определяющие положение нулей и полюсов схемы. Назначение полюса № 1 заключается в подавлении влияния нуля, возникающего из-за наличия индуктивности шунта. Полюс № 2 выполняет функцию антиалайзингового фильтра, как описано в разделе «Антиалайзинговые фильтры ». Ниже проиллюстрирован простой пример вычисления для шунта сопротивлением 330 мкОм с паразитной индуктивностью 2 нГн. Положение полюса № 1 определяется следующим образом:

Для R SH1 =330 мкОм, L SH1 =2 нГн, С =0,033 мкФ получаем в результате значение R =480 Ом приблизительно (можно использовать 470 Ом из стандартного ряда). Положение полюса № 1 соответствует 165000 радиан или 26,26 кГц. Полюс № 2 находится на частоте

Чтобы устранить расхождение фаз сигналов между каналами V1 и V2, полюс в канале V2 должен быть расположен точно так же. При значении C =0,033 мкФ новая величина резистора в антиалайзинговом фильтре в канале V2 должна составлять приблизительно 1,23 кОм (используйте 1,2 кОм).
На рис.13 показано, как влияет схема компенсации на фазо-частотную и амплитудночастотную характеристики антиалайзингового фильтра в канале V1. Пунктирной линией показана частотная характеристика канала V2 при использовании реальных величин заново рассчитанных компонентов, т.е.1,2 кОм и 0,033 мкФ. Сплошной линией показана частотная характеристика канала V1 с учетом паразитной индуктивности шунта. Обратите внимание, что АЧХ и ФЧХ очень близки к идеальным, показанным пунктирными линиями. Это соответствие обеспечивается действием схемы компенсации.

Данный метод компенсации хорошо работает, если полюс, возникающий из-за наличия паразитной индуктивности у шунта, находится на частоте не выше приблизительно 25 кГц. Если нуль характеристики находится на гораздо более высокой частоте, его влияние может быть устранено просто добавлением дополнительной RC-цепочки в канале V1 с полюсом, располагающимся гораздо выше, чем полюс антиалайзингового фильтра, например, RC-цепочки 100 Ом и 0,033 мкФ.
При выборе шунта нужно руководствоваться требованием, чтобы его паразитная индуктивность была минимальна. Это особенно важно для шунтов с низким сопротивлением, ниже чем приблизительно 200 мкОм. Обратите внимание, что чем меньше сопротивление шунта, тем ниже частота, на которой располагается нуль характеристики при данной паразитной индуктивности (Нуль =R SH1 /L SH1 ).
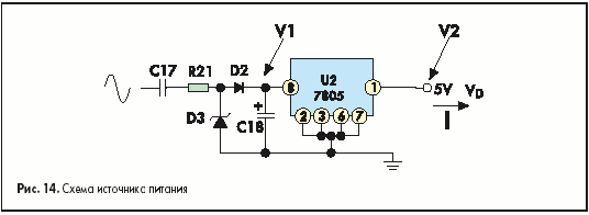
Конструкция источника питания
В данном счетчике используется простой недорогой источник питания, основанный на емкостном делителе на конденсаторах С17 и С18. Бoльшая часть сетевого напряжения падает на конденсаторе С17, пленочном металлизированном полиэстеровом конденсаторе емкостью 0,47 мкФ на 250 В. Импеданс конденсатора С17 обеспечивает эффективную работу источника питания. В то же время величина конденсатора С17 соответствует требованиям стандарта IEC1036 по потребляемой мощности. Суммарная потребляемая мощность в цепи напряжения,включая источник питания, определяется в разделе 4.4.1.1 стандарта IEC1036 (1996-9). Общая потребляемая мощность не должна превышать в номинальном режиме 2 Вт и 10 В ·А. Номинальное значение потребляемой мощности в данной конструкции составляет 7 В ·А, при этом активная мощность, потребляемая источником питания, составляет 0,5 Вт. Вместе с мощностью, рассеиваемой на шунте при токе 40 А, суммарная потребляемая мощность счетчика составит 1,06 Вт. На рис.14 показана схема источника питания.

Графики, показанные на рис.15, 16, 17 и 18 иллюстрируют работу источника питания при большой нагрузке, подключенной к сети (50 А), и при изменении напряжения сети от 180 до 250 В. Самую большую нагрузку на источник питания представляет собой ток, необходимый для управления шаговым двигателем электромеханического счетчика; этот двигатель имеет сопротивление обмоток порядка 400 Ом. Это наглядно видно на кривой напряжения V1 (напряжение на конденсаторе С18) на графиках.
Энтони Коллинз
|