|
Методы возбуждения измерительных датчиков
и применение ИС AD7711 и AD7730
Введение
Измерительные датчики-преобразователи входных сигналов подразделяются на активные и пассивные.
Пассивные датчики, такие, как термопары или фотодиоды (при измерении напряжения на выводах), являются устройствами, которые напрямую преобразуют энергию физического воздействия в электрический сигнал, при этом не требуется внешнее питание или возбуждение датчика. Активным датчикам необходим внешний источник питания (возбуждения). Активными датчиками являются все резистивные датчики, такие, как термисторы, резистивные температурные датчики (RTD) и механические тензометрические датчики; чтобы получить от них сигнал, требуется напряжение или ток возбуждения.
В данной статье рассматриваются различные методы возбуждения, которые могут быть использованы в приборах с активными датчиками, и приводятся некоторые типовые схемы. Кроме того, обсуждаются преимущества и недостатки возбуждения датчиков переменным и постоянным током или напряжением. Для точных измерений низкоуровневых аналоговых сигналов при помощи системы сбора данных обычно требуется нечто большее, нежели простое подключение датчика к схеме усилителя с последующей подачей усиленного сигнала на вход аналого-цифрового преобразователя. Чтобы добиться высокой разрешающей способности и точности в измерительной системе, разработчик должен приложить усилия при выборе источника возбуждения преобразователя, а также при разработке схемы передачи низкоуровневого аналогового сигнала с выхода преобразователя на вход АЦП. На рис. 1 показана обобщенная структурная схема системы сбора данных на базе датчика-преобразователя.

Целостность полученного преобразователем сигнала в подобных системах зависит от каждого показанного на схеме элемента на пути передачи сигнала.
При имеющемся источнике возбуждения разработчик устройства сталкивается с задачей измерения выходного сигнала и выявления особенно критичных элементов схемы. Например, сопротивление проводов и помехи являются самыми большими проблемами в устройствах с датчиками. Существуют различные подходы для того, чтобы получить оптимальную производительность измерительной системы. Прежде всего, имеется выбор между абсолютными измерениями и измерением соотношений (ratiometric), а также между двух-, трех- или четырехпроводным подключением датчика.
Способы возбуждения датчиков
Активные датчики-преобразователи могут возбуждаться при помощи контролируемого тока или напряжения. Выбор между током и напряжением для возбуждения датчиков обычно возлагается на усмотрение разработчика. В системах сбора данных обычно применяется возбуждение постоянным напряжением при использовании датчиков деформации (тензодатчиков) и давления, тогда как резистивные датчики, например резистивные датчики температуры и термисторы, возбуждаются постоянным током. В промышленных устройствах, там, где имеется много помех, токовое возбуждение в общем случае является предпочтительным, так как данная схема менее восприимчива к помехам.
Кроме того, возбуждение датчика может производиться посредством сигнала либо постоянного, либо переменного тока; каждый метод имеет свои преимущества и недостатки. Среди преимуществ схемы возбуждения постоянным током — простота применения и низкая стоимость. Отрицательной стороной схемы постоянного тока является трудность разделения измеряемого сигнала и паразитного сигнала смещения усилителя и сигнала паразитных термопар. Смещение подвержено дрейфу; оно меняется непредсказуемо при изменении температуры, а также под действием шума вида 1/f.
Хотя технология возбуждения переменным током несколько более сложна, этот метод имеет много преимуществ. Схема возбуждения переменным током несколько подобна схеме стабилизации прерыванием (chopping), которая используется в прецизионных усилителях; такая схема при использовании для возбуждения датчиков обладает теми достоинствами, что устраняет ошибку по постоянному току, подавляет шум вида 1/f и нейтрализует эффекты паразитных термопар. Снижение влияния шума 1/f позволяет получить достаточный выходной сигнал при гораздо меньшем напряжении или токе сигнала возбуждения.
Уменьшение уровня сигнала возбуждения означает, что резистивный датчик будет гораздо меньше нагреваться от протекающего тока.
Так как ширина полосы измеряемого сигнала относительно невелика, то обычно схема возбуждения переменным током обеспечивает бoльшую устойчивость системы к радиочастотным помехам, чем при возбуждении постоянным током.
Имеется два основных фактора, определяющих выбор оптимального источника возбуждения, при котором повышается точность системы. Во-первых, что касается разрешающей способности: величина сигнала возбуждения должна быть достаточной для того, чтобы минимальное изменение измеряемого параметра обеспечивало величину сигнала с выхода датчика, превышающую уровень шума и постоянную погрешность системы. Во-вторых, уровень рассеиваемой мощности: если используется резистивный датчик, то разработчик должен быть уверен, что эффект саморазогрева, вызванный протеканием тока через датчик, не окажет значительного влияния на результаты измерений.
Сравнение методов измерения абсолютной величины и измерения соотношений
На рис. 2 показана схема мостового датчика, в которой производится измерение соотношения сигналов. Один и тот же источник опорного напряжения используется как для возбуждения датчика, так и для аналого-цифрового преобразователя. Некоторое изменение величины сигнала возбуждения датчика будет компенсировано за счет точно такого же изменения опорного напряжения АЦП, или наоборот. Выходной код АЦП DOUT будет представлять собой соотношение сигналов на входе AIN и на входе VREF. Так как сигнальный вход аналого-цифрового преобразователя и вход опорного напряжения управляются от одного источника, то изменение уровня сигнала этого источника не приведет к появлению погрешности измерений. Таким образом, в схеме измерения соотношений (ratiometric), когда измеряемая величина не изменяется, цифровой сигнал на выходе преобразователя также не изменяется даже при изменении уровня сигнала возбуждения датчика.

По этой причине для достижения высокой точности измерений не требуется точный и стабильный источник образцового напряжения.
Измерение соотношений — очень эффективная методика; она позволяет измерять и контролировать сигнал и использует при этом источник аналогового питания системы, обеспечивая точность, не зависящую от стабильности источника опорного напряжения или источника возбуждения датчика. Так как коэффициент подавления влияния нестабильности источника питания очень высок у большинства современных АЦП, дрейф напряжения источника питания не оказывает заметного влияния на измерения.
На рис. 3 продемонстрированы недостатки схемы, в которой значение сигнала измеряется абсолютным методом (non-ratiometric).

Приведена типичная схема измерения величины сигнала, поступающего от мостового датчика. Как и в предыдущем случае, АЦП преобразует соотношение сигналов на входах AIN и VREF в цифровой код. В данном примере результат преобразования будет зависеть от относительных изменений сигнала возбуждения мостового датчика и источника опорного напряжения. Любое изменение напряжения возбуждения моста приведет к изменению сигнала на аналоговом входе АЦП.
Так как сигнал опорного напряжения не зависит от напряжения возбуждения датчика, то изменение напряжения возбуждения отразится на результате преобразования. Абсолютный метод измерений пригоден там, где измеряется значение входного сигнала относительно образцового сигнала, либо там, где один аналого-цифровой преобразователь работает с несколькими независимыми входными сигналами. Так как колебания величины опорного сигнала, сигнала возбуждения датчика и т. д. при этом невозможно учесть и они будут влиять на выходной сигнал, то для большинства устройств при этом требуются высокоточные, прецизионные и стабильные источники опорного напряжения и напряжения возбуждения датчиков.
При конструировании систем сбора данных с высоким разрешением разработчик должен всегда помнить о достоинствах метода измерения соотношений (ratiometric) и применять его везде, где это возможно.
Схемы подключения датчиков
Существуют различные схемы подключения, которые могут быть применены для резистивных датчиков, таких, как резистивные датчики температуры (RTD) или термисторы, в схемах измерения и контроля температуры. Двух-, трех- и четырехпроводные схемы в общем виде показаны на рис. 4. Почему существует столько вариантов, различающихся по сложности и по стоимости? Сопротивление выводов может привести к возникновению значительной погрешности, если не будут приняты адекватные меры для ее устранения, особенно в случае применения низкоомных датчиков RTD. В схемах с RTD определенный ток (обычно постоянный) протекает через датчик, сопротивление которого увеличивается пропорционально температуре с высокой точностью, повторяемостью и довольно высокой линейностью. Так как сопротивление возрастает, то и падение напряжения на датчике возрастает, и оно может быть без особого труда измерено аналого-цифровым преобразователем, хотя оно и довольно мало по величине.

В идеальном случае измеряемое напряжение зависит только от сопротивления самого датчика. Однако на практике, особенно при двухпроводной конфигурации, реальное сопротивление между выводами датчика определяется сопротивлением как самого датчика, так и выводов. Если бы сопротивление выводов датчика оставалось постоянным, это не влияло бы на точность измерительной схемы. Однако сопротивление этих выводов зависит от температуры; при изменении условий окружающей среды сопротивление выводов также изменяется, приводя к появлению погрешности.
Если датчик удален и провода, идущие к нему, очень длинные, то величина погрешности для устройства с RTD может быть значительной, так как номинальное сопротивление RTD составляет от 100 до 1000 Ом и его температурный коэффициент составляет порядка 0,4%/°C. В приборах, где в качестве датчика используется термистор, номинальное сопротивление которого выше, чем у RTD, сопротивление выводов датчика обычно меньше влияет на точность.
Двухпроводная схема обеспечивает наименьшую точность из приведенных выше трех вариантов включения, так как сопротивление выводов 2RL и изменение сопротивления в зависимости от температуры приводит к появлению значительной погрешности. Например, если сопротивление выводов составляет 0,5 Ом для каждого вывода, то RL добавляет 1 Ом к измеряемому сопротивлению датчика. При использовании 100-омного RTD с температурным коэффициентом a = 0,00385/°C это паразитное сопротивление даст начальную погрешность величиной 1 Ом/(0,385 Ом/°C) = 2,6 °C.
Изменение сопротивления выводов в зависимости от температуры окружающей среды приведет к дальнейшему росту погрешности.
Трехпроводная конфигурация, показанная на рис. 4, обладает значительными преимуществами по сравнению с двухпроводной схемой за счет наличия одного дополнительного измерительного вывода. Когда измерительный вывод подключен к высокоимпедансному входу V(+), то по этому выводу не течет ток и, таким образом не возникает, и погрешности. Однако сопротивление вывода, подключенного к V(–) и I(–), и температурный дрейф этого сопротивления по-прежнему оказывают свое влияние, хотя в данном случае погрешность уменьшается в два раза по сравнению с двухпроводной системой.
Четырехпроводная конфигурация (рис. 4) обеспечивает самые высокие характеристики с точки зрения точности и простоты схемы по сравнению с двух- и трехпроводными конфигурациями. В данном случае погрешность, вызываемая сопротивлением выводов и температурным дрейфом этого сопротивления, устраняется за счет измерения сигнала непосредственно на самом датчике RTD. Измерительные выводы RTD обычно подключаются к высокоимпедансному буферу (усилителю/АЦП), поэтому ток по измерительным проводам не течет, и ошибки не возникает.
Если имеется два одинаковых источника тока, то можно и в трехпроводной системе добиться полного устранения влияния сопротивления выводов и температурного дрейфа этого сопротивления. Например, при использовании аналого-цифрового преобразователя типа AD7711 (рис. 5). Возбуждение датчика обеспечивается током 200 мкА от верхнего источника; ток течет через сопротивление выводов RL1. Ток от нижнего источника протекает через другой провод датчика (с сопротивлением RL2), создавая падение напряжения, в точности равное и противоположное по направлению напряжению на RL1, таким образом подавляя это напряжение при измерении дифференциального сигнала. Сумма этих двух токов, не создавая проблем, протекает через третий вывод (RL3) на «землю»; при этом дифференциальный вход АЦП не реагирует на синфазное напряжение.

Ток величиной 200 мкА, протекающий через резистор с сопротивлением 12,5 кОм, вызывает падение напряжения, которое используется в качестве опорного напряжения для аналого-цифрового преобразователя; таким образом эта схема становится схемой измерения соотношения сигналов (ratiometric).
ИС АЦП с высоким разрешением AD7711 преобразует напряжение на датчике RTD в цифровой сигнал. ИС AD7711 является идеальным АЦП для данного применения; этот АЦП обладает 24-разрядным разрешением, имеет встроенный усилитель с программируемым коэффициентом усиления и пару источников тока одинаковой величины.
Как видно из приведенного примера, вся схема получения цифрового сигнала может быть реализована на одной микросхеме без дополнительных схем усиления и формирования сигнала.
Возбуждение датчиков переменным током
На рис. 6 показаны некоторые из источников погрешностей, имеющих место при возбуждении мостовых датчиков постоянным током. В данной мостовой схеме невозможно различить, какая часть сигнала постоянного тока (и низкочастотного сигнала) действительно поступает от мостового датчика, а какая часть является сигналом ошибки. Погрешности, вызываемые шумом вида 1/f, паразитными термопарами и напряжением смещения усилителя, невозможно устранить без использования некоторых специальных методов, позволяющих отделить действительный сигнал от сигнала ошибки. Эффективное решение данной проблемы — возбуждение датчика переменным током.

Сигналы от мостового датчика зависят от величины возбуждения и обычно довольно малы. Если мост возбуждается напряжением 5 В и чувствительность моста равна 3 мВ/В, то максимальная величина выходного сигнала будет составлять 15 мВ. Источниками погрешности для данного низковольтного сигнала являются шум (тепловой шум и шум вида 1/f), напряжение паразитных термопар и погрешность смещения усилителя. Например, паразитные термопары имеются в обычных схемах. Соединение оловянно-свинцового припоя и медной дорожки печатной платы обладает термопарным эффектом и создает потенциал около 3–4 мкВ/°C при наличии температурного градиента на плате. Термопарное соединение имеется также между медными дорожками платы и выводами усилителя, сделанными из сплава Ковар, здесь потенциал может составлять 35 мкВ/°C. В измерительной системе с высоким разрешением эти термопарные эффекты наряду с погрешностью смещения
усилителя и шумом будут приводить к значительной ошибке.
Возбуждение датчика переменным током — эффективный метод отделения этих помех от сигнала. За счет использования прямоугольного сигнала возбуждения, полярность которого меняется после каждого измерения, все ошибки по постоянному току эффективно подавляются. Такая схема с переключением, кроме того, подавляет шум вида 1/f, который доминирует на низких частотах (от постоянного тока до нескольких герц) в подобного рода устройствах.
На рис. 7 показана схема возбуждения моста сигналом переменного напряжения. Полярность напряжения возбуждения моста меняется в каждом цикле с использованием транзисторов Q1 — Q4 в качестве ключей.

Все погрешности по постоянному току и низкочастотные шумы обозначены в виде одного источника помехи EOS. Во время первой фазы транзисторы Q1 и Q4 открыты, тогда как Q2 и Q3 закрыты; выходной сигнал представлен в виде суммы (VA + EOS). Во время второй фазы цикла транзисторы Q2 и Q3 открыты, а транзисторы Q1 и Q4 закрыты, при этом выходной сигнал VOUT равен (–VA + EOS). Итоговый сигнал на выходе образуется в результате суммирования этих двух сигналов, то есть VOUT = 2 . VA. Сигналы, управляющие работой схемы возбуждения, должны быть неперекрывающимися прямоугольными сигналами. Данная схема устраняет погрешности, возникающие при возбуждении постоянным током за счет несколько бoльшей сложности схемы и ее стоимости.
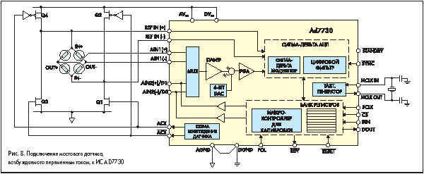
На рис. 8 показана схема, в которой применен мостовой датчик в сочетании со специализированным АЦП AD7730, содержащим встроенные схемы, предназначенные для возбуждения датчика переменным током и вычисления выходного сигнала в соответствии с полярностью сигнала возбуждения датчика.

Микросхема сигма-дельта АЦП AD7730 представляет собой устройство преобразования аналогового сигнала в цифровой со встроенными схемами управления и интерфейса (так называемая analog front-end или AFE) для применения в электронных весах и системах измерения и контроля давления. Данная ИС работает при напряжении питания 5 В; низковольтный сигнал от датчика подается непосредственно на вход ИС, на выходе же цифровая информация представляется в виде последовательного кода. Входной сигнал поступает на усилитель с программируемым коэффициентом усиления (PGA) и на аналоговый модулятор. Выходной сигнал модулятора обрабатывается цифровым фильтром низкой частоты с программируемыми частотой среза, скоростью обновления данных на выходе и временем установки. Имеется два буферированных дифференциальных входа с программируемыми коэффициентами усиления, а также дифференциальный вход источника опорного напряжения. На АЦП могут подаваться четыре однополярных и биполярных аналоговых сигнала с амплитудой, соответствующей
полной шкале (от 10 до 80 мВ).
Разрешающая способность может достигать 1/230000 (от пика до пика). Встроенный в ИС 6-разрядный цифро-аналоговый преобразователь можно использовать для компенсации веса тары в электронных весах.
Последовательный интерфейс устройства может быть сконфигурирован как трехпроводной; этот интерфейс совместим с микроконтроллерами и цифровыми сигнальными процессорами.
ИС AD7730 обладает встроенными средствами самокалибровки и системной калибровки и обеспечивает дрейф смещения не более 5 нВ/°C и дрейф коэффициента усиления величиной не более 2.10–6/°C. При столь малом уровне дрейфа калибровка при включении прибора обычно не нужна.
В схеме на рис. 8 транзисторы Q1 — Q4 обеспечивают переключение полярности напряжения возбуждения. Эти транзисторы могут быть дискретными, точно подобранными биполярными или МОП-транзисторами, или же можно использовать специализированную ИС управления мостовым датчиком, например, такую, как 4427 фирмы Micrel. Так как напряжение на аналоговом входе и опорное напряжение меняют полярность в каждом цикле, то работа ИС AD7730 должна быть синхронизирована в соответствии с переключениями полярности напряжения возбуждения.
Для синхронизации переключений ИС AD7730 выдает логические сигналы, управляющие возбуждением моста. Эти неперекрывающиеся логические КМОП-сигналы присутствуют на выходах ACX и ACX. Одна из трудностей, связанных с возбуждением переменным током, — это время установления входного аналогового сигнала после переключения, что особенно важно для устройств с длинным соединением между мостовым датчиком и ИС AD7730.
Аналого-цифровой преобразователь может выдавать ошибочные данные, так как он обрабатывает сигнал, который еще не полностью установился. По этой причине предусмотрена возможность программирования задержки длительностью до 48,75 мкс между моментом переключения сигнала ACX и обработкой сигнала, присутствующего на аналоговом входе.
Кроме того, ИС AD7730 изменяет частоту переключения сигнала ACX в соответствии с установленной частотой обновления сигнала на выходе. Это позволяет избежать переключения возбуждения моста с частотой, превышающей необходимую.
Возможность микросхемы AD7730 работать при одном и том же опорном напряжении и напряжении возбуждения мостового датчика особенно полезна при возбуждении моста переменным током, когда резистивный делитель на входе опорного напряжения повышает время установления сигнала, связанное с переключением полярности возбуждения.
Преимущества возбуждения переменным током могут быть эффективно использованы для устранения эффектов саморазогрева в устройствах измерения температуры с помощью резистивных датчиков. Если для измерения температуры используется RTD, ток возбуждения (хоть он и небольшой) выделяет на резистивном датчике энергию мощностью I2R, приводя к тому, что прибор показывает несколько более высокую температуру, чем измеряемая. Степень саморазогрева датчика сильно зависит от окружения, в котором находится RTD. Датчик RTD будет гораздо сильнее нагреваться в неподвижном воздухе, нежели в проточной воде.
При обычно применяемом возбуждении постоянным током этот ток должен быть достаточным, чтобы небольшие изменения температуры приводили к изменению напряжения на выходе датчика, достаточному для измерения при наличии в системе шума, смещения и дрейфа. Для этого обычно требуется ток возбуждения величиной 1 мА и больше. Мощность, рассеиваемая на датчике RTD, вызывает повышение его температуры, приводя к дрейфу при измерении, что снижает точность системы. Например, постоянный ток возбуждения величиной 1 мА через датчик RTD сопротивлением 1 кОм вызывает саморазогрев датчика на 0,05 °C/мВт, что приводит к ошибке при измерении температуры величиной до 0,5 °C.
Так как техника возбуждения датчиков переменным напряжением позволяет уменьшить влияние смещения и дрейфа, то во многих случаях можно применить гораздо меньший по величине ток возбуждения. Таким образом, уменьшение величины тока возбуждения не только уменьшает степень саморазогрева датчика RTD (пропорционально току в квадрате!); возбуждение переменным напряжением также уменьшает погрешности по постоянному току и низкочастотный шум, как говорилось выше.
На рис. 9 показано использование сигма-дельта АЦП с высоким разрешением AD7730 для работы с датчиком RTD, возбуждаемым переменным током. В этом устройстве ИС AD7730 работает от раздельных источников питания, то есть для AVDD и DVDD применены отдельные источники, и AGND и DGND также представляют собой отдельные «земли». В такой схеме необходимо, чтобы напряжения питания AVDD и DVDD не выходили за предел в 5,5 В.

Поэтому при работе аналоговой части схемы от биполярного источника с напряжением ±2,5 В напряжение питания цифровой части устройства должно быть ограничено величиной +3 В относительно цифровой «земли», которая является также «землей» всей системы.
Выход ACX микросхемы AD7730, управляющий переключением направления тока возбуждения датчиков, выдает сигнал относительно аналоговой «земли» и аналогового питания (AGND и AVDD). Когда на выходе ACX высокий логический уровень, ток величиной 100 мкА течет через датчик RTD в одном направлении, когда сигнал ACX низкого уровня, ток 100 мкА течет через RTD в противоположном направлении. Источник тока переменного направления реализован на операционных усилителях U1 и U2 по стандартной схеме преобразователя напряжения в ток. АЦП AD7730 сконфигурирован для работы с возбуждением датчиков переменным током, при этом на выходе ACX он выдает прямоугольный сигнал. Во время преобразования АЦП считывает два отсчета — по одному за каждую фазу сигнала ACX — и затем комбинирует их, получая одно значение, соответствующее измеряемой температуре.
Например, предположим, на выходе RTD во время первой фазы ACX величина сигнала составляет 10 мВ плюс 1 мВ составляет сигнал ошибки по постоянному току за счет паразитных термопар, тогда измеряемый сигнал будет составлять 11 мВ. Во время второй фазы сигнала возбуждения ток через датчик протекает в противоположном направлении и сигнал, измеряемый АЦП, будет складываться из –10 мВ сигнала датчика плюс тот же 1 мВ ошибки, что составит –9 мВ. Эти два отсчета будут обработаны аналого-цифровым преобразователем (11 мВ–(–9 мВ)/2 = 10 мВ), таким образом ошибка по постоянному току будет полностью устранена. Возбуждение переменным током позволяет с помощью тока величиной около 100 мкА получить достаточный сигнал с датчика RTD, как показано на рис. 9, и при этом в значительной степени устранить эффект саморазогрева.
Так как опорное напряжение АЦП получено с помощью этого же источника тока возбуждения, то здесь мы измеряем температуру RTD методом соотношений. Поэтому величины сопротивлений схемы преобразователя напряжения в ток не слишком критичны и ток возбуждения может иметь разброс порядка 1%. Так что резисторов с ТКС 100х10–6/°C будет достаточно. Однако резистор RREF, который используется для получения опорного напряжения, должен обладать высокой температурной стабильностью для того, чтобы избежать появления ошибки при изменении температуры. При помощи показанной схемы можно измерять температуру в пределах от –200 до +200 °C.
Так как помехи с частотой сети могут привести к росту погрешности, если переключение сигнала возбуждения осуществляется с частотой сети (50 или 60 Гц), то переключение сигнала возбуждения осуществляется с частотой 57 Гц (на этой частоте получается нуль фильтра). При использовании ИС AD7730 с однополярным входным сигналом величиной 0–20 мВ и частотой обновления данных 57 Гц можно достичь разрешающей способности 16 разрядов (от пика до пика). Другое важное преимущество ИС AD7730, которое важно для систем с датчиком RTD — это ее низкая чувствительность как к электрическим полям, так и к быстрым электрическим импульсам (EFT). При работе в «шумном» окружении рекомендуется использовать AD7730 в режиме стабилизации прерыванием (CHOP). Эта технология, используемая в ИС AD7730, позволяет минимизировать смещение и дрейф этого смещения. Когда ИС AD7730 работает в режиме CHOP, то стабилизируется вся сигнальная цепочка, включая предварительный фильтр. Это обеспечивает величину суммарного дрейфа в пределах 5 нВ/°C. ИС AD7730 может работать при наличии электрического поля с напряженностью до 3 В/м и частотой 30 МГц — 1 ГГц с постоянными параметрами во всем диапазоне частот. Без режима CHOP показатели смещения и стабильности смещения ухудшаются в присутствии электрического поля и изменяются с ростом частоты.
Заключение
При разработке системы сбора информации с высокой разрешающей способностью должно быть уделено особое внимание методам возбуждения датчика, источнику возбуждения датчика и схеме подключения, предназначенной для передачи низкоуровневого сигнала от датчика к аналого-цифровому преобразователю. Датчик может быть возбужден сигналом тока или напряжения, постоянного или переменного. Постоянный сигнал используется более широко, чем переменный, так как система с возбуждением датчика постоянным сигналом несколько проще и обещает меньше осложнений; но она обладает значительными недостатками. Величина сигнала возбуждения датчика должна быть достаточной, чтобы изменения сигнала датчика были различимы на фоне шумов, постоянного смещения и дрейфа смещения. Если ожидается значительная погрешность по постоянному току и низкочастотный шум, то более эффективным будет возбуждение датчика переменным током.
Источник возбуждения датчика периодически переключает полярность сигнала возбуждения, а амплитуда сигнала измеряется и усредняется для получения результата. Таким образом при возбуждении переменным током подавляется влияние шумов вида 1/f и сигналов паразитных термопар на измеряемый сигнал.
Это позволяет значительно уменьшить амплитуду сигнала возбуждения, что, в свою очередь, уменьшает погрешности, связанные с саморазогревом резистивного датчика. Эти преимущества обычно перевешивают недостатки (система становится несколько более сложной и дорогой; возникает необходимость учитывать время установления сигнала после переключения полярности возбуждения). Схема подключения датчика может быть различной, двух-, трех- или четырехпроводной, в зависимости от требуемой точности. Четырехпроводная конфигурация обеспечивает лучшую точность за счет устранения погрешностей, связанных с сопротивлением и температурным дрейфом сопротивления измерительных проводов. Система может быть спроектирована с общим источником возбуждения датчика и опорного напряжения (по схеме измерения соотношения) или с независимыми источниками. Схема измерения соотношений предпочтительнее, так как она позволяет осуществлять измерения с точностью, превышающей стабильность опорного источника и источника сигнала возбуждения датчика. Такая схема нечувствительна к колебаниям величины сигнала источника возбуждения датчиков.
Итак, везде, где возможно, лучшим решением для измерительной системы с высоким разрешением будет применение 4-проводной конфигурации подключения датчиков в сочетании с преимуществами относительного измерения и возбуждения переменным током.
Альберт О'Греди
|