Генераторы, управляемые напряжением производства Mini-Circuits
для радиочастотных синтезаторов
Одним из важнейших компонентов современных синтезаторов частот для систем радиосвязи являются перестраиваемые генераторы (ПГ), в частности, генераторы, управляемые напряжением (ГУН или VCO — Voltage Controlled Oscillator). Компания Mini-Circuits специализируется в данном сегменте рынка более 30 лет, выпуская широкую гамму ГУН в диапазоне частот от 12 МГц до 3 ГГц - более 108 типономиналов ГУН для печатного монтажа (рис. 1) и 10 типономиналов с двойным коаксиальным выводом (рис. 2).

Основная продукция компании в секторе управляемых генераторов — ГУН минимальных габаритов для синтезаторов частот различного назначения. Генераторы предназначены, прежде всего, для установки на печатные платы.
Шесть типов корпусов подразделяются на варианты с установкой выводов в отверстия (plug-in — типы POS и POSA) и для поверхностного монтажа (surfase mount — типы JTOS, JCOS, ROS, MOS).
Компания Mini-Circuits предлагает:
- 53 варианта широкополосных ГУН (20 JTOS, 19 ROS, 14 POS) с линейным управлением по частоте, которые перекрывают весь диапазон от 12 МГц до 3 ГГц;
- 11 вариантов широкополосных ГУН (2 JTOS, 4 ROS, 5 POS) с примерно октавным перекрытием по частоте — с их помощью можно перекрыть диапазон от 250 до 2250 МГц;
- 36 вариантов ГУН для систем подвижной радиосвязи (12 JTOS, 13 ROS, 10 POS, 1 MOS) c 5-вольтовым управлением перестройкой частоты, с помощью которых можно обеспечить перекрытие диапазона от 24 до 2600 МГц;
- 8 вариантов малошумящих ГУН (4 JCOS, 1 ROS, 3 POSA);
- приборы с двойными коаксиальными выводами (типа ZOS) позволяют перекрыть диапазон частот от 25 до 1025 МГц и обеспечивают хорошую (до 50 дБ) развязку ГУН и нагрузки.
Температурный диапазон всех ГУН — от –55 до +85 °C, кроме того, приборы типов POS и POSA герметичны. Габаритные размеры и вес генераторов приведены в таблице 1.
Таблица 1. Габаритные размеры и вес генераторов
Тип ГУН |
Длина, мм |
Ширина, мм |
Высота, мм |
Вес, г |
POS |
19,56/20,32 |
10,16 |
7,24 |
5,2 |
POSA |
19,56/20,57 |
19,56/20,57 |
9,65/10,41 |
11,0 |
JTOS |
20,04 |
12,83 |
6,35 |
3,0 |
JCOS |
22,09 |
20,32 |
10,16 |
6,4 |
ROS |
12,7 |
12,7 |
4,57 |
1,0 |
MOS |
9,52 |
9,52 |
3,33 |
0,6 |
ZOS |
82,55 |
35,05 |
31,75 |
180 |

Напряжение питания большинства ГУН варьируется от 12 до 5 В, хотя генератор POSA-960 требует 15-вольтового источника питания, ROS-900PV питается от 4,5 В, а ROS-1605PV — от 3,3 В.
Потребляемый ток находится в пределах 12–40 мА для большинства типов ГУН, но 50 мА необходимо для генератора POSA-960 и 140 мА — для генераторов серии ZOS.
Уровень выходной мощности на согласованной нагрузке 50 Ом, максимальный уровень гармоник выходного сигнала, диапазон управляющего напряжения и диапазон модулирующих частот по уровню –3 дБ для генераторов различных типов приведен в таблице 2.
Таблица 2. Характеристики генераторов различных типов
Тип ГУН |
Pвых, дБм |
Максимальный уровень гармоник на выходе, дБн |
Диапазон управляющего напряжения, В |
Диапазон модулирующих частот, МГц |
POS |
6–13 |
–12…–20 |
0,5–1...12–25 |
0,06–4 |
POS-P |
8,5–10 |
–12…–20 |
0,5...5 |
0,05–0,1 |
JTOS-P |
6–11 |
–12…–20 |
0,5...5–7 |
0,05–20 |
ROS-P |
0–7 |
–8…–20 |
0,5...5–10 |
0,1–8 |
POSA |
5–16 |
–16…–30 |
1–16 |
2 |
JTOS |
6–13 |
–8…–20 |
0,5–1...12–25 |
0,05–20 |
JCOS |
3–9 |
–8…–20 |
0–1...14–20 |
2–6 |
ROS |
0–10 |
–8…–20 |
0,5–1...12–30 |
0,1–100 |
MOS |
2 |
–15 |
0,5–6 |
10 |
ZOS |
8–10 |
–12…–20 |
1–16 |
0,1 |
Для примера на рис. 3–7 приведены электрические характеристики широкополосного ГУН типа JTOS-850VW.

 
Пожалуй, наиболее важным из электрических параметров ГУН, наряду с диапазоном выходных частот и крутизной управляющей характеристики, является относительный уровень фазовых шумов в интервале отстроек от несущего колебания 1–10 Гц...1–10 МГц. Детальная информация по указанным параметрам позволяет наиболее точно рассчитывать параметры синтезаторного кольца ИФАП, в котором используется ГУН.

Компания Mini-Circuits обеспечивает хорошую информационную поддержку как с помощью «бумажных» справочников (VCO Designer`s Handbook, 2001), так и на сайте www.minicircuits.com.

В качестве иллюстрации на рис. 8 приведена принципиальная электрическая схема ГУН типа POS-200 (JTOS). Конденсатор C5 служит для создания обратной связи для компенсации шумов в ближней зоне отстроек. Перестраиваемый фильтр C7, VD3, L2, VD4, C8 необходим для фильтрации гармоник выходного сигнала.

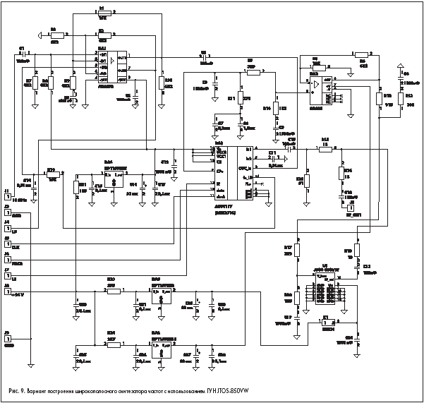
На рис. 9 приведен вариант реализации PLL-синтезатора на ГУН типа JTOS-850VW. Перекрытие по частоте 380–880 МГц с шагом сетки 100 кГц. Полоса прозрачности кольца— около 5 кГц. Петлевой фильтр улучшает подавление помех, кратных частоте сравнения, на 36 дБ, запас по фазе на частоте среза кольца не превышает 30°. Возможен «обвес» ГУН микросхемами синтезаторов различных производителей. В частности, хорошие результаты показывают синтезаторы серии ADF-41** компании Analog Devices (www.analog.com) и совместимые с ними на уровне выводов чипы LMX-23** «платиновой» серии компании National Semiconductors (www.national.com).

Изменяя номиналы элементов петлевого фильтра и изодромного звена (C7, C8, R11) и заменяя ГУН на однотипный (то есть типа JTOS), но работающий в требуемом диапазоне частот, можно строить унифицированные синтезаторы с шагом сетки от 1–25 кГц до 1–10 МГц в диапазоне выходных частот от 12 МГц до 3 ГГц. Буферный усилитель AD8052 или аналогичный служит для усиления сигнала опорной частоты и исключения обратного прохождения опорного сигнала, то есть для уменьшения взаимного влияния ОКГ и синтезатора.
Буферный ОУ AD820 необходим для изоляции изодромного звена от входа управления ГУН и для увеличения размаха управляющего напряжения, то есть в качестве высококачественный усилителя постоянного тока. Величина постоянного смещения ОУ не играет большой роли, поскольку кольцо ФАП, как система автоматического регулирования, эффективно отрабатывает небольшие уходы напряжения смещения. Определяющими параметрами для выбора типа ОУ служат величина входного тока и размах токовых шумов.
Применение в перспективных разработках перестраиваемых генераторов компании Mini-Circuits позволяет получать качественные электрические параметры устройств и обеспечивать высокую надежность производимой радиоаппаратуры.
Юрий Никитин, к.т.н.
|