|
Современные драйверы IGBT и мощных полевых транзисторов
Статья посвящена разработкам ООО «Электрум АВ » для промышленного применения, по своим характеристикам аналогичным модульным приборам производства Semikron и CT Concept.
Современные концепции развития силовой электроники, уровень технологического базиса современной микроэлектроники обуславливают активное развитие систем, построенных на IGBT-приборах различной конфигурации и мощности . В государственной программе «Национальная технологическая база » этому направлению посвящены две работы по освоению серии IGBT-модулей средней мощности на предприятии «Контур » (г.Чебоксары) и серии IGBT-модулей большой мощности на предприятии «Кремний » (г.Брянск). В то же время применение и развитие систем на IGBT-модулях ограничивается отсутствием отечественных драйверных устройств для управления затворами IGBT. Эта проблема также актуальна для мощных полевых транзисторов, используемых в преобразовательных системах с напряжением до 200 В.
В настоящее время на российском «электронном» рынке устройства управления мощными полевыми и IGBT-транзисторами представлены фирмами Agilent Technologies, IR, Powerex, Semikron, CT Concept. Изделия IR и Agilent содержат только устройство формирования сигналов управления за вором транзистора и защитные схемы и требуют в случае работы с транзисторами большой мощности или на больших частотах для своего применения дополнительные элементы: DC/DC-преобразователь необходимой мощности для формирования питающих напряжений выходных каскадов, мощных внешних выходных каскадов для формирования сигналов управления затворами с необходимой крутизной фронтов, защитных элементов (стабилитронов, диодов и т.д.), элементов сопряжения системы управления (входная логика, формирование диаграммы управления полумостовыми приборами, оптически развязанные статусные сигналы состояния управляемого транзистора, питающих напряжений и т.д.). Изделия фирмы Powerex также требуют DC/DC-преобразователь, а для согласования с ТТЛ, КМОП и ВОЛС требуются дополнительные внешние элементы. Также отсутствуют необходимые статусные сигналы с гальванической развязкой.
Наиболее функционально полными являются драйверы фирм Semikron (серии SKHI) и CT Concept (типов Standart или SCALE). Драйверы CT Concept серии Standart и драйверы SKHI выполнены в видепечатных плат с разъемами для подключения к системе управления и управляемым транзисторам с установленными на них необходимыми элементами и с возможностью установки настроечных элементов потребителем. По своим функциональным и параметрическим особенностям изделия близки.
Номенклатура драйверов SKHI приведена в таблице 1.
Таблица 1. Номенклатура драйверов SKHI
| Тип драйвера фирмы Semikron |
Коли-чество кана-лов |
Мах напря-жение на управл. транзис-торе,В |
Изме-нение напря-жения на затворе,В |
Мах имп. вых. ток,А |
Max заряд затвора,мкКл |
Частота, кГц |
Напря-жение изоля-ции,кВ |
DU/dt, кВ/мкс |
| SKHI 10/12 |
1 |
1200 |
+15/–8 |
8 |
9,6 |
100 |
2,5 |
75 |
| SKHI 10/17 |
1 |
1700 |
+15/–8 |
8 |
9,6 |
100 |
4 |
75 |
| SKHI 21A |
1 |
1200 |
+15/–0 |
8 |
4 |
50 |
2,5 |
50 |
| SKHI 22A/22В |
2 |
1200 |
+15/–7 |
8 |
4 |
50 |
2,5 |
50 |
| SKHI 22A/H4 |
2 |
1700 |
+15/–7 |
8 |
4 |
50 |
4 |
50 |
| SKHI 22В/H4 |
2 |
1700 |
+15/–7 |
8 |
4 |
50 |
4 |
50 |
| SKHI 23/12 |
2 |
1200 |
+15/–8 |
8 |
4,8 |
100 |
2,5 |
75 |
| SKHI 23/17 |
2 |
1700 |
+15/–8 |
8 |
4,8 |
100 |
4 |
75 |
| SKHI 24 |
2 |
1700 |
+15/–8 |
8 |
5 |
50 |
4 |
50 |
| SKHI 26W |
2 |
1600 |
+15/–8 |
8 |
10 |
100 |
4 |
75 |
| SKHI 26F |
2 |
1600 |
+15/–8 |
8 |
10 |
100 |
4 |
75 |
| SKHI 27W |
2 |
1700 |
+15/–8 |
30 |
30 |
10 |
4 |
75 |
| SKHI 27F |
2 |
1700 |
+15/–8 |
30 |
30 |
10 |
4 |
75 |
| SKHI 61 |
6 |
900 |
+15/–6,5 |
2 |
1 |
50 |
2,5 |
15 |
| SKHI 71 |
7 |
900 |
+15/–6,5 |
2 |
1 |
50 |
2,5 |
15 |
| SKHIВS 01 |
7 |
1200 |
+15/–8 |
1,5 |
0,75 |
20 |
2,5 |
15 |
Драйверы SCALE фирмы CT Concept выполнены на основе базовой гибридной сборки и включают основные элементы для управления мощными полевыми или IGBTтранзисторами, которые смонтированы на печатной плате, с возможностью установки необходимых настроечных элементов. Плата оснащена также необходимыми разъемами и гнездами.
Номенклатура базовых гибридных сборок драйверов SCALE фирмы CT Concept приведена в таблице 2.
Драйверные устройства производства «Электрум АВ »являются полностью законченными, функциональнополными устройствами,содержащими все необходимые элементы для управления затворами мощных транзисторов, обеспечивая необходимые уровни согласования токовых и потенциальных сигналов, длительностей фронтов и задержек, а также необходимые уровни защиты управляемых транзисторов при опасных уровнях напряжения насыщения (токовая перегрузка или КЗ) и недостаточном напряжении на затворе. Применяемые DC/DC-преобразователи и транзисторные выходные каскады обладают необходимыми мощностями для обеспечения переключения управляемых транзисторов любой мощности с достаточной скоростью, обеспечивающей минимальные потери коммутации. Преобразователи DC/DC и оптронные развязки имеют достаточные уровни гальванической изоляции для применения в высоковольтных системах.
Таблица 2. Номенклатура базовых гибридных сборок драйверов SCALE фирмы CT Concept
| Тип драйвера фирмы CT Concept |
Коли-чество кана-лов |
Напря-жение пита-ния драй-вера,В |
Мах имп. выход-ной ток, А |
Мах напряже-ние на упр. транзис-торе,В |
Выход-ная мощ-ность, Вт |
Задержка, нс |
Напря-жение изол., В |
du/dt, кВ/мкс |
Вход |
| IGD 508E |
1 |
±15 |
±8 |
3300 |
5 |
225 |
5000 |
|
Волс |
| IGD 515E |
1 |
±15 |
±15 |
3300 |
5 |
225 |
5000 |
|
Волс |
| IGD 608E |
1 |
±15 |
±8 |
1200 |
6 |
60 |
4000 |
>50 |
Транс |
| IGD608А1 17 |
1 |
±15 |
±8 |
1700 |
6 |
60 |
4000 |
>50 |
Транс |
| IGD 615А |
1 |
±15 |
±15 |
1200 |
6 |
60 |
4000 |
>50 |
Транс |
| IGD615А1 17 |
1 |
±15 |
±15 |
1700 |
6 |
60 |
4000 |
>50 |
Транс |
| IHD 215А |
2 |
±15 |
±1,5 |
1200 |
1 |
60 |
4000 |
>50 |
Транс |
| IHD 280А |
2 |
±15 |
±8 |
1200 |
1 |
60 |
4000 |
>50 |
Транс |
| IHD280А1 17 |
2 |
±15 |
±8 |
1700 |
1 |
60 |
4000 |
>50 |
Транс |
| IHD 680А |
2 |
±15 |
±8 |
1200 |
3 |
60 |
4000 |
>50 |
Транс |
| IHD680A1 17 |
2 |
±15 |
±8 |
1700 |
3 |
60 |
4000 |
>50 |
Транс |
| IHD 580 F |
2 |
±15 |
±8 |
2500 |
2,5 |
200 |
5000 |
|
Волс |
В настоящей статье будут представлены приборы МД115, МД150, МД180 (МД115П, МД150П, МД180П) для управления одиночными транзисторами, а также МД215, МД250, МД280 (МД215П, МД250П, МД280П) для управления полумостовыми приборами.






Модуль драйвера одноканального IGBT и мощных полевых транзисторов: МД115, МД150, МД180, МД115П, МД150П, ИД180П
Модуль драйвера МД115, МД150, МД180, МД115П, МД150П, МД180П — гибридная интегральная схема для управления IGBT и мощными полевыми транзисторами, в том числе и в случае их параллельного включения. Модуль обеспечивает согласование по уровням токов и напряжений с большинством IGBT и мощных полевых транзисторов с предельно допустимым напряжением до 1700 В, защиту от перегрузки или КЗ, от недостаточного уровня напряжения на затворе транзистора. Драйвер формирует сигнал «авария » при нарушении режима работы транзистора. С помощью внешних элементов режим работы драйвера настраивается для оптимального управления разными типами транзисторов. Драйвер может использоваться для управления транзисторами с «кельвиновскими » выходами или для контроля тока с помощью токочувствительного резистора. Приборы МД115П, МД150П, МД180П содержат встроенный DC/DC-преобразователь для питания выходных каскадов драйвера. Для приборов МД115, МД150, МД180 требуется внешний изолированный источник питания.
Назначение выводов
- 1 — «авария +»
- 2 — «авария –»
- 3 — «вход +»
- 4 — «вход –»
- 5 — «U пит +» (только для моделей с индексом «П »)
- 6 — «U пит –» (только для моделей с индексом «П »)
- 7 — «Общий»
- 8 — «+Е пит»
- 9 — «выход» — управление затвором транзистора
- 10 — «–Е пит»
- 11 — «напр» — вход контроля напряжения насыщения управляемого транзистора
- 12 — «ток» — вход контроля тока протекающего через управляемый транзистор
Модули драйвера двухканального IGBT и мощных полевых транзисторов IA215, IA250, IA280, IA215I, IA250I, IA280I
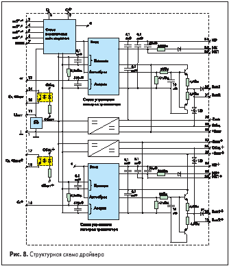
Модули драйвера МД215, МД250, МД280, МД215П, МД250П, МД280П — гибридная интегральная схема для управления IGBT и мощными полевыми транзисторами по двум каналам, как независимо, так и в полумостовом включении, в том числе при параллельном включении транзисторов. Драйвер обеспечивает согласование по уровням токов и напряжений с большинством IGBT и мощных полевых транзисторов с предельно допустимыми напряжениями до 1700 В, защиту от перегрузок или КЗ, недостаточного уровня напряжения на затворе транзистора. Входы драйвера имеют гальваническую развязку от силовой части с напряжением изоляции 4 кВ. Драйвер содержит внутренние DC/DC-преобразователи, формирующие необходимые уровни для управления затворами транзисторов. Прибор формирует необходимые статусные сигналы, характеризующие режим работы транзисто ров, а также наличие питания. С помощью внешних элементов режим работы драйвера настраивается для оптимального управления разными типами транзисторов.
Таблица 4. Обозначение выводов модуля драйвера двухканального IGBT и мощных полевых транзисторов
| № выв. |
Обозначение |
Функция |
№ выв. |
Обозначение |
Функция |
| 14 |
ВХ1 «+» |
Прямой управляющий вход первого канала |
15 |
ИК |
Измерительный коллектор для контроля напряжения насыщения на управляемом транзисторе первого канала |
| 13 |
ВХ1 «–» |
Инверсный управляющий вход первого канала |
16 |
ИК1 |
Вход контроля напряжения насыщения с настройкой
порога и времени блокировки первого канала |
| 12 |
СТ «+Е пит » |
Статус питающего напряжения выходного каскада первогоканала |
17 |
Вых2 |
Выход управления затвором транзистора с регулировкой времени включения управляемого транзистора первого канала |
| 11 |
Сз |
Вход для подключения дополнительного конденсатора (настройка времени задержки включения)первого канала |
18 |
Вых1 |
Выход управления затвором транзистора с регулировкой времени выклчения управляемого транзистора первого канала |
| 10 |
СТ |
Статусный выход аварии на управляемом транзисторе первого канала |
19 |
–Е пит |
Выходы напряжений питания силовой части драйвера первого канала |
| 9 |
БЛОК |
Вход блокировки |
20 |
Общ |
Выходы напряжений питания силовой части драйвера первого канала |
| 8 |
|
Не задействован |
21 |
+Е пит |
Выходы напряжений питания силовой части драйвера первого канала |
| 7 |
+5В |
Вход для подключения питания входной схемы |
22 |
+Е пит ' |
Выходы напряжений питания силовой части драйвера второго канала |
| 6 |
|
Вход для подключения питания входной схемы |
23 |
Общ' |
Выходы напряжений питания силовой части драйвера второго канала |
| 5 |
ВХ2 «+» |
Прямой управляющий вход второго канала |
24 |
–Е пит ' |
Выходы напряжений питания силовой части драйвера второго канала |
| 4 |
ВХ2 «–» |
Инверсный управляющий вход второго канала |
25 |
Вых1' |
Выход управления затвором транзистора с регулировкой времени включения управляемого транзистора второго канала |
| 3 |
СТ «+Е пит »9 |
Статус питающего напряжения выходного каскада второго канала |
26 |
Вых2' |
Выход управления затвором транзистора с регулировкой времени выключения управляемого транзистора второго канала |
| 2 |
Сз9 |
Вход для подключения дополнительного конденсатора (настройка времени задержки переключения)второго канала |
27 |
ИК1' |
Вход контроля напряжения насыщения с настройкой
порога и времени блокировки второго канала |
| 1 |
СТ9 |
Статусный выход аварии на управляемом транзисторе второго канала |
28 |
ИК' |
Измерительный коллектор для контроля напряжения насыщения на управляемом транзисторе второго канала |


Приборы обоих типов МД1ХХХ и МД2ХХХ обеспечивают формирование сигналов управления затворами транзисторов с регулируемой раздельно величиной зарядного и разрядного токов, с требуемыми динамическими параметрами, обеспечивают контроль напряжений и защиту затворов транзисторов в случае недостаточного или избыточного напряжения на них. Оба типа приборов контролируют напряжение насыщения управляемого транзистора и производят плавное аварийное отключение нагрузки в критических ситуациях, формируя сигнал с оптронной развязкой, сигнализирующий об этом. В дополнение к этим функциям приборы серии МД1ХХХ обладают возможностью контроля тока через управляемый транзистор с помощью внешнего токоизмерительного резистора — «шунта». Такие резисторы, обладающие сопротивлениями от 0,1 до нескольких мОм и мощностями в десятки и сотни Вт, выполненные на керамических основаниях в виде полос нихрома или манганина точной геометрии с подгонкой номинала, также разработаны ООО «Электрум АВ ». Более подробную информацию о них можно найти на сайте www.orel.ru/voloshin .
Таблица 5. Основные электрические параметры
| Входная схема |
| |
мин. |
тип. |
макс. |
| Напряжение питания,В |
4,5 |
5 |
18 |
| Ток потребления,мА |
не более 80 без нагрузки не более 300мА с нагрузкой |
| Входная логика |
КМОП 3 –15 В,ТТЛ |
| Ток по входам управления,мА |
не более 0,5 |
| Напряжение на выходе ст,В |
не более 15 |
| Выходной ток по выходу ст,мА |
не менее 10 |
| Выходная схема |
| Пиковый выходной ток,А |
| МД215 |
не более 1,5 |
| МД250 |
не более 5,0 |
| МД280 |
не более 8,0 |
| Выходной средний ток,мА |
не более 40 |
| Максимальная частота переключения,кГц |
не менее 100 |
| Скорость изменения напряжения,кВ/мкс |
не менее 50 |
| Максимальное напряжение на управляемом транзисторе,В |
не менее 1200 |
| DC/DC преобразователь |
| Выходные напряжения,В |
не менее 15 |
| Мощность,Вт |
не менее 1 не менее 6 (для моделей с индексом М) |
| КПД |
не менее 80% |
| Динамические характеристики |
| Задержка вход выход t вкл ,мкс |
не более 1 |
| Задержка защитного отключения t выкл ,мкс |
не более 0,5 |
| Задержка включения статуса,мкс |
не более 1 |
| Время восстановления после срабатывания защиты,мкс |
не более 10 |
| <Внутренняя задержка включения верхнего и нижнего
транзисторов t зад ,мкс/td>
| не менее 1 (задается емкостями Сt,Сt') |
| Время срабатывания схемы защиты по напряжению
насыщения при включении транзистора tблок ,мкс |
не менее 1 |
| Пороговые напряжения |
| |
мин. |
тип. |
макс. |
| Порог срабатывания защиты по недостаточному E питания ,В |
10,4 |
11 |
11,7 |
| Схема защиты по напряжению насыщения управляемого
транзистора обеспечивает отключение выхода и формиро вание сигнала СТ при напряжении на входе «ИК »,В |
6 |
6,5 |
7 |
| Изоляция |
| Напряжение изоляции сигналов управления относительно силовых сигналов,В |
не менее 4000 переменного напряжения |
| Напряжение изоляции DC/DC преобразователя,В |
не менее 3000 постоянного напряжения |

Предлагаемые драйверы позволяют управлять транзисторами с высокой частотой (до 100 кГц), что позволяет добиваться очень высоких эффективностей преобразовательных процессов.
Приборы серии МД2ХХХ имеют встроенный блок входной логики, позволяющий управлять сигналами с различной величиной от 3 до 15 В (КМОП)и стандартными ТТЛ-уровнями, обеспечивая при этом идентичный уровень сигналов управления затворами транзисторов и формируя настраиваемую с помощью внешних конденсаторов длительность задержки переключения верхнего и нижнего плеча полумоста, что позволяет обеспечить отсутствие сквозных токов.
Особенности применения драйверов на примере устройства МД2ХХХ
Краткий обзор
Модули драйвера МД215, МД250, МД280, МД215П, МД250П, МД280П — универсальные модули управления, предназначенные для переключения IGBT и мощных полевых транзисторов.
Все типы МД2ХХХ имеют взаимно совместимые контакты и отличаются только уровнем максимального импульсного тока.

Типы МД с более высокими мощностями — МД250, МД280, МД250П, МД280П хорошо подходят для большинства модулей или нескольких параллельно соединенных транзисторов, используемых на высоких частотах.
Модули драйвера ряда МД2ХХХ представляют собой полное решение проблем управления и защиты для IGBT и мощных полевых транзисторов. Фактически никакие дополнительные компоненты не требуются ни во входной, ни в выходной части.
Действие
Изменение выходного напряжения драйвера от +18 до –5 В в зависимости от управляющего сигнала позволяет надежно управлять IGBT-модулями любой мощности и от любого производителя. Благодаря большой устойчивости к помехам, достигнутой использованием отрицательного управляющего напряжения, несколько полевых или IGBT-модулей могут соединяться параллельно без возможного паразитного действия переключений и колебаний.
Модули драйвера МД215, МД250, МД280, МД215П, МД250П, МД280П для каждого из двух каналов содержат:
- входную схему, обеспечивающую согласование уровней сигналов и защитную задержку переключения;
- электрическую изоляцию между входной схемой и силовой (выходной) частью;
- схему управления затвором транзистора; на открытом транзисторе;
- схему контроля уровня напряжения питания силовой части драйвера;
- усилитель мощности;
- защиту от выбросов напряжения в выходной части драйвера;
- электрически изолированный источник напряжения — конвертер DC//DC (только для модулей с индексом П)
Оба канала драйвера работают независимо друг от друга.
Благодаря электрической изоляции, осуществляемой с помощью трансформаторов и оптронов (подвергаемых испытательному напряжению 2650 В переменного напряжения частотой 50 Гц в течении 1 мин.) между входной схемой и силовой частью, а также чрезвычайно высокой скоростью нарастания напряжения — 30 кВ/мкс, модули драйверов применяются в схемах с большими потенциальными напряжениями и большими потенциальными скачками, происходящими между силовой частью и схемой контроля (управления).
Очень короткие времена задержки драйверов ряда МД2ХХХ позволяют использовать их в высокочастотных источниках питания, высокочастотных конвертерах и конвертерах резонанса. Благодаря чрезвычайно коротким временам задержки они гарантируют безаварийную работу при управлении мостом.
Одна из основных функций драйверов ряда МД2ХХХ — гарантия надежной защиты управляемых силовых транзисторов от короткого замыкания и перегрузки. Аварийное состояние транзистора определяется с помощью напряжения на коллекторе силового транзистора в открытом состоянии. Если превышен порог, определенный пользователем, силовой транзистор выключается и остается заблокированным до окончания активного уровня сигнала на управляющем входе. После этого транзистор может быть снова включен подачей активного уровня на управляющий вход. Эта концепция защиты широко используется для надежной защиты IGBT-транзисторов.
Функциональное назначение выводов
Выводы 14 (ВХ1 «+»),13 (ВХ1 «–»)
Выводы 13 и 14 являются управляющими входами драйвера. Управление осуществляется подачей на них логических уровней ТТЛ. Вход Вх1 «+» является прямым, то есть при подаче на него логической 1 происходит открытие силового транзистора, а при подаче 0 — его закрытие. Вход Вх1 «–» является инверсным, то есть при подаче на него логической 1 происходит закрытие силового транзистора, а при подаче 1 — его открытие. Обычно Вх1 «–» подключается к общему проводнику входной части драйвера, а по входу Вх1 «+» производится управление им. Инвертирующее и неинвертирующее включение драйвера представлено на рис.10.
В таблице 6 приведена диаграмма состояния одного канала драйвера.
Электрическая изоляция между входной и выходной частью драйвера на этих выводах осуществляется с помощью оптронов. Благодаря их применению исключается возможность воздействия переходных процессов, возникающих на силовом транзисторе, в схему управления.
Таблица 6. Диаграмма состояний одного канала драйвера
| Вх1+ |
Вх1– |
Напряжение на затворе транзистора <нормы |
Напряжение насыщения транзистора >нормы |
Ст |
Ст «+Е пит» |
Вых |
| Х |
Х |
+ |
Х |
Х |
L |
L |
| x |
x |
x |
+ |
l |
Н |
l |
| l |
x |
x |
x |
x |
Н |
l |
| x |
H |
x |
x |
x |
H |
l |
| H |
l |
- |
- |
H |
H |
H |
Входная схема имеет встроенную защиту, исключающую открытие обоих силовых транзисторов полумоста одновременно. Если на управляющие входы обоих каналов подать активный управляющий сигнал, то произойдет блокирование схемы, и оба силовых транзистора будут закрыты.
Модули драйвера должны располагаться как можно ближе к силовым транзисторам и соединяться с ними максимально короткими проводниками. Входы Вх1 «+» и Вх1 «–» могут быть соединены со схемой управления и контроля проводниками длиной до 25 см.
Причем проводники должны идти параллельно. Кроме того, входы Вх1 «+» и Вх1 «–» можно соединить со схемой управления и контроля с помощью витой пары. Общий проводник к входной схеме должен всегда подводиться отдельно для обоих каналов для обеспечения надежной передачи управляющих импульсов.
Принимая во внимание, что надежная передача управляющих импульсов происходит в случае очень длинного импульса, то полная конфигурация должна быть проверена в случае минимально короткого управляющего импульса.
Вывод 12 (СТ «+Е пит »)
Вывод 12 является статусным выходом, подтверждающим наличие питания (+18 В) на выходной (силовой) части драйвера. Он собран по схеме с открытым коллектором. При нормальной работе драйвера (наличии питания и достаточном его уровне) статусный вывод соединяется с общим выводом управляющей схемы с помощью открытого транзистора. Если этот статусный вывод подключить по схеме, представленной на рис.11, то аварийной ситуации будет соответствовать высокий уровень напряжения на нем (+5 В). Нормальной работе драйвера будет соответствовать низкий уровень напряжения на этом статусном выводе. Типовое значение протекающего тока через статусный вывод соответствует 10 мА, следовательно, номинал резистора R рассчитывается по формуле R =U/0,01,

где U — питающее напряжение. При снижении напряжения питания ниже 12 В происходит выключение силового транзистора и блокировка работы драйвера.
Вывод 11 (Сз)
К выводу 11 подключается дополнительный конденсатор, увеличивающий время задержки между входным и выходным импульсом tвкл на драйвере. По умолчанию (без дополнительного конденсатора) это время ровно 1 мкс, благодаря чему на импульсы короче 1 мкс драйвер не реагирует (защита от импульсных помех). Основным назначением этой задержки является исключение возникновения сквозных токов, возникающих в полумостах. Сквозные токи вызывают разогрев силовых транзисторов, срабатывание аварийной защиты, увеличивают потребляемый ток, ухудшают КПД схемы. Благодаря введению этой задержки обоими каналами драйвера, нагруженного на полумост, можно управлять одним сигналом в форме меандра.
| Требуемое время задержки, мкс |
Устанавливаемая емкость, пФ |
| 1 |
0 |
| 2 |
510 |
| 3 |
1200 |
К примеру, модуль 2MBI 150 имеет задержку по выключению 3 мкс, следовательно, чтобы исключить возникновение сквозных токов в модуле при совместном управлении каналами, нужно поставить дополнительную емкость не менее 1200 пФ на оба канала.
Для снижения влияния окружающей температуры на время задержки необходимо выбирать конденсаторы с малым ТКЕ.
Вывод 10 (СТ)
Вывод 10 является статусным выходом аварии на силовом транзисторе первого канала. Высокому логическому уровню на выходе соответствует нормальная работа драйвера, а низкому уровню — авария. Авария возникает в случае превышения напряжения насыщения на силовом транзисторе порогового уровня. Максимальный ток, протекающий по выходу, составляет 8 мА.



Вывод 9 (БЛОК)
Вывод 6 является управляющим входом драйвера. При подаче на него логической единицы происходит блокировка работы драйвера и подача запирающего напряжения на силовые транзисторы. Вход блокировки является общим для обоих каналов. Для нормальной работы драйвера надо подать на этот вход логический ноль.
Вывод 8 не используется.
Выводы 7 (+5 В) и 6 (общий)
Выводы 6 и 7 являются входами для подключения питания к драйверу. Питание осуществляется от источника мощностью 8 Вт и выходным напряжением 5 ± 0,5 В. Питание необходимо подключить к драйверу проводниками небольшой длины (для уменьшения потерь и увеличения помехозащищенности). В случае, если соединяющие проводники имеют длину более 25 см, необходимо между ними как можно ближе к драйверу ставить помехоподавляющие емкости (керамический конденсатор емкостью 0,1 мкФ).
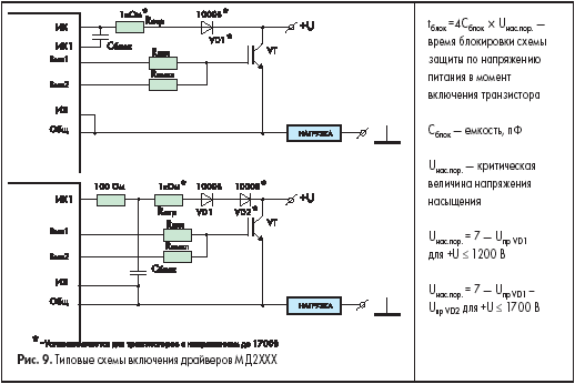
Вывод 15 (ИК)
Вывод 15 (измерительный коллектор) подключается к коллектору силового транзистора. Через него осуществляется контроль напряжения на открытом транзисторе. В случае КЗ или перегрузки напряжение на открытом транзисторе резко возрастает. При превышении на коллекторе транзистора порогового значения напряжения происходит запирание силового транзистора и срабатывает статус аварии СТ. Временные диаграммы процессов, протекающих в драйвере при срабатывании защиты, приведены на рис.7. Порог срабатывания защиты можно снизить подключением последовательно соединенных между собой диодов, причем пороговая величина напряжения насыщения U нас. пор .=7 –n U пр.VD , где n — количество диодов, U пр.VD — падение напряжения на открытом диоде. В случае, если питание силового транзистора осуществляется от источника 1700 В, необходимо установить дополнительный диод напряжением пробоя не ниже 1000 В. Катод диода подключается к коллектору силового транзистора. Время срабатывания защиты можно регулировать с помощью вывода 16-ИК1.
Вывод 16 (ИК1)
Вывод 16 (измерительный коллектор) в отличие от вывода 15 не имеет встроенного диода и ограничительного резистора. Он необходим для подключения конденсатора, который определяет время срабатывания защиты по напряжению насыщения на открытом транзисторе. Эта задержка необходима для того, чтобы исключить влияние на схему помехи. Благодаря подключению конденсатора время срабатывания защиты увеличивается пропорционально емкости t блокировки =4 С U нас. пор., где C — емкость конденсатора, пФ. Это время суммируется со временем внутренней задержки драйвера t выкл(10%)=3 мкс. По умолчанию в драйвере стоит емкость С =100 пФ, следовательно, задержка срабатывания защиты составляет t =4 100 6,3+t выкл (10%)=5,5 мкс. В случае необходимости это время можно увеличивать, подключая емкость между 16 выводом и общим проводом питания силовой части.

Выводы 17 (вых.2)и 18 (вых.1)
Выводы 17 и 18 являются выходами драйвера. Они предназначены для подключения силовых транзисторов и регулировки времени их включения. По выводу 17 (вых.2) происходит подача положительного потенциала (+18 В) на затвор управляемого модуля, а по выводу 18 (вых.1)— отрицательного потенциала (–5 В). В случае необходимости обеспечения крутых фронтов управления (порядка 1 мкс) и не очень большой мощности нагрузки (два модуля 2MBI 150, включенных параллельно) допустимо прямое соединение этих выходов с управляющими выводами модулей. Если нужно затянуть фронты или ограничить ток управления (в случае большой нагрузки), то модули необходимо подключать к выводам 17 и 18 через ограничивающие резисторы.
В случае превышения напряжения насыщения порогового уровня происходит защитное плавное снижение напряжения на затворе управляющего транзистора. Время снижения напряжения на затворе транзистора до уровня 90%t выкл (90%)=0,5мкс, до уровня 10%t выкл(10%)=3 мкс. Плавное снижение выходного напряжения необходимо для того, чтобы исключить возможность возникновения скачка напряжения.
Выводы 19 (–E пит ), 20 (Общ.) и 21 (+E пит )
Выводы 19, 20 и 21 являются выходами питания силовой части драйвера. На эти выводы поступает напряжение с DC/DC-преобразователя драйвера. В случае использования драйверов типа МД215, МД250, МД280 без встроенных DC/DC-конверторов сюда подключаются внешние источники питания: 19 вывод –5 В, 20 вывод — общий, 21 вывод +18 В на ток до 0,2 А.
Расчёт и выбор драйвера
Исходными данными для расчета является входная емкость модуля С вх или эквивалентный заряд Q вх, входное сопротивление модуля R вх, размах напряжения на входе модуля .U =30 В (приводятся в справочной информации по модулю), максимальная рабочая частота, на которой работает модуль f max.
Необходимо найти импульсный ток, протекающий через управляющий вход модуля Imax, максимальную мощность DC/DC-преобразователя P.
На рис.16 приведена эквивалентная схема входа модуля, которая состоит из емкости затвора и ограничивающего резистора.

Если в исходных данных задан заряд Q вх , то необходимо пересчитать его в эквивалентную входную емкость C вх =Q вх /DU.
Реактивная мощность, выделяемая на входной емкости модуля, рассчитывается по формуле Рс =f Q вх DU. Общая мощность DC/DC-преобразователя драйвера Р складывается из мощности, потребляемой выходным каскадом драйвера Рвых, и реактивной мощности, выделяемой на входной емкости модуля Рс: Р =Р вых +Рс.
Рабочая частота и размах напряжения на входе модуля при расчетах взяты максимальными, следовательно, получена максимально возможная при нормальной работе драйвера мощность DC/DC-преобразователя.
Зная сопротивление ограничивающего резистора R, можно найти импульсный ток, протекающий через драйвер: I max =DU/R.
По результатам расчетов можно произвести выбор наиболее оптимального драйвера, необходимого для управления силовым модулем.
Сергей Волошин
|