Методы уменьшения входных пульсаций для преобразователей с накачкой заряда
Преобразователи с накачкой заряда - тип DC/DC-конвертеров, которые используют конденсаторы вместо катушек индуктивности для хранения и передачи энергии. Отсутствие катушек индуктивности делает их прменение предпочительным в тех случиях, когда требуется вспомогательное питание с низким энергопотреблением (выходной ток приблизительно до 150 мА), небольшая занимаемая площадь не печатной плате и минимальная высота.
Для уменьшения размеров конденсаторов и оптимизации выходного тока в преобразователях с накачкой заряда повышают скорость переключения и стараются уменьшить сопротивления ключей, но эти меры приводят к появлению шумов и пульсации на входе питания. Этот шум может распространиться назад через входной вывод питания, создавая проблемы для управляемых генераторов, VC и других схем,чувствительных к помехам по питанию.
Основные принципы работы
Сначала рассмотрим схему преобразователя, работающего в режиме инвертирования входного напряжения (рис.1). Управление преобразователем осуществляется 2-фазным синхросигналом с 50-процентной скважностью. В первом такте конденсатор накачки (С PUMP ) заряжается входным напряжением (V IN ) через замкнутые ключи SW1A и SW1B. В это время SW2A и SW2B закрыты. В следующем тактовом цикле ключи SW2A и SW2B замыкаются и подключают СPUMP к СCOUT, таким образом вырабатывая напряжение, равное V IN на выходе схемы.

Теперь рассмотрим схему преобразователя, работающего в режиме удвоителя (рис.2). Как и прежде, управление осуществляется 2-фазным синхросигналом с 50-процентной скважностью. Конденсатор накачки — устройство передачи заряда — в первом такте заряжает до V IN через замкнутые ключи SW2A и SW2B (в это время ключи SW1A и SW2B закрыты). В следующем такте ключи SW1A и SW1B замыкаются, подключая СPUMP к COUT, таким образом вырабатывая напряжение +2V IN на выходе схемы.

Как уже говорилось,пульсации на входе и выходе преобразователя вызываются быстрым зарядом и разрядом конденсатора накачки. Для иллюстрации проявления пульсаций на входе питания была собрана схема инвертора (рис.3) на преобразователе накачкой заряда МАX665. Она вырабатывает напряжение –5 В на нагрузочном сопротивлении 51Ом.Достаточно низкочастотные (<100 кГц) пульсации, вызванные большим нагрузочным током, могут быть легко измерены (рис.4).


Методы сокращения пульсаций
Для уменьшения пульсаций необходимо изолировать источник пульсаций от остальной части схемы. Для улучшения эффективности преобразования необходимо уменьшать ESR и гарантировать, что номиналы конденсаторов (входного, выходного и накачки) были как можно ближе к рекомендованным в спецификации на преобразователь. Ниже рассмотрим четыре метода снижения пульсации и достигнутые результаты.
- Сокращение ESR входного конденсатора предполагает, что на вход преобразователя будут подключены N идентичных конденсаторов, включенных параллельно, при этом уровень входной пульсации уменьшается в N-1 раз. К сожалению, этот подход не очень эффективен, так как увеличивается занимаемая площадь на печатной плате и значительно возрастает стоимость изделия.
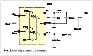
- Вместо большого количества конденсаторов включим последовательно со входным выводом питания LC-фильтр (рис.5). Дополнительная фильтрация препятствует распространению пульсаций через входной вывод питания на другие части схемы. Как и все фильтры второго порядка, LC-фильтр требует меньшее количество элементов, чем предыдущая схема. Кроме того, небольшая последовательная индуктивность вызывает минимальное падение напряжения между входной линией питания и преобразователем.

Частота пульсаций равняется частоте накачки (F CLOCK /2). Фильтры второго порядка имеют спад 40 дБ/декада, так что, в идеале, частота среза фильтра (F –3 дБ ) должна быть выбрана равной минимум одной десятой частоты накачки.

Катушка индуктивности должна иметь рабочий ток больший, чем 1,5I OUT .
Фильтр должен иметь критическое затухание или близкое к нему, обеспечивая тем самым низкие значения сопротивлений R SOURCE и R LOAD. Для обеспечения критического затухания, то есть работы фильтра без выбросов на частоте среза, необходимо выполнить условие

Критическое затухание не является особо необходимым для работы схемы, так как качество фильтрации остается приемлемым даже при некоторых выбросах на частоте среза. Так, например, фильтр, составленный из конденсатора 10 мкФ и индуктивности 10 мкГн, обеспечивает спад –3 дБ на частоте 15,9 кГц и R SOURCE 1 Ом. На рис.6 приведены амплитудные характеристики схемы рис.5 при различных коэффициентах затухания, а на рис.7 показано, что в случае применения входного LC-фильтра удается получить более низкие уровни пульсаций, чем в схеме рис.3.


- Включение линейного регулятора LDO перед входом питания преобразователя (рис.8) приводит к схеме, эффективно подавляющей пульсации в остальной части системы. LDO работает с меньшими номиналами конденсаторов, чем эквивалентный по эффективности пассивный LC-фильтр: например, МАX8860 LDO на 300 мА (корпус — 8-выводной µМАX) требует включения на входе и выходе конденсаторов 2,2 мкФ; а семейство МАX8863-4 линейных регуляторов на 120 мА (корпус — SOT23) требует включения на входе и выходе только керамических конденсаторов 1 мкФ. Однако LDO должен иметь рабочий ток, не менее чем вдвое превышающий выходной ток преобразователя с накачкой заряда.

- Включение RC-цепочки к входу питания (рис.9). Эта схема представляет собой однополюсную версию схемы с LC-фильтром. Вообще говоря, применение RC-фильтра на входе не рекомендуется, так как для обеспечения минимума потерь необходимо использовать малоомные R FILTER (<5 Ом) и очень большие C FILTER . На рис.10 показан эффект от применения добавочного RC-фильтра на входе схемы рис.9.

Если питание осуществляется от батареи, то ее эффективная объемная емкость может служить дополнительным C FILTER . Поскольку объемная емкость имеет очень большую величину, то результирующий фильтр получается очень эффективным. Например, пусть емкость литиевой батареи — 800 мА x час.Тогда:
Q =C .V и I T =C V,
где I =800 мА, T =3600 сек (1 час), и V =3,4 В
Отсюда, C =847 Ф и f FILTER =0,12 мГц. Сумма ESR и сопротивления контакта батареи (~100 мОм) ограничивает ослабление помех максимальным значением 21 дБ, считая, что сопротивление источника пульсаций (R FILTER ) равняется 1 Ом. Реальная батарея более сложна — центральной объемной емкостью, изменяемой ESR, ESL и паразитной емкостью. На практике нужно добавить блокировочную емкость как можно ближе к R FILTER , тем самым обеспечивая высокочастотную развязку и низкое значение ESR (<50 мОм) на батарею на частотах выше 250 кГц. Типичное значение блокировочной емкости — 470 нФ. В схеме рис.10, C FILTER увеличена до 1500 мкФ, при этом снижение напряжения и тока пульсаций на входе показано на рис.11.


Заключение
Из вышесказанного видно, что существует несколько способов уменьшения уровня пульсаций на входе питания. Включение LC-фильтра в дополнение к входному конденсатору, рекомендованному в спецификациях, обеспечивает превосходную защиту от пульсаций напряжения остальной части системы (рис.10) с минимальным эффектом влияния на коэффициент полезного действия системы электропитания. Эффективная альтернатива для систем батарейного питания — простое включение добавочного резистора, который занимает минимальное место на печатной плате. Резистор также применим в обычных, небатарейных системах, которым требуются большие значения времени хранения информации в памяти при отключении питания.
Евгений Никитин
|