|
Какой компаньон нужен вашему контроллеру?
Современная полупроводниковая технология позволяет создавать сложнейшие многофункциональные системы на одном кристалле. Однако при их проектировании важно соблюсти баланс между комбинацией множества функций, их специфическими параметрами и планируемой шириной области применения будущей микросхемы. Статья познакомит вас с семейством Processor Companion корпорации Ramtron. Их место в микроконтроллерной структуре — сервисные общесистемные функции, их преимущество — уникальные свойства технологии FRAM.

Всякая микроконтроллерная и микропроцессорная система состоит из вычислительного ядра и периферийных устройств. Периферия, в свою очередь, включает функциональные узлы, определяющие специфическое назначение системы в целом, а также ряд устройств, реализующих общесистемные вспомогательные функции. Последние, как правило, присутствуют в большинстве микроконтроллерных систем, какое бы назначение они не имели. В их числе память, оперативная и энергонезависимая, схемы мониторинга питания, системного сброса, различные таймеры — сторожевой, временных интервалов, реального времени (часы-календарь) и целый ряд других.
В интегральном исполнении каждая из этих функций представлена в арсенале большинства производителей. Некоторые, как, например, STMicroelectronics, Dallas Semiconductor и другие, предлагают также комбинации нескольких системных функций на одном кристалле. Уникальность семейства Processor Companion состоит в соединении системных функций, эффективных для широкого спектра приложений, с преимуществами технологии FRAM.
Технология FRAM, автором и держателем множества патентов которой является корпорация Ramtron, уже подробно рассматривались во многих отечественных и зарубежных публикациях. Коротко о ее ключевых преимуществах:
- Быстродействие стандартной асинхронной SRAM и в то же время реальная энергонезависимость.
- NoDelay — запись без задержек, свойственных технологиям EEPROM и Flash, одинаковая длительность циклов записи и чтения.
- Сохраняет данные более 10 лет без резервного питания и регенерации.
- Большой ресурс циклов обращения — 10 млрд, 100 млрд, 1 трлн или неограниченный.
- Низкая потребляемая мощность, равная при записи и чтении.
- Вся компоненты FRAM специфицированы в температурном диапазоне от –40 до +85 °С, но не теряют работоспособности в диапазоне от –55 до +125 °С.
- Устойчиво работает в условиях электромагнитных помех.
В микросхемах семейства Processor Companion технология FRAM используется не только в основном массиве памяти, но и во вспомогательных регистрах каждого из функциональных узлов, что обеспечивает энергонезависимое хранение переменных значений, быстрое их обновление и огромное количество циклов модификации, а также низкое энергопотребление в активном режиме.
 
 Рис. 1. Processor Companion — однокристальное сочетание нескольких сервисных функций
В составе семейства несколько серий, различающихся сочетанием функциональных узлов, их специфическими параметрами, объемом памяти FRAM и типами интерфейсов (табл. 1).
Таблица 1. Микросхемы семейства Processor Companion и их функциональный состав
| Наименование |
Краткое описание |
Статус |
| FM3808-70-T |
Интерфейс: параллельный 8 бит, время доступа 70 нс.
Массив памяти FRAM: 32 кбайт, 100 млрд циклов обращения.
Часы-календарь (RTC): BCD+формат, от 1 секунды до столетия, учет високосных лет,
программная калибровка, стандартный кварцевый резонатор 32,768 кГц (6 пФ),
низкое потребление от резервного источника — менее 1 мкA.
Таймер временных интервалов (Clock Alarm): программируемый, однократное или регулярное
срабатывание от 1 секунды до 1 месяца.
Сторожевой таймер (Watchdog): программируемый временной интервал от 100 мс до 3 с.
Генератор прерывания (Interrupt), управляемый Watchdog, PSM или Clock Alarm,
программируемый активный уровень и способ (импульс или уровень) прерывания.
Монитор питания (PSM): порог срабатывания 4,5 В ±150 мВ.
Питание и потребление: 4,5–5,5В, 25 мА при Vdd=5,5 В.
Корпус: TSOP-32.
Для макетирования предлагается модуль в конструктиве DIP-32: FM3808DK. |
Серийное производство |
| FM30C256-S |
Интерфейс: последовательный I2C, тактовая частота до 1 MГц.
Массив памяти FRAM: 32 кбайт, 10 млрд циклов обращения.
Часы-календарь (RTC): BCD+формат, от 1 секунды до столетия, учет високосных лет,
программная калибровка, стандартный кварцевый резонатор 32,768 кГц (6 пФ),
низкое потребление от резервного источника – менее 1 мкA.
Монитор питания (PSM): порог срабатывания 4,35 В ±150 мВ.
Генератор сигнала сброса (Reset), управляемый PSM, открытый коллектор, активный уровень низкий.
Одноразрядный регистратор внешнего события с фиксацией времени его возникновения
в энергонезависимом регистре.
Питание и потребление: 4,5–5,5 В, 1,35 мА при FCLK = 1 MГц и Vdd = 5,5 В.
Корпус: широкий (300 mil) SOIC+20. |
Серийное производство |
FM3104-S FM3116-S FM3164-S FM31256-S |
Интерфейс: последовательный I2C, тактовая частота до 1 MГц.
Массив памяти FRAM: 512 байт, 2, 8 или 32 кбайт, неограниченное количество циклов обращения.
Часы-календарь (RTC): BCD+формат, от 1 секунды до столетия, учет високосных лет, программная
калибровка, стандартный кварцевый резонатор 32,768 кГц (6 пФ), низкое потребление
от резервного источника – менее 1 мкA.
Сторожевой таймер (Watchdog): программируемый временной интервал от 100 мс до 3 с.
Монитор питания (PSM): программируемый порог срабатывания: 2,6, 2,9, 3,9 или 4,4 В ±50 мВ.
Генератор сигнала сброса (Reset), управляемый сторожевым таймером, PSM или внешним запуском
(Manual Reset) с защитой от дребезга, активный уровень низкий.
Два каскадируемых энергонезависимых 16+разрядных счетчика внешних событий.
Компаратор общего назначения для раннего обнаружения аварий по питанию (PFI/PFO).
Программируемый серийный номер 64 разряда с однократной установкой защиты от изменения.
Устройство слаботочного заряда резервного источника питания.
Питание и потребление: 2,7–5,5 В, 1,5 мА при FCLK = 1 MГц и Vdd = 5,5 В.
Корпус: узкий (150 mil) SOIC+14. |
Образцы доступны |
FM3204-S FM3216-S FM3264-S FM32256-S |
Функциональный состав FM31xxx без RTC. Для систем, не требующих обязательной привязки
к реальному времени.
Питание и потребление: 2,7–5,5 В, 1,0 мА при FCLK = 1 MГц и Vdd = 5,5 В.
Корпус: узкий (150mil) SOIC+14 |
II квартал 2004 года |
| FM4005-S |
Функциональный состав FM31xxx без массива FRAM. Для систем с большим объемом системной
памяти или использующих встроенную память микроконтроллера.
Питание и потребление: 2,7–5,5 В, 1,0 мA при FCLK = 1 MГц и Vdd = 5,5 В.
Корпус: узкий (150 mil) SOIC+14. |
II квартал 2004 года |
Массив памяти
Все продукты FRAM корпорации Ramtron имеют байтовую организацию массива. Микросхемы семейства Processor Companion имеют объем памяти 32 кбайт, а серии FM31xxx и FM32xxx включают также версии с меньшим объемом памяти — 512 байт, 2 и 8 кбайт — и, соответственно, меньшую стоимость. При этом новые серии FM31xxx, FM32xxx, рассчитанные на работу в расширенном диапазоне питающего напряжения, имеют неограниченный ресурс циклов записи-чтения.
Часы-календарь
Таймер реального времени в микросхемах Processor Companion оптимизирован для микропотребления. Источник тока возбуждения генератора потребляет всего 150 нA при использовании стандартного «часового» кварцевого резонатора 32,768 кГц с емкостным параметром 6 пФ. Использование резонатора, рассчитанного на нагрузку 12,5 пФ, увеличивает ток потребления в разы. Точность хода часов корректируется программной калибровкой на этапе наладки записью поправочного коэффициента в специальный регистр и может быть уменьшена с ±50 ppm до ±2 ppm. Это соответствует ошибке в ±6 секунд в месяц при калибровочной температуре.
В отсутствие основного питания ток от резервного источника потребляется только часами и «дежурными» узлами. Его уровень настолько невелик (порядка 1 мкА), что позволяет использовать в качестве резервного источника конденсатор.
Это еще одно преимущество перед конкурирующими приборами, использующими массив памяти SRAM.
Обеспечение сохранности данных SRAM требует существенно большего расхода энергии резервного источника. Как результат — построение гибридных модулей с литий-ионной батареей (например, PowerCap у Dallas Semiconductor). Это увеличивает стоимость компонентов, габариты, снижает надежность и эксплуатационные характеристики. Вероятно, габариты батареи также являются причиной очень ограниченного спектра компонентов с последовательным интерфейсом в рассматриваемой категории.
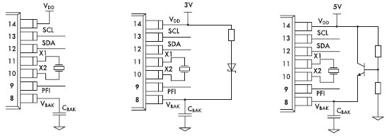
В сериях FM31, FM32 и FM4005 встроена схема слаботочного (4–8 мкA) заряда резервного источника. В случае использования его в качестве литиевой батареи функция заряда отключается через регистр специальных функций. В базовом варианте схема включения резервного источника не требует никаких дополнительных внешних компонентов. Полный заряд конденсатора емкостью 0,1 Ф в этом случае осуществится примерно за сутки.
Сторожевой таймер, монитор питания и Reset-генератор
Функции супервизора управляются программно. Наибольшей гибкостью отличается супервизор в сериях FM31, FM32 и FM4005. Сторожевой таймер может быть запрограммирован на интервал от 100 мс до 3 с с шагом 100 мс или отключен. Монитор питания, учитывая его широкий диапазон, имеет четыре устанавливаемых порога срабатывания:
- 2,6 В — для систем с Vmin = 2,7 В,
- 2,9 В — для систем с Vпит = 3,3 ±0,3 В,
- 3,9 В — для систем с Vпит = 5 В ±20%,
- 4,4 В — для систем с Vпит = 5 В ±10%
Генератор сигнала сброса управляется от сторожевого таймера, PSM или Clock Alarm («будильник» присутствует только в FM3808).
 Рис. 2. Задающий генератор таймера оптимизирован для микропотребления
В FM31, FM32 и FM4005 Reset-генератор допускает также внешний запуск (Manual Reset) с 100-милисекундной защитой от дребезга. В этих сериях есть также схема PFI/PFO, предназначенная для раннего обнаружения аварий по питанию и генерации немаскируемого прерывания (NMI). По существу, это компаратор общего назначения с встроенным источником опорного напряжения 1,2 В. Его можно использовать для различных задач, но основной областью применения предполагается мониторинг напряжения в точке до системных стабилизаторов и фильтров. Таким образом, падение напряжения питания PFI/PFO обнаруживает гораздо раньше, чем PSM, тем самым предоставляя больше времени контроллеру на обработку аварийного события.
 Рис. 3. Варианты цепи заряда конденсатора как резервного источника питания

 Рис. 4. Раннее обнаружение аварий по питанию предоставляет контроллеру больше времени для обработки этого события
Счетчик событий
Счетчик событий есть во всех представителях семейства, кроме FM3808. В FM30C256 он рассчитан на регистрацию всего одного события, но фиксирует в специальном регистре и время его возникновения. Остальные серии имеют по два 16-разрядных счетчика с независимыми входами. Есть также возможность их объединения. В этом случае активным остается один вход, а счет ведется до 232. Счетчики обеспечиваются резервным питанием и способны регистрировать внешние события в отсутствие основного питания.
 Рис. 5. Два каскадируемых 16-разрядных счетчика в сериях FM31xxx, FM32xxx и FM4005
Серийный номер
Восьмибайтный энергонезависимый регистр может хранить данные любого назначения: конфигурационный код, криптографический ключ, IP-адрес, производственные данные… В том числе и серийный номер. Регистр может быть однократно защищен от изменения, защиту отменить невозможно. До ее установки регистр доступен для любых операций, как и основной массив памяти.
Интерфейс
Параллельный байтовый интерфейс в семействе Processor Companion сегодня имеет только FM3808-70-T. Как и остальные FRAM-продукты Ramtron с параллельным интерфейсом, этот компонент имеет встроенный регистр-защелку адреса. Это позволяет избавиться от лишнего компонента на плате при работе на мультиплексированных шинах адрес-данные, уменьшить ее габариты, общее потребление и стоимость. Очередной адрес запоминается в регистре по спаду сигнала /CE. Время доступа — 70 нс, длительность цикла — 130 нс.
Остальные представители семейства имеют последовательный двухпроводной интерфейс I2C и способны работать на высоких тактовых частотах (до 1 MГц) при низком энергопотреблении. Встроенный регистр адреса и схема автоинкремента позволяет достигать высокой скорости обмена с контроллером. Высокие скорости работы также являются преимуществом продукции Ramtron с последовательным интерфейсом.
Заключение
Семейство Processor Companion может быть интересным для очень широкого спектра применений. Но учитывая ключевые преимущества — высокое быстродействие, энергонезависимое хранение, низкое энергопотребление, малые габариты, однокристальное сочетание общесистемных функций и невысокую стоимость, — областями его наиболее эффективного применения являются носимые или удаленные сетевые терминалы сбора данных, регистраторы, расходомеры, весы-дозаторы, счетчики электроэнергии и многие другие приборы, общими свойствами которых являются критичное отношение к энергопотреблению, габаритам и удельной стоимости.
В рамках ознакомительного материала некоторые интересные свойства рассмотренных компонентов не были освещены. Восполнить недостающую информацию можно на сайте корпорации Ramtron — www.ramtron.com.
Илья Зайцев
|