|
Особенности использования графических индикаторов Fordata с контроллером S6B0108 в микроконтроллерной системе
В графических ЖК-индикаторах многих производителей с организацией массива точек от 128x64 до 512x128 применяются контроллеры Samsung S6B0107/0108. В этой публикации рассматриваются особенности структуры модулей ЖКИ и управления ими от микроконтроллерной системы.
За последние несколько лет на российском рынке комплектующих для микропроцессорных систем значительно увеличилось количество производителей, предлагающих устройства отображения на базе жидких кристаллов. Наиболее известны ЖК-индикаторы фирм Powertip Technology Corporation (www.powertip.com.tw), Winstar Display Co. (www.winstar.com.tw), Microtips Company (www.microtips.com.tw), Fordata Electronic (www.fordata.cn).
Для обеспечения интерфейса к управляющей системе, реализации набора функций по управлению отображением и формирования напряжений сложной формы, необходимых для управления ЖК-панелью, в модулях ЖК-индикаторов применяются специализированные интегральные контроллеры.
Количество моделей графических индикаторов у каждого производителя достигает многих десятков. Но за многие годы сложился довольно узкий круг наиболее распространенных типов контроллеров для графических индикаторов. Это Toshiba T6963C, Epson SED1520, SED1530, SED1335, Samsung S6B0107/0108, некоторые другие. Индикаторные модули на их основе строят многие производители. Каждый из перечисленных контроллеров имеет свою область наиболее эффективного применения.
Samsung S6B0107/0108 — это две микросхемы:
- S6B0107 — драйвер секторов;
- S6B0108 — контроллер шинного интерфейса, графический процессор с видеопамятью и драйвер
сегментов (точек).
S6B0107/0108 способен управлять изображением от 64x64 до 512x128. Для построения изображения 64x64 точки используется по одной микросхеме S6B0107 и S6B0108. Для создания с помощью функции «мастер-помощник» матриц большей разрядности (вплоть до 512x128), необходимо большее их количество. В продукции большинства производителей контроллер Samsung S6B0107/0108 применяется для индикаторов с организацией графического поля 128x64 точки. Такие ЖК-модули характеризуются относительно низкими ценами (от $10) при высоких технических характеристиках:
- высокое быстродействие (командный цикл около 1 мкс);
- встроенная видеопамять 1024 байт (8192 точек);
- низкое энергопотребление (5–20 мА при напряжении 5 В, не считая потребления устройства подсветки дисплея);
- наличие во многих моделях различных вариантов подсветки (потребляемый ток подсветки составляет 100 и более мА);
- простота подключения к микроконтроллеру;
- несложная система команд;
- облегчение нагрузки на центральный процессор по управлению отображением.
Индикаторы 128x64 позволяют выводить алфавитно-цифровую (до 8 строк по 21 символу) или графическую информацию. Этого оказывается более чем достаточно в небольших встраиваемых устройствах. Однако при начальном знакомстве с устройством ЖКИ разработчику приходится преодолеть определенное количество затруднений, что связано с отсутствием описания некоторых существенных деталей в фирменной технической
документации.
Автор данной публикации1 использовал в одной из своих разработок графические ЖКИ серии FDCG12864H [4] с панелью размером 64 строки по 128 точек фирмы Fordata Electronic. Изделия этой фирмы отличаются сравнительно низкой ценой при высоком уровне качества и надежности.
Графические ЖКИ с организацией 128x64 на основе S6B0107/0108 выпускаются и другими производителями, например PG12864-A/K, PG12864-B, PG12864-I, PG12864-J фирмы Powertip [5]; WG12864C, WG12864E, WG1286G, WG1286I, WG1286J производства Winstar. В ходе разработки автор также тестировал ЖКИ серии Powertip PG12864ARS-BNN-G.
Отличительной особенностью S6B0108 является отсутствие аппаратного знакогенератора. Для графических ЖКИ это отнюдь не недостаток по двум причинам:
- Подавляющее число контроллеров импортных ЖКИ со встроенным знакогенератором не имеют символов кириллицы.
- Задача синтеза русского шрифта средствами управляющей системы (библиотека графических образов символов кириллицы в системной памяти) весьма несложна, и автором была решена в течение двух рабочих дней.
В ходе подключения индикаторов к микроконтроллерной системе (далее микросистема или сокращенно МКС) и программирования автору пришлось решить экспериментальным путем ряд вопросов, на которые в технической документации не было прямых ответов. Автор надеется, что этот опыт может быть полезен другим разработчикам микросистем.
Функциональные узлы контроллеров графических индикаторов
Для управления матричной ЖК-панелью необходимо формировать напряжения достаточно сложной формы с размахом, обычно превышающим напряжение питания системы. Даже при небольшой размерности панели
(например, 16x32 точки) количество управляющих сигналов оказывается значительным. Функция их формирования является главной задачей контроллера ЖК-индикатора. Кроме нее контроллер может выполнять еще ряд функций по формированию и управлению отображением. Многие из них реализуются аппаратно узлами контроллера. Среди них:
- цифровые схемы формирования временных диаграмм управляющих сигналов нужной формы;
- выходные «драйверы», обеспечивающие нужный размах переменных напряжений на многочисленных электродах строк и столбцов матричной ЖК-панели;
- запоминающее устройство объемом, достаточным для хранения информации об изображении (или превышающей эту емкость)—для хранения статических и динамических элементов;
- подсистема генерации набора алфавитно-цифровых символов, иногда с возможностью определять некоторые символы пользователя;
- интерфейс к управляющей системе (почти всегда совместимый со стандартными интерфейсами распространенных МКС);
- аппаратно-программная поддержка функций управления изображением, например, сдвиг изображения, наложение нескольких слоев изображения, инверсия и т. п.
В одной из работ [1] приведены наиболее распространенные микросхемы контроллеров ЖКИ-панелей. Некоторые параметры контроллеров графических дисплеев приведены в таблице 1.
Таблица 1. Параметры контроллеров графических дисплеев
| Фирма |
Epson |
Samsung |
Toshiba |
Epson |
| Микросхема контроллера |
SED1520 |
S6B0107/08 |
T6963 |
SED1330 |
| Макс. реальный размер изображения, точек |
64x32 |
n X 64x64 |
240x128 |
320x240 |
| Частота обмена, МГц |
1 |
1 |
2,75 |
10 |
| Встроенный знакогенератор |
Нет |
Нет |
Есть |
Есть |
| Возможности наложения изображения |
Нет |
Нет |
Текст на графику |
До трех слоев изображения |
| Возможность каскадирования контроллеров |
|
Да |
|
|
Как следует из таблицы 1, разные контроллеры поддерживают работу с ЖКИ-панелями разной размерности. Для некоторых контроллеров поддерживается возможность совместного включения с целью повысить размерность панели.
В использованном автором графическом ЖК-индикаторе FDCG12864H-RNNYBW фирмы Fordata [4] применен комплект из трех микросхем: одной S6B0107 и двух S6B0108, выпускаемых фирмой Samsung. Эти микросхемы позволяют управлять ЖКИ-панелями с размерностью, кратной 64 (то есть 64x64, 128x64, 128x128 и т. д.). S6B0107 [2] содержит следующие функциональные узлы:
- 64 драйвера строк ЖКИ-матрицы (формирователи уровней сигналов);
- 64-битный сдвиговый регистр сканирования строк матрицы;
- встроенный тактовый генератор для циклического сканирования (регенерации) ЖКИ-матрицы (работает только в режиме Master на частоте 215 либо 430 кГц);
- схемотехнику каскадирования, позволяющую включать две микросхемы S6B0107 «каскадно»: одну в режиме ведущего (Master), вторую в режиме ведомого (Slave).
Основные функциональные узлы контроллера S6B0108 [3]:
- 64 драйвера столбцов ЖКИ-матрицы (формирователи уровней сигналов);
- память дисплея объемом 512 байт (4096 бит = 64x64), об организации этой памяти будет сказано далее);
- 8-битный параллельный интерфейс к МКС, позволяющий записывать/считывать содержимое памяти дисплея, передавать контроллеру S6B0108 команды и считывать из него слово состояния.
Управление индикатором осуществляется через интерфейсный порт S6B0108. Программная модель S6B0108 содержит два программно доступных регистра: регистр команд (IR) и регистр данных (DR).
Функции основных сигналов интерфейса микросхемы S6B0108 с внешним микропроцессором даны в таблице 2.
Таблица 2. Функциональное назначение интерфейсных выводов S6B0108
| D/I# |
R/W# |
Операция |
| 0 |
0 |
Запись команды в регистр команд S6B0108 |
| 0 |
1 |
Чтение слова состояния из S6B0108 |
| 1 |
0 |
Запись байта в регистр данных с последующей передачей в ОЗУ и автоинкрементом адреса |
| 1 |
1 |
Чтение байта из регистра данных ОЗУ с последующим автоинкрементом адреса |
Обращение к регистрам S6B0108 осуществляется в течение действия строба данных E. Данные при записи запоминаются во встроенном буферном регистре по спаду сигнала на входе Е. При чтении регистров контроллера данные на шине появляются, когда уровень сигнала на входе E находится в высоком состоянии. Уровни управляющих сигналов для операций обмена приведены в таблице 3.
Таблица 3. Уровни сигналов шины управления в операциях обмена
| Сигнал |
Описание функции сигнала |
| D0…D7 |
Двунаправленные линии данных. Используются для записи/чтения команд или данных |
| D/I# |
Вход выбора регистра («1» — регистр данных, «0» — регистр команд) |
| R/W# |
Вход направления передачи («1» — чтение из S6B0108, «0» — запись в S6B0108) |
| E |
Вход строба данных, определяющий уровнем «1» интервал времени, внутри которого происходит передача |
| CS1B |
Входной сигнал выбора кристалла ИМС S6B0108 (активный уровень низкий) |
| CS2B |
Входной сигнал выбора кристалла ИМС S6B0108 (активный уровень низкий) |
| CS3 |
Входной сигнал выбора кристалла ИМС S6B0108 (активный уровень высокий) |
| Reset |
Вход сброса S6B0108 в начальное состояние (активный уровень низкий) |
Простая и эффективная система команд контроллера S6B0108 приведена в таблице 4.
Таблица 4. Система команд контроллера S6B0108
| Команда |
Код |
Описание функции |
| Bin |
Hex |
| Отключить дисплей |
00111110 |
03Eh |
Отключает отображение содержимого памяти в секции ЖКИ-матрицы. При этом содержимое памяти и статус не меняются |
| Включить дисплей |
00111111 |
03Fh |
Включает отображение содержимого памяти в секции ЖКИ-матрицы. При этом содержимое памяти и статус не меняются |
| Задать начальную строку |
11ssssss |
0C0h+ss |
Задает номер строки памяти ss=0–63, которая будет отображаться в верхней строке секции ЖКИ-матрицы (используется для скроллинга) |
| Установить страницу |
10111ppp |
0B0h+p |
Задает страницу памяти p=0…7, к которой будет осуществляться доступ (запись или чтение) со стороны микроконтроллера. |
| Установить адрес |
01xxxxxx |
40h+xx |
Задает адрес внутри страницы xx=0–63, к которому будет происходить очередное обращение со стороны микроконтроллера |
| Прочитать состояние |
Выполняется чтением регистра команд (см. табл. 3). Чтение возвращает слово состояния, формат которого описан далее |
В слове состояния биты 0–3 и 6 всегда читаются как нулевые.
Бит 4: «1» — показывает выполнение начальной установки (Reset), «0» — рабочее состояние.
Бит 5: «1» — секция дисплея выключена, «0» секция включена.
Бит 7: «1» — контроллер занят (отрабатывается команда), «0» — контроллер свободен.
Команда отключения дисплея прекращает вывод данных на экран, но содержимое видеопамяти сохраняется и будет отображаться после выполнения команды «включить дисплей».
Спецификация предписывает перед любым обращением к контроллеру (будь то команда или данные для записи в видеопамять) проверять его занятость анализом битов в слове состояния.
Память S6B0108 имеет объем 64x8 = 512 байт = 64x64 битов и организована как восемь страниц по 64 байта. Соответствие между пикселями панели и содержимым памяти дисплея поясняет рис. 1.
 Рис. 1. Структура видеопамяти контроллера S6B0108
Для доступа к требуемой странице необходимо предварительно дать команду «Установить страницу» (записать в регистр команд значение 0B0h+p, где p — адрес страницы, который может иметь значение от 0 до 7). Для обращения к требуемому адресу внутри страницы надо предварительно подать команду «Установить адрес» — записать в регистр команд код (40h+XXh), где XX может иметь значение от 00h до3Fh .
После этого запись в регистр данных можно производить потоком — после каждого цикла записи происходит автоинкремент адреса, что обеспечивает доступ к следующей ячейке видеопамяти. Чтение регистра данных позволит получать содержимое байтов памяти дисплея.
При достижении значения 3Fh следующий автоинкремент адреса приведет к переходу всех разрядов счетчика в состояние 0 (wrap around), и страница начнет заполняться сначала. Этот факт не отражен в документации, а установлен автором экспериментально. Левому верхнему углу панели ЖКИ соответствует байт с адресом 00h страницы 0h памяти дисплея. Пиксели верхней строки дисплея соответствуют младшему (самому правому, нулевому) биту в байтах, пиксели второй сверху строки — первому (второму справа в байте) биту и так далее.
Естественная система координат при такой организации расположена в левом верхнем углу панели ЖКИ. Таким образом, если в этой системе координат требуется «зажечь» в столбце L (считая столбцы слева, начиная с нуля) пиксель с номером N (считая пиксели в столбце сверху, начиная с 0), то следует выполнить действия, перечисленные далее.
- Записью команды 40h+L в регистре команд (см. табл. 2–3) необходимо установить адрес L.
- Посылкой команды (40h+xx) в регистр команд (т. е. при D/I# = «Low») установить «страницу» с номером xx=int(N/8), где int—операция целочисленного деления с недостатком.
3)Наконец, в байте, который выбран в памяти дисплея двумя предыдущими действиями, требуется установить в «1» бит, номер которого равен остатку от деления N/8. Это последнее действие осуществляется записью в регистр данных (табл. 2) байта с установленным в «1» требуемым битом.
Заметим, что порядок действий пп. 1 и 2 может быть и обратным.
Абсциссу и ординату выводимой точки целесообразно задавать 6-битными двоичными числами. В этом случае значение абсциссы задает адрес байта внутри страницы видеопамяти, старшие три бита ординаты определяют номер страницы видеопамяти, а младшие три бита ординаты — номер (позицию) бита, задающего «зажигаемый» пиксель в байте видеопамяти.
Автору требовалось выводить на графический дисплей временную диаграмму зарегистрированного аналогового сигнала, чему соответствует лишь один включенный пиксель в каждом столбце дисплея. Если же требуется включить несколько пикселей в столбце одной страницы, то на шаге 3 надо записать в регистр данных байт с несколькими соответствующими установленными битами.
Некоторые детали управления индикаторами большей размерности
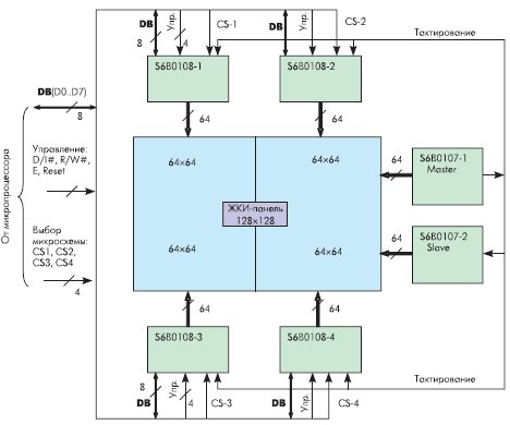
На рис. 2 показана структурная схема включения двух микросхем S6B0107 и четырех S6B0108, которые совместно образуют контроллер для управления панелью размером 128x128 пикселей.
 Рис. 2. Принцип соединения ИМС S6B0108 и S6B0108 для управления панелью размером 128x128 пикселей
Магистраль микросистемы, к которой подключен ЖКИ (на рисунке — слева), должна обеспечивать формирование сигналов 8-битной двунаправленной шины данных, сигналы управления: D/I#, R/W#, E, Reset, а также четыре сигнала выбора кристаллов CS-1, CS-2, CS-3, CS-4.
Сигналы магистрали поступают параллельно на все четыре микросхемы S6B0108. Линии D/I#, CS-1… CS-4 образуют подобие адресной шины, которая позволяет выбирать один из восьми программно видимых объектов: регистра команд IR и регистра данных DR в каждой из четырех ИМС S6B0108.
При реальном подключении к микросистеме эти шесть сигналов проще всего сформировать, используя свободные выходы параллельных портов и управляя состоянием этих сигналов программно. Каждая микросхема S6B0108 имеет по три входа выбора кристалла (табл. 2). Для управления выбором (активизации) каждой микросхемы достаточно использовать в ней лишь один вход, подав на остальные два постоянный разрешающий уровень.
Если использован один из входов CS1B, CS2B, включение производится низким уровнем, если используется вход CS3, включение производится высоким уровнем. При этом подача разрешающих уровней на входы CS нескольких микросхем позволит им одновременно выполнить одну и ту же операцию. Именно так и сделано в описываемых моделях ЖКИ.
Это позволяет несколько ускорить выполнение таких операций, как заполнение двух секций индикатора одинаковым содержимым: очистка панели, рисование горизонтальной оси и т. п. с одновременным незначительным упрощением программы (по сравнению с вариантом обращения к каждому контроллеру по отдельности). По завершении операции контроллер формирует слово состояния, которое можно прочитать обращением к регистру команд.
Цепь сигнала Reset на рис. 2 не показана. Этот сигнал подается параллельно на входы сброса всех ИМС S6B0108.
Сигналы шины данных D0…D7 и сигналы управления R/W# и E можно также сформировать, используя стандартные параллельные порты микропроцессора (микроконтроллера). В случае использования микроконтроллера семейства MSC51 (52) в качестве сигнала R/W# можно использовать канальный сигнал W# «запись», а в качестве сигнала E — строб R# данных.
Для формирования сигналов выбора кристаллов CSi можно либо использовать свободные выходы параллельных портов, либо добавить дешифратор 2->4 и «вписать» восемь программно видимых объектов в свободный участок адресного пространства.
Например, для управления доступом к регистру команд либо к регистру данных можно использовать младший разряд адреса А0, для выбора каждого из S6B0108 — адресные линии А1 и А2, а прочие разряды адреса — для выбора участка адресного пространства, который в вашей системе будет занимать графический индикатор.
Особенности работы с графическими индикаторами Fordata FDCG12864H и Powertip PG12864-B
Обе модели ЖКИ для программиста практически идентичны. Индикаторы используют для управления панелью одну ИМС S6B0107 и две S6B0108 и имеют размерность 128 столбцов и 64 строки. Такая структура соответствует «верхней половине» схемы, изображенной на рис. 2 (присутствуют два контроллера S6B0108).
Это означает, что логически матрица ЖКИ состоит из двух частей (секторов), каждой из которых независимо управляет свой контроллер S6B0108. Соответственно, для управления индикатором требуется формировать четыре сигнала управления: два сигнала выбора кристаллов CS1, CS2, сигнал выбора регистра D/I# и строб данных E, а также сигнал начального сброса Reset. Программа должна «помнить», с какой половиной индикатора она работает, и обращаться к соответствующему контроллеру S6B0108, предварительно опрашивая готовность («незанятость» выполнением внутренней операции) именно того контроллера S6B0108, к которому предполагается обращаться.
Особо следует сказать о свойствах входа Reset графического индикатора PG12864ARS-BNN-G фирмы Powertip. В описании контроллера S6B0108 приводятся определенные требования к сигналу Reset (рис. 3).
 Рис. 3. Временная диаграмма подачи сигнала «Сброс»
Таблица 5
| Item |
Simbol |
Min |
Typ |
Max |
Unit |
| Reset time |
tRS |
1.0 |
- |
- |
us |
| Rise time |
tR |
- |
- |
200 |
ns |
Однако в модуле графического индикатора PG12864ARS-BNN-G входы Reset микросхем S6B0108 шунтированы резистором 10 кОм на линию питания +5 В (позиционное обозначение R10 на плате модуля ЖКИ) и конденсатором 100 нФ на линию Gnd (обозначение C2). Постоянная времени RC-цепи составляет около 1 мс. Эта цепь на входе Reset, по-видимому, установлена производителями модуля графического дисплея с целью обеспечить «автоматический» сброс (присутствие на входе Reset низкого уровня, пока конденсатор С2 не зарядится) при подаче на модуль напряжения питания.
Такая схема включения приводит к тому, что если сигнал Reset формируется с выхода порта микроконтроллера с ограниченной нагрузочной способностью, время нарастания и спада сигнала Reset составляет более 10–20 мкс, что не соответствует спецификации производителя контроллера. Это подтвердилось и автором статьи, который использовал в своей системе микроконтроллер ADuC832 фирмы Analog Devices с ядром 8052, нагрузочная способность линий портов которого не превышает 4 мА [5]. Если формировать длительность активного (низкого) уровня сигнала Reset в соответствии с приведенными выше рекомендациями по длительности, то сбросить S6B0108 в начальное состояние не удается.
Обнаружив этот факт, автор cформировал активную фазу сигнала Reset (низкий уровень) длительностью 40–50 мкс. Другим способом решения проблемы (если по каким-либо причинам требуется формировать короткий сигнал сброса в соответствии с рекомендациями производителя) может быть демонтаж конденсатора C2 с платы графического индикатора. Этот способ был также проверен практически и оказался работоспособным.
Порядок программирования вывода графических данных на ЖК-индикатор с контроллером S6B0108
В разработке автора статьи основной функцией графического индикатора был вывод кривой зарегистрированного системой аналогового сигнала. Следовательно — присутствие лишь одного «горящего» пикселя в каждом столбце индикатора. Предполагается, что модуль индикатора соединен с МК, как показано на рис. 4.
 Рис. 4. Пример подключения ЖКИ Fordata FDCG12864H-FLYYBW к 8051-совместимому микроконтроллеру
Шина данных модуля ЖКИ подключена к порту Р2, линии управления подключены к линиям Р3.0…Р3.4. Подключение к порту позволяет использовать быстродействующие версии МКС (например ADuC841/842/843), которые имеют длительность цикла внешней магистрали существенно меньше длительности цикла чтения/записи 1 мкс, указанной для микросхемы S6B0108 (см. [3], стр. 15). Для выполнения любой операции записи/чтения в МК следует реализовать такую последовательность действий:
- исходное состояние линий управления: D/I#=произвольно; R/W#=низкий уровень (для того, чтобы линии шины ЖКИ были в состоянии «вход»); CS1=CS2=E=низкий уровень;
- установить состояние порта Р2 (0FFh для чтения из ЖКИ, или записываемый байт для записи в ЖКИ);
- установить требуемую комбинацию сигналов D/I#, R/W#, CS1, CS2 (P3.0…P3.3) в зависимости от выполняемой операции;
- установить сигнал Е (Р3.4) в состояние «1» (задержка после включения на шаге 2 не менее 140 нс [3], стр.15);
- если выполняется чтение из ЖКИ — прочитать Р2 (если выполняется запись, шаг 4 отсутствует);
- установить сигнал Е (Р3.4) в состояние «0»;
- установить остальные сигналы управления в исходное состояние (задержка после выключения Е не менее 10 нс).
Подключение модуля ЖКИ возможно и к внешней магистрали МКС, это может несколько упростить программирование, но потребует дополнительную схемотехнику для формирования сигналов управления ЖКИ и дешифрации адреса.
Многие микроконтроллеры, в том числе и использованный автором ADuC832, способны работать при пониженном напряжении питания (2,7–3,3 В), что существенно снижает потребляемую микроконтроллером мощность без ухудшения эксплуатационных характеристик. В то же время электроника модулей ЖКИ с контроллером S6B0108 требует напряжения питания 5 В ±10%. Однако сопряжение рассматриваемых ЖКИ с низковольтной логикой не вызывает затруднений. Все интерфейсные сигналы микросхемы S6B0108 имеют минимальный уровень логической «единицы», равный 2,0 В [3]. Это позволяет подключать выходы низковольтной логики напрямую ко входам модуля ЖКИ. Обратная передача из ЖКИ в микроконтроллер может понадобиться только при опросе состояния ЖКИ, либо при чтении его видеопамяти. В принципе, без этих
действий можно обойтись (чтение видеопамяти не является обязательным действием, а опрос готовности можно заменить задержкой достаточной величины). Однако если требуется двунаправленный обмен по шине
данных модуля ЖКИ, то для сопряжения можно применить микросхему шинного драйвера SN74LVC245 [6], которая работает при напряжении питания от 1,65 до 3,6 В, но допускает на входах напряжение до 5,5 В.
Именно так поступил автор при разработке системы, включающей описываемый ЖКИ и микроконтроллер с напряжением питания 3,3 В (см. статью «Портативный регистратор аналоговых сигналов на микроконтроллере серии ADuC8xx компании Analog Devices» в этом номере журнала).
В заключение
В линиях продукции многих производителей ЖКИ графические дисплеи с организацией 128x64 занимают значительную долю. Количество серий индикаторов, различающихся размерами, типами базовых контроллеров и т. п., в этой группе больше, чем в любой другой. Это следствие того, что графическое поле 128x64 точки эффективно решает задачи отображения данных в очень многих приложениях.
Если в этой группе провести сравнение индикаторов, основанных на разных контроллерах, то обнаружится, что наиболее массовое применение нашли именно индикаторы, основанные на S6B0107/0108. Признание они получили за наиболее эффективное соотношение основных экономических и технических характеристик: стоимость, доступность, достаточность функциональных возможностей и простота внедрения. Компания Fordata Electronic в линии графических индикаторов с массивом точек 128x64, основанных на контроллере S6B0107/0108, предлагает 5 серий в различном конструктивном исполнении. Дополнительно к описанным преимуществам, модули этих серий имеют встроенный генератор отрицательного напряжения, необходимый для формирования в цепи регулировки контрастности нужного размаха напряжения на выходе драйверов дисплея.
Литература
- Емелин А. Матричные жидкокристаллические дисплеи. http://www.cec-mc.ru/read/index.shtml.
- S6B0107 64 Channel Common Driver for Dot Matrix LCD. Data Sheet. Samsung Electronics. July 2001.
http://www.samsung.com/Products/Semiconductor/SystemLSI/DDI/MobileDDI/BWSTN/S6B0107B/ds_s6b0107_r00.pdf).
- S6B0108 64 Channel Segment Driver for Dot Matrix LCD. Data Sheet. Samsung Electronics. July 2001. http://www.samsung.com/Products/Semiconductor/SystemLSI/DDI/MobileDDI/BWSTN/S6B0108A/ds_s6b0108_r00.pdf)
- Specification Graphic Type Dot Matrix LCD Module. Item Number FDCG12864H Series. 2002 Fordata Electronic Co., LTD. http://www.fordata.cn/pdf/short/fdcg12864h.pdf
- Powertip Tech. Corp. LCD Module PG12864ARS-BNN-G-S0. Specification For Approval. Rev:0. http://www.cec-mc.ru/comp/lcd/powertip/ graf/PG12864ARS-BNN-G.pdf
- SN74LVC245A Octal Bus Transceiver With 3-State Output. Data Sheet. Texas Instruments. 2003.
Александр Новицкий Илья Зайцев
|