|
Низкопотребляющие компоненты Holtek для управления питанием
Компактные и легкие мобильные электронные устройства завоевывают все больше места
в окружающем нас мире. Но малые размеры и вес даются не просто — приходится экономить буквально на всем. Одной из важнейших составляющих минимизации является снижение энергопотребления, что позволяет использовать источники питания меньших габаритов и массы. Компоненты управления питанием фирмы Holtek с низким собственным потреблением позволяют разработчикам решать эту задачу.
Поскольку рассматриваемые компоненты хорошо известны и широко применяются, подробно описывать их структуру и принцип работы не будем, а уделим основное внимание характеристикам и применению. Первым в списке ИС управления питанием идет семейство детекторов напряжения НТ70ххА-1, собственный ток потребления составляет всего 4 мкА (да, микроампера — это не опечатка) типового значения, а максимальное не превышает 7 мкА. Эти трехвыводные детекторы выполнены по КМОП-технологии. Каждая ИС этой серии работает с определенным напряжением от 2,2 до 5 В (табл. 1), однако с помощью нескольких внешних элементов можно задать другое пороговое напряжение. Точный источник опорного напряжения с низким потреблением, компаратор, схема гистерезиса и выходной драйвер составляют НТ70ххА-1 (рис. 1).
 Рис. 1. Структурная схема детектора напряжения серии НТ70ххА-1
Таблица 1. Основные характеристики детекторов напряжения серии НТ70ххА-1
| Обозначение |
Пороговое напряжение, В |
Гистерезис, В |
Напряжение питания, В |
Выходной ток, мА |
Номинальный ток потребления, мкА |
Диапазон рабочих температур, °С |
Корпус |
| НТ7022А |
2,2 |
0,11 |
1,6–12 |
50 |
1,8 |
–40...+85 |
TO-92, SOT-89 |
| НТ7024А-1 |
2.4 |
0.12 |
1,5–24 |
4 |
TO-92, SOT-89, SOT-25 |
| НТ7027А-1 |
2.7 |
0.135 |
| НТ7033А-1 |
3.3 |
0.165 |
| НТ7039А-1 |
3.9 |
0.195 |
| НТ7044А-1 |
4.4 |
0.22 |
| НТ7050А-1 |
5.0 |
0.25 |
Принцип работы НТ70ххА-1 достаточно прост. Источник опорного напряжения (ИОН) подключается к отрицательному входу компаратора (VREF), а на вход (+) через делитель поступает контролируемое напряжение. Когда напряжение на положительном входе компаратора больше VREF, то на выходе VOUT устанавливается высокий уровень, транзистор М1 отключается и напряжение на входе компаратора VB определяется как VBН= VDD6 (RB + RC)/(RA + RB + RC). Если контролируемое напряжение VDD снижается настолько, что VB меньше VREF, то выход компаратора переключается с высокого на низкий, VOUT тоже становится низким, VC — высоким, ключ М1 открывается и шунтирует RC. В этом случае VB определяется как VBL=VDD 6 x RB/(RA + RB). Гистерезис позволяет избавиться от паразитной генерации при VB примерно равна VREF.
Если напряжение питания VDD падает ниже минимального, то состояние выхода становится неопределенным.
Определяемое напряжение при уровне выше порогового определяется как

а ниже порогового— как

Гистерезис — VHYS = VDET (+) – VDET (–) n-МОП выход — не единственный вариант исполнения: есть другие типы активных выходов с высоким уровнем.
Спектр применений детекторов напряжения — от схем сброса до контроля заряда аккумулятора (рис. 2–5).
 Рис. 2. Схема сброса для микроконтроллера с раздельными источниками питания (а) и с одним (б)
 Рис. 3. Схема сброса по питанию и диаграммы работы детектора напряжения НТ70ххА-1
 Рис. 4. Схема контроля напряжения питания с индикацией на основе детектора напряжения НТ70ххА-1
 Рис. 5. Схема контроля заряда аккумулятора на основе детектора напряжения НТ70ххА-1. При превышении напряжения аккумулятора установленного порога транзистор открывается и шунтирует ток заряда, защищая таким образом аккумулятор от перезаряда
Следующим узлом, где можно существенно снизить потребление, является стабилизатор напряжения, который обычно вносит весомый вклад в паразитные потери энергии (собственное потребление). Holtek решила эту проблему выпуском стабилизаторов напряжения серии HT71хх-1 в трехвыводном корпусе. Входное напряжение всех стабилизаторов этой серии равно 24 В — высокий показатель (при напряжении питания от 3 до 5 В), стабилизированное выходное напряжение находится в диапазоне от 3 до 5 В, а максимальный ток составляет 30 мА (см. табл. 2). Применение КМОП-технологии позволило получить низкое падение напряжения на стабилизаторе и ток покоя 3 мкА (максимальное значение не более 6 мкА). Хотя эта серия разрабатывалась под конкретные напряжения, но при подключении нескольких внешних элементов получится стабилизатор напряжения с требуемым напряжением. Варианты применения НТ71хх-1 приведены на рис. 6–8.
 Рис. 6. Стабилизатор напряжения с повышенной нагрузочной способностью и защитой от короткого замыкания на базе ИС серии НТ70ххА-1
 Рис. 7. Стабилизатор тока на базе ИС серии НТ70ххА-1
 Рис. 8. Стабилизатор на два напряжения на базе ИС серии НТ70ххА-1
Таблица 2. Основные характеристики стабилизаторов напряжения серии НТ71ххА-1
| Обозначение |
Напряжение стабилизации, В |
Напряжение питания, В |
Выходной ток, мА |
Номинальный ток потребления, мкА |
Диапазон рабочих температур, °С |
Корпус |
| НТ7130-1 |
3,0 |
24 |
30 |
3 |
–40...+85 |
TO-92, SOT-89, SOT-25 |
| НТ7033А-1 |
3.3 |
| НТ7039А-1 |
3.9 |
| НТ7044А-1 |
4.4 |
| НТ7050А-1 |
5.0 |
Если выходной ток недостаточен, то можно использовать стабилизаторы HT75хх-1, которые аналогичны HT71хх-1, но на выходе выдают ток до 100 мА.
Стабилизаторы серии HT73хх расширяют диапазон стабилизируемых напряжений от 1,8 до 5 В, а максимальный выходной ток составляет 250 мА (табл. 3). Но за это приходится расплачиваться снижением максимального входного напряжения до 12 В. Собственный ток потребления остается на уровне 4 мкА.
Таблица 3. Основные характеристики стабилизаторов напряжения серии НТ73хх
| Обозначение |
Напряжение стабилизации, В |
Напряжение питания, В |
Выходной ток, мА |
Номинальный ток потребления, мкА |
Диапазон рабочих температур, °С |
Корпус |
| НТ7318 |
1.8 |
12 |
250 |
4 |
–40...+85 |
TO-92, SOT-89 |
| НТ7325 |
2.5 |
| НТ7327 |
2.7 |
| НТ7330 |
3.0 |
| НТ7333 |
3.3 |
| НТ7335 |
3.5 |
| НТ7350 |
5.0 |
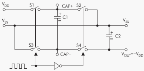
Завершая обзор компонентов Holtek с микропотреблением, остановимся на преобразователе напряжения на переключаемых конденсаторах НТ7660, у которого собственный ток потребления составляет 80 мкА (многовато по сравнению со стабилизаторами напряжения НТ7ххх, но это плата за функциональность). Основное назначение этой ИС — преобразование положительного напряжения в отрицательное (питание RS-232 и динамической памяти, удвоители напряжения и т. д.), для чего требуется всего два электролитических конденсатора. В состав преобразователя входят стабилизатор напряжения, RC-генератор и четыре мощных МОП-ключа (структурная схема приведена на рис. 9). Частота RC-генератора может быть снижена установкой внешнего конденсатора между выводами VDD и OSC или же подключением внешнего тактового генератора к выводу OSC. Возможна блокировка внутреннего стабилизатора напряжения заземлением (вывод VSS) вывода LV, что позволяет работать при меньших напряжениях.
 Рис. 9. Структурная схема преобразователя напряжения НТ7660
Как уже упоминалось, в состав НТ7660 входят четыре мощных ключа S1, S2, S3 и S4 (схема рабочего режима — на рис. 10). В течение первого полупериода открыты ключи S2 и S4, а конденсатор С1 заряжается до напряжения VDD через S1 и S3. Во время второго полупериода открыты S1 и S3, а заряд с С1 переносится на конденсатор С2 через ключи S2 и S4.
 Рис. 10. Схема рабочего режима преобразователя напряжения НТ7660
Таким образом, напряжение на конденсаторе С2 составляет VDD. Поскольку положительный вывод С2 подсоединен к «земле» VSS, то на выводе VOUT получаем напряжение –VDD. При высоком входном напряжении работает встроенный стабилизатор напряжения (вывод LV никуда не подключается). В этом случае снижается ток потребления RС-генератора, а частота переключения fOSC остается постоянной во всем диапазоне входного напряжения.
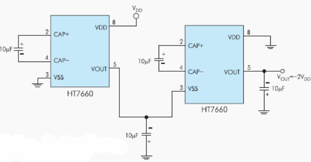
Различные варианты использования НТ7660 приведены на рис. 11–14.
 Рис. 11. Простой формирователь отрицательного напряжения на основе НТ7660
 Рис. 12. Простой удвоитель отрицательного напряжения на основе НТ7660
 Рис. 13. Простой удвоитель напряжения на основе НТ7660
 Рис. 14. Удвоитель напряжения и формирователь отрицательного напряжения на основе НТ7660
Николай Ракович
|