Рубликатор

 



























Все о псориазе



Новые разработки статических преобразователей для электровозов переменного и постоянного тока

ОАО «Электровыпрямитель» является ведущим производителем преобразовательной техники для железнодорожного транспорта в России. Производство этой продукции было начато на предприятии еще в 60*х годах прошлого века. Сегодня на предприятии ведется разработка и освоение новых типов преобразователей для электроподвижного состава, в частности, для модернизации электровозов постоянного и переменного тока были разработаны и изготовлены многоканальные статические преобразователи М-ПП-200М и М-ОМП-3500. Преобразователи выполнены на современной элементной базе с использованием силовых полупроводниковых приборов собственного производства.

Для модернизации электровозов постоянного тока ВЛ-10 разработан преобразователь М-ПП-200М, предназначенный для преобразования постоянного напряжения 3 кВ контактной сети в многоканальную систему напряжений для плавного пуска и регулирования оборотов асинхронных двигателей вентиляторов и компрессоров, питания цепей управления, заряда аккумуляторной батареи, питания обмоток возбуждения тяговых двигателей в режиме рекуперации, питания кондиционеров и обогревателей кабин машиниста.

Структурная схема преобразователя М-ПП-200М приведена на рис. 1. Конструктивно М-ПП-200М состоит из шкафа с двухсторонним обслуживанием.

Структурная схема преобразователя М-ПП-200М
Рис. 1. Структурная схема преобразователя М-ПП-200М

С одной стороны шкафа расположены высоковольтные входные блоки преобразователя (рис. 2а), а с другой — низковольтные выходные блоки (рис. 2б).

Виды преобразователя М-ПП-200М со стороны высоковольтных и низковольтных блоков
Рис. 2. Виды преобразователя М-ПП-200М со стороны высоковольтных (а) и низковольтных (б) блоков

Входная высоковольтная часть обеспечивает преобразование напряжения контактной сети 3 кВ в стабилизированное напряжение 530 В и состоит из пяти блоков высоковольтных преобразователей БВП-40Н, десяти потенциалоразделяющих трансформаторов, пяти блоков выпрямителя БВ-40, блока питания цепей автоматики БП-1.3 и платы управления.

Выходная низковольтная часть состоит из пяти унифицированных независимых блоков трехфазных инверторов БТИ-50М, блока инвертора БИ-45, согласующего трансформатора, блока выпрямителя и заряда БВЗ-45, а также блока питания цепей автоматики БП-1.3 и блока возбуждения БВ-30, которые обеспечивают питание вспомогательного электрооборудвания электровоза.

Блок БВП-40Н
Рис. 3. Блок БВП-40Н

Блок БВП-40Н (рис. 3) преобразует изменяющееся постоянное входное напряжение в два переменных стабилизированных напряжения прямоугольной формы для питания двух потенциалоразделяющих трансформаторов (рис. 4). Блок комплектуется специально разработанными IGBT-модулями с напряжением изоляции 13 кВ (рис. 5).

Потенциалоразделяющий трансформатор
Рис. 4. Потенциалоразделяющий трансформатор

Высоковольтный IGBT-модуль
Рис. 5. Высоковольтный IGBT-модуль

Блок БВ-40 выполнен по схеме двух мостовых выпрямителей, соединенных на выходе параллельно, и предназначен для выпрямления переменного напряжения прямоугольной формы в постоянное напряжение промежуточной шины питания 530 В.

Блок БП-1.3 (рис. 6) преобразует изменяющееся входное постоянное напряжение в стабилизированное постоянное напряжение для питания цепей автоматики преобразователя.

Блок БП-1.3
Рис. 6. Блок БП-1.3

Блок БТИ-50М предназначен для преобразования постоянного напряжения в частотно-регулируемое трехфазное переменное для питания асинхронных двигателей приводов вентиляторов, компрессоров и других нагрузок. Блок является универсальным и может обеспечивать регулируемое выходное напряжение в диапазоне 35–380 В с частотой 5–50 Гц или нерегулируемое напряжение 220/380 В с частотой 50 Гц.

Блок БИ-45 преобразует постоянное напряжение в переменное прямоугольной формы для питания согласующего трансформатора.

Блок БВЗ-45 состоит из трех независимых выпрямителей и предназначен для выпрямления переменных напряжений прямоугольной формы в постоянные напряжения для блока возбуждения БВ-30, заряда аккумуляторной батареи и питания цепей автоматики электровоза.

Блок БВ-30 (рис. 7) преобразует постоянное напряжение в регулируемый по величине ток для питания обмоток возбуждения тяговых двигателей в режиме рекуперативного торможения.

Блок БВ-30
Рис. 7. Блок БВ-30

Основные параметры преобразователя М-ПП-200М приведены в таблице 1.

Таблица 1

Наименование параметра Значение параметра
Входные параметры преобразователя
Номинальное входное постоянное напряжение, В 3000
Диапазон изменения входного напряжения, В 2200-4000
Мощность, кВт 200
КПД при номинальной нагрузке, %, не менее 92
Выходные параметры преобразователя
Канал 1…4 (питание асинхронных электродвигателей):
Линейное напряжение, В эфф. 125-380
Число фаз 3
Частота, Гц 15-50
Выходная мощность, кВА 50
Канал 5 (питание кондиционера и печей обогрева кабин машиниста):
Линейное напряжение, В эфф. 220-242
Число фаз 1
Частота, Гц 50
Выходная мощность, кВА 10
Канал 6 (цепи автоматики):
Постоянное напряжение, В эфф. 50
Выходная мощность, кВт 8
Канал 7 (заряд аккумулятора):
Линейное напряжение, В эфф. 30-74
Выходная мощность, кВт 5
Канал 8 (питание обмоток возбуждения тяговых электродвигателей):
Ток возбуждения, А 50-800
Выходная мощность, кВт 30

Применение М-ПП-200М позволяет отказаться от электромашинных генераторов, заменить высоковольтные коллекторные двигатели вентилятора и компрессоров низковольтными асинхронными двигателями, и тем самым повысить надежность работы вспомогательного оборудования, снизить уровень шумов и расход электроэнергии за счет частотного регулирования.

Преобразователь М-ПП-200М, в составе электровоза ВЛ10П прошел испытания на экспериментальном кольце ВНИИЖТ в г. Щербинке. Произведена опытная эксплуатация электровоза с данным преобразователем в локомотивном депо Златоуст в горной местности в условиях изменения напряжения в контактной сети. Пробег электровоза перед началом приемочных испытаний составил 5574 км.

Для грузопассажирских электровозов переменного тока ВЛ40П ОАО «Электровыпрямитель» разработан другой многоканальный преобразователь — М-ОМП-3500. Этот преобразователь служит для питания тягового электропривода и цепей собственных нужд электровоза.

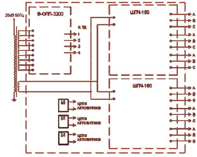
Структурная схема преобразователя М-ОМП-3500 приведена на рис. 8.

Структурная схема преобразователя М-ОМП-3500
Рис. 8. Структурная схема преобразователя М-ОМП-3500

Преобразователь состоит из выпрямителя В-ОПП-3200 (рис. 9а), двух шкафов преобразователей частоты ШПЧ-150 (рис. 9б), трех блоков питания и двух сглаживающих реакторов.

Выпрямитель В-ОПП-3200 и шкаф ШПЧ-150
Рис. 9. Выпрямитель В-ОПП-3200 и шкаф ШПЧ-150

B-ОПП-3200 представляет собой четырехканальный регулируемый тиристорный выпрямитель для многозонного ступенчатого регулирования напряжения питания четырех коллекторных тяговых двигателей. Питание выпрямителя осуществляется от специальных обмоток тягового трансформатора.

ШПЧ-150 предназначены для питания асинхронных двигателей вентиляторов, компрессоров и маслонасоса электровоза ВЛ-40П. Каждый шкаф состоит из трех унифицированных независимых блоков трехфазных инверторов БТИ-50М по 50 кВА каждый и стабилизированного блока выпрямителя БВ-150. Питание всех БТИ-50М осуществляется от обмотки собственных нужд тягового трансформатора через блок БВ-150 с выходным напряжением 530 В постоянного тока.

Параметры выпрямителя В-ОПП-3200 и шкафа ШПЧ-150 приведены в таблице 2.

Таблица 2

Наименование параметра Значение
Выпрямитель В-ОПП-3200  
Входное напряжение, В 150-1220
Выходное напряжение, В 50-1100
Выходной ток канала, А 880
Количество каналов 4
Частота входного напряжения, Гц 50
Число фаз сети 1
Шкаф преобразователей частоты ШПЧ*150  
Входное напряжение, В 380
Количество каналов шкафа 3
Число фаз каждого канала 3
Выходное номинальное линейное напряжение каждого канала, (действующее значение первой гармоники), В 380
Диапазон изменения частоты выходного напряжения каждого канала, Гц 15-50
Максимальная мощность каждого канала, кВА 50
Суммарная мощность каналов, кВА 150
Коэффициент мощности нагрузки по каждому из каналов при номинальной нагрузке двигателя, не менее 0.87

Применение В-ОПП-3200 позволяет отказаться от коммутационного и реакторного оборудования, повышает тягово-энергетические показатели электровоза в целом и дает экономию электроэнергии по сравнению с электровозом ВЛ-80С порядка 7–11%.

Использование двух ШПЧ-150 в электровозе ВЛ-40П снижает расход электроэнергии на собственные нужды электровоза, увеличивает ресурс вспомогательных машин и исключает из схемы электровоза электромашинный фазорасщепитель, что в конечном итоге сокращает затраты на обслуживание и ремонт электровоза.

Электровоз ВЛ40П с преобразователем М-ОМП-3500 прошел тягово-энергетические испытания на экспериментальном кольце ВНИИЖТ в г.Щербинке. Суммарный пробег восьми электровозов, укомплектованных этими преобразователями, к настоящему времени составляет более 850 тыс. км.

В настоящее время на предприятии ведутся разработки многоканальных статических преобразователей для отечественных локомотивов нового поколения.

Виталий Суслов, Александр Живечков,
Олег Арискин, Георгий Шестоперов


Статьи по: ARM PIC AVR MSP430, DSP, RF компоненты, Преобразование и коммутация речевых сигналов, Аналоговая техника, ADC, DAC, PLD, FPGA, MOSFET, IGBT, Дискретные полупрoводниковые приборы. Sensor, Проектирование и технология, LCD, LCM, LED. Оптоэлектроника и ВОЛС, Дистрибуция электронных компонентов, Оборудование и измерительная техника, Пассивные элементы и коммутационные устройства, Системы идентификации и защиты информации, Корпуса, Печатные платы

Design by GAW.RU