Модульные технологии в обучении, разработке, на производстве
Современная элементная база позволяет значительно расширить возможности разработчика, выполняя своего рода роль электронного конструктора. При проектировании системы микроконтроллерного управления технологическим процессом важным этапом по'прежнему остается макетирование, и здесь можно значительно сэкономить время и материальные затраты с помощью модульной технологии. Лабораторные стенды в учебных заведениях на базе модульной технологии обладают широкими возможностями.
В настоящее время существует множество подходов, позволяющих производить разработку микроконтроллерных систем управления технологическим процессом быстро и эффективно.
В каждом конкретном случае при новой разработке приходится учитывать ресурсы, которыми располагает предприятие, определять потребное для разработки время и искать пути снижения затрат на этапе научно-исследовательских и опытно-конструкторских работ. Как правило, не всегда удается на базе одной организации создать оптимальные условия для осуществления всех видов работ, и особенно при отработке нестандартных решений, влекущих за собой исследовательскую деятельность.
А как быть, когда подготовка кадров, ранее успешно осуществляемая в высших учебных заведениях, сейчас в России едва соответствует современным требованиям?! Одним из тормозящих факторов в отечественном образовании выступает практически полное отсутствие современной материально-технической базы для проведения лабораторных работ по специальностям радиотехнического профиля.
Частично эта проблема решается моделированием изучаемых процессов на компьютере. Однако от выпускника требуются практические навыки и опыт работы в области микроконтроллерной техники в гораздо большей степени, нежели теоретические знания. При скудном финансировании учебных заведений эффективность вложения денежных средств становится наиболее острой проблемой, особенно когда на рынке практически не найти дешевого готового технического решения в виде аппаратно-программного комплекса, позволяющего проводить практические занятия. Обладая научной базой и опытом написания программ на языках высокого уровня, учебное заведение с привлечением самих же студентов и аспирантов способно осилить программную часть такого комплекса. Аппаратное же обеспечение — структурно отработанные модули, входящие в типовую систему микроконтроллерного управления и позволяющие производить ее наращивание и гибкое изменение,— остается практически незакрытым вопросом. Модульная технология позволяет с минимальными затратами оснастить лаборатории и дает студентам инструмент для практического освоения систем микроконтроллерного управления на аппаратном уровне.
Похожая ситуация может возникнуть и на производственном предприятии. При ощутимом дефиците времени инженеру-разработчику приходится постоянно искать компромисс между углублением специализации и расширением профессионального кругозора. Поэтому очевидным становится тот факт, что высококлассным специалистом может стать (и удерживать свои позиции) только тот сотрудник, который постоянно включен в процесс освоения нового. Процесс обучения, таким образом, для разработчика становится неотъемлемой частью его жизни, или даже образом его жизни. При новой разработке инженер, опираясь на багаж накопленного опыта, стремится применить максимум своих знаний, чтобы, насколько это возможно, повысить эффективность своего труда. На что же приходится обращать внимание?!
Особенно актуальным моментом при разработке нового изделия или модернизации существующего является выбор надежной, доступной и производительной элементной базы, надежных современных связных интерфейсов и принятие решения в пользу той или иной идеи, основанной на анализе результатов испытаний макетного образца. С выходом нового изделия в свет разработчик не расстается с результатом своего творческого труда. Постоянно приходится отслеживать возможности улучшить какие-либо показатели или расширить функциональные возможности изделия.
В текущих условиях всевозрастающей конкуренции устойчивая позиция на рынке обеспечивается высоким качеством выпускаемой продукции, развитой организацией сервисного обслуживания, необходимым потребителю уровнем технической поддержки и грамотным маркетингом. Поэтому не только в нише контрактного производства и разовых заказов важны вопросы качества производимых работ и скорость их выполнения. Обеспечение конкурентоспособности выпускаемой продукции мотивирует производителя максимально ускорить процесс разработки новых изделий и снизить трудоемкость коррекций, учитывающих пожелания заказчика при валидации. Необходимо сокращать сроки и затраты этапа опытно-конструкторских работпомочь в этом может модульная технология.
В чем сила модульной технологии?
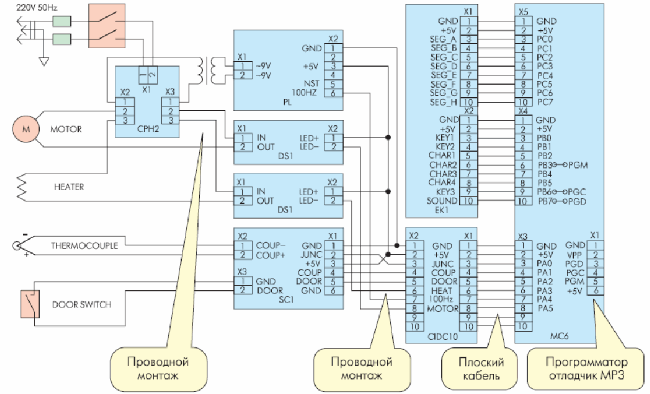
Разработка нового устройства, как правило, начинается с прорисовки функциональной схемы. В качестве основных узлов обычно выделяют источники сигналов, преобразователи сигналов и данных, исполнительные устройства, устройства отображения информации, источники электропитания. В большинстве случаев каждый из этих узлов имеет несколько вариантов реализации, выбор одного из которых и является задачей разработчика (рис.1).
 Рис. 1. Пример. Электронный блок управления сушильным шкафом. Измерение сигнала с термопары. Управление нагревателем и двигателем переменного тока для конвекции воздуха в камере. Параметры технологического процесса задаются кнопками, сохраняются в энергонезависимой памяти и отображаются на цифровом индикаторе
Вот при сборке макета и начинается «головная боль» — нет подходящей макетной платы под современные корпуса микросхем, монтажный участок перегружен и отодвигает ваш заказ на неопределенный срок, отдел комплектации достанет нужный микроконтроллер только через месяц и т. п. Сроки сдвигаются, программисты скучают, начальство недовольно.
Острая ситуация, знакомая многим! Вспоминаются кубики из детского конструктора: собрал пароход, в следующий раз — дом, затем — самолет. Но ведь многие электронные узлы представляют собой такие же «кубики». Их можно выделить в отдельные модули, согласовать уровни входных и выходных сигналов, стандартизировать назначение контактов разъемов. В результате получится некий набор функциональных блоков, или электронный «конструктор», на базе которого можно собирать как макеты устройств, так и промышленные серийные изделия по «отверточной» технологии. Сильная сторона применения модульной технологии состоит также и в том, что при проектировании устройства «на бумаге» не всегда удается предусмотреть все нюансы, связанные с функционированием изделия, исправление же инженерных просчетов в серийном производстве обходится зачастую дороже стоимости самой разработки. Во избежание таких ситуаций перед серийным запуском собирают рабочий макет устройства, на котором отрабатывают схемные решения, программное обеспечение интеллектуальных узлов, уточняют элементную базу, проверяют тепловые режимы. Для того чтобы этот этап также проходил без «подводных камней», модульная технология должна быть «открытой», то есть разработчик должен иметь перед глазами принципиальную схему на каждый модуль из состава макета, перечень элементов, топологию размещения компонентов на печатных платах и даже топологию печатных проводников, особенно когда речь идет о высоких скоростях передачи информации от узла к узлу.
Универсальность открытой модульной технологии позволяет на этапе отработки макетного образца оперативно менять конфигурацию системы в поисках оптимального решения, причем работая при этом на уровне принципиальных схем. В учебном процессе лабораторная установка, собранная на базе открытой модульной технологии, обеспечивает наглядность и позволяет легко менять структуру исследуемой системы. Обычно в модуль устанавливаются компоненты с максимальными характеристиками по электрическим параметрам и производительности и, соответственно, большей стоимости. Это повышает гибкость их использования. В процессе отладки макета рабочие характеристики уточняются, а элементная база оптимизируется в соответствии с конкретной задачей.
Итак, затраты, связанные с комплектованием такого «конструктора», окупаются существенным снижением временных затрат на монтажные работы, и как следствие — сокращением сроков запуска нового изделия в серийное производство. По завершении этапа отладки макет разбирается, а модули используются в следующих разработках.
Что можно предложить?
Набор модулей, необходимый разработчику, определяется спецификой продукции, выпускаемой конкретным предприятием. Например, фирма «Аверон» уже 15 лет производит медицинское и промышленное оборудование.
Стараясь укреплять свое положение на рынке, компания постоянно модернизирует новые и совершенствует серийно выпускаемые приборы. Этому способствует динамичное изменение рынка электронных компонентов и повышение требований клиентов к функциональности оборудования и простоте его использования. Часть отработанных узлов переносится с одного изделия на другое. Выделив и универсализировав их, инженеры компании сформировали ряд электронных модулей, образующих аппаратную платформу для разработки микроконтроллерных систем управления. Благодаря взаимодействию с потребителями модульной технологии «Аверон» номенклатура модулей постоянно расширяется.
Сегодня модульная технология «Аверон» может применяться для построения распределенных систем управления технологическим процессом, где использование дорогостоящих промышленных контроллеров экономически неоправданно, и включает в себя:
- Устройства электропитания:
- – одноканальные источники вторичного электропитания — линейные, импульсные;
- – линейные стабилизаторы напряжения;
- – сетевые регуляторы мощности.
- Драйверы исполнительных устройств:
- – электронные ключи переменного тока;
- – электромагнитные реле;
- – драйверы вентильного двигателя постоянного тока.
- Устройства об мена данными:
- – преобразователи интерфейсов
- UART< -- >USB, UART< -- >RS-232,
- UART< -- >RS-485, SPI< -- >CAN 1.0(2.0),
- UART< -- >LIN 1.3;
- – модуль радиопередатчика АМн-сигналов.
- Датчики состояния и преобразователи сигналов:
- – усилитель сигнала ЭДС термопары;
- – датчик разрежения;
- – датчик влажности с токовым выходом;
- – датчик температуры и влажности;
- – датчик углового положения.
- Отладочные модули на базе микроконтроллеров Microchip.
- Интерфейсные модули индикации и клавиатуры с микроконтроллером.
- Программаторы и отладчики микроконтроллеров.
- Устройства коммутации.
- Корпусные изделия.
Благодаря своей функциональной законченности электронные модули, образующие модульную технологию «Аверон», могут использоваться не только в процессе разработки, но и устанавливаться в серийные изделия или служить основой для создания лабораторных стендов.
Как разрабатываются модули?
Последовательность разработки модулей такова: анализируется экономическая эффективность применения такого автономного узла, уточняется функциональный состав модуля, выбирается элементная база, разрабатывается печатная плата, модуль запускается в производство. При разработке учитываются совместимость по контактам разъемов с другими модулями, доступность компонентов, по возможности используются стандартные конструктивы с едиными для группы модулей габаритными и посадочными размерами. В выборе типов соединителей преобладает ориентация на легкоразъемные соединители с ключом либо винтовые колодки. Печатная плата разводится в соответствии с технологическими требованиями к выбранным элементам, особенностями их топологии и электромагнитной совместимости, что не всегда удается соблюсти при проводном монтаже на макетной плате. Кроме того, становится возможным корректное применение малоразмерных элементов, монтаж которых вручную при макетировании затруднителен.
Унифицированное расположение выводов элементов какого-то одного семейства позволяет впоследствии модернизировать сам модуль без коррекции его печатной платы. Так, например, в отладочные модули на базе микроконтроллеров семейства PIC16F87х фирмы Microchip можно без проблем установить более производительные PIC18Fххх.
Из-за стремительной эволюции современной элементной базы часто приходится сталкиваться с ситуацией, когда фирма-производитель какого-либо специфического элемента снимает его с производства либо поднимает на него отпускные цены. Предлагаемая замена не всегда устраивает разработчика, возникает необходимость замены элемента с переработкой печатной платы, на которой он установлен. Если плата большого размера, то такая коррекция влечет за собой достаточно большие временные и финансовые затраты. Модульное исполнение некоторых специфических узлов, например, ядра микропроцессора, драйвера линии связи или исполнительного устройства, позволяет решать подобные проблемы «малой кровью», корректируя лишь незначительную часть сложного устройства. Минус такого подхода— увеличение числа контактных соединений, способных повлиять на надежность устройства при жестких условиях эксплуатации. Осторожно приходится действовать при выделении в отдельные модули узлов питания и аналоговой обработки сигналов, критичных к длине проводников и трассировке печатной платы.
В практике фирмы «Аверон» случалось, что отлаженное устройство запускалось в серийное производство на базе макета, собранного из модулей электронного «конструктора». Это было оправданно при ограниченных объемах запуска и небольшом количестве модулей в составе изделия. При крупных серийных партиях стоимость монтажа отдельных модулей превышает средства, сэкономленные на разработке одноплатного варианта. В этом случае устройство оптимизируется с учетом требований к конструкции и составу электроники, выявленных на этапе отработки рабочего макета.
Учебным заведениям
Наличие базы серийно выпускаемых электронных модулей позволяет сегодня оснащать лаборатории в учебных заведениях высшего и среднего звена или осуществлять техническую поддержку тематических семинаров. За последнее время можно отметить опыт успешной организации учебных центров по освоению микроконтроллеров Microchip. Используя готовые модули модульной технологии «Аверон», удалось оперативно укомплектовать заинтересовавшиеся вузы лабораторными установками, состоящими из источников питания, датчиков аналоговых сигналов, средств индикации, модулей микроконтроллеров и средств их отладки.
Учитывая потребности конкретного учебного заведения, можно подобрать необходимый состав модулей для технического оснащения лабораторий микроконтроллерной техники. Затраты на подобные проекты несоизмеримо меньше стоимости фирменных отладочных комплектов от производителей электронных компонентов, а функциональные возможности установок на базе модульной технологии гораздо шире. Как только появится новый, перспективный микроконтроллер, потребуется заменить лишь один процессорный «кубик» в каждом наборе вместо полного переоснащения центра.
Кроме того, большой интерес к модулям наблюдается и со стороны детских кружков технического творчества, в чьих стенах конструктор работает как в интеллектуальных игрушках, так и во вполне серьезных тренажерах.
Заключение
Подводя итоги системного внедрения модульной технологии, следует отметить ряд положительных моментов:
- сокращение временных и материальных затрат на этапе опытно-конструкторских работ;
- гибкость переконфигурирования системы на уровне функционально-законченных единиц;
- простота монтажа и демонтажа модулей
в системе;
- при использовании открытой модульной технологии легко оптимизируются схемо-технические решения.
Предприятию, выпускающему широкий ассортимент однотипной электронной продукции, целесообразно подобрать необходимый набор модулей, чтобы значительно облегчить себе работу при новых разработках. Учебные заведения, занимающиеся подготовкой будущих инженеров, смогут оснастить свои лаборатории современным аппаратно-техническим инструментарием, получив наряду с этим возможность адаптации лабораторного оборудования к изменениям в учебных планах.
Желаем успеха!
Евгений Симонов Сергей Цыганов Дмитрий Герасимов
|