Рубликатор

 



























Все о псориазе



Новейшее решение для питания устройств через Ethernet при помощи микросхемы LM5070 фирмы National Semiconductor

Питание устройств через Ethernet (Power over Ethernet, PoE) — технология, позволяющая как осуществлять питание конечных устройств, так и передавать данные при помощи стандартного кабеля Ethernet. Эта технология находит свое применение для таких изделий как IP-телефоны, камеры видеонаблюдения, точки доступа беспроводных сетей и даже музыкальных инструментов. В статье рассматривается практическое применение микросхемы LM5070 — новейшего устройства, позволяющего осуществлять питание электронных приборов через Ethernet.

Введение

Решения с питанием через Ethernet (РоЕ) становятся все более и более популярными благодаря тому, что устройства с РоЕ не требуют локальных источников питания, подключаемых к стандартным сетям. Это позволяет существенно снизить стоимость системы. Источники питания, подключаемые к Ethernet, как правило являются бесперебойными (UPS), что очень важно для IP-телефонов, для которых гарантируется более высокая надежность и устойчивость к нестабильностям в электрических сетях. Широкое применение коннекторов RJ-45 обеспечивает совместимость устройств РоЕ практически во всем мире. Наконец, устройства с РоЕ обладают уникальными возможностями экономии энергии— технология позволяет отключать удаленные приборы на расстоянии. Согласно исследованию фирмы Venture Development Corp. глобальный рынок устройств с РоЕ вырастет с 133 млн изделий в 2004 году до 246 млн в 2007.

Технология РоЕ позволяет питаемому устройству (ПУ) получать энергию через простой кабель Ethernet. Прибор подачи питания (ППП) производит ряд точных измерений для определения соответствия ПУ стандарту РоЕ, и в случае соответствия ППП подает 48 В на питаемое устройство (см. рис. 1).

Типичная система с РоЕ
Рис. 1. Типичная система с РоЕ

Режим работы ПУ, совместимый со стандартами IEEE

Институт IEEE одобрил стандарт питания через Ethernet PoE в июне 2003. В результате выпущен стандарт IEEE802.3af, на основе которого возможно создание системы подачи энергии по стандартному кабелю без ущерба передаваемым данным. Стандарт определяет порядок передачи 48 В постоянного тока по одной из двух витых пар кабеля категории 5e. В стандарте определены 4 класса мощности, передаваемой в нагрузку (в ПУ). Диапазон значений мощности — от 4 Вт до 15,4 Вт.

Рассмотрим стадии работы системы с РоЕ. В стандартном случае их 3: определение присутствия ПУ (discovery), классификация ПУ и операционная фаза (см. рис. 2).

Режимы определения ПУ, классификации и приложения номинального напряжения
Рис. 2. Режимы определения ПУ, классификации и приложения номинального напряжения

На начальном этапе ППП определяет присутствие ПУ при помощи измерения импеданса кабеля (так называемая подпись). В случае, если сопротивление ПУ находится в пределах от 23,75 до 26,25 кОм (25 кОм ± 1%), то ППП посчитает ПУ подключенным к кабелю. Для измерения резистивного импеданса ППП генерирует 2 напряжения (2,8 В и 10 В), на которых измеряется ток в нагрузке. Меньшее напряжение 2,8 В позволяет избежать влияния нелинейных эффектов, связанных с диодным интерфейсом ПУ. 10 В— максимальное напряжение, на котором можно обеспечить безопасное включение практически любого питаемого устройства.

ППП также определяет входную емкость ПУ при помощи измерения нарастания напряжения на нагрузке. Измеренная емкость должна быть в пределах 0,05 и 0,12 мкФ.

Для предотвращения ошибок при измерении импеданса нагрузки в рассматриваемом нами чипе LM5070 применяется специальный алгоритм— блокировка при высоком напряжении (under voltage lockout, UVLO). Данная блокировка позволяет дождаться окончательного напряжения до момента начала зарядки входного сопротивления и старта регулирования выходного напряжения.

Перед включением питания опционально возможна классификация ПУ для индикации класса мощности оборудования. Данная функция полезна для лучшего распределения питания на несколько ПУ. В случае классификации ППП генерирует напряжение в пределах 15,5 и 20,5 В и измеряет ток в нагрузке. В зависимости от измеренного тока ПУ подразделяются на 4 класса (табл.).

Таблица. Класс ПУ в зависимости от измеренного тока в нагрузке

Класс ПУ Минимальная мощность в нагрузке, Вт Максимальная мощность в нагрузке, Вт Минимальный ток в нагрузке, мА Максимальный ток в нагрузке, мА RCLASS, Ом
0 0,44 12,95 0 4 Откр.
1 0,44 3,84 9 12 150
2 3,84 6,49 17 20 82,5
3 6,49 12,95 26 30 53,6
4 резерв резерв 36 44 38,3

После определения присутствия и класса мощности ПУ стартует фаза подачи энергии в питаемое устройство. У микросхемы LM5070 в этот момент снимается блокировка UVLO. Как только блокировка снимается, интерфейс микросхемы LM5070 заряжает входное сопротивление импульсного источника питания. Для работы в контролируемом режиме встроенный силовой МОП-транзистор ограничен по току (не более 420 мА) с программируемым порогом тока включения от 100 мА до 375 мА.

Особенности микросхемы LM5070

Чип LM5070 производства National Semiconductor в полной мере реализует все режимы работы системы РоЕ. LM5070 является РоЕ контроллером с ШИМ-модуляцией тока (рис. 3).

Общая схема включения и основные интегрированные блоки LM5070
Рис. 3. Общая схема включения и основные интегрированные блоки LM5070

Основные особенности микросхемы LM5070 позволяют быстрее и проще создавать новые изделия:

  • Микросхема представляет собой комбинацию полностью совместимого с IEEE 802.3af интерфейса с ПУ и высоко эффективного контроллера, работающего в токовом режиме.
  • Есть возможность запрограммировать входной импеданс, ток включения, ток классификации и границу блокировки при большом напряжении.
  • Микросхема обладает защитой от перегрузок по току при включении и во время работы, а также от температурных перегрузок.
  • Разработчик имеет возможность запрограммировать при помощи двух внешних резисторов границу срабатывания и гистерезис блокировки при большом напряжении.
  • Интрефейс с ПУ и DC/DC-конвертер полностью интегрированы внутри LM5070 и взаимодействуют без внешнего влияния.
  • LM5070 позволяет создать изолированную и неизолированную конфигурацию источника питания: для изолированной конфигурации предусмотрен вход с оптопары, а для неизолированной — источник опорного напряжения и усилитель ошибки.
  • Сопротивление подписи отключается после определения подключения ПУ для снижения энергетических потерь.

Типовые решения для РоЕ-конвертера

Высокий уровень интеграции LM5070 позволяет создать источник питания, совместимый со стандартом IEEE802.3af, при небольшом количестве внешних компонентов. В качестве минимального решения предлагается схема неизолированного источника питания с топологией flyback (рис. 4). Для нее помимо микросхемы LM5070 дополнительно требуются только силовой МОП-транзистор (Si4848, 150V/3A), силовой трансформатор с одной первичной и вторичной обмотками, один диод для выпрямления выходного напряжения, входная и выходная емкости.

Минимальное схемотехническое решение на основе LM5070, класс мощности 0
Рис. 4. Минимальное схемотехническое решение на основе LM5070, класс мощности 0

Как известно, для повышения контроля выходного тока, снижения энергетических потерь и регулирования выходного напряжения в топологии flyback применяют схему ШИМ-модуляции с контролем в токовом режиме. Данный режим осуществляется при помощи изменения рабочего цикла ключевого транзистора. Данный рабочий цикл определяется по ошибке выходного напряжения и пилообразного напряжения, генерируемого при прохождении тока первичной обмотки трансформатора через внешнее сопротивление.

Циклическая граница тока определяется из сравнения измеренного тока на сопротивлении и внутреннего опорного напряжения. Возможная нестабильность из-за возбуждения на гармониках высших порядков для рабочего цикла более 50% компенсируется при помощи внутреннего алгоритма коррекции нарастающего тока.

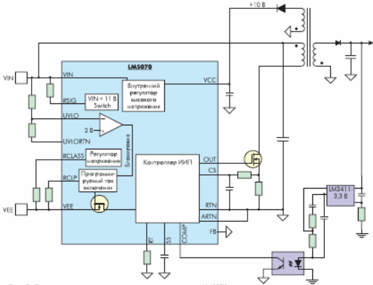
Схема изолированного источника питания на основе LM5070 с программируемым классом устройства и ограничением тока включения
Рис. 5. Схема изолированного источника питания на основе LM5070 с программируемым классом устройства и ограничением тока включения

На основе микросхемы LM5070 можно реализовать источник питания с гальванической развязкой. На рис. 5 представлено одно из возможных решений такого рода: схема изолированного источника питания на основе LM5070 с программируемым классом устройства и ограничением тока включения. В систему также встроена дополнительная токовая защита при помощи трех различных токоограничивающих схем и функции температурной защиты:

  1. Программируемая функция защиты от высоких токов ограничивает токовые выбросы во время фазы включения.
  2. В случае превышения током, текущим через встроенный МОП-ключ, значения 375 мА сигнальный усилитель переводит силовой МОП-транзистор в режим насыщения. Напряжение на выводе RTN начинает расти до значения VEE+2,5 В. Как только граница достигается, флаг PowerOK сбрасывается в 0, и контроллер переводит систему в нормальный режим.
  3. Температурное ограничение добавляет дополнительный уровень защиты от ошибок и любых событий, способных вывести систему из рабочего состояния.

В добавление заметим, что фирма Coilcraft специально для LM5070 разработала SMD-трансформаторы, оптимизированные для максимальной эффективности системы.

Литература

  1. Стандарт IEEE 802.3af
  2. B. Signoretti, J. de Nicolas. Power supply design for Power over Ethernet powered devices. http://www.national.com/onlineseminar/2004/poe/poe.html.
  3. Техническая документация на LM5070.

Мишель Склоччи, Дмитрий Василенко


Статьи по: ARM PIC AVR MSP430, DSP, RF компоненты, Преобразование и коммутация речевых сигналов, Аналоговая техника, ADC, DAC, PLD, FPGA, MOSFET, IGBT, Дискретные полупрoводниковые приборы. Sensor, Проектирование и технология, LCD, LCM, LED. Оптоэлектроника и ВОЛС, Дистрибуция электронных компонентов, Оборудование и измерительная техника, Пассивные элементы и коммутационные устройства, Системы идентификации и защиты информации, Корпуса, Печатные платы

Design by GAW.RU