Рубликатор

 



























Все о псориазе



Новые микроконтроллеры NEC с малым количеством выводов и области их применения

До недавнего времени электронные устройства, выполняющие простые функции, разрабатывались на дискретных элементах. Речь идет, например, о задачах управления электродвигателями, электронных балластах люминесцентных ламп, устройствах контроля и управления освещенностью, устройствах заряда аккумуляторов, телеметрических датчиках и т. п. В последнее время при разработке перечисленных выше устройств становится экономически обоснованным применение недорогих микроконтроллеров с малым количеством выводов.

В этом году компания NEC Electronics расширила семейство микроконтроллеров K_Line выпуском новых 8-разрядных микроконтроллеров с малым количеством выводов 78K0S/Kx1+ (табл. 1). И это несмотря на то, что в программе поставок NEC Electronics уже имеется более 240 видов 8-разрядных микроконтроллеров общего назначения и 10 видов специализированных микроконтроллеров. Такое многообразие «кристаллов» позволяет разработчику выбрать для своего приложения микроконтроллер с наиболее оптимальной ценой, периферией, объемом памяти и количеством выводов.

Таблица 1. Семейство микроконтроллеров NEC с малым количеством выводов

Flash SSOP16 78K0S/KY1+ SSOP20 78K0S/KA1+ SSOP30 78K0S/KB1+
8 КБ     uPD78F9234 (ОЗУ: 256 Б)
4 КБ uPD78F9212 (ОЗУ: 128 Б) uPD78F9222 (ОЗУ: 256 Б) uPD78F9232 (ОЗУ: 256 Б)
2 КБ uPD78F9211 (ОЗУ: 128 Б) uPD78F9221 (ОЗУ: 128 Б)  
1 КБ uPD78F9210 (ОЗУ: 128 Б)    

Основные технические характеристики микроконтроллеров 78K0S/Kx1+:

  • процессорное ядро 78K0S;
  • объем Flash-памяти: 1/2/4/8 КБ;
  • объем ОЗУ: 128/256 Б;
  • количество выводов: 16/20/30;
  • максимальная тактовая частота: 10 МГц;
  • минимальное время выполнения инструкции: 200 нс (10 МГц);
  • диапазон питающих напряжений: 2,0–5,5 В;
  • 4-канальный 10-разрядный АЦП (время преобразования до 3,6 мкс);
  • аппаратный умножитель (для 78K0S/KB1+).

Система команд

Обобщенная структурная схема микроконтроллеров с малым количеством выводов семейства 78K0S/Kx1+ приведена на рис. 1.

Обобщенная структурная схема микроконтроллеров подгрупп 78K0S/KY1+, 78K0S/KA1+ и 78K0S/KB1+
Рис. 1. Обобщенная структурная схема микроконтроллеров подгрупп 78K0S/KY1+, 78K0S/KA1+ и 78K0S/KB1+

Примечание под рисунком 1: в скобках помечены подгруппы, в схему которых входит данный узел

Микроконтроллеры построены на основе CISC ядра 78K0S.

Длина команды ядра 78K0S варьируется от 1 до 4 байт, однако если сравнить ее с системами команд AVR или PIC16, можно увидеть, что аналогичные команды ядра NEC имеют равную или меньшую длину (в сравнении с соответствующими командами микроконтроллеров Atmel и Microchip). Многие процессорные команды микроконтроллеров NEC просто не имеют аналогов.

Система команд 78K0S имеет 4 типа адресации команд (прямая, короткая прямая, относительная и косвенная табличная) и 7 типов адресации операндов (прямая, короткая прямая, регистровая, косвенная регистровая, стековая, базовая и адресация регистров специального назначения).

Например, при использовании короткой прямой адресации операндов в арифметических командах и командах передачи данных используется 2-байтовый формат инструкций, что соответствует длине команд микроконтроллеров AVR и PIC16.

В системе команд 78K0S наряду с обычной 3-байтовой процедурой вызова подпрограмм (CALL) имеется однобайтовая процедура вызова подпрограмм (CALLT). При использовании команды CALLT полный адрес вызываемой подпрограммы хранится в специальной области памяти (косвенная табличная адресация), а в теле программы используется сокращенный однобайтовый код. Нетрудно понять, что при интенсивном использовании подпрограмм использование команды CALLT позволяет достичь высокого уровня оптимизации кода. Микроконтроллеры подгруппы 78K0S/KB1+ имеют узел аппаратного 8-разрядного умножения. Система команд 78K0S поддерживает 16-разрядные операции передачи данных, сложения, вычитания и даже сравнения. Описание системы команд ядра 78K0S на русском языке можно найти в Интернете [1].

Периферийные устройства

В таблице 2 приведены сравнительные характеристики микроконтроллеров одного и того же класса от производителей NEC, Atmel и Microchip. Рассмотрим периферийные устройства микроконтроллеров с малым количеством выводов от NEC на примере использования их в различных прикладных задачах (рис. 2–7).

Таблица 2. Сравнительная таблица параметров микроконтроллеров с малым количеством выводов

Производитель Микроконтроллер Напряжение питания, B Flash/ОЗУ Макс. тактовая частота, МГц Мин. время исполнения инструкции, мкс Количество выводов/ портов ВВ Макс. скорость преобразования АЦП UART LIN Таймеры
NEC µPD78F9222 2,0–5,5 4 КБ/256 Б 10 200 нс 20/17 3,6 мкс Есть Есть 2x8бит
1х16бит
1 сторожевой
Atmel ATtiny26L 2,7–5,5 2 КБ/128 Б 8 125 нс 20/16 65 мкс Нет Нет 1x8бит
1х16бит
1 сторожевой
Microchip PIC16F819 2,0–5,5 3,6 КБ/256 Б 20 200 нс 20/16 19,72 мкс Нет Нет 2x8бит
1х16бит
1 сторожевой

8- и 16-разрядные таймеры-счетчики найдут применение в DC/DC-преобразователях интеллектуальных зарядных устройств (рис. 2), схемах управления электродвигателями (рис. 3) и т. п., исходные коды и принципиальные схемы упомянутых выше решений можно найти на сайте NEC [2–4].

Зарядное устройство
Рис. 2. Зарядное устройство

Устройство управления однофазным электродвигателем
Рис. 3. Устройство управления однофазным электродвигателем

Таймеры могут работать в различных режимах, таких как генерирование интервальных прерываний, подсчет количества внешних событий, измерение длительности внешнего импульса, генерирование периодического сигнала прямоугольной формы, генерирование сигнала PPG, генерирование коротких одиночных импульсов и т. п.

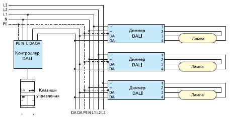
UART-интерфейс находит широкое применение в развивающихся системах цифрового управления диммеров (регуляторы для управления яркостью ламп), построенных на основе интерфейса DALI (Digital Addressable Lighting Interface) (рис. 4, 5). Исходные коды и принципиальную схему для них также можно найти [5].

Структурная схема системы освещения на основе технологии DALI
Рис. 4. Структурная схема системы освещения на основе технологии DALI

Диммер
Рис. 5. Диммер

UART-интерфейс микроконтроллеров 78K0S/Kx1+ имеет поддержку шины LIN. Интерфейс LIN был разработан для промышленных и автомобильных применений в качестве недорогой низкоскоростной (до 20 кбод), альтернативы интерфейса CAN (рис. 6). Он используется в системах закрывания дверей, в стеклоподъёмниках, системах управления креслами автомобиля, для работы «интеллектуальных» сенсоров и приводов. Исходные коды драйверов LIN можно найти в Интернете [6].

Применение технологии LIN в автоэлектронике
Рис. 6. Применение технологии LIN в автоэлектронике

Даже на борту самого маленького микроконтроллера семейства 78K0S/Kx1+ имеется 4-канальный 10-разрядный АЦП. АЦП микроконтроллеров NEC один из самых быстрых в своем классе (время преобразования до 3,6 мкс). Такой АЦП находит применение в недорогих интеллектуальных детекторах огня, задымления, движения, проникновения в помещение, «световой барьер» и т. д. (рис. 7).

Применение микроконтроллеров 78K0S/Kx1+ в детекторах
Рис. 7. Применение микроконтроллеров 78K0S/Kx1+ в детекторах

Подробное техническое описание микроконтроллеров семейства 78K0S/Kx1+ можно найти на сайте NEC [7]. Там же находится множество схем применения с исходными кодами [8].

Надежность

Микроконтроллеры построены на основе SST Flash-памяти, имеют одно напряжение программирования и поддерживают возможности внутрисхемного программирования и «самопрограммирования».

Залогом высокой надежности и защищенности кода является встроенный алгоритм коррекции ошибок памяти (ECC) (рис. 8), встроенная защита от бросков напряжения питания и специальный интерфейс, обеспечивающий закрытость доступа к памяти.

Повышение надежности Flash-памяти за счет кодов коррекции
Рис. 8. Повышение надежности Flash-памяти за счет кодов коррекции

Цена

Не секрет, что типичные микроконтроллеры с малым количеством выводов оптимизированы по цене, вследствие чего имеют ограниченный объем памяти, так как цена контроллера напрямую зависит от размера кристалла.

Кроме того, обычно небольшие микроконтроллеры имеют не более 2 подвидов памяти, отличающихся объемом, что не позволяет оптимально сбалансировать цену и функциональную насыщенность микроконтроллера.

Микроконтроллеры семейства 78K0S/Kx1+ включают больший объем памяти в кристалл меньший, чем когда-либо. Таким образом, все микроконтроллеры семейства 78K0S/Kx1+ имеют цену меньше 1 евро при закупках партии в 500 шт.

Средства разработчика

Для начала работы с микроконтроллерами семейства 78K0S/Kx1+ достаточно приобрести за 30 евро оценочный комплект [9]. В состав оценочного комплекта входит программное обеспечение IAR Embedded Workbench, позволяющее создавать программы практически для всех микроконтроллеров семейства 78K0S/Kx1+.

Программное обеспечение от IAR содержит Си-компилятор, ассемблер и симулятор. Оценочный комплект может использоваться как внутрисхемный программатор. Для включения этого комплекта даже не потребуется дополнительный источник питания, так как питание осуществляется от управляющего компьютера через порт USB. Для целей разработки также можно использовать недорогой полнофункциональный эмулятор [10].

Выводы

Итак, новые микроконтроллеры NEC с малым количеством выводов позволяют оптимально решать задачи управления разнообразными устройствами, такими как интеллектуальные датчики, устройства управления электродвигателями, автоэлектроника, промышленная автоматика, системы «умный дом» и т. п. Микроконтроллеры легки в освоении и имеют удобные недорогие средства разработчика.

Литература

  1. http://www.eltech.spb.ru/pdf/nec/78K0S_User_Manual.pdf
  2. http://www.eu.necel.com/_pdf/U17173EE1V0AN00.PDF
  3. http://www.eu.necel.com/_pdf/U17688EE1V0AN00.PDF
  4. http://www.eu.necel.com/_pdf/U16498EE1V1AN00.PDF
  5. http://www.eu.necel.com/_pdf/U17333EE1V0AN00.PDF
  6. http://www.eu.necel.com/_pdf/EACT-AN-5502-2_2.PDF
  7. http://www.eu.necel.com/docuweb/index.php?f ld_keyword=upd78f92*&f ld_issue_date=&fld_type=&submit=Search
  8. http://www.eu.necel.com/docuweb/index.php?fld_keyword=&fld_issue_date=&fld_type=AN&submit=Search
  9. http://www.eu.necel.com/_pdf/LPCDOITV100.PDF
  10. http://www.eu.necel.com/_pdf/U17272EJ1V0UM00.PDF

Геннадий ГОРЮНОВ


Статьи по: ARM PIC AVR MSP430, DSP, RF компоненты, Преобразование и коммутация речевых сигналов, Аналоговая техника, ADC, DAC, PLD, FPGA, MOSFET, IGBT, Дискретные полупрoводниковые приборы. Sensor, Проектирование и технология, LCD, LCM, LED. Оптоэлектроника и ВОЛС, Дистрибуция электронных компонентов, Оборудование и измерительная техника, Пассивные элементы и коммутационные устройства, Системы идентификации и защиты информации, Корпуса, Печатные платы

Design by GAW.RU