|
Обзор контроллеров импульсных источников питания от 10 до 25 Вт
Современный рынок источников питания предлагает разработчику широкий выбор различных изделий электроники, каждое из которых в той или иной степени готово к решению поставленных перед инженерами задач. Данная статья имеет перед собой цель рассмотреть и помочь выбрать оптимальные решения из предложений наиболее известных игроков рынка импульсных источников питания.
Введение
Раньше системам питания в функциональной схеме на этапе проектирования очень часто уделялось внимание уже на завершающей стадии, многие специалисты недооценивали их возможность по усовершенствованию изделия в целом. В последнее время тенденции развития электронной промышленности поставили на первый план перед разработчиками такие задачи, как уменьшение энергопотребления, массогабаритных характеристик, времени разработки и конечной стоимости изделия. Такие требования изменили некогда второстепенное отношение к узлам осуществления питания устройства, ведь во многом именно от них зависит способность конечного продукта быть конкурентоспособным, выдерживая жесткие требования рынка.
На сегодняшний день ведущие позиции в этой области традиционно занимает компания Power Integration. Продукция этой фирмы хорошо известна, технология применения многократно отработана, что и является фактором, который перевешивает чашу весов в ее сторону.
В качестве конкурирующих продуктов рассмотрим предложение в области источников питания от компании Fairchild Semiconductor. Эта компания уже давно зарекомендовала себя в области силовой электроники, предлагая недорогие, качественные и многофункциональные решения. Как правило, продукция этого производителя ориентирована на области, требующие высокой степени надежности и производительности.
Источники питания
Фактически все изделия электронной промышленности нуждаются в питании постоянным током от аккумуляторной батареи или источника питания. Помимо того, большинство приборов имеет повышенные требования к его качеству. Напряжение необходимо регулировать и защищать от возникающих пульсаций.
Всего существует три типа силовых преобразователей:
- DC\DC-конвертер;
- AC\DC-источник питания;
- DC\AC-инвертор.
Идеальный источник должен формировать требуемые значения напряжений, несмотря на изменение окружающей температуры, нагрузки или входного напряжения. При этом он должен обладать 100%-ной эффективностью. На рис. 1 можно увидеть недостатки реального источника питания.
 Рис. 1. Реальный источник питания
На сегодняшний день существуют линейные и импульсные источники питания. Импульсное преобразование интересно из-за высокой эффективности и удельной мощности. В таблице сравниваются некоторые из основных особенностей линейных и импульсных источников питания. Стабильность по напряжению и току обычно лучше у линейных источников питания, иногда на порядок, но в импульсных источниках питания часто используются линейные выходные стабилизаторы, улучшающие параметры выходного напряжения.
Таблица. Сравнение импульсных и линейных источников питания
| Параметр |
Линейные |
Импульсные |
| Нестабильность по входному напряжению, % |
0,02–0,05 |
0,05–0,1 |
| Нестабильность по току нагрузки, % |
0,02–0,1 |
0,1–1,0 |
| Выходные пульсации, мВ |
0,5–2 |
25–100 |
| КПД, % |
40-55 |
60-95 |
| Средняя удельная мощность, Вт/дм3 |
30 |
140 |
| Время восстановления, мкс |
50 |
300 |
| Время удержания, мкс |
2 |
32 |
Наконец, импульсные источники питания имеют более широкий диапазон входных напряжений. Диапазон входных напряжений линейных источников питания обычно не превышает 10% от номинального значения, что оказывает прямое влияние на КПД. У импульсных источников влияние изменения величины входного напряжения на КПД очень незначительное или вообще отсутствует, а широкий рабочий диапазон входных напряжений дает возможность работать при сильных изменениях напряжения сети (до 40%). Наиболее часто применяемой (благодаря своим достоинствам) является схема обратноходового преобразователя (рис. 2). Разработано множество микросхем управления данными преобразователями. Существуют как микросборки, использующие внешний силовой транзистор, так и включающие силовой элемент в свой состав, что уменьшает его габариты.
 Рис. 2. Схема обратноходового преобразователя с согласующим трансформатором и гальванической развязкой
В недалеком прошлом реализация метода широтно-импульсной модуляции и контроля характеристик осуществлялась за счет дискретных элементов. Появление интегральных схем, берущих на себя эти функции, намного упростило процесс разработки и в несколько раз уменьшило габаритные размеры источников питания (рис. 3). Лидерами в производстве интегральных схем управления источниками питания являются компании Power Integrations и Fairchild Semiconductor.
 Рис. 3. Эволюция источников питания
Регуляторы напряжения компании Power Integrations
Компания Power Integrations специализируется в области контроллеров управления для импульсных преобразователей напряжения. Продукция фирмы Power Integrations многократно описывалась в различной литературе, поэтому мы лишь вкратце коснемся ее изделий и некоторых технических особенностей.
Остановимся, в качестве примера, на линейке TinySwitch-II. Слово «Tiny» в названии этого семейства говорит о том, что вся серия регуляторов имеет очень небольшие размеры. Микросхемы могут находить применение в блоках питания сотовых телефонов, цифровых фотокамер, компьютеров, антенных усилителях и др. Компания Power Integrations предлагает их в двух видах корпусов — DIP-8B и SMD-8B.
Типичная схема включения представлена на рис. 4. Микросхемы этой серии имеют четыре активных вывода, следующего назначения:
- DRAIN (D) подключен к стоку выходного ключа МОП-транзистора. Ключевой вывод осуществляет запуск и питание микросхемы.
- BYPASS (BP) подключен к внешнему конденсатору для поддержания внутреннего напряжения 5,8 В.
- ENABLE/UNDER-VOLTAGE (EN/UV) выполняет функцию разрешающего входа и отслеживает нестабильность напряжения через подключение к линии постоянного напряжения.
- SOURCE (S) — схема управления, соединенная с истоком МОП-транзистора.
 Рис. 4. Схема включения микросхемы TinySwitch-II
Компоненты Power Integrations просты в применении, и это составляет их важнейшее отличительное свойство.
Семейство микросхем FPS производства компании Fairchild Semiconductor
Продукция компании Fairchild Semiconductor отлично зарекомендовала себя на рынке высокопроизводительных систем, там, где требуются надежная, эффективная работа ималое энергопотребление. В настоящее время компания предлагает самый широкий ассортимент полупроводниковых устройств для промышленного, автомобильного, телекоммуникационного и компьютерного оборудования.
В отличие от компании Power Integrations, специализирующейся только в области микросхем управления питанием, спектр продукции Fairchild Semiconductor гораздо шире (рис. 5) и включает в себя практически все активные компоненты для источников питания:
- контроллеры импульсных источников питания;
- дискретные элементы (силовые транзисторы, IGBT, диоды и сборки);
- оптопары;
- регуляторы напряжений.
 Рис. 5. Продукция Fairchild Semiconductor для источников питания
Наиболее интересными являются продукты серии Green FPS — высокоинтегрированные переключатели мощности, включающие полевой транзистор и ШИМ-контроллер с управлением по току, что позволяет снизить потребление в режиме ожидания и электромагнитное излучение (ЭМИ), а также сократить число элементов и занимаемую площадь на плате. Продукты данной линейки удовлетворяют параметрам «инициативы 1 Вт» Международного энергетического агентства.
Микросхемы серии FPS на переменное напряжение 265 В имеют потребление 0,1 Вт в режиме ожидания. Одним из примеров этой линейки является микросхема FSDH0265RN, разработанная специально для питания различной бытовой и офисной техники, применяемая также в сфере телекоммуникаций.
Микросхема включает в себя:
- транзистор SenseFET;
- ШИМ-контроллер;
- высокоточный частотный осциллятор.
Дополнительные функции:
- схема запуска с мягким стартом;
- частотная модуляция для уменьшения ЭМИ;
- высокоточное значение рабочей частоты;
- небольшой рабочий ток (~3 мА).
Схемы защиты:
- термозащита;
- ограничитель тока;
- защита от перегрузки по току и напряжению;
- регулируемое значение пикового тока.
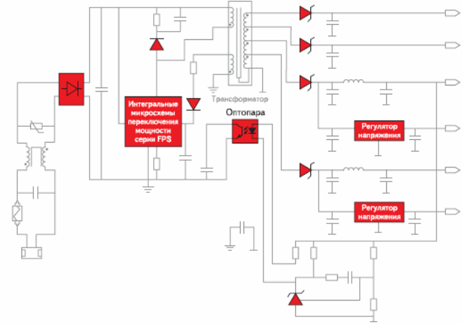
Типичная схема включения данных микросхем приведена на рис. 6.
 Рис. 6. Применение продуктов серии FPS в источниках питания
Линейка предлагается в корпусах 8DIP и 8LSOP со следующими назначениями выводов:
- GND — земля;
- Vcc — напряжение питания микросхемы;
- Vfb— цепь обратной связи;
- Ipk — установка ограничения тока через транзистор;
- Vstr — цепь связи с выпрямленным переменным напряжением;
- Drain — вывод полевого транзистора, соединенный с первичной обмоткой трансформатора.
Учитывая требования рынка к понижению потребляемой энергии в режиме ожидания, компания Fairchild Semiconductor предусмотрела регулирование активного режима (burst) работы микросхемы (рис. 7). Как известно, этот режим работы характеризуется наибольшим расходом энергии. При уменьшении напряжения обратной связи до Vактив1 = 500 мВ микросхема автоматически переходит в режим burst. При дальнейшем уменьшении и достижении точки Vактив2 = 350 мВ переключения прекращаются, и выходное напряжение начинает понижаться. В этот момент повышается напряжение обратной связи, и после достижения точки Vактив1 начинает работать ключ. Таким образом, найдена альтернатива методу включения-выключения, уменьшающая потери на переключениях в режиме ожидания.
 Рис. 7. Регулирование режима работы микросхемы
Одной из отличительных особенностей этой серии микросхем является возможность точного поддержания рабочей частоты. Микросхемы FPS имеют следующие рабочие частоты: 50, 70, 100, 134 кГц. Как известно, осциллятор с постоянной частотой работы генерирует электромагнитные помехи в узком диапазоне частотного спектра. Для борьбы с помехами инженеры компании Fairchild Semiconductor оснастили линейку блоком частотной модуляции (рис. 8). Величина помех может быть понижена за счет «размазывания» энергии по более широкому частотному диапазону.
 Рис. 8. Частотная модуляция
Использование частотной модуляции позволяет для погашения оставшихся наводок использовать недорогие и эффективные индуктивности взамен сложных дроссельных катушек, при этом удовлетворяя мировым требованиям по ограничению электромагнитных помех.
Выводы
Сегодня, проводя разработку, инженер должен учитывать не только технические характеристики используемого им компонента.
В условиях современного рынка, когда время выведения готовой разработки на рынок должно быть минимальным, необходимо использовать все возможные ресурсы для достижения поставленной цели. При прочих равных характеристиках дополнительным стимулом должна выступать возможность применения готовых решений одного производителя, использования его моделей, рекомендаций и мощной технической поддержки. Немногие производители могут похвастать такой возможностью, и одним из них является компания Fairchild Semiconductor.
Литература
- www.fairchildsemi.com/whats_new/fps.html
- http://www.powerint.com/tiny2product.htm
- http://www.powerint.com/PDFFiles/an23.pdf
- http://www.fairchildsemi.com/an/AN/AN-4105.pdf
- Семенов Б. Ю. Силовая электроника. М.: «Солон-Р». 2001.
- http://www.fairchildsemi.com/ds/FS%2FFSDH0265RN.pdf
- http://www.powerint.com/PDFFiles/tny263_268.pdf
Евгений БИРЮКОВ, Дмитрий ВАСИЛЕНКО
|