Рубликатор

 



























Все о псориазе



Новая серия высокотемпературных модулей DC/DC серии МДМ-ВТ для применения в специальной аппаратуре Группы компаний «Александер Электрик»

Для применения в особо тяжелых условиях эксплуатации, когда температура окружающей среды достигает +50-60°С и радиаторы, используемые для охлаждения модулей питания, работают с перепадом температур всего 25–35°С, инженеры группы компаний «Александер Электрик» разработали серию модулей с допустимой рабочей температурой корпуса +125°С. По сравнению с предшественниками, этим модулям при эксплуатации достаточны теплоотводы со значительно меньшей эффективной площадью. Одновременно новые модули получили такие дополнительные функции, как параллельная работа с выравниванием выходных токов, возможность использования внешней обратной связи по выходному напряжению, а также регулировка выходного напряжения.

Возможность работы с дополнительными теплоотводами малой площади или вообще без дополнительных теплоотводов в широком диапазоне температур окружающей среды делает эти модули перспективными для использования в самых разнообразных приборах. В качестве одного из основных применений модулей можно прогнозировать в устройствах, где требуются надежность и малые габариты. Это, например, распределенные системы электропитания [1] с локальными DC/DC преобразователями, размещенными на печатных платах рядом с нагрузкой.

Высокотемпературные модули электропитания серии МДМ-ВТ [2] созданы на основе ранее разработанной серии МДМ с использованием типового ряда линейки корпусов и аналогичного размещения выводов, что немаловажно для потребителей, уже использующих модули серии МДМ. По сравнению с предыдущей серией мощность модулей в тех же габаритах возросла примерно в 1,2–1,4 раза. Мощностной ряд представлен модулями от 6 до 160 Вт (таблица 1).

Таблица 1. Основные параметры модулей МДМ-ВТ

По соотношению массогабаритных и функциональных показателей серия МДМ-ВТ выгодно отличается от предыдущей серии МДМ: удельная мощность модулей достигает 1320 Вт/дм3. Все устройства этой серии имеют дополнительную функцию регулировки выходного напряжения, а функции параллельной работы и внешней обратной связи получили модули МДМ60-ВТ, МДМ80-ВТ, МДМ120-ВТ, МДМ160-ВТ.

Как и модули серии МДМ, новые приборы имеют фильтры радиочастотных помех на входе и выходе, гальваническую развязку 500 В между входом, выходом и корпусом, а также полный комплекс защиты — от перегрузки, короткого замыкания, перегрева, превышения выходного напряжения (все механизмы защиты предусматривают автоматическое восстановление после снятия воздействия). Удобно также, что модули снабжены функцией дистанционного включения-выключения. Технические характеристики высокотемпературных модулей питания МДМ-ВТ приведены в таблице 2.

Таблица 2. Технические характеристики высокотемпературных модулей питания МДМ-ВТ

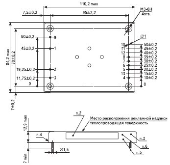
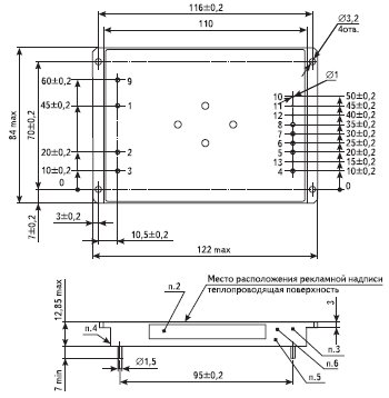
Конструкция модулей представляет собой тонкостенный алюминиевый корпус, внутри которого размещена печатная плата с элементами поверхностного монтажа, залитая компаундом с теплопроводящим наполнителем. В аппаратуре модули могут устанавливаться на радиатор охлаждения или на печатную плату. Для различных вариантов установки модули могут изготавливаться в двух типах корпусов — штампованном или усиленном фрезерованном с фланцами. В корпусах для крепления предусмотрены резьбовые втулки или отверстия во фланцах. Габаритные чертежи модуля МДМ160-ВТ в двух исполнениях корпуса изображены на рис. 1.

Габаритные чертежи модуля МДМ160-ВТ
Габаритные чертежи модуля МДМ160-ВТ
Рис. 1. Габаритные чертежи модуля МДМ160-ВТ

Со стороны выводов модуль защищает металлизированная пластина, припаянная к корпусу и служащая одновременно экраном от помех по электромагнитного поля.

Рассмотрим задачи отвода тепла, обеспечения параллельной работы, электромагнитной совместимости и надежности, решение которых необходимо для успешной эксплуатации модулей.

Отвод тепла. Упрощение проблемы отвода тепла — одно из основных преимуществ высокотемпературных модулей. В широком диапазоне температур модули могут быть использованы без радиатора при работе на номинальной мощности или при ее незначительном уменьшении. Типовое расположение модуля и радиатора, а также процесс теплопередачи схематично изображены на рисунке 2.

Модуль с теплоотводом
Рис. 2. Модуль с теплоотводом

Для расчета тепловых режимов, прежде всего, необходимо определить мощность потерь Рп:

где Рвых — мощность, потребляемая нагрузкой. Так как в таблице 2 приведен только типовой КПД модуля, при расчетах КПД для каждого типа модуля должен быть уточнен по графикам из рис. 3.

График зависимость КПД модуля от нагрузки
Рис. 3. График зависимость КПД модуля от нагрузки

Необходимая эффективная площадь радиатора S определяется по формуле:

где a = 0,001 – 0,003 Вт/см2°С — коэффициент теплоотдачи, tкmax = 125 °С — температура корпуса, tокр — температура окружающей среды, tкр — разность температур из-за наличия зазора между радиатором и модулем. При заполнении зазора теплопроводящей пастой

По формуле (2) для каждого модуля с поверхностью охлаждения S = 2ab + 2h(a + b), где а — ширина, b — длина, h — высота согласно данным, приведенным в таблице 1 (учитывается полная поверхность модуля), может быть определена температура окружающей среды, при которой модуль работает без использования дополнительного теплоотвода и снижения номинальной мощности, а также рассчитана площадь радиатора для заданной температуры эксплуатации.

В качестве примера приведем расчет выходной мощности от температуры для модуля МДМ-ВТ мощностью 5 Вт на напряжение 5 В, площадь поверхности которого для охлаждения равна 22 см2. Для расчетов примем a = 0,0013: такой коэффициент теплоотдачи давно применяется разработчиками и соответствует значению 25 см2/Вт при разности температур корпуса модуля и окружающей среды равной 30 °С [3].

Как показали расчеты, площадь поверхности позволяет использовать модуль при номинальной мощности до температуры 78 °С.

График снижения мощности
Рис. 4. График снижения мощности

При экспериментальной проверке расчетов в камере тепла при t = 78 °С, измеренная температура корпуса модуля не превышала допустимой величины.

Параллельная работа модулей в системе электропитания используется для повышения надежности системы путем резервирования. Другой причиной может служить необходимость увеличения мощности и уменьшение типономиналов составляющих ее модулей. Для этой цели предусмотрены дополнительные функции параллельной работы, обеспечивающие принудительное выравнивание токов между модулями. Модули (до четырех штук) объединяются с помощью дополнительных соединений по выводу «Параллельная работа», управляющие сигналы которых служат для выравнивания выходных токов модулей.

Выводы «Обратная связь», подключаемые к клеммам нагрузки, служат для компенсации падения напряжения в выходных соединительных проводах, что особенно важно для разветвленных систем электропитания. Схема параллельного включения показана на рис. 5.

Схема параллельного включения модулей МДМ-ВТ
Рис. 5. Схема параллельного включения модулей МДМ-ВТ

При процентном резервировании по (N+1) обязательно включение диодов VD1…VD4, а также дистанционная и местная сигнализация о неисправном модуле.

Надежность является основным критерием, определяющим выбор модулей питания. В модулях МДМ-ВТ исключены элементы с плохим временем наработки на отказ, отрицательно влияющие на надежность: вместо танталовых использованы керамические конденсаторы, оптическая развязка сигналов обратной связи заменена на трансформаторную. На рис. 6 приведена зависимость времени наработки на отказ модулей МДМ-ВТ от температуры корпуса. Расчетная наработка на отказ при температуре корпуса 35 °С составляет не менее 1 млн. часов, для 125 °С соответственно 30 тыс. часов.

График зависимости наработки на отказ от температуры
Рис. 6. График зависимости наработки на отказ от температуры

Модули серии МДМ-ВТ уже серийно выпускаются, а также с II квартала 2005 г. в соответствии с ГОСТ В 29110-91 начата поставка опытных образцов с приемкой «5» в рамках ОКР «Разработка унифицированных 1-, 2-, 3-канальных модулей электропитания мощностью 5–200 Вт с гальванически развязанными выходными каналами, с напряжением развязки вход-выход и между каналами 500 В, с высокими удельными характеристиками».

Литература

  1. Лукин А. В. Распределенные системы электропитания. Электронные компоненты. № 7. 1997.
  2. Каталог Группы компаний «Александер Электрик» на диске— 2005.
  3. Гончаров А. Ю. Российское производство конверторных модулей электропитания. Электроника и компоненты. № 3. 1997.

Александр ГОНЧАРОВ, к. т. н.
Владимир САВЕНКОВ, к. т. н.


Статьи по: ARM PIC AVR MSP430, DSP, RF компоненты, Преобразование и коммутация речевых сигналов, Аналоговая техника, ADC, DAC, PLD, FPGA, MOSFET, IGBT, Дискретные полупрoводниковые приборы. Sensor, Проектирование и технология, LCD, LCM, LED. Оптоэлектроника и ВОЛС, Дистрибуция электронных компонентов, Оборудование и измерительная техника, Пассивные элементы и коммутационные устройства, Системы идентификации и защиты информации, Корпуса, Печатные платы

Design by GAW.RU