Рубликатор

 



























Все о псориазе



Применение современных микросхем National Semiconductor для повышения эффективности работы прямоходовых схем

Сегодня в борьбе по увеличению производительности источников питания важен каждый дополнительно выигранный процент КПД. Разработчики интегральных микросхем учитывают недостатки некоторых топологий преобразования для повышения эффективности источника питания. Данная статья представляет новое решение от компании National Semiconductor для источника питания, спроектированного по прямоходовой схеме.

Использование прямоходовой схемы в импульсных источниках питания

На сегодняшний день прямоходовая схема преобразования с технологией active-clamp reset (сброс трансформатора) благодаря своим особенностям находит самое широкое применение. Выбор такой схемы является превосходным решением для высокоэффективных приложений с выходной мощностью от 50 до 500 Вт. Простота реализации одно из отличительных качеств прямоходовой технологии, что определяет ее привлекательность среди инженеров-разработчиков.

Метод прямоходового преобразования относится к однотактным и схож с понижающей топологией (buck topology). Основное отличие первого— это наличие трансформатора, который помимо понижения и повышения напряжения осуществляет заземляющие функции (рис. 1). Недостатком прямоходовой схемы является отсутствие у трансформатора средств естественного «самосброса», как в симметричных схемах (двухтактная, полумостовая и мостовая). Для устранения этого недостатка существует множество механизмов сброса индуктивной энергии, каждому из которых присущи свои особенности. Наиболее популярной технологией, решающей проблему разряда трансформатора, является прямоходовая схема с активным механизмом сброса (active-clamp reset).

Понижающая и прямоходовая схема источника питания
Рис. 1. Понижающая и прямоходовая схема источника питания

Кроме указанных нами схемотехнических отличий схем, есть отличия и в самих передаточных функциях. В частности, в прямоходовой схеме присутствует коэффициент трансформации, который определяется как отношение числа витков вторичной обмотки трансформатора к количеству числа витков первичной. На рис. 2 представлена модель трансформатора, учитывающая его индуктивность рассеяния (LL) и индуктивность намагничивания (Lm), которая включена параллельно первичной обмотке. Индуктивность намагничивания легко рассчитывается и пропорциональна плотности потока внутри сердечника, когда выводы вторичной обмотки не замкнуты. Зная точные геометрические размеры трансформатора, можно поддерживать поток энергии до наступления насыщения, в результате которого стремительно уменьшается индуктивность. Достижение этого результата необходимо для получения эффективного источника питания.

Индуктивность рассеивания рассчитывается, когда вторичная обмотка находится в режиме КЗ (короткое замыкание).

Модель трансформатора
Рис. 2. Модель трансформатора

Режим активного сброса в прямоходовой схеме

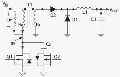
Для того чтобы проектируемый источник питания был максимально эффективным, необходимо схемотехнически защитить сердечник от насыщения и увеличить рабочий цикл. Рассмотрим поэтапно реализацию работы режима активного сброса. На рис. 3 представлен преобразователь напряжения в момент времени t0.

Момент времени t0
Рис. 3. Момент времени t0

В начальный момент времени транзистор Q1 открыт, трансформатор преобразует напряжение Vin в напряжение вторичной обмотки через коэффициент трансформации. Ток первичной обмотки имеет следующий вид:

(Ns — количество витков вторичной обмотки, Np — количество витков первичной обмотки).

Емкость Сс является заряженной до напряжения, равного Vin/(1 – D), и через нее ток не течет. Коэффициент D показывает, насколько заполнен рабочий цикл преобразования. Этот период называется силовой фазой, когда осуществляется непосредственная передача энергии во вторичную обмотку. Приблизительная длительность этого периода можно рассчитать по формуле:

(Ts — время переключения, Vout — напряжение на выходе, Vin — напряжение на входе.)

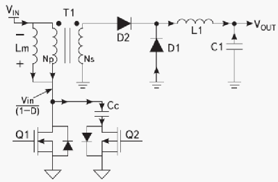
В следующий период времени (t1) (рис. 4) транзистор Q1 закрывается (с помощью драйвера управления микросхемы), и ток протекает через емкость Сс, заряжая ее. Величина потока намагничивания в сердечнике уменьшится, поскольку энергия будет передана в цепь Сс и Q2. Во вторичной цепи нагрузка питается через цепь фиксирующего диода (D1). Эта стадия будет продолжаться до тех пор, пока емкость Сс не зарядится до значения большего, чем Vin , а амплитуда намагничивающего тока не достигнет нулевого значения.

Момент времени t1
Рис. 4. Момент времени t1

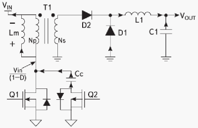
На рис. 5 мы видим ту же самую картину, только в отличие от предыдущего временного диапазона ток в первичной цепи течет в противоположном направлении. Такое направление обусловлено избыточной энергией конденсатора в результате разряда через него индуктивности. Физика устойчивого состояния цепи приводит к выравниванию потенциала конденсатора до значения Vin , а ток намагничивания должен принять такое же значение (только противоположной полярности), как в момент времени t1. Период t2 является заключительной стадией переходного процесса, ток через Сс прекращает протекать и ключевой транзистор Q2 закрывается. Технология активного сброса является наиболее популярной технологией силовых схем за счет увеличенного коэффициента заполнения по сравнению с другими решениями, а также благодаря возможности работать с более высокими значениями коэффициента трансформации вшироком диапазоне входных напряжений.

Момент времени t2
Рис. 5. Момент времени t2

Особенности контроллеров компании National Semiconductor

Применение микросхем с возможностью режима активного сброса позволяет предотвратить нежелательные потери мощности. Благодаря наличию быстрого драйвера управления транзистором Q1 потери фактически отсутствуют. Это реализуется быстрым выключением транзистора (прекращается протекание тока через него) при увеличении напряжения истока. Увеличение напряжения замедлено наличием внутренней емкости в транзисторе. Специальный драйвер микросхемы успевает в этот момент закрыть Q1, прежде чем напряжение на истоке станет слишком большим. Уникальная архитектура драйвера, состоящего из МОП и биполярных структур, гарантирует высокое значение тока разряда, за счет чего достигается быстрое выключение транзистора и уменьшение потерь.

Компания National Semiconductor предлагает серию микросхем LM5026, LM5025 и LM5034, в которых реализована возможность работы с коэффициентом заполнения свыше 50%. На рис. 6 представлена внутренняя архитектура и типичная схема включения ШИМ-контроллера LM5026.

Схема включения LM5026
Рис. 6. Схема включения LM5026

Контроллер LM5026 был специально разработан для применения в высокочастотных схемах и обеспечивает более высокую эффективность, чем обычные прямоходовые преобразователи. Микросхема является интересным решением для конверторов AC/DC и DC/DC в промышленных источниках питания. ШИМ-контроллер LM5026 — очень функциональное и гибкое решение, в существенной степени упрощающее процесс проектирования и стоимость разработки за счет уменьшения числа внешних компонентов. В состав микросхемы входит высокочастотный осциллятор, схема мягкого запуска, ШИМ-контроллер, работающий в токовом режиме, а также 3-амперный драйвер для управления внешним силовым ключом и драйвер для управления транзистором, через который осуществляется сброс трансформатора. Кроме того, уникальная обратная связь по току обеспечивает высокую точность отслеживания выходного напряжения и его компенсацию. Микросхема LM5026 работает в диапазоне входных напряжений от 13 до 100 В.

Выводы

Последние тенденции развития электроники заставляют разработчиков все больше обращать внимание на экономичность и эффективность разрабатываемых систем. Внедрение компанией National Semiconductor в линейку своих продуктов технологии активного сброса позволяет повторно использовать энергию, при этом решая проблему разряда преобразователя мощности. В итоге инженеры получают в свой арсенал недорогое, простое в разработке и эффективное решение для проектирования источников питания.

Литература

  1. Cтатья Operation and Benefits of Active-Clamp Forward Power Converters // Power Designer. N 108. National Semiconductor.
  2. Introduction to Forward Power Converters Utilizing Active Clamp Reset. Материалы Online семинара компании National Semiconductor. http://www.national.com/onlineseminar/2005/activeclamp/ActiveClamp_4-18-05b.pdf
  3. http://powerwise.national.com
  4. http://www.national.com/appinfo/power
  5. Описание продукта LM5026. http://cache.national.com/ds/LM/LM5026.pdf
  6. Описание продукта LM5034. http://cache.national.com/ds/LM/LM5034.pdf
  7. Описание продукта LM5025. http://cache.national.com/ds/LM/LM5025.pdf

Евгений БИРЮКОВ


Статьи по: ARM PIC AVR MSP430, DSP, RF компоненты, Преобразование и коммутация речевых сигналов, Аналоговая техника, ADC, DAC, PLD, FPGA, MOSFET, IGBT, Дискретные полупрoводниковые приборы. Sensor, Проектирование и технология, LCD, LCM, LED. Оптоэлектроника и ВОЛС, Дистрибуция электронных компонентов, Оборудование и измерительная техника, Пассивные элементы и коммутационные устройства, Системы идентификации и защиты информации, Корпуса, Печатные платы

Design by GAW.RU