Рубликатор

 



























Все о псориазе



Изолирующие микросхемы на основе технологии iCoupler фирмы Analog Devices

Статья представляет собой краткий обзор изолирующих микросхем, выполненных на основе запатентованной технологии iCoupler фирмы Analog Devices. Рассматриваются их номенклатура и основные параметры.

Введение

Одна из наиболее серьезных проблем, возникающих при передаче данных между электронными устройствами (или между различными узлами одного устройства),— несовпадение нулевых потенциалов этих устройств, так называемых «земель». Если непосредственно соединить земляные цепи разных устройств при помощи провода или экрана кабеля, то возникают паразитные контуры, по которым начинают проходить земляные токи. Они вызывают искажения сигналов, помехи, повышенный уровень излучения, а при большой разности земляных потенциалов могут приводить к повреждениям устройств. Кроме того, в некоторых применениях, например в медицинской аппаратуре, гальваническая связь может приводить к опасности поражения электрическим током.

Поэтому для передачи сигналов между устройствами с различными земляными потенциалами линии связи должны иметь гальваническую развязку. Ее задача — обеспечивать передачу информации без искажений в условиях изменения земляных потенциалов устройств и наличия синфазных помех. Для гальванической развязки узлов радиоэлектронной аппаратуры традиционно использовались трансформаторы и оптические изоляторы. С совершенствованием технологий появилась возможность упаковывать в обычные корпуса микросхем индуктивные элементы и передавать данные через магнитное поле внутри корпуса. Фирма Analog Devices разработала и запатентовала технологию производства таких устройств под названием iCoupler. Главным их достоинством по сравнению с оптическими изоляторами является более высокая скорость передачи данных. Кроме того, у них при одинаковых скоростях заметно меньше потребляемая мощность. А при создании многоканальных, и особенно двунаправленных, гальванически развязанных линий передачи данных их применение вместо оптических изоляторов позволяет в несколько раз сократить габариты, потребляемую мощность и стоимость узлов гальванической развязки [1].

Рассмотрим принцип действия iCoupler и различные устройства на основе этой технологии, выпускаемые фирмой Analog Devices.

Принцип действия устройств iCoupler

Основой изолирующей технологии iCoupler служат трансформаторы на кристалле, которые формируются по КМОП-технологии в процессе изготовления полупроводниковой пластины. Каналы iCoupler могут быть встроены как недорогие функциональные узлы в разнообразные полупроводниковые устройства. Работа изолирующего канала iCoupler показана на рис. 1 [2].

Принцип действия изолятора iCoupler
Рис. 1. Принцип действия изолятора iCoupler

Входные логические перепады кодируются импульсами длительностью 1 нс: каждый положительный перепад вызывает появление двух импульсов, а каждый отрицательный — одного. Эти импульсы поступают на первичную обмотку трансформатора, образованного металлическим проводником на верхней стороне полиимидного диэлектрического слоя. На нижней стороне изолирующего слоя расположена вторичная обмотка трансформатора. Импульсы со вторичной обмотки поступают на декодирующую схему, которая восстанавливает входной сигнал.

Конструкция 4-канальных изоляторов ADuM140x
Рис. 2. Конструкция 4-канальных изоляторов ADuM140x

Кроме того, специальная схема регенерации проверяет соответствие выходного уровня входному даже в отсутствие логических перепадов на входе. Это требуется при включении питания, а также при малых скоростях передачи данных или при длительном отсутствии изменения уровня сигнала на входе устройства в условиях воздействия помех.

Устройства для передачи цифровых сигналов

Наиболее многочисленная группа устройств, в которых используется технология iCoupler — это цифровые изоляторы (digital isolators). Они предназначены для построения гальванически развязанных линий передачи цифровых сигналов. Как на входах, так и на выходах этих устройств не требуется дополнительных балластных или нагрузочных резисторов или каких-либо других деталей. На рис. 3 показана функциональная схема одноканального изолятора ADuM1100 [3].

Функциональная схема одноканального цифрового изолятора iCoupler® ADuM1100
Рис. 3. Функциональная схема одноканального цифрового изолятора iCoupler® ADuM1100

При отсутствии на входе импульсов в течение более 2 мкс периодически формируются обновляющие импульсы, для того чтобы выходное состояние соответствовало входному. Если декодер не получает обновляющих импульсов дольше 5 мкс, то входная сторона считается обесточенной или неисправной. В этом случае сторожевой таймер устанавливает на выходе устройства высокий уровень.

Как входная, так и выходная части устройства могут работать при напряжении питания от 3 до 5,5 В. При этом значения питающих напряжений по обе стороны изолирующего канала не зависят друг от друга и могут быть как одинаковыми, так и разными. Таким образом, изоляторы iCoupler в дополнение к гальванической развязке могут обеспечивать преобразование цифровых уровней. В таблице 1 приведены пороговые значения уровней входных сигналов при разных напряжениях питания.

Таблица 1. Входные логические пороги изолятора ADuM1100

Наименование параметра Значение при напряжении питания 3,3 В Значение при напряжении питания 5,0 В
Уровень логического нуля, В 0,0–0,5 0,0–0,8
Уровень логической единицы, В 1,5–3,3 2,0–5,0

Заметим, что при питании 5 В значения входных логических порогов близки к стандартным уровням ТТЛ. Выходные напряжения при любом питании приближаются к уровням питающих напряжений (КМОП-уровни).

В одном корпусе цифрового изолятора iCoupler может быть от одного до четырех каналов. Эти каналы могут быть как однонаправленными, так и разнонаправленными. Стоит отметить, что многоканальные изоляторы iCoupler, особенно двухканальные, имеют меньшее быстродействие, чем одноканальный ADuM1100 [4]. На рис. 4–6 приведены функциональные схемы многоканальных цифровых изоляторов, взятые из описаний этих микросхем [5–7]. Обратим внимание на то, что у трех- и четырехканальных изоляторов можно переводить выходы в высокоимпедансное состояние.

Двухканальные цифровые изоляторы iCoupler ADuM120x
Рис. 4. Двухканальные цифровые изоляторы iCoupler ADuM120x

Трехканальные цифровые изоляторы iCoupler ADuM130x
Рис. 5. Трехканальные цифровые изоляторы iCoupler ADuM130x

Четырехканальные цифровые изоляторы iCoupler ADuM14
Рис. 6. Четырехканальные цифровые изоляторы iCoupler ADuM140x

Фирма Analog Devices выпускает цифровые изоляторы iCoupler в разных исполнениях. В первую очередь, можно отметить, что большинство моделей выпускается в двух-трех вариантах, отличающихся быстродействием. При этом самая медленная версия может стоить вдвое дешевле, чем самая быстрая. Этим Analog Devices выгодно отличается от производителей аналогичной продукции [4], которые выпускают свои изделия только в одном исполнении, с максимальной скоростью и, соответственно, стоимостью.

Кроме того, некоторые модели имеют версии со значительно улучшенными изолирующими свойствами. Для первых изоляторов iCoupler номинальное среднеквадратическое (RMS) значение напряжения, приложенного к изолирующему барьеру, равнялось 2,5 кВ. Впоследствии фирма усовершенствовала свою технологию, и появились изоляторы с удвоенным номинальным напряжением 5 кВ. В обозначениях этих изделий первая цифра 1 заменена на 2, например, ADuM2400 вместо ADuM1400. В настоящее время выпускаются три модели таких изоляторов: четырехканальные ADuM2400, ADuM2401 и ADuM2402 (для каждого из них есть версии со скоростью передачи данных 1, 10 и 90 Мбит/с).

Следует заметить, что для разных областей применения существуют различные требования к электрической прочности изоляции. Соответственно, существует несколько разных стандартов, определяющих различные методики испытаний. Приведенные цифры относятся к испытаниям, проводимым в соответствии со стандартом UL1577 для оптических изоляторов. Поэтому номинальное напряжение может служить только для ориентировочной оценки качества изоляции, а для конкретных применений надо руководствоваться соответствующими стандартами. Фирма Analog Devices испытывает и сертифицирует изоляторы iCoupler в соответствии с требованиями трех организаций: UL, CSA и VDE. Например, в соответствии c основными требованиями нового стандарта для магнитных изоляторов IEC60747-5-5, изоляторы iCoupler могут выдерживать среднеквадратическое рабочее напряжение 400 В, а в соответствии с повышенными требованиями этого стандарта - 500 В. Испытания, проводимые в соответствии с повышенными требованиями стандарта для медицинского оборудования IEC60601-1 (то есть речь идет о применениях, связанных с опасностью для жизни), гарантируют среднеквадратическое рабочее напряжение 250 В.

Если сравнивать разделы документации фирмы Analog Devices на изделия iCoupler, посвященные качеству изоляции, с аналогичными разделами в документации конкурирующих фирм, то можно оценить тщательность, с которой фирма подходит к обеспечению качества и надежности изоляции.

Еще одно направление развития изоляторов iCoupler — это повышение устойчивости к воздействию статического электричества. Выпущены новые модели изоляторов ADuM3xxx, совместимые по выводам с ADuM1xxx. В схему и топологию этих устройств внесены изменения для соответствия требованиям тестирования по стандарту IEC61000-4-x. Эти изоляторы также имеют версии, различающиеся по быстродействию и стоимости.

И, наконец, можно упомянуть еще одну опцию: у одноканального изолятора ADuM1100 есть версия ADuM1100UR, рассчитанная на работу в расширенном диапазоне температур (от –40 до +125 °C).

В таблице 2 [8] приведена номенклатура цифровых изоляторов iCoupler с номинальным напряжением 2,5 кВ и их основные параметры. Заметим, что скорость передачи данных приводится в мегабитах в секунду (Mbps). Чтобы получить максимальную частоту импульсного сигнала вМГц, которую может передавать микросхема, эту цифру надо разделить пополам.

Таблица 2. Справочные данные для выбора цифровых изоляторов iCoupler

Модель Число входов (сторона Vdd1) Число входов (сторона Vdd2) Температур-ный диапазон Макс. скорость передачи, Мбит/с Мин. ширина импульса, нс Макс. задержка распро-стране-ния при 5 В, нс Макс. иска-жение ширины импульса, нс Согла-сова-ние одно-направ-ленных каналов, нс Тип корпуса
ADuM1100AR 1 0 –40...+100°C 25 40 18 2   Узкий SOIC8
ADuM1100BR 1 0 –40...+100°C 100 10 18 2   Узкий SOIC8
ADuM1100UR 1 0 –40...+125°C 100 10 18 2   Узкий SOIC8
ADuM1300ARW 3 0 –40...+100 °C 1 1000 100 50 50 Широкий SOIC16
ADuM1300BRW 3 0 –40...+100 °C 10 100 50 3 3 Широкий SOIC16
ADuM1300CRW 3 0 –40...+100 °C 100 10 32 2 2 Широкий SOIC16
ADuM1301ARW 2 1 –40...+100 °C 1 1000 100 50 50 Широкий SOIC16
ADuM1301BRW 2 1 –40...+100 °C 10 100 50 3 3 Широкий SOIC16
ADuM1301CRW 2 1 –40...+100 °C 100 10 32 2 2 Широкий SOIC16
ADuM1400ARW 4 0 –40...+100 °C 1 1000 100 50 50 Широкий SOIC16
ADuM1400BRW 4 0 –40...+100 °C 10 100 50 3 3 Широкий SOIC16
ADuM1400CRW 4 0 –40...+100 °C 100 10 32 2 2 Широкий SOIC16
ADuM1401ARW 3 1 –40...+100 °C 1 1000 100 50 50 Широкий SOIC16
ADuM1401BRW 3 1 –40...+100 °C 10 100 50 3 3 Широкий SOIC16
ADuM1401CRW 3 1 –40...+100 °C 100 10 32 2 2 Широкий SOIC16
ADuM1402ARW 2 2 –40...+100 °C 1 1000 100 50 50 Широкий SOIC16
ADuM1402BRW 2 2 –40...+100 °C 10 100 50 3 3 Широкий SOIC16
ADuM1402CRW 2 2 –40...+100 °C 100 10 32 2 2 Широкий SOIC16

Технология isoPower — цифровые изоляторы со встроенными DC/DC-преобразователями

Технология isoPower— это оригинальное решение фирмы Analog Devices. У других фирм, выпускающих магнитные изоляторы, подобного предложения пока нет. В цифровом изоляторе iCoupler рядом с сигнальными трансформаторами по аналогичной технологии размещается дополнительный трансформатор. По одну сторону от изолирующего барьера располагается импульсный генератор, а по другую — выпрямитель. Импульсы от генератора проходят через трансформатор, поступают на выпрямитель и преобразуются в постоянное напряжение, от которого можно питать не только изолированную часть самой микросхемы, но и маломощные внешние схемы. Генератор включается, когда входное напряжение питания превышает 4,5 В, и с этого момента напряжение с выпрямителя поступает на вывод 8 питания изолированной части устройства. Если входное напряжение питания ниже 4 В, генератор выключен, и питание изолированной сигнальной части следует подавать от внешнего устройства на тот же вывод.

В настоящее время предлагаются три модели изоляторов с преобразователями isoPower: двухканальные ADuM5240, ADuM5241 и ADuM5242. Они различаются сочетанием направлений каналов и передачи мощности [9] (рис. 7).

Изоляторы со встроенным DC/DC-преобразователем
Рис. 7. Изоляторы со встроенным DC/DC-преобразователем

Максимальная скорость передачи данных у этих изоляторов равна 10 Мбит/с. Ток, который микросхема может отдавать во внешние цепи при включенном встроенном генераторе и скорости передачи данных до 2 Мбит/с, составляет не менее 10 мА. При увеличении скорости этот ток несколько уменьшается, так как увеличивается собственное потребление микросхемы.

К недостаткам изоляторов ADuM524x следует отнести довольно значительное потребление при включенном генераторе DC/DC: входная сторона может потреблять до 115 мА.

Отметим несколько расширенный по сравнению с другими изоляторами iCoupler диапазон питающих напряжений — его нижняя граница составляет 2,7 В вместо 3 В.

Изолированные сигма-дельта модуляторы

Еще один вид устройств, выпускаемых только фирмой Analog Devices, — это сигма-дельта модуляторы с гальванической развязкой через каналы iCoupler. Микросхемы AD7400 и AD7401 представляют собой сигма-дельта АЦП без цифрового фильтра, в которых однобитовый поток данных передается через трехпроводную гальванически развязанную линию. Таким образом, чувствительная аналоговая часть АЦП оказывается изолированной от цифровой части, создающей множество импульсных помех. Требуемую для сигма-дельта АЦП (а также и любую другую) цифровую обработку можно реализовать на ПЛИС или на цифровом сигнальном процессоре (рис. 8) [10].

Пример применения изолированного сигма-дельта модулятора
Рис. 8. Пример применения изолированного сигма-дельта модулятора

Разница между AD7400 и AD7401 состоит в том, что AD7400 содержит встроенный тактовый генератор, а у AD7401 он отсутствует и для работы микросхемы требуется внешняя тактовая частота. При этом у AD7400 встроенный генератор формирует частоты в диапазоне от 8,2 до 13,2 МГц, а для AD7401 требуется внешняя частота от 1 до 20 МГц.

Устройства для гальванической развязки интерфейсов RS-422 и RS-485

Завершим обзор устройств фирмы Analog Devices, в которых используется технология iCoupler, устройствами для гальванически развязанных линий интерфейсов RS-422 и RS-485. В настоящее время фирма предлагает три модели таких устройств.

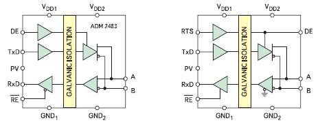
Приемопередатчики ADM2483 и ADM2486 (рис. 9) предназначены для полудуплексных линий и отличаются друг от друга не только набором функций, но и максимальной скоростью передачи данных: у ADM2483 она равна 500 кбит/с, а у быстродействующего ADM2486 — 20 Мбит/с.

Приемопередатчики для полудуплексных линий RS-422 и RS-485
Рис. 9. Приемопередатчики для полудуплексных линий RS-422 и RS-485

Скоростной приемопередатчик ADM2490E для полнодуплексных линий (рис. 10) отличается улучшенной защитой от статического электричества: ±8 кВ со стороны RS-485. Максимальная скорость передачи данных у этого устройства достигает 16 Мбит/с.

Приемопередатчик ADuM2490E для полнодуплексных линий RS-422 и RS-485
Рис. 10. Приемопередатчик ADuM2490E для полнодуплексных линий RS-422 и RS-485

Заключение

Выпуск устройств с гальванической развязкой на основе технологии iCoupler является одним из активно развивающихся направлений деятельности фирмы Analog Devices. Новые устройства появляются почти ежемесячно. От других фирм, выпускающих магнитные изоляторы, Analog Devices выгодно отличается функциональным разнообразием устройств, в которых используется магнитная изоляция.

Литература

  1. Романов О. Высокоскоростные цифровые изоляторы фирмы Analog Devices — достойная альтернатива оптопарам // Компоненты и технологии. 2003. № 7. http://www.eltech.spb.ru/pdf/AD/vciad.pdf
  2. iCoupler® Digital Isolation Products. Материал с сайта Analog Devices. http://www.analog.com.
  3. iCoupler® Digital Isolator ADuM1100. Datasheet REV. E. Материал с сайта Analog Devices. http://www.analog.com.
  4. Иоффе Д. Обзор скоростных цифровых изоляторов с передачей данных через магнитное поле // Компоненты и технологии. 2006. № 2. http://www.dsioffe.narod.ru/articles/isolators.doc.
  5. Dual-Channel Digital Isolators ADuM1200/ADuM1201. Datasheet REV. B. Материал с сайта Analog Devices http://www.analog.com.
  6. Triple-Channel Digital Isolators ADuM1300/ADuM1301. Datasheet REV. D. Материал с сайта Analog Devices http://www.analog.com.
  7. Quad-Channel Digital Isolators ADuM1400/ADuM1401/ADuM1402. Datasheet REV. C. Материал с сайта Analog Devices http://www.analog.com.
  8. iCoupler® Isolation Brings Size, Cost, and Thermal Improvements to PLC Analog I/O Applications. Материал с сайта Analog Devices http://www.analog.com.
  9. Dual-Channel Isolators with Integrated DC/DC Converter, 50 mW ADuM5240/ADuM5241/ADuM5242. Data Sheet, Rev. PrJ. Материал с сайта Analog Devices http://www.analog.com.
  10. Isolated Sigma-Delta Modulator AD7400/AD7401. Data Sheet, Rev. PrJ. Материал с сайта Analog Devices http://www.analog.com.

Дмитрий ИОФФЕ, Олег РОМАНОВ


Статьи по: ARM PIC AVR MSP430, DSP, RF компоненты, Преобразование и коммутация речевых сигналов, Аналоговая техника, ADC, DAC, PLD, FPGA, MOSFET, IGBT, Дискретные полупрoводниковые приборы. Sensor, Проектирование и технология, LCD, LCM, LED. Оптоэлектроника и ВОЛС, Дистрибуция электронных компонентов, Оборудование и измерительная техника, Пассивные элементы и коммутационные устройства, Системы идентификации и защиты информации, Корпуса, Печатные платы

Design by GAW.RU