|
Сноровка в зарядке-тренировке. Контроллеры заряда аккумуляторов автономных устройств
Контроллеры заряда серии SC80x (производство Semtech Corporation, США) ориентированы на построение компактных и эффективных узлов заряда Li-Ion, NiMh и NiCd аккумуляторов в портативных устройствах с автономным питанием. В публикации рассматриваются особенности заряда аккумуляторов различных типов, особенности каждого компонента серии для реализации различных функций и примеры зарядных устройств на их основе.
В секторе бытовой электронной техники наблюдается довольно быстрое (динамика последних 2–3 лет) стремление к уравниванию долей применения аккумуляторов и невосстанавливаемых гальванических элементов (далее — батареи) в качестве источников электрического питания портативных, мобильных и автономных устройств. Тенденция расширения применения аккумуляторов объясняется агрессивным проникновением в бытовой сектор высокопроизводительных и сложных цифровых технологий с уменьшенным энергопотреблением.
Снижение энергопотребления электронными компонентами происходит успешно, использование аккумуляторов или батарей с одинаковыми массогабаритными характеристиками для электропитания одного и того же устройства технически возможно. Однако уровень мощности, типично потребляемой сложными устройствами (например, цифровыми фотоаппаратами, видеокамерами или мобильными телефонами), остается на таком уровне, что использование батарей экономически не эффективно. Проще говоря, их ресурса уже достаточно для кратковременной работы устройства, но на длительном промежутке времени (от нескольких месяцев до нескольких лет) суммарная стоимость необходимого количества сменных батарей многократно превышает стоимость одного аккумулятора .
В промышленном оборудовании доля применения аккумуляторов малой мощности не столь высока и динамика изменения только начинает нарастать: ранее типичными решениями были либо микропотребляющее устройство со сменной невосстанавливаемой батареей, либо стационарное питание.
С лавинообразным распространением беспроводных решений (встраиваемые модули GSM/GPRS, беспроводные модули системы охранной и пожарной сигнализации, дистанционно управляемые автономные исполнительные устройства и роботы, автономные системы видеонаблюдения и видеообработки и т. п.) и распределенных промышленных систем сбора данных с автономным питанием (регистраторы параметров в магистральных системах транспортировки газа, нефти, электроэнергии) доля использования аккумуляторов стала неуклонно расти.
Промышленность предлагает широчайший спектр аккумуляторов, различающихся как по физико-химическому способу хранения энергии, так и по потенциальной мощности и плотности хранимой энергии. В рамках рассматриваемого семейства контроллеров заряда мы ограничимся ознакомлением с возможностями их работы с регенерируемыми источниками мощностью от сотен до нескольких тысяч миллиампер-часов.
Наибольшее распространение к настоящему времени приобрели никель-кадмиевые (NiCd), никель-металлогидридные (NiMH), литий-ионные (Li-Ion) и литий-полимерные (Li-Pol) аккумуляторы. Для изучения характерных преимуществ и ограничений различных технологий и выбора типа аккумулятора, удовлетворяющего всем требованиям прикладной задачи, рекомендуем обратиться к источникам, опубликованным производителями и профессионалами в этой области [2–9]. В таблице 1 приведены обобщенные характеристики аккумуляторов, изготавливаемых по различным технологиям.
Таблица 1. Основные характеристики аккумуляторов наиболее распространенных типов
| |
NiCd |
NiMH |
NiMH |
Li-Pol |
| Удельная мощность, Вт·час/кг |
45-80 |
60-120 |
110–160 |
100-130 |
| Внутреннее сопротивление (включая внутренние схемы), мОм |
100–200 при 6 В |
200–300 при 6 В |
150–250 при 7,2 В |
200–300 при 7,2 В |
| Число циклов заряд/разряд (при снижении начальной емкости до 80%) |
1500 |
300–500 |
500–1000 |
300-500 |
| Время быстрого заряда, ч |
1 (типовое) |
2-4 |
2-4 |
2-4 |
| Устойчивость к перезаряду |
средняя |
низкая |
очень низкая |
низкая |
| Саморазряд/в месяц (при комнатной температуре), % |
20 |
30 |
10 |
-10 |
| Напряжение элемента (номинальное), В |
1,25 |
1,25 |
3,6 |
3,6 |
Ток нагрузки Пиковый, C* Оптимальный, C |
20 1 |
5 0,5 и ниже |
>2 1 и ниже |
>2 1 и ниже |
| Диапазон температур при эксплуатации (только разряд), °С |
–40…60 |
–20…60 |
–20…60 |
0…60 |
| Требования к обслуживанию |
Через 30–90 дней |
Через 60–90 дней |
Не требуется |
Не требуется |
Методы заряда аккумуляторов
Для заряда перечисленных типов аккумуляторов применяют, как правило, четыре режима.
Медленный заряд постоянным током и напряжением. Самый безопасный и длительный метод заряда. Обычно проводится величиной тока, численно равной 0,1–0,2 С (С — емкость аккумулятора в мА·ч).
Быстрый заряд. Проводится при постоянном напряжении с величиной тока 0,3–1,0 С. При заряде большим током возможен перегрев аккумулятора и даже необратимый выход его из строя, сопровождающийся небольшим взрывом. Для предотвращения опасных последствий в Li-Ion и Li-Pol аккумуляторы встраивают термопредохранитель и термодатчик, выводы которого доступны для подключения к внешней схеме контроля. Термопредохранитель обычно встраивается также в NiCd и NiMH аккумуляторы, а в некоторых типах встроен и термодатчик (более дорогие модели аккумуляторов). Если термодатчик в аккумуляторе отсутствует, его можно установить в контейнер, держатель аккумуляторов. При заряде NiCd и NiMH аккумуляторов датчик температуры используется для определения момента окончания быстрого заряда — при достижении аккумулятором максимальной емкости его температура резко возрастает, что служит сигналом завершения процесса для контроллера зарядного устройства.
DV-заряд. Наиболее быстрый и эффективный метод заряда NiCd и NiMH аккумуляторов. Метод основан на физическом свойстве этих устройств: при достижении максимальной емкости напряжение аккумулятора несколько уменьшается (DV NiCd аккумуляторов составляет 15–20 мВ, NiMH — 5–10 мВ), что и служит индикатором окончания заряда. Применение метода может быть затруднено малыми величинами DV, которые могут быть легко маскированы импульсными помехами от других устройств или узлов прибора. Кроме того, контроллеры, поддерживающие функцию заряда методом DV, сравнительно
дороги: $4–8.
Реверсивный заряд. Характеризуется чередованием длинных импульсов заряда и коротких импульсов разряда. Соотношение длительностей разряда/заряда 1/20…1/8. Оптимальное соотношение выбирается в соответствии с рекомендациями производителя аккумулятора. Реверсивный метод наиболее полезен для заряда NiCd и NiMH аккумуляторов, для которых характерен так называемый «эффект памяти». Причиной его является образование на электродах нерабочих областей, если в процессе эксплуатации аккумулятор не разряжен до нижнего порогового значения (типичное минимальное напряжение 0,9–1,0 В для элементов с номинальным напряжением 1,2 В) перед началом заряда. Чередование импульсов заряда и разряда оказывает «тренирующий» эффект на аккумулятор, уменьшая объем нерабочих областей на электродах. Вторым полезным эффектом реверсивного метода является то, что происходит рекомбинация газов, образующихся при заряде, и в результате температура заряжаемого аккумулятора снижается.
Особенности заряда Li-Ion и Li-Pol-аккумуляторов
Li-Ion и Li-Pol аккумуляторы обладают самой высокой удельной емкостью среди массово применяемых типов, высоким напряжением на элемент (3,6 В), лишены «эффекта памяти» и не требуют периодического проведения мероприятий по восстановлению ресурса («тренировки»), как NiCd и NiMH аккумуляторы.

Среди их недостатков необходимо отметить крайнюю критичность к перезаряду и глубокому разряду. Напряжение заряда не должно отличаться от документированного порога более чем на ±50 мВ. И, чтобы предотвратить глубокий разряд, основная нагрузка должна быть отключена от аккумулятора при разряде до 3,0 В (некоторые модели аккумуляторов допускают разряд до 2,75 В).
Следует учитывать, что, кроме основной нагрузки, энергию аккумулятора потребляют встроенные схемы защиты. Суммарный ток потребления встроенными схемами и дежурными (аварийными) цепями питаемой системы не должен превышать 0,1 С. Поэтому аккумуляторы на основе лития должны заряжаться через минимальное время после достижения нижнего порога напряжения, а при отсутствии постоянной нагрузки рекомендуется обеспечивать их максимальную заряженность. Поэтому их можно заряжать при каждом подключении к внешнему источнику стационарного питания, не дожидаясь разряженного состояния. Это решение реализовано во многих устройствах с интерфейсом USB.
Основной способ заряда Li-Ion и Li-Pol аккумуляторов, рекомендуемый производителями, это заряд постоянным напряжением/постоянным током. Глубоко разряженный аккумулятор (обычно критерием глубокой разряженности является уменьшение напряжения на клеммах до 2,9 В, если иное значение не указано в описании аккумулятора) должен заряжаться током 0,1 С. После того как напряжение на аккумуляторе превысит этот порог, рекомендуется продолжить заряд в режиме быстрого заряда током 0,7–1,0 С (для аккумуляторов собственного производства Panasonic рекомендует проводить быстрый заряд током 0,7 С).
Обзор семейства контроллеров заряда Semtech
В состав семейства [1] входят 8 микросхем линейного режима SC80x и импульсный контроллер заряда SC1410A. По совокупности функций и параметров контроллеры серии SC80x ориентированы на работу с Li-Ion и Li-Pol аккумуляторами. Контроллер SC1410A является универсальным по типу аккумуляторов и может обслуживать несколько элементов одновременно. В таблице 2 приведены основные характеристики контроллеров заряда.
Несмотря на то, что серия SC80x ориентирована на работу с аккумуляторами на основе лития, их можно применять и для заряда NiCd и NiMH аккумуляторов в качестве источника тока. Благодаря наличию и использованию интерфейса датчика температуры, микросхемы семейства (исключая SC801, SC803 и SC1410A) можно применять для быстрого заряда NiCd и NiMH аккумуляторов.
В таких устройствах, как мобильные терминалы сбора данных, носимые переговорные устройства, мобильные телефоны и терминалы GSM/GPRS на основе встраиваемых модулей, терминалы торгового зала или склада и т. п., общим свойством которых является сравнительно высокое энергопотребление и высокие требования к минимизации массогабаритных характеристик, наиболее эффективно использовать Li-Ion аккумуляторы. Они обладают наилучшим соотношением стоимости, габаритов, энергетического потенциала и удобства эксплуатации. Если по функциям мобильного прибора предполагается периодическое подключение к стационарным устройствам, например, для обмена данными по стандартным интерфейсам, то выгодно, параллельно с обменом, подзаряжать аккумулятор, и потому наличие встроенного узла заряда является технически верным. Тогда к встроенному узлу заряда предъявляются жесткие требования по габаритам. И серия контроллеров заряда SC80x им удовлетворяет: все микросхемы серии выпускаются в миниатюрных корпусах (4Q4 мм и 3Q3 мм) для автоматизированного монтажа на поверхность.
Когда аккумулятор полностью заряжен и присутствует напряжение от внешнего источника, все микросхемы серии SC80x (исключая SC804(A)) могут работать как линейный стабилизатор с малым падением напряжения, что также экономит количество компонентов на печатной плате портативного устройства.
Основные режимы работы контроллеров заряда серии SC80x — заряд малым током, быстрый заряд, прекращение заряда, режим слежения за напряжением на аккумуляторе, режим линейного стабилизатора с малым падением напряжения (кроме SC804(A)), отключение устройства. Каждый контроллер серии обладает также особенностями, которые предоставляют дополнительные функции, эффективные для решения возможных специфических задач применения.
Особенности контроллеров заряда серии SC80x
Контроль и управление величиной зарядного тока
Количество циклов заряда-разряда Li-Ion аккумуляторов, указанное в документации к ним, не является величиной постоянной и может варьироваться в значительных пределах. Типичное значение, которое указывает, например, Panasonic, составляет 500 циклов. Но, в зависимости от условий эксплуатации и скрупулезности управления режимом заряда, ресурс аккумулятора может варьироваться от 300 до 1500 циклов.
Для продления срока жизни и регулярного достижения максимальной емкости заряда аккумулятора (соответственно, для увеличения промежутка времени между циклами заряда) и в устройствах, допускающих более сложное схемотехническое решение, важно контролировать не только напряжение аккумулятора, но и управлять величиной тока заряда.
В начале процесса заряда контроллер работает как источник постоянного тока (рис. 1).
 Рис. 1. Типовая диаграмма процесса заряда LiFIon аккумуляторов Panasonic
Величина зарядного тока задается резистором RPRGM, подключаемым к выводу IPRGM (рис. 2).
 Рис. 2. Типовая схема включения контроллеров заряда SC802 (SC802A)
Напряжение на аккумуляторе при этом нарастает. После достижения номинального напряжения (4,1 В, 4,2 В или установленное в соответствии с документацией на аккумулятор) контроллер автоматически переходит в режим заряда при постоянном напряжении, а ток начинает уменьшаться. Порог окончания заряда определяется по снижению тока через аккумулятор величиной резистора RTERM на выводе ITERM.
Усовершенствовать и ускорить заряд можно, если обеспечить аналоговое регулирование тока через аккумулятор вместо начального режима заряда постоянным током и в соответствии с рекомендациями производителя аккумулятора, которые он обычно предоставляет по запросу.
Функцию аналогового регулирования тока заряда поддерживают контроллеры SC802, SC802A, SC804 и SC804A. Для управления величиной тока заряда служит вход AFC. Величина напряжения, подаваемого на него от ЦАП или микроконтроллера с аналоговым выходом, пропорциональна выходному току:

Различие между SC802(A) и SC804(A) по рассмотренной функции состоит в том, что SC804(A) обеспечивает более точное управление током заряда — не хуже 4% (SC802(A)— 10%) и диапазон входного напряжения VAFC у SC804(A) составляет от 0 до VCC — 1,0 В, а для SC802(A) — от 0 до 1,5 В.
Установка напряжения заряда
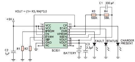
Наибольшее распространение получили Li-Ion аккумуляторы, для заряда которых требуется напряжение 4,1 В или 4,2 В. Выбор одного из указанных напряжений обеспечивают SC801, SC802(A), SC803; контроллеры SC805 и SC806 обеспечивают только VOUT = 4,2 В. Для выбора величины выходного напряжения SC801–SC803 служит вход VPRGM (рис. 3): для VOUT = 4,1 В на вход VPRGM необходимо подать низкий логический уровень (подключить к общему проводу), для VOUT = 4,2 В вход VPRGM подключить к высокому логическому уровню (вход подачи питания от внешнего источника VCC ; для SC801 — к выходу CP).
 Рис. 3. Типовая схема зарядного устройства на основе SC801
Однако промышленностью выпускаются также аккумуляторы, для заряда которых требуется напряжение, отличное от рассмотренных. Контроллеры SC801–SC804 предоставляют возможность установить произвольное напряжение на выходе в пределах от 3,4 до 6 В с помощью резистивного делителя в цепи обратной связи. Примеры таких зарядных устройств приведены на рис. 4 и 5.
 Рис. 4. Зарядное устройство с выходным напряжением 4,8 В на основе SC801
 Рис. 5. Зарядное устройство на основе SC804. Выходное напряжение задается резистивным делителем R11/R12, VOUT = 3,11x(1+R11/R12)
Измерение напряжения на клеммах аккумулятора
Эта функция позволяет конструктору проектировать печатную плату свободнее и более точно измерять напряжение аккумулятора непосредственно на его клеммах. Если контейнер аккумулятора удален от зарядного устройства на некоторое расстояние, допустимая погрешность напряжения заряда Li-Ion аккумулятора (±50 мВ) может быть превышена из-за влияния остальных компонентов системы (импульсные помехи) и падения напряжения на силовых линиях.
В этом случае необходим контроль напряжения непосредственно на клеммах аккумулятора. Функцию поддерживают контроллеры SC801–804. Линии обратной связи подключаются к выводам BSEN (положительный электрод) и GND (или REFGND — у контроллеров SC802(A) и SC804(A) для развязки от возможных помех по общему проводу) — отрицательный электрод.
Ограничение времени заряда
В алгоритмах заряда производители аккумуляторов рекомендуют контролировать и его длительность — для определения возможного выхода из строя аккумулятора и выключения процесса во избежание аварийных ситуаций (например, взрыв аккумулятора в результате неисправности термопредохранителя и перегрева, разгерметизации) или для максимизации заряда. Если в течение заранее установленного времени не достигнуто условие штатного окончания процесса, зарядное устройство должно автоматически выключиться. Контроллеры SC802(А), SC804(А) оснащены встроенным таймером на 3 часа.
С помощью внешнего резистора, подключаемого к выводу RTIME, время срабатывания таймера может быть изменено в пределах от 2 до 6 часов. Контроллер SC805 также оснащен таймером, интервал которого может устанавливаться в пределах 1–10 часов.
Если ограничивать время заряда не нужно, таймер может быть отключен путем соединения входа RTIME с общим проводом. Подключение входа RTIME SC805 к напряжению питания VCC переводит контроллер в режим линейного стабилизатора с малым падением напряжения.
Таким образом, из вышеизложенного видно, что контроллеры заряда аккумуляторов серии SC80x позволяют успешно реализовать компактные и эффективные узлы заряда Li-Ion, NiMh и NiCd аккумуляторов в портативных устройствах с автономным питанием.
Литература
- Контроллеры зарядных устройств для аккумуляторов. Таблица параметров.
http://www.semtech.com/products/parametric-search.jsp?navId=H0,C100,C149
- Аккумуляторы для мобильных устройств — разновидности, сравнительные характеристики.
http://www.ixbt.com/mobile/acc.html
- Аккумуляторы для мобильных устройств — методы заряда.
http://www.ixbt.com/mobile/battery-charge.html
- Методы заряда NiCd и NiMH аккумуляторов.
http://battery.newlist.ru/ch_methods.htm
- Литий-ионные и литий-полимерные аккумуляторы
http://www.ixbt.com/mobile/review/lipol.shtml
- Charging Sealed Nickel-Metal Hydride Batteries.
Duracell. http://www.duracell.com/oem/Pdf/others/nimh_6.pdf
- Nickel Metal Hydride Batteries
http://www.panasonic.com/industrial/battery/oem/chem/nicmet/index.html
- Nickel Cadmium Batteries
http://www.panasonic.com/industrial/battery/oem/chem/lithion/index.html
- Lithium Ion Batteries
http://www.panasonic.com/industrial/battery/oem/chem/niccad/index.html
Илья ЗАЙЦЕВ
|