Рубликатор

 



























Все о псориазе



Виктор Жданкин

Окончание, начало в № 5, 6

Устройства силовой электроники фирмы Zicon Electronics

Некоторые комментарии относительно параметров многовыходных ИВЭП (табл. 4). Они привлекают внимание изготовителей оборудования возможностью сэкономить средства в случаях, когда требуется более одного уровня напряжения питания. Но при выборе многовыходных блоков для конкретных приложений требуется тщательный анализ их характеристик.

Начнем с нестабильности выходного напряжения. В примечании 1 к табл. 4 указано, что при установленном номинальном значении напряжения выходного (основного) канала OP1 и нагруженных на 50 % всех каналах значения выходных напряжений дополнительных каналов будут установлены в пределах 2 % их номинальных значений. Это значит, что основной выходной канал полностью стабилизирован, а дополнительные каналы стабилизированы по сети. Внимательное изучение данных табл. 4 показывает, что у стабилизированных только по сети выходных каналов нестабильность в 2–4 раза больше, чем у основного выходного канала, а температурный дрейф в два раза больше (измеряется в миллионных долях от полной шкалы на градус Цельсия).

Перекрестная нестабильность отражает тот факт, что изменения тока нагрузки одного из выходов многовыходного ИВЭП будут вызывать изменения напряжения других выходов. Так, при изменении нагрузки основного канала на каждые 10 % значения выходных напряжений дополнительных каналов будут изменяться на 1 % (табл. 4). В импульсных многовыходных ИВЭП используется общий трансформатор с отдельными обмотками для каждого выходного канала, в результате могут иметь место совершенно непредсказуемые взаимодействия. Однако многовыходные ИВЭП с отслеживанием только основного выходного канала вполне удовлетворительны во многих случаях. Так, например, некоторые виды приборов РЭА допускают следующие отклонения напряжения:

  • приборы вычислительной техники (ПЗУ, устройства отображения информации) — ±(7–10) % номинального значения напряжения;
  • приборы автоматики и телемеханики — от –5 % до +10 % номинального значения напряжения;
  • операционные усилители — 10% номинального значения напряжения.

Особенностью многоканальных ИВЭП фирмы Zicon является cпособность выдавать импульсный ток в нагрузку до 300 % от номинального значения. Это значит, что ИВЭП способны запитывать аппаратуру с импульсной (нелинейная нагрузка) характеристикой потребляемого тока: лампы, электромоторы, приводы и т. д. без ограничения тока. Например, 350-ваттный ИВЭП может запитать следующие виды аппаратуры:

  • OP1 (5 В, 50 А) — TTЛ;
  • OP2 (–5 В, 5 А) — ЭСЛ;
  • (±12 В, 2 А) — аналоговые усилители;
  • (24 В, 1 А) — электромотор с пиковым значением пускового тока 10 А.

При этом 350-ваттный ИВЭП не будет ограничивать ток, потому что пиковое значение выходной мощности не превышает 600 Вт. Не многие ИВЭП других производителей с подобными габаритными размерами способны обеспечить питание систем с указанными особенностями.

Таким образом, многоканальный ИВЭП может быть хорошим приобретением, если в каждом конкретном приложении действительно учитываются его слабые стороны.

Из табл. 4 следует, что при чрезмерной нагрузке по току (режим короткого замыкания нагрузки) многоканальные ИВЭП сохраняют работоспособность, но значение тока значительно уменьшается (рис. 12). Снижение значения тока (current fold-back — свертка тока) в нагрузке при режиме короткого замыкания или чрезмерной нагрузке по току имеет то преимущество, что выходной ток уменьшается до значения ниже номинального. После снятия перегрузки ИВЭП переходит в номинальный режим работы, при котором обеспечивается стабилизация выходных напряжений. Однако при этом способе ограничения тока возможно защелкивание выходного напряжения при некоторых видах нагрузок. На рис. 12 показаны нагрузочные характеристики A, B, C, представляющие резистивную нагрузку, режим стабилизации постоянного тока и сочетание обоих типов нагрузок соответственно. При постоянной токовой нагрузке выходное напряжение имеет две устойчивые точки, и выходной канал может защелкнуться при низком значении напряжения. Функции ограничения тока выполняет схема операционного усилителя LM358 (IC2) на выходной плате; предполагается ограничение тока в первичной обмотке и 10-секундная выдержка при ограничении тока в нагрузке.

Рис. 12

Исключение составляют каналы OP2 и OP3, а также выходные каналы с номинальным значением напряжения 15 В: для ограничения тока на безопасном уровне в них применяются элементы токовой защиты PolySwitch производства Raychem Corporation (circuitprotection.raychem.com) c рабочим током 4 A. Элемент PolySwitch обеспечивает защиту цепи, переходя из состояния с низким сопротивлением в состояние с высоким сопротивлением, реагируя таким образом на перегрузку по току. Элементы PolySwitch имеют время срабатывания в 5–10 раз меньше, чем керамические позисторы с положительным температурным коэффициентом. Характеристика защитных свойств предохранителей часто приводится в единицах A2c (табл. 4). Номинальное значение 1000 А2с применяемых элементов токовой защиты означает, что элемент защиты сработает через одну секунду при значении тока, равном корню квадратному из 1000 (31,6 A), или через две секунды при значении тока в нагрузке, равном корню квадратному из 1000/2 (22,6 А), или через 10 с при токе, равном корню квадратному из 1000/10 (10 А), и т. д.

Пристальное внимание следует уделять также пульсации выходного напряжения. Этот параметр отражает характер и значение переменной составляющей выходного напряжения. Для ИВЭП с высокочастотными преобразователями оно содержит соответствующий высокочастотный компонент (рис. 13). Пульсация задается в виде следующих основных составляющих:

  • сетевой компонент — размах напряжения в полосе частот выпрямленного сетевого напряжения (типовое значение этой составляющей пульсации составляет 10–50 мВ);
  • ключевой компонент — размах напряжения на частоте работы силовых транзисторов преобразователя (типовое значение этой составляющей пульсации составляет 30–100 мВ);
  • высокочастотный компонент — размах напряжения высокочастотных пиков выходного напряжения, измеряемых осциллографом с полосой 50 МГц.

Рис. 13

В табл. 2 приводится значение напряжения кондуктивных электромагнитных помех псофометрических частот, измеренных на входных контактах ИВЭП, работающих от сетей постоянного напряжения. Псофометрические частоты — это частоты, которые воспринимаются человеческим ухом. В таких применениях, как телесвязь, телефония, дистанционная связь помехи, излучаемые оборудованием, не должны восприниматься человеческим ухом. Оптимальной частотой для человеческого уха является частота 1 кГц, другие частоты ослабляются в соответствии с коэффициентами табл. 6. Предельное значение помех, генерируемых оборудованием, не должно превышать 2 мВ (среднеквадратическое значение), измеренных весовым вольтметром (псофометром).

Пример: 1 мВ помехи на частоте 300 Гц эквивалентен 0,295 мВ на частоте 800 Гц.

Aудиометрическое воздействие напряжения помех, излучаемых оборудованием, определяется амплитудой и частотой. Для измерения напряжения шумов применяется прибор псофометр, в котором амплитуда помехи выражается как напряжение простого 800-герцового тона, создающего ухудшения, тождественные помехе. В табл. 6 приведены весовые коэффициенты для помех в диапазоне частот от 50 до 5000 Гц, которые определяют характеристики псофометра в соответствии с CCITT (рекомендация P53).

Таблица 6

Частота, Гц Весовой фактор Частота, Гц Весовой фактор Частота, Гц Весовой фактор
50 0,00071 900 1,072 2000 0,708
100 0,00891 1000 1,122 2200 0,67
150 0,0355 1050 1,109 2400 0,634
200 0,089 1100 1,072 2600 0,598
300 0,295 1200 1,0 2800 0,562
400 0,484 1300 0,955 3000 0,525
500 0,661 1400 0,905 3500 0,376
600 0,794 1500 0,861 4000 0,178
700 0,902 1600 0,824 5000 0,0159
800 1,0 1800 0,76    

Представление напряжения пульсаций в эффективных значениях является несколько некорректным, так как существуют высокочастотные выбросы (пики), соответствующие «характеристическим» частотам, но приборы для измерения эффективных значений не обладают необходимой полосой пропускания. Поэтому при представлении напряжения пульсации оговаривается размах пульсаций — высокочастотных помех с заданной полосой частот, измеряемых осциллографом с полосой 50 МГц (табл. 4).

Параметр надежности ИВЭП или системы вторичного электропитания в целом является одним из главных, так как без гарантированного электропитания бесполезно говорить о нормальном функционировании аппаратуры. Поэтому вопросу обеспечения надежности систем вторичного электропитания уделяется большое внимание. Факторами, определяющими надежность ИВЭП, являются надежность элементной базы, выбор электрических режимов электрорадиоизделий, температурные режимы элементов ИВЭП, условия производства, уровень техпроцесса, использование унифицированных конструкций [14]. Значение среднего времени безотказной работы (MTBF) ИВЭП вычисляется для температуры +20° С. Необходимо иметь в виду следующее обстоятельство: если ИВЭП будет работать на краю диапазона рабочих температур, то значение MTBF следует значительно уменьшить. Например, при температуре +55° С значение MTBF следует уменьшить на 75 % [14].

Для повышения надежности необходимо также предусматривать 15–50 % запаса по выходной мощности. Обеспечить надежность системы вторичного электропитания легче, если эта система является распределенной (децентрализованной) [15]. При недостаточной надежности ИВЭП необходимо использовать совместно с основным источником дополнительный.

Здесь уместным будет следующее замечание. В табл. 1, 2 при расчете показателя MTBF ИВЭП с установленными вентиляторами не учтена средняя интенсивность отказов этого электромеханического устройства. В ИВЭП с выходными мощностями 350/550/750 Вт и 1,1 кВт для обдува применяются вентиляторы фирмы PAPST® c номинальным напряжением питания 24 В постоянного тока, имеющие срок службы 62 000 ч. Изменение электрического режима вентилятора (питание от 18 В постоянного тока) повышает срок службы вентилятора до 100 000 ч.

В конце этой главы обратим внимание на провода, посредством которых осуществляется соединение нагрузок с ИВЭП. Зачастую они являются причиной повышенной нестабильности в нагрузке, причем производитель ИВЭП в этом совсем не виноват. Параметры нестабильности (табл. 3, 4) гарантируются на выходных контактах ИВЭП, а не в нагрузке. При небольших значениях тока нагрузки импеданс распределительной шины не имеет значения. Но, например, при 5 В и 200 А, используемых для питания логических схем, скачкообразное изменение тока нагрузки на 50 А может привести к выбросам, значительно превышающим предельные допустимые значения этих динамических параметров. Например, всего 1,5 метра провода большого сечения может внести индуктивность 5 мкГн, и это очень много. Предположим далее, что нагрузка изменится на 100 А, cкажем, за 10 мкс (что вполне может быть на практике) и, подставив эти значения в формулу L (di/dt), получим падение напряжения в 50 В на этих относительно коротких проводах.

Не во всех случаях применение выносной обратной связи (рис. 14) решает эту проблему [9]. Провода, обеспечивающие подключение цепей выносной обратной связи (ОС), следует прокладывать параллельно и вплотную друг к другу. В идеальном варианте следует применять экранированные провода, что позволяет значительно уменьшать наведенные индуктивные помехи. Применение выносной обратной связи в одноканальных ИВЭП Zicon компенсирует только до 0,5 В падения напряжения на соединительных проводах (примечание 6 к табл. 3). Поэтому в каждом случае необходимо учитывать требования к стабильности питающих напряжений приборов-потребителей.

Рис. 14

Использование цепей выносной ОС в многоканальных ИВЭП возможно только для основного канала (компенсируется падение напряжения 0,25 В), но при этом может наблюдаться эффект перекрестного влияния на дополнительные каналы. При больших значениях динамических изменений токов нагрузки выносная обратная связь не устраняет этих потерь. Провод с оптимальным сечением может быть вычислен по данным, приведенным в табл. 7. При больших токах нагрузки применяют параллельное соединение проводников кабеля и контактов соединителя (для этого на соединителях блоков предусмотрены контакты). Если параллельное соединение проводников обеспечивает некоторое снижение итогового сопротивления питающей линии, то параллельное соединение контактов соединителя не дает гарантии такого же снижения сопротивления. Это связано с электрохимическими процессами контактирования соприкасающихся металлов при наличии протекающего тока [1].

Таблица 7

AWG (Американский Сортамент проводов) Сечение токопровоящего провода, мм2 Погонное сопротивление, мОм/м
2 34 0,46
4 21 0,64
6 13 1,0
8 8,4 2
10 5,5 3
12 3 5,5
14 2,1 8,5
16 1,3 12
18 0,83 20
20 0,56 27
22 0,34 49
24 0,21 85
26 0,13 110
28 0,085 250

Сечение проводов питающей и распределенной сетей системы электропитания выбирается также по условиям нагрева электрическим током [13].

Применение параллельного соединения проводников в большей степени диктуется требованиями по ЭМИ (появляется возможность для дополнительного экранирования и компенсационного взаимовлияния проводников), необходимостью обеспечить нейтральный (без перегревов) температурный режим и конструкторскими ограничениями, начиная от веса и габаритов необходимых соединителей, заканчивая проблемами разводки питания при нескольких потребителях. Из всего сказанного следует, что подбор ИВЭП требует пристального внимания к различным деталям и учета требований конкретного приложения [8]. В некоторых случаях может потребоваться коренной пересмотр концепции построения системы вторичного электропитания.

ИВЭП серии PL

ИВЭП серии PL300/PL600 были представлены фирмой Zicon в 1998 году и являются модификацией изделий серии Z. Серия разработана для применений, в которых важна невысокая стоимость, но без снижения показателей качества. Конструктивно ИВЭП выполнены в виде U-образного шасси и приспособлены для монтажа на направляющую типа DIN (Deutsche Industrie Norm) TS32/15, что делает их идеальными для применения в распределенных системах электропитания, системах управления технологическими процессами. ИВЭП серии PL могут быть установлены на стене, двери конструктива или распределительном щите, что обеспечивает простоту монтажа и технического обслуживания. Основные технические характеристики ИВЭП приведены в табл. 1–3. Корректор КМ обеспечивает значение КМ > 0,98. Поставляются изделия с выходными мощностями 300 и 600 Вт.

ИВЭП серии M

Изделия большой мощности серии М поставляются с выходными мощностями от 1,1 до 10 кВт. Основные технические характеристики приведены в табл. 1–3. Габаритные размеры ИВЭП (от 360Ѕ250Ѕ150 мм до 360Ѕ250Ѕ900 мм) зависят от комбинации выходной мощности, параметров питающей сети и номинального значения выходного питающего напряжения. Поставляются только одноканальные блоки.

Зарядные устройства аккумуляторных батарей серии С

Импульсные ИВЭП могут обеспечивать питание при прерывании подачи входной энергии в течение 12–28 мс (табл. 1). Более длительные перебои приводят к потере данных, прерыванию выполнения некоторых жизненно важных функций и возможному повреждению оборудования. В некоторых системах электропитания аккумуляторные батареи (АБ) служат в качестве буферных накопителей энергии, например, в системах, в которых в качестве первичного источника энергии применяется энергия ветра.

Для организации аварийного питания применяется батарейное аварийное питание, источники бесперебойного электропитания (ИБП), резервирование ИВЭП (рассматривается в следующей части статьи).

Зарядные устройства серии С разработаны для обеспечения процессов заряда-разряда АБ и коммутации источников в системах бесперебойного питания.

Технические параметры зарядных устройств серии С приведены в табл. 8.

Таблица 8

Код парамет-ров выход-ного канала1 Значение напряженияАБ Код модели, номинальная мощность (Вт)
Напря-жение
разря-жаемой АБ (1,75/аккуму-лятор)
Номиналь-ное значе-ние напря-жения АБ (2В/аккуму-лятор) Номиналь-ное значе-ние напря-жения ненагру-женной АБ (2,25 В/аккуму-лятор) Повышен-ное значение напря-жения АБ (2,4 В/аккуму-лятор) 200 300 350 550 750
Максимальное значение тока заряда, А
6 5,25 6 6,75 7,2 31 46 52 82,5 N/A
12 10,5 12 13,5 14,4 18,5 26,6 31 46 62,2
14 12,25 14 15,75 16,8 15,8 22,8 26,6 40 53
24 21,0 24 27,0 28,8 9,2 13,3 15,6 23 31
36 31,5 36 40,5 43,2 6,1 8,9 10,4 15,3 20,7
48 42,0 48 54,0 57,6 4,6 6,6 7,8 11,5 15,6
60 52,5 60 67,5 72,0 3,7 5,3 6,2 9,2 12,4
96 84,0 96 108,0 115,0 2,3 3,3 3,9 5,7 7,8
11 94,5 108 121,5 129,6 2 3 3,5 5,1 7

Примечания.

  1. Смотри общую систему кодирования изделий Zicon.
  2. Жирным выделены случаи, когда пониженное напряжение не спообно отключить полную нагрузку.

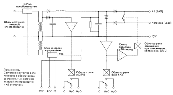
На рис. 15 приведена функциональная схема зарядного устройства серии С.

Рис. 15

Далее приводятся комментарии по применению зарядного устройства в режиме заряда АБ и при организации системы бесперебойного питания.

Режим заряда АБ

  1. При подключении отрицательного полюсного штыря АБ к общей клемме «0Vs» зарядного устройства и положительного полюсного штыря АБ к клемме «BATT» зарядного устройства необходимо применять защитные устройства. Рекомендуется подключать АБ через плавкие предохранители, автоматические выключатели или другие защитные устройства для ограничения значения тока в случае обратного подключения АБ. При отсутствии устройств защиты и неправильном подключении АБ происходит короткое замыкание и, как результат, выход из строя выходного выпрямителя зарядного устройства, выходной катушки индуктивности, блокирующего диода, обеспечивающего подключение по схеме ИЛИ.

  2. В случае когда ИВЭП находится во включенном состоянии, он обеспечивает подачу на батарею зарядного напряжения, равного напряжению холостого хода АБ. Если АБ разряжена, ток заряда ограничивается до заданного значения, и зарядное напряжение холостого хода не установится до тех пор, пока АБ будет находиться в разряженном состоянии.

  3. Для обеспечения оптимального режима заряда АБ и продления срока службы кислотных АБ используется термокомпенсация напряжения холостого хода заряженной АБ (номинальное значение 2,25 В/аккумулятор.) Выходное напряжение изменяется на –3 мВ/°C/аккумулятор. Это значит, что напряжение на выходе зарядного устройства для соединенных последовательно 12 аккумуляторов (напряжение холостого хода 27 В) будет изменяться на –36 мВ/°C без применения термокомпенсации.

  4. Реле AC FAIL срабатывает в случае, когда значение напряжения питающей сети становится на 20 % ниже номинального значения.

  5. Выходной блокирующий диод (OR-диод) установлен таким образом, чтобы исключить утечки тока в АБ, отличные от тока для реле BATT FAIL.

  6. Реле BATT FAIL срабатывает, когда напряжение на полюсных штырях АБ cтановится меньше 1,75 В/aккумулятор. Обратное переключение реле BATT FAIL происходит, когда напряжение АБ становится больше 2 В/ aккумулятор.

  7. Параллельное соединение: несколько устройств могут работать параллельно в применениях, требующих больших значений зарядного тока. Рекомендуется использовать зажимы PS (Power Share), для того чтобы зарядный ток был равномерно распределен.

  8. Режим автоматического повышения напряжения может быть специфицирован при заказе; форсирующее напряжение прикладывается автоматически, ускоряя процесс заряда.

Например: CX200-4624-C.

Форсирующее напряжение (2,4 В/aккумулятор = 28 В) — указать.

Первоначальный ток (10 % I max = 0,9 А) — указать.

Источник бесперебойного питания (ИБП)

  1. Зарядное устройство подключается, как указано в ранее приведенных рекомендациях.

  2. Положительный зажим подключается к зажиму Load ИВЭП, отрицательный — к зажиму «0V». Ток нагрузки не протекает даже при полностью заряженной батарее, до тех пор пока зарядное устройство не будет включено.

  3. В случае когда зарядное устройство включается и напряжение на штырях АБ больше 2 В/aккумулятор, реле BATT FAIL переключается, в результате срабатывает реле отключения при пониженном напряжении (UVD), подключая АБ и зарядное устройство к зажиму Load (нагрузка).

  4. В случае когда прекращается поступление энергии, АБ будет продолжать питать нагрузку до тех пор, пока АБ не разрядится до значения ниже 1,75 В/аккумулятор; не позже чем через 20 с после этого АБ будет отключена от нагрузки реле UVD. Значение времени отключения АБ при пропадании входной энергии зависит от тока нагрузки и значения номинальной емкости АБ (Ач).

  5. Контакты реле UVD рассчитаны на 750 Вт, и поэтому имеет место ограничение на число нагрузочных зажимов, через которые могут быть параллельно подключены устройства. (Полное значение соединенных нагрузок не должно превышать 750 Вт при параллельном соединении устройств.)

В качестве зарядных устройств можно применять ИВЭП серий Z и PL. При заказе этих изделий для использования в качестве зарядных устройств необходимо указать требуемое значение напряжения.

Дополнительные сервисные функции

Для обеспечения дополнительных режимов работы в составе комплексов радиоэлектронной аппаратуры и cистемах электропитания средств автоматизации технологических процессов ИВЭП могут комплектоваться дополнительными сервисными системами.

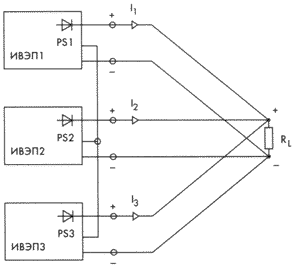
Для обеспечения модульного принципа резервирования с целью повышения надежности системы вторичного электропитания и уменьшения номенклатуры используемых ИВЭП в системе применяется параллельное соединение ИВЭП. Оно предполагает соединение зажимов РS (Power Share — распределение мощности). Сигналы PS и PM (Power Monitor) формируются дополнительной платой, устанавливаемой при заказе ИВЭП с любым набором сигналов, о которых будет сказано далее. Операционный усилитель LM358N (один из двух в корпусе) сравнивает значение тока отдельного блока со значением системного тока, деленного на число блоков, если значение тока блока недостаточно высокое, значение его напряжения увеличивается до тех пор, пока значение его тока не достигнет средней величины. Для правильного функционирования схемы распределения энергии значения выходных напряжений каждого ИВЭП должны быть установлены в пределах ±5 % относительно друг друга. PM вырабатывается другим ОУ LM358N, который осуществляет промежуточное преобразование сигнала ограничения тока с основной платы, формируя сигналы, указывающие мощность при номинальном значении напряжения:

200 Вт, 300 Вт — 20 мВ/Вт;

350 Вт, 550 Вт — 10 мВ/Вт;

750 Вт, 1,1 кВт — 5 мВ/Вт.

При параллельном соединении ИВЭП необходимо обеспечивать одинаковые температурные условия для функционирования соединяемых блоков и использовать радиальную схему разводки парами проводов от нагрузки. Ограничений на число параллельно соединяемых ИВЭП не существует.

Блокирующий выходной диод (OR-диод)

Встроенные по схеме ИЛИ блокирующие диоды могут быть установлены по заказу (вариант для заказа «D») для реализации режима «горячей замены» (hot-swap) блоков питания, резервирования и заряда АБ (рис. 16). Данная схема параллельного соединения является более надежной по сравнению со схемой простого соединения выходов. Но установка блокирующих диодов снижает значение кпд ИВЭП в целом. Снижение кпд при установке диодов на выходных каналах с различными значениями напряжений иллюстрирует табл. 9.

Таблица 9

Номинальное значение выходного напряжения, В Снижение КПД, %
5 5
12 3
24 2
48 1
100 0,5

Рис. 16

(N+1)-резервирование

Возможность «горячего» резервирования ИВЭП обеспечивается блокирующими диодами и приводит к существенному повышению надежности системы питания.

Защита от перегрева (OTP-Over temperature protection)

Обеспечивает защиту от чрезмерного внутреннего нагрева (является стандартной для 300, 550, 600 и 750 Вт ИВЭП, вариант для заказа «Т»). Защита осуществляется терморегулятором, установленным на трансформаторе основного преобразователя. Когда температура достигнет значения 1000С, ИВЭП отключается терморегулятором. Перезапуск ИВЭП может быть осуществлен отключением напряжения питающей сети минимум на 3 мин для понижения температуры.

Формирование аварийных и сервисных сигналов

S-сигналы уровня ТТЛ

Формируются электрорадиоэлементами дополнительной платы. Cтандартные сигналы ТТЛ служат признаком аварийного режима в цепи входной электроэнергии (АСF или IPF) или выходного канала (DCF или OPF) и системного перезапуска (SRS).

АСF или IPF (AC FAIL/ Input FAIL): компаратор микросхемы LM339 сравнивает пиковое значение напряжения трансформатора с опорным напряжением главной платы и формирует сигнал в случае, когда значение входного напряжения падает ниже минимального значения напряжения. Свечение светодиода LED на передней панели Eвромодулей показывает, что ИВЭП включен.

DCF или OPF (DC FAIL/ Output FAIL): компаратор микросхемы LM339 сравнивает выходное напряжение с опорным и формирует аварийный сигнал в том случае, когда значение выходного напряжения падает ниже 90 % номинального значения.

SRS (System Reset): формируется как NAND (функция И-НЕ) сигналов ACF и DCF компаратором микросхемы LM339N c задержкой 200 мс в соответствии с протоколом стандарта VME. Cветодиод LED, установленный на дополнительной плате, управляется cигналом SRS и светится в случае, когда значения входного и выходного напряжений выше минимально допустимых уровней.

R — релейные сигналы состояния системы

Основаны на стандартных сигналах, но сигнал системного сброса выполнен в виде «сухих» контактов реле, что удобно при дистанционном управлении.

В-сигналы

Ими устанавливаются реле, обеспечивающие регулирование процессов заряда-разряда АБ (см. «Зарядные устройства аккумуляторных батарей серии С»). Дополнительно формируются сигналы PS и PM. Рекомендуется заказывать совместно с OR-диодом.

F-сигналы

Это сигналы реле аварийных режимов в питающей сети и выходных каналах.

Дополнительно обеспечиваются функции PS и PM.

Формирование сигналов магистрально-модульного стандарта VME (VERSAmodule Eurocard)

Доступны эти сигналы только при установке дополнительной платы формирования S-сигналов.

ACF или IPF: переход из состояния логической 1 в состояние логического 0 указывает на опасность аварии в выходном канале; вследствие аварийного режима в питающей сети минимальное время предупреждения составляет 10 мс до падения выходного напряжения ниже 90–95 % номинального значения.

DCF или OPF: состояние логического 0 свидетельствует о том, что уровень выходного напряжения ниже 90–95 % номинального значения.

SRS: состояние логической 1 свидетельствует о нормальном функционировании системы (рис. 17).

Рис. 17

Вспомогательные принадлежности

Для решения различных проблем, возникающих при разработке систем вторичного электропитания, фирма Zicon поставляет вспомогательные принадлежности (рис. 18). Для монтажа ИВЭП на направляющую типа DIN поставляются монтажные хомуты, для настенного монтажа поставляются универсальная монтажная плата, монтажные адаптеры, преобразующие контактные колодки с шагом 9,5 мм одноканальных ИВЭП 350, 550, 600, 750 Вт в одно 8-миллиметровое монтажное отверстие. Для устройств в формате Евромодуль поставляются ответные соединители.

Рис. 18

Для термокомпенсации напряжения на АБ, удаленной от зарядного устройства, поставляется датчик с двухметровыми проводами.

Эксплуатационные характеристики изделий Zicon Electronics

Диапазон рабочих температур, °C –20…+70
Диапазон температур при хранении, °C –25…+85
Относительная влажность воздуха (без конденсации влаги), % 0–90
Допустимая высота подъема над земной поверхностью, м 3000

Вибрация (по трем осям): изделия сохраняют работоспособность при воздействии случайной вибрации в диапазоне частот от 5 до 500 Гц при среднеквадратическом значении виброускорения 2g в течение 10 мин.

Устойчивы к воздействию синусоидальной вибрации в диапазоне частот от 5 до 50 Гц при двойной амплитуде виброперемещения 0,05 мм и в диапазоне частот от 50 до 100 Гц при двойной амплитуде виброперемещения 0,025 мм.

Удар: в нерабочем состоянии выдерживают ударное воздействие при падении с высоты 100 мм лицевой поверхностью шасси (для ИВЭП серий ZX200 и ZX550).

Придание повышенной устойчивости к воздействию механических факторов (вариант для заказа «M»): для обеспечения работоспособности в условиях повышенной вибрации возможно повышение устойчивости к воздействию вибраций путем применения специальных способов монтажа компонентов (например, использование электролитических конденсаторов с крепежным хомутом или с усиленными выводами).

Для применения на борту подвижных транспортных средств обеспечиваются следующие показатели устойчивости к механическим воздействиям: вибрация (по трем осям) в диапазоне частот от 5 до 500 Гц при среднеквадратическом значении виброускорения 3g и пиковом виброускорении 10g.

Применение конформного покрытия на основе прозрачного эластичного кремнийорганического компаунда (вариант для заказа «Е») для покрытия печатной платы обеспечивает отличную устойчивость к воздействию химикатов и растворителей, а также при повышенной влажности и отрицательных значениях температур.

Разнообразие применений

Широкая номенклатура и хорошие энергетические, габаритно-массовые, точностные характеристики, а также показатели надежности и электромагнитной совместимости позволяют строить системы и устройства электропитания с применением изделий Zicon Electronics в таких различных отраслях, как

  • железнодорожный транспорт,
  • электроприводная отрасль,
  • нефтехимическая промышленность, нефтегазодобывающие отрасли,
  • автоматизация технологических и сборочных процессов,
  • станкостроение,
  • авиационная и оборонная электроника,
  • подвижная аппаратура связи,
  • электросвязь,
  • вычислительные сети и базы данных,
  • вычислительная техника,
  • морской флот,
  • радиовещание,
  • медицина,
  • метрология,
  • научные исследования,
  • управление скоростью турбин,
  • промышленные источники энергии,
  • системы контроля состояния окружающей среды,
  • промышленные и аварийные системы освещения,
  • противопожарная защита,
  • печатающие устройства,
  • торговые автоматы,
  • внешняя реклама,
  • системы безопасности,
  • индустрия развлечений.

В качестве промышленных источников питания они используются в:

  • электроприводах,
  • системах управления турбинами,
  • мобильной аппаратуре связи,
  • печатающих устройствах,
  • торговых автоматах,
  • оборудовании внешней рекламы.

Изделия Zicon также используются в системах контроля состояния окружающей среды, промышленного и аварийного освещения, противопожарной защиты и безопасности и во многих других применениях.

Литература

  1. Cергеев Б. C. Схемотехника функциональных узлов источников вторичного электропитания: Справочник. М.: Радио и связь, 1992. С. 224.
  2. Бас А. А. и др. Источники вторичного электропитания с бестрансформаторным входом/ А. А. Бас, В. П. Миловзоров, А. К. Мусолин. М.: Радио и связь, 1987. С. 160.
  3. Гончаров А. Ю. Cерийно выпускаемые транзисторные преобразователи электроэнергии // Электроника: наука, технология, бизнес. 1998. № 2. C. 50–52. № 3–4. C. 80–82.
  4. Прянишников В.А. Электроника: Курс лекций. CПб.: КОРОНА принт, 1998. С. 400.
  5. Гудинаф Фрэнк. Интегральные схемы управления импульсными источниками питания// Электроника. 1989. № 23. C. 62–74.
  6. Источники вторичного электропитания/ Букреев С. С., Головацкий В. А., Гулякович Г. Н. и др.; Под. ред. Ю.И. Конева. М.: Радио и связь, 1983. 280 с.
  7. Микроэлектронные электросистемы. Применения в радиоэлектронике/ Конев Ю. И., Гулякович Г. Н., Полянин К. П. и др.; Под ред. Ю. И. Конева. М.: Радио и связь, 1987. С. 240.
  8. Правильный выбор источника питания// Электроника. 1981. № 12. C. 103–120.
  9. Жданкин В. К. Рекомендации по применению преобразователей постоянного напряжения средней мощности серий BXA15, BXA30 и BXA40// Современные технологии автоматизации. 1999. № 4. C. 72–80.
  10. Бернард К. Коэл. Решение проблемы коррекции коэффицента мощности// Электроника. 1989. № 13. С. 48–50.
  11. Патрик Хантер. Улучшение характеристик импульсных источников питания путем коррекции коэффицента мощности // Электроника. 1992. № 11–12. C. 60–67.
  12. Жданкин В. К. Коррекция гармоник входного тока в маломощных сетевых источниках питания// Cовременные технологии автоматизации. 1998. № 1. C. 110–112.
  13. Проектирование систем автоматизации технологических процессов: Справочное пособие/ Клюев А. С., Глазов Б. В., Дубровский А. Х., Клюев А. А.; Под ред. А. С. Клюева. М.: Энергоатомиздат, 1990. С. 464.
  14. Жданкин В. К. Надежность преобразователей напряжения и ее количественная оценка//Современные технологии автоматизации. 1997. № 4. С. 116–119.
  15. Лукин А. В. Распределенные системы электропитания// Электронные компоненты. 1997. № 7. С. 28–32. 1998. № 2. C. 20. № 3. C. 33.

andrey@prosoft.ru


Статьи по: ARM PIC AVR MSP430, DSP, RF компоненты, Преобразование и коммутация речевых сигналов, Аналоговая техника, ADC, DAC, PLD, FPGA, MOSFET, IGBT, Дискретные полупрoводниковые приборы. Sensor, Проектирование и технология, LCD, LCM, LED. Оптоэлектроника и ВОЛС, Дистрибуция электронных компонентов, Оборудование и измерительная техника, Пассивные элементы и коммутационные устройства, Системы идентификации и защиты информации, Корпуса, Печатные платы

Design by GAW.RU